| Fórum témák 
 
 » Több friss téma | Fórum » LED-es kivezérlésjelzők 
			Témaindító: KeserűCukor, idő: Márc 27, 2006		 
			Témakörök:
			
		 
				Akkor csökkentsd az érzékenységét. Számold újra a referenciafeszültséget, ami a ref lábra megy, hogy 0.6-0.7V legyen. Ehhez egy kis segítség: Bővebben: Link. Esetleg csökkentesd a kondival párhuzamosan lévő ellenállast (ekkor vele együtt a kondit is, mert az időállandó akkor lesz "állandó".). Üdv!						 
				Sziasztok! Olvasgattam itt az értékfeszítő társalgást és arra jutottam hogy én is építek egy kivezjelzőt meléklek egy képet a nyákról! 
				Hali Én megépítettem uaa 180-as ic-vel a kapcsolást de valamiért nem működik az utólsó 3 led. Segítsetek!   
				Hello! Nem gondolod, hogy ez kissé kevés információ? Melyik kapcsolást? Mekkora a tápfeszültség? Mekkora a referencia feszültség? Mekkora a bemenő feszültség.... üdv! proli007 
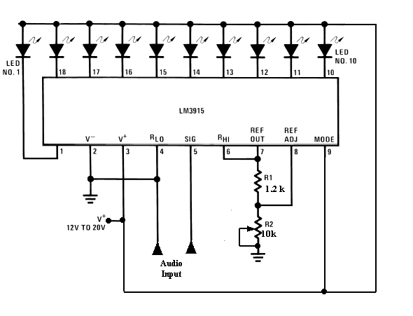
				Hali Bocs nah akkkor mondom: A kapcsolásaz uaa 180-as icvel méllékeltem a kapcsolási rajzot. A tápfeszültség 12 v. A referencia feszültség azt nem tudom de ha valaki elmagyarázná mi az azt nagyon megköszöném. 
				Hello! - Nincs itt semmi gond, ha a kapcsolásod (nyákod) jó, akkor csak a bemeneten lévő 1,2Mohm-ot kell lecsökkentened. - A referencia feszültséget felül, itt a két soros dióda adja (kb. 1,2..1,4V. Alul, pedig a potival állítod be. - Az 1,2Mohm/100kohm-os potit figyelembe véve, az utolsó Led kinyújtásához kb. 18V feszültséget igényel a kondiban. Ez minimálisan 20W/8ohm-os erősítő kimeneti feszültsége tudja biztosítani. üdv! proli007 
				Hello! Helyettesítheted, csak a 15-ös logaritmikus, a 14-es meg lineáris. Mivel a fül hallásgörbéje is logos, a 15-ös jobban illeszkedik a hallottakhoz (érzékelt hangerőhőz). Ha viszont a maximális kivezérlés szintet szeretne az ember beállítani valaminél, akkor szerintem a lineáris jobban alkalmazható. üdv! proli007   Igen, pont azért kérdeztem mert szintillesztéshez kéne. Akkor köszöntem. :wave: 
 
				Sziasztok! Nem tudja valaki, hol találok egy SHARP IR2E19-eshez leírást? A lábkiosztása kellene mert életet kell lehelnem a motyóba  Köszi! 
				Elkeszitettem egy kivezerles jelzot pontosabban kep 1 ! Ezzel a nyakkal : KEP 2 Es nem mukodik,.... a 10 - edik LED vagyis a legutolso mukodik a , poti nem reagal semire.... .... a tobbi led felsem villan , semi sehol !! Meg valami egy 9 V - os traforol mukodtetem a videoban , azis baj lehet ? Mi lenne a problema , , Koszonom elore ! Video is hozza : Bővebben: Link 
				6-os, 7-es , és 8-as lábon milyen feszültséget mérsz? Ezek a referenciák ugyanis. Jelforrásnak mit kötsz rá? Ha nem akarsz szórakozni, akkor rakj rá egy potin keresztül 1.5V-ot (feszültségosztó módban!!!) ! De a bemenettel sorosan is tegyél egy min.10k-s ellenállást, nehogy bajt okozzon az 1.5V! Az IC jól van a nyákban? Nincsen tükrözve véletlenül? Ha tudsz egy éles képet felrakni, akkor rakj fel a beültetésről.						 
 
				Sziasztok Luxeon Star power led- böl szeretnék építeni egy olyan eszközt ami a mély hangoknál villanna eggyet. Az autos mélyekhez szoktak ilyeneket csinálni. A lényeg tehát az lenne hogy a mélyeknél kb 300HZ asziszem müködésbe jöjjön a ledsor fontos, hogy led sor tehát vagy 10 ilyen power led... Köszi 
 
				Veszel egy sub filter, erre rákötsz bemenetként egy jelforrást, ami éppen szól. A kimenetére pedig raksz egy AN6884-et, vagy LM3915-öt, ahogy tetszik. Gondolom stroboszkóphoz hasonló effektet szeretnél, tehát kiválasztasz egy kimenetet a 10közül az LM IC-n, és erre raksz egy teljesítménytranzisztort/FET-et, ami a LED-eket kapcsolja. Az érzékenységet pedig potival állíthatod. Vagy valahol a fórumon van egy Spafi által razolt kapcsolás. Megtaláltam:						 
				Hello! Tekintve, hogy a Led-eknek tisztes az áramfelvételük és az 5V-os áramkört 12V-ról táplálod, a különbözeti teljesítmény a stabiban marad. De mérd meg az áramfelvételét.. üdv! proli007 
				Szia. Kipróbáltam 8,5 VDC-ről . Így is ugyanaz az eredmény.Akkor nem lehet mit tenni ez van ez ilyen,hűteni kell. A kalibrációval küzdök,nekem ez a forró vizes-jeges vizes dolog nem nyerő.Elég fals értékeket mutat multimeterhez képest. Valahogy bekalibrálom,hogy 40 és 60 fok között mérjen normálisan aztán jó lesz. Nem igazán nyerte meg a tetszésem. 
				Hello! - A °C kijelzés elég erősen világít. (így képről nézve) Annak terhelését, levehetted volna a Stabi válláról. De legalább az ellenállásait meg lehetne növelni.. - A víz csak akkor forr kb. 100 fokon, ha desztvíz, és a légköri nyomás 1bar. A Jeges-vizes, pedig csak akkor közel nulla, ha szintén desztvíz és mindig van jég a vízben és intenzív keverés van. üdv! proli007 
				Szia. Köszi a tippet! Jó ötlet. Lekötöm akkor stabkockáról. Kicseréltem a mérődiódát,így már azért elég jó lett. Multihoz kalibráltam inkább az a tuti. 
				Üdv.Szeretnék épiteni egy 30 ledes torony Vu metert Azt kérdezném hogy milyen tipusú IC és alaplap kell hozzá.És majd hogy kell bekötni a ledeket.És nyák tervet is.KÖSZÖNÖM SZÉPEN!   
				Videó ahogy nézne ki:Bővebben: Link						 
				Sziasztok van egy nagy problémám épitettem egy LM 3916-os 10-ledes kivezérlés jelzöt, és épitettem egy elöerösitöt is melé de midenek fejébe csináltam egy sztereo erősitött is összekötöttem a kivezérlés jezövel és tökéletesen müködött.  De ha beraktam elé az elöerösitőtt nem hajlandó müködni a kivezérlésjelzö     
 
				Helló! Minek neked elő erősítő? Nézd meg,hogy tápot kap-e.Meg a nyákot illetve az alkatrészeket.   
				Hali Olyan kivezérlésjelzőt szeretnék csinálni ami 4 vagy 5 ledet a mély hangokra működtet. Milyen IC-t / kapcsolást tudtok ajánlani, és milyen szűrővel tudom szűrni a jelet? 
 
				Bocsika rosszul fejeztem ki magamat épitettem egy 2x70 w-os végfokot tda1562q. Csináltam egy LM3916-os kivezérlés jelzöt. És épitettem egyLM1036 hangszint is. Ha a végokot őssze kötöm a kivezérlésjezövel akor tökéletesen müködik, haviszont belerakom a hangszinszabályot akor kiakad a kivezérlésjelzö. Mindent kiprobáltam a barátomal de semi eredménye.     
				Hello! Ebből még sajnos nem derül ki, mit is tettetek.. Egy "móricka" rajz lenne jó, mit és hova kötöttetek, valamint a Végfok, kijelző hangszínszabályzó táplálást hogyan oldottad meg. Mert még az sem világos, hogy a kivezérlésjelzőt a végfok bemenetére, vagy kimenetére kötötted-e.. üdv! proli007 
				Hali ! Nos a kivezérlés jelző a végfok bemenetén volt a bemenő jel szintet mérte (amikor rendesen működött) Miután a hangszín be lett építve a kivezérlés jelző maradt a végfok bemenetén a bemenő jelet mérni de bekapcsolás után az összes led világít rajta ha a 10k-s trimmert maximumra állítom a ledsor fele világít és a hangerő emelésére nagyobb hangerőnél elkezd a felétöl rendesen működni átlett rakva a végfok kimenetére is ott is ugyanezt produkálja ha átrakom a hangszín bemenetére ott működik rendesen. A tápellátás egy 1x12v 300va toroid 10A diódahíd 10000mf szűrés+puffer tehát egy a tápja a három eszköznek . Afáradozásaitokat elöre is KÖSZÖNÖM ! 
				Nem hallatszik véletlenül brumm, vagy zaj a hangsugárzókban? Mert ezeket is jelzi.  Csúcsegyeirányító sem ártana a kivezérlésjelző bemenetére. A kivitelezésről egy kép igen sokat lendítene a probléma feltárásában. 
				Hali ! képet csak később tudok felrakni de a brumm szerény véleményem szerint kizárt mer ugyan ezt produkálta egy héra laborsystem ES 2044-es 0...30v és 0...10A táprol is ami igen szűrt valamint egy cheiftech 450-es számítógép tápról is (ami az én végfokomat táplálja) és nálam is ugyan az a hibajelenség mint a tubinál.    | Bejelentkezés Hirdetés | 















