Fórum témák
» Több friss téma |
Fórum » TV hiba, mi a megoldás?
Bevált fogás nincs, tapasztalati úton kell eldönteni, hogy trafócsere, vagy további kutakodás.
Egy teszter leírása:Bővebben: Link
Rendben, köszi mindent, megnézem mit tehetek.
Üdv.
SZIA ISTVÁN !
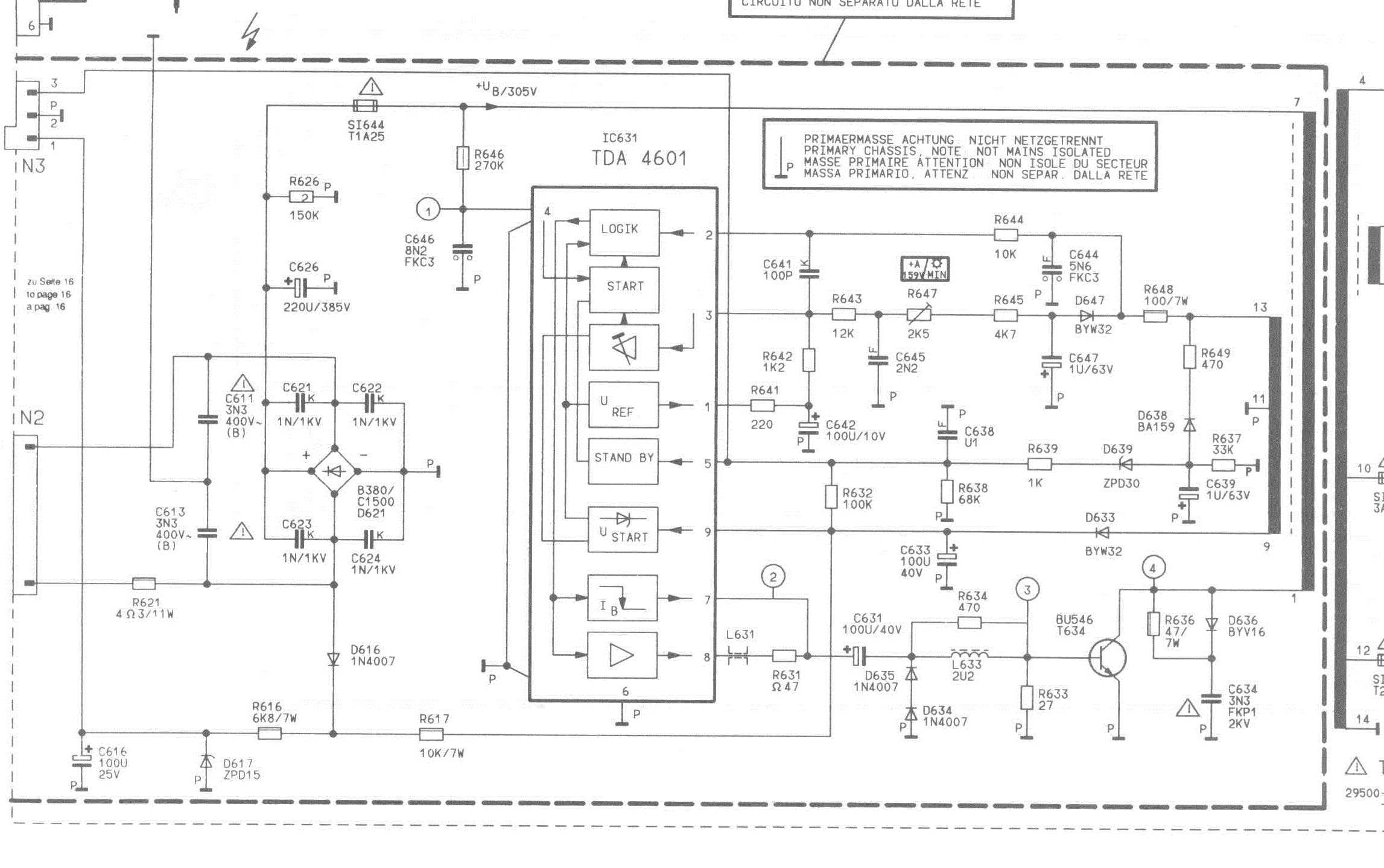
...NEM FOGADTAM MEG PONTOSAN A TANÁCSODAT...MERT MOST NEM TUDOK VENNI OLYAN BU808TFX-ORT AMIT JAVASOLTÁL. DE MIVEL HAJTOTT A KÍVÁNCSISÁG KICSERÉLTEM A NYÁK-ON A C613 SZ. E-KONDIT / DE ABBÓL IS CSAK 47-50 V-OST TALÁLTAM/ A BU-BÓL MEG CSAK 508 A JELZÉSÜ VAN . BEKAPCSOLÁS UTÁN KB. 20-30 MP-IG VIZSZINTES SZINES CSIKOK JÖNNEK BE -HANG IS VAN - DE AZTÁN KINYILLIK A KÉP RENDESEN. MÉG KÉSŐBB EGYSZER-EGYSZER BECSIKOZÓDIK , DE MIUTÁN BEMELEGSZIK KIFOGÁSTALANU MÜKÖDIK..........EGY DARABIG ! MERT ELŐBB-UTÓBB GONDOLOM HOGY CSAK VISSZA FOG TERHELNI VALAHOVÁ / JOBB ESETBEN CSAK A BU FOG KIMENNI , DE ILYEN ÜZEMMÓDBAN AKÁR MÉG A SORKIMENŐ IS KIMEHET.../ DE ADDIGRA MÁR TALÁN TUDUNK VENNI EGY ÚJ TV-T. MÉGEGYSZER SZERETNÉM MEGKÖSZÖNNI A HASZNOS SEGÍTSÉGED , MAGAMTÓL SOHA NEM TUDTAM VOLNA MEGCSINÁLNI... ÜDV: UJ SÁMSONKERTBŐL
Ne új tévét vegyél, hanem BU808DFX-et. Ahhoz a tévéhez ilyen speciális típus kell. A lassú beindulást okozhatja más kondenzátor gyengélkedése is. A BU508 nagyon melegszik ennél a megoldásnál, mert nincs rendesen kinyitva. A 808-as egy Darlington, az 508 sima tranzisztor. Nem csereszabatosak!
Helló! Kimértem azt a bipoláris kondenzátort és semmi baja. Esetleg lehet még valami passzív alkatrész a tettes? Vagy ténylegesen már a trafó a hibás
A trafó nagyon ritkán megy tönkre. Cseréd ki a tranzisztor bázisában lévő elkót(100 µF ), valamint a kollektorra kapcsolódó egyéb elemeket(dióda, ellenállás). A kondin elég nagy az igénybevétel, előszeretettel elszáll. Ilyenkor a tranzisztor is tönkre szokott menni.
Ilyen elszállásoknál soros izzólámpán keresztül kell táplálni a készüléket. Ez áramkorlátozó szerepet lát el, megvédvén (legtöbbször) a kapcsolóelemet.
sziasztok.
van egy Samsung Hdtv 1080i készülékem. a probléma az hogy amikor bekapcsolom kép nem jelenik meg rajt csak sípol pár másodpercig, a távirányítóra nem reagál \olyan mintha gyerekzáras lenne\. tudnátok benne segíteni, hogy mi lehet a baja? előre is köszönöm András
Nézz körbe a tápegységében, valószínűleg az egyik ELKO lesz a hibás. Érdemes kicserélni a tápegységben az elektrolit kondikat, ettől valószínűleg megszűnik a hiba.
sziasztok
tudna nekem valaki segiteni egy thomson 28dg76dt (type:328n/tx929) rajzában? alig látható a kép olyan halvány és nem tudom honnan indúljak. képcsőt már teszteltem, jó. próbáltam rajzot szerezni de ezt sehol se találom.... :no:
hello!
Adott egy thomson 21dg170 tipusu tv ami egyszer csak nem indult el. A hibajelenség nyüszít a táp és pirosan villog a készenléti ledje.mi lehet a baja?
sziasztok van egy orion tv 2030-as sekep se hang neha el indu de akor, fekete feheren megy es a hang csak sisterges vanamugy a kep tisztacsak nem szines ,a g2-200v korul mozog es nem kaptam semmi rossz alkatreszt ,mi lehet a baj?
Szia!
Lehet, hogy a rendszertápfeszültség alacsony, ezért a vezérlő bizonytalan. A tápegység szekunder oldali elkóinak kiszáradása okozhat ilyen hibát. Meg kellene méregetni a tápfeszültségeket.
koszi szepen
Sziasztok .Elösször jelentkezem be . Egy jvc tv vel volna gondom.Nem kapcsol be es a piros led sem világites furcsa folyamatos kattogas hallatszik
Üdvözlök mindenkit.Volna egy kérdésem,hogy valaki találkozott-emár olyan hibával,hogy én 15év alatt most találkoztam olyan hibával,van egy Toshiba tévém és negatív a kép benne.A teletex,vagy a menűje tökéletes,de a filmet negatívba adja.Ilyenkor milehet a baj?
Ennek a Tosibának itt a belseje.
Szia!
Nézd meg a sorvégtranzisztort, nem zárlatos-e. A táp kattogása zárlatra dolgozást sejtet.
Szia!
Csak DVD-nél negatív a kép, vagy tévévételnél is.
Köszi a tippet ,holnap megnézem
Véletlenül nincs Francia normára állítva a menüben?
Viszont ha PIP-es a készülék, akkor a digipanel pusztult el.
Nalátod azt nemtudom pippes-e,de 100hz-es.A digipanelben a procira tippelsz?Én a txt panelra.Itt a tipusa:Toshiba,2896dd
A teletext-panelnek a teletexthez van köze. A digipanelnek pedig a tévéképhez. Biztosan nem a textpanel lesz a rossz.
A távirányítón nincs PIP gomb?
Sajnos nincs távja.De a rendeléseknél néztem nemlátok rajta pip gombot.
Helló! Ezt az izzós tervet már hallottam.. ki is próbálom, csak ha jóltudom az egyenirányított hálózati fesz után olyan 340V feszültség kering, az izzót egyből tönkretenné gondolom zárlat esetén. Nameg van a tranzisztor B és E között 1 ellenállás, azis kinyiffant. Mondjuk érdekes, televagyok itthon ellenállásokkal de mindenféle van csak 27 Ohm-os nincs
csak 22ohm.Az az ellenállás gondolom védelemként is szolgál(t). Az alkatrészeket ahogy említve lett, mérem ki folyamatosan. Eddig rossz diódával meg ellenállással nem találkoztam.
Az izzót a graetz , puffer elé kell tenni, ott 230AC van csak.
Az egyenáramú (pufferelt) részhez is bekötheted a lámpát.
Üdv Mindenkinek!
Lenne egy problémám egy Videoton TS2623 készülék csatornáinak programozásával. A készülék alapból úgy kereste a csatornákat, hogy sorra végigment a frekvenciákon I-III-U! Azonban az történt, hogy amikor keresni próbáltam egy adót, valami kétbetűs felirat jelent meg a kijelzőn, fogalmam sincs, melyik gombbal hoztam be. Rányomtam valamit, és azóta nem úgy keresi a csatornákat, hogy végigveszi I-III-U, hanem bizonyos csatornákon alul villog egy vonal, máshol csak felül keresés közben a LED kijelzőn, és ennek megfelelően a csatornák egy része csak ott fogható, ahol felül villog a vonal, a többi pedig ott, ahol alul. Remélem valaki tud segíteni, hogy a távirányító melyik gombjával tudom ezt visszaállítani. A távirányíto típusa: COM3067 Előre is hálásan köszönöm a segítséget!
Üdvözöllek! Ismét itt vagyok, egy pár alkatrészt kellett beszereznem a tv-hez, ezért nem írtam. Most ott tartok, hogy csak kicseréltem a táp IC-t, a tirisztort, a kapcsoló BC tranyókat, 3 db. TL431-et is próbáltam de még mindig ott tartok ahol eddig, a táp feszkó ugrál, valami bezavar de nem tudom mi. Az optó csinálhat-e ilyen prolémát.A másik, hogy a benne lévő TL431-el készenlétből indul a tv. de ha kicserélem bármelyikkel a háromból, akkor a készenlétből már nem indul a tv. csak párat villan a led. Most már lövésem sincs mit nézzek meg.
Van még valami ötleted? |
Bejelentkezés
Hirdetés |










csak 22ohm.
Van még valami ötleted? 




