Fórum témák
» Több friss téma |
Fórum » NYÁK-lap készítés kérdések
A témában nincs helye a nem szakmai indíttatású vitáknak, ezért a szabályszegést elkövetők azonnali figyelmeztetés nélküli kitiltásban, vagy némításban részesülnek. Ugyan így járunk el azokkal szemben, akik "blog"-nak nézik a fórumot. Ezt mindenki tartsa szem előtt!
Azon az áron vehetbe új fényképezőt
![]() Szervíz még mindig olcsóbb
Mondtam horror áron, de hátha a szívéhez nőtt.
Családi örökség :yes:
Szia! Nem a két irány kell hanem a fordulatszabályzás ,a lassú egyenletes nyomatékos haladás! A rossz motort te is meg tudod csinálni úgy mint janocsi szerintem!
ilyen lett a bent maradt papírokkal
Ne csüggedj, lesz majd ettől jobb is.
Az viszont tény, hogy jobban meg kell tisztítani laminálás után, mert a bent hagyott papírmaradványok alá nem jut be, vagy csak részlegesen a maratóanyag.
Szia.
Én orvosi tűvel és egy nagyítóval szoktam kiszedni a papírmaradványokat.
Attila, hogy váltasz forgásirányt a kétirányú motoron?
Ha jól sejtem az már nem 2 vezetékes...
Ha minden beállítás ellenére sem köpköd elég festéket, lehet próbálkozni scanner-en keresztül is. Beállításban jó felbontás, és erős kontraszt. Lehet nem minden nyomtatónál működik, hogy egyből a scanner-ről másoljon, de nálam valósággal megtáltosodott így. (ujjal tapintható "hegyvonulatok" a műnyomón)
Szia!
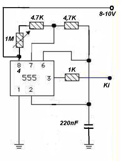
A kapcsolás hiányzó 555-ös része, és a javított NYÁK tervét csatolom hozzá.
Azt a panelt szerettem volna ki próbálni, amit watt tett fel ide, de ha Te ebből ki tudod orvosi tűvel szedni a bele ragadt pírt, akkor minden elismerésem.
Még nagyító alatt is nehéz, mert nagyon sűrűek a vonalak, nem is beszélve a 0,1-0,2 mm-es vonal vastagságról, mely az is csoda, hogy fent maradt a nyákon
Ezért használok injekciós tűt mert annak a hegye a hajszálnál is vékonyabb így könnyen ki lehet szedni a papírt. PCM2902E-s ic-knek is így csináltam adaptert.
Előtte két feles, hogy ne remegjen a kezem
Most lamináltam le watt tesztpaneljét 80grammos műnyomóval és én 10 %-os sósavban pillanatok alatt leszedtem a felesleget!
Nekem két feles, azt még a nyákot is át bököm, nem hogy lássam a vonalakat
Csak simán bele teszed a 10%-os sósav oldatba, és mit kell még használni, hogy a festék ne jöjjön le? Érdekel ez a megoldás!
Akkor neked 3 kell, hogy a nyomaték is beálljon...
Én a TN-es előhívóval hívom elő a lézeres nyákokat is, beáztat ecset és tökéletesen lejön papír. 2-3 perc ázás után.
Egy kis kefét használok valami hajnyíró tisztítója volt azzal simogatom a savban nem kell semmi csak ne erős sav legyen elég az 5%-os vízkőoldó is azzal is próbáltam és jó! Ha lejön a festék az más probléma! Próbáld meg az előmaratást ! Ha érdekel olvass vissza!
Nem voltak ilyen gondjaim a papírral, de ez a watt által feltett nyák kifogott velem. Te próbáltad már ezt a nyákot elkészíteni, és kimaratni?
Köszi mindenkinek a reakciókat. Egyenlőre a szervizt választottam, jövőhétre derül ki, javítható-e.
Amúgy egy 5 éves Konica Minolta Z5-ös, Lassan csere érett lenne, azért mertem szétszedni házilag belső elem végett, persze nem akartam rögvest hazavágni
Nekem is a Nyák készítéssel van egy kis gondom,
nincs lézeres nyomtatóm csak tintás. Ezért azt szeretném kérdezni, hogy melyik a legolcsóbb nyomtató típus, erre a célra? Csak Nyák készítésre használnám, szóval semmi extra, csak olyan legyen amelyik Nyák készítéshez ideális, arra alkalmas. Előre is kösz a válaszokat.
Nem feltétlenül kell hozzá lézernyomtató, ha el tudod vinni lefénymásolni. Csak az a lényeg, hogy nagy kontraszttal legyen másolva a lehető legnagyobb felbontásban. Igaz, hogy így nem annyira kényelmes, de megspórolsz egy nyomtatóvásárlást magadnak, és vele együtt egy kis pénzt is
Biztosan tudatlan vagyok, de a papírt nem leáztatjátok a nyákról?
Ha vasalásos (én spec. sütőben melegített és laminálón átengedett) nyákot készítek, akkor utána mindjárt forró vízbe teszem, és néhány perc múlva lehántom róla a felázott papírt. Tehát a kérdésem: miért kell külön savazni?
Igen! ITT van! Csak nem tudtam a kis icét kinyomtatni mert nem jó volt valami de ma sikerült és az a rész is tökéletes!
Ok, kösz a választ, de mégis milyen nyomtatót érdemes venni, erre a célra?
Szia! Ma kipróbáltam az eredeti funkcióját is egy nyáktervre lamináltam fóliát mit adtak hozzá az eredmény tökéletes! Nem csináltam állítottam semmit így lassan,hogy a nyákot is csinálja így küldtem át a fólia tökéletesen fed leszedni lehetetlen meg nem olvadt és torzult sehol! Ez előlapok gyártásánál nagyon jó lesz
Ha műnyomóval szeretnél nyákot készíteni, akkor minél nagyobb felbontású, annál jobb. minimum 1200 DPI a jó választás. Konkrét típust ne kérdezz, mert nem tudok.
Ha fotózásos technikához kéne akkor jobb, ha a felbontás ettől csak nagyobb. |
Bejelentkezés
Hirdetés |








