Fórum témák
» Több friss téma |
Sziasztok!
Segítségeteket kérném kétszínű led PLC kimenettel történő vezérléséhez. A feladat: PLC kimenet alacsony szinten (0V) - piros led világít, magas szinten (24V) - zöld led világít. Mindezt 16 ledre kell megcsinálnom, természetesen 16 PLC kimenettel. Készítettem egy alapkapcsolást, melyet csatoltam is, de ezzel érdekes módon úgy viselkedik, hogy bekapcsoláskor még jó kis idő után viszont a zöld led sárgán világít. Valószínűleg átereszt a piros is ezért lesz sárga. De miért csak kis idő eltelte után? Kérésem: megbízható, egyszerű kapcsolás, kis helyigénnyel. Akár IC is szóba jöhet. ![]() Azért mondom ezt, mert 24V-on a led előtét ellenállásnak sokat kell disszipálnia és fél wattos létére is elég rendesen tüzel. Ötletet kérek esetleg a 24V csökkentésére is. Csak ne mondjuk 12V-os stabilizátorral, mert 16 lednél az is rendesen melegedne és a hűtés helyszűke miatt nehezen megoldható. Segítségeteket előre is köszönöm. üdv, Zsolti
Szia!
Tegyél be a tranzisztor emittere és a bázisa közé egy 10kohm -os ellenállást a sárga fény kiküszöbölésére. A PLC kimenet lehet, hogy nem megy fel egészen 24V-ra. Szia
Szia!
Ha a duo leded normál típus (nem nagyáramú), akkor növeld meg az áramkorlátozó ellenállásokat, pl. 1,5-2k környékére, mert így igen csúcsra vannak járatva. Valószínűnek tartom, hogy emiatt változik meg a színe is, egyrészt ,mert a tranzisztor nem zár le rendesen, másrészt a disszipációval emelkedik a ledek hőmérséklete, amely a nyitófeszültségükben 2 mV csökkenést jelent °C- ként.
Végül is igazad lehet, mert a ledeket 30mA-ről járatom.
20mA környékén halványan világítottak. ![]() Valószínűleg az előtét ellenállás is azért melegszik annyira, mert nagy az áram. A tápfesz csökkentésre nincs ötletetek? Vagy az egészre valami egyszerűbb megoldás? Mert ennek a kapcsolásnak 16 lednél elég nagy a helyigénye.
Szia! Volna lehetőséged két kimenetet használni 1 LED-hez? Konkrétan mi a feladat, hátha másképpen is meg lehet oldani. Üdv.: Yoe
Sajnos nincs lehetőségem.
Nem tudom mennyire vagy jártas PLC terén, de egy ET200 modul van használva, aminek 16 kimenete van. Nekem meg 16 ledem van ![]() Vagyis 16 állapotot kell kijeleztetnem. Ez egy ellenőrző mérés, ha jó a mért pont eredménye, akkor a led zölden világít, ha rossz, akkor pirosan. Várom ötleteidet.
A 24V-ot úgy is tudod ám csökkenteni, hogy szépen sorba forrasztol 1N4002-es diódákat mondjuk 20db-ot . Az úgy 1A-ig bírja és 12-14V-tal biztosan csökkeni fog a tápod. És még nagy helyet sem foglal. (Bár nem tudom mennyire fog fűteni, de szerintem nem lesz vészes.)
Megveszed a legolcsóbb legkissebb 24 voltos relét aminek van legy zárt meg egy nyitott érintlezője
amikor nincs meghuzva piros ha meghúz akkor zöld bár ide ajánlatosabb lenne rgb ledetBővebben: Link használni nem kell polaritásváltás csak előtét ellenálás duál leddel is meg lehet csinálni csak akkor két pár érintkező kellBővebben: Link
Érdekes a kapcsolásod csak két gond van vele.
Egyik, hogy nekem a dual ledem egy tokban van, tehát úgy is mondhatnám közös katódos. A te kapcsolásodban viszont külön szerepel a két led. ![]() Másik, ha ennyi alkatrésszel számolunk egy dual ledre nézve, akkor mennyi lenne ez 16 ledre vonatkoztatva? Mekkora panel kellene neki.
Igazad van, de nem valami szép megoldás lenne, nem?
Azt nem mondtad hogy szépnek is kell lenni. Túl sok a kritérium. Én még egy dolgot javaslok. Ha a sok LED közös lába közösíthető, akkor valahogy úgy csinálnám hogy megemelném a föld potenciált. Egy nagyobb értékű ellenállással és valahogy így mennék tovább.
Relés megoldásra nem is gondoltam. Köszönöm az ötletet. Esetleg optokapuval se lenne rossz. Majd átgondolom.
Hello én még nagyon zöld fülű vagyok a témában, de csináltam egy kapcsolást ami kijelzi nekem hogy be van e húzva a relé vagy nincs.
Duo leddel működik, ha van áram zöld, ha nincs piros. 2 ellenállás+1bc640-es PNP hasonlónak vélem azt ami neked kell. ha érdekel le rajzolom, itt egy videó és egy kép
Szia!
Ha lehetne egy 19-20V-os segéd feszültség forrásod, ami a 16 piros led áramát (én 20mA-ral számoltam) tudná szolgáltatni, akkor lenne egy ötletem: (kis fényerő eltérés lesz a piros és a zöld lednél, de csak két alkatrész kell ledenként) A piros led-eket a 19-20V tápra lennének kötve, a föld felöl 1k áramkorlátozással, a zöld ledek az egyedi PLC kimenetre mennének egy diódával. Ha a PLC kimenet alacsony, a piros led a segédtápról kap áramot, azaz világít. A közös áramkorlátozó ellenálláson eső feszültség miatt a dióda és a zöld led záróirányú feszültséget kap (azért kell a dióda is, mert a led csak kb. 5V zárófeszültséget visel el), így nem világít. Ha a PLC kimenet magas, a zöld led nyitóirányú feszültséget kap, rajta a feltételezett kb 20 mA folyik át. A közös 1k áramkorlátozó ellenálláson 20V feszültség esik, azaz a piros led záróirányú 0V..1V feszültséget kap. Az 1K > 0.6W de inkább 1W -os legyen, a dióda lehet 1N4148. A segédtápnak 320mA-t kellene tudni kiadni. Más áramra és segédfeszültség értékre is át lehet számolni a közös áramkorlátozó ellenállás értékét, de lehet, hogy a zöld led és a PLC kimenet közé további ellenállás, a piros leddel sorban egy másik dióda is kell majd. Ha nincs segédtáp, LED-enként egy ellenállással és egy 20V-os zenerrel is megoldható, bár ezek is melegedni fognak.. Szia
ja és ez 12 v-os de szerintem a 2 ellenállás megfelelő cseréjével 24 is lehet,
ha érdekel kibróbálom 24 en, és lerajzolom
Persze, hogy érdekel, azért kértem tőletek ötleteket.
Várom a rajzot.
Végül is van segédtáp, ami a rajzomon is jelölve van, az megy a pnp tranyó emitterére, de az is 24V.
Jól hangzik amit leírtál nem tudnál egy rajzot mellékelni róla? Jobban átlátható lenne számomra.
Szia!
Ennyi az egész... Szia
akkor tervezek, kivitelezek, tesztelek, és rajzolok
Szeintem jó a tranyó BC640
az 1,2k-s ell kicsit melegszik de szerintem nem nagyon elég gagyi a rajz az a 3 vonal a led lábait jelképezi piros+/-/zőld+
Köszönöm a gyors reakciót, értem a skicc rajzot. Holnap ki is próbálom.
Ez a megoldás se jutott volna nekem eszembe. Holnap összedobom, tesztelem. Köszi szépen a segítségedet.
Szerintem a mellékelt kapcsolást csináld.
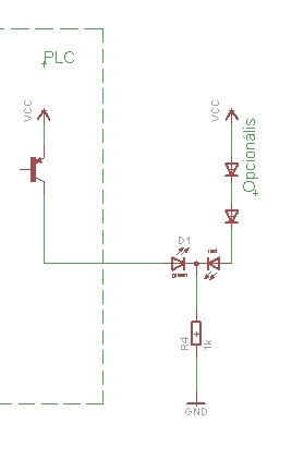
A LED egy tokban lévő két színű típus, belül antiparalel van kötve a piros és a zöld LED (lényegében polaritástól függő a színe, lehet ilyet kapni). Nem tudom, hogy a PLC kimeneted milyen, más kimenet esetén (relé, PNP) értelemszerűen át kell alakítani a kapcsolást. A disszipációt nem tudod megúszni, csak akkor, ha kisebb a tápfeszültség. Teljesen mindegy, hogy a feszültség tranzisztoron, diódán vagy ellenálláson esik, ugyanakkora lesz a disszipáció, csak legfeljebb több alkatrészen keletkezik a meleg. Kapcsolóüzemű átalakítóval lehet úgy kisebb feszültséget előállítani, hogy a disszipáció kisebb lesz, de akkor meg az áramkör lesz bonyolult.
Szia!
Lehet, hogy jó a 24V-os segéd táp is, csak a piros led és a segéd táp közé több dióda kell, mint amennyi a zöld és a PLC kimenete között van... Szia
Jó ötlet, amit kitaláltál, de a PLC felé csak akkor kell dióda, ha a kimenete olyan, hogy forrásként és nyelőként is tud működni. Eddig csak olyan PLC kimenetet láttam, ami csak az egyik tápeszültség oldal felé vezetett (akár reléérintkezővel, akár tranzisztorral), a másik állapotában pedig "lebegett". Ezt csak azért mondtam, hogy ezzel is meg lehet spórolni egy diódát. Így a problémát a Te ötleteddel meg lehet oldani kimenetenként egy ellenállással és egy (max. 2, ha a tranzisztornak nagy lenne a maradékfeszültsége) diódával.
Szia!
Köszi a rajzot, ez utóbbi passzol a ledemhez, mert három kivezetéses. Megépítem és kipróbálom. ![]() És szerinted mi lenne, ha az 1k-os előtét ellenállást mondjuk 5W-osra választanám és közösíteném a 16 ledre? Tehát egyetlen ellenállással húznám a 16 ledet földre.
A kapcsolásodat nézve nem fog a piros led kisebb fényerővel világítani? Ott a 24V-ot a két dióda csökkenti 2x0,6V-al, nem? Vagy nem lesz a zöld szín sárga? Lezár rendesen a piros a tranzisztor nyitásakor. Vagyis nekem pont fordítva kell mint ahogy jelölted. A bal oldali a red a jobb oldali a green.
Szia!
Nem lehet közösíteni az áramkorlátozó ellenállásokat, hiszen akkor minden led árama azon folyna át, a kialakuló potenciál attól függene, hogy hány zöld led van bekapcsolva... Kende256 rajza is jó, mivel azon 24V-os a segédtáp és a feszültség csökkentését egy (kettő,... több) dióda oldja meg. De ezt az ötletet is megírtam Neked... A diódák számával ill fajtájával (si dióda - 0.6V, zener 2V - 3.6V, ) elérhető, hogy a piros leden ne folyjon áram (nagyon kevés nyitóirányútól a teljes lezárásig). A piros led feszültsége kb 1.4-1.5V, a tranzisztoron kb. 0.8-1V maradékfeszültség lehet bekapcsolt állapotban, fet -es kimenet esetén nincs maradékfeszültség. Amenniyben a PLC kimenet tartalmaz rövidzárvédelmet, egy áramfigyelő ellenállás lehet a tranzisztor/fet emitterénél/source-jénél vagy a kolletoránál/drainjénél, ami a kimeneten megjelenő feszültséget csökkenti... Megírtam, hogy ennél a megoldásnál a piros led árama kisebb lesz, mit a zöldé, tehát a fényereje is kisebb lesz. Szia
Ne görcsölj az ellenállással. Jobban jársz, ha mind a tizenhatnak külön teszel be, valamint a mindenféle tranzisztoros kapcsolások helyett előveszed a jó öreg relét. Megfelelő alkatrészt a megfelelő helyre!!
Csatolok egy kapcsolást. Szerintem ez árban, megbízhatóságban, és kivitelezésben is korrekt. |
Bejelentkezés
Hirdetés |


















