Fórum témák
» Több friss téma |
- Ez a felület kizárólag, az elektronikában kezdők kérdéseinek van fenntartva és nem elfelejtve, hogy hobbielektronika a fórumunk!
- Ami tehát azt jelenti, hogy a nagymama bevásárlását nem itt beszéljük meg, ill. ez nem üzenőfal! - Kerülendő az olyan kérdés, amit egy másik meglévő (több mint 17000 van), témában kellene kitárgyalni! - És végül büntetés terhe mellett kerülendő az MSN és egyéb szleng, a magyar helyesírás mellőzése, beleértve a mondateleji nagybetűket is!
Nincs semmi hiba. Még az is lehet, hogy az akkudban is ugyanilyen cellák voltak. Csak nem tartóban hanem ponthegesztve.
Sziasztok. Kiégett egy 20 W-os kompakt fénycsövem, és azt kérdezném meg a hozzáértőktől, hogy ennek a kiégett fénycsőnek az elektronikáját fel tudnám e használni az akváriumom hagyományos 20 W os fénycsövének a működtetéséhez. Az elektronikus előtétekkel ugyanis nagyságrendekkel tovább tartana a fénycső működése, és jobb lenne a fény hatásfoka is. Köszi a választ!
Sziasztok!
Egy 4013-as IC kimenetén a négyszögjel amplitúdója 5V lesz, vagy annyi, amennyi a tápfesz?
Hát , lehet h. én tudom rosszul, de én úgy tudom, h. nehezebben tud a stabIC szabályozni, ha (nagyobb) elkót teszel mögé (1-10µF a maximum). Egyrészt. Másrészt pedig egy 100µF -os elkóval már simán kinyírhatod a stabIC-t, ha leveszed a terhelést róla, mert visszafelé kezd rajta az áram folyni, amibe belehalhat.
Fel lehet használni, ha nem pont az elektronika halt meg. Mert sajnos olyan gagyira szeretik csinálni őket, hogy előbb pusztul el, mint a fénycső kiégne.
Hali
Idézet: „Másrészt pedig egy 100ľF -os elkóval már simán kinyírhatod a stabIC-t, ha leveszed a terhelést róla, mert visszafelé kezd rajta az áram folyni, amibe belehalhat.” Erre szoktunk hasznalni 1 db 1N4001 diodat a kimenetrol a bemenet fele (katod a bemenetre). Ez megved a kikapcsolaskor is a fesz visszarugastol. Udv Vili
Gyári példa a stabilizátorra. A kimeneten 100 µF-os kondi van. Jót tesz a stabilizált oldal zavarszürésének.
Igen! :yes: Amennyiben az előtét még műkötőképes...
Sziasztok!
Párhuzamos portos "hosszabbítóra" lenne szükségem. A hosszabbító alatt viszont 20-25cm-t értek, és ilyenből kellene 2db. A vezeték és a csatlakozók már meg is vannak csak a kézügyesség meg a türelem hiányzik hozzá. Ezért gondoltam, hogy hátha van olyan lelkes egyén itt, aki segítene ebben, persze nem ingyen. Aki tudna segíteni az kérem dobjon egy privátot! Előre is köszönöm. Üdv.: Tibi
Sziasztok.
Van nekem egy SYH-1S és SYH-2S páraérzékelö szenzorom. Valamelyiknek ezek közül kellene csinálnom egy elektronikát amit egy pic a/d lábára kellenem kötnöm amin az adott páratartalomhoz tartozó feszültséget mérném. A gondom csak az, hogy ennek a szenzornak 1V AC 1kHz kellene. Állitolag a négyszög is jó neki. Igazábol fogalmam sincs hogy kellene megalkotnom. Ráadásul ugy szeretném, hogy 2-4,5V közötti feszültséggel menyen. Minden segitséget szivesen veszek. hali
Sziasztok!
na most kérdeznék valami nagyon kínost azokat a fránya ellenállásokat honnét kell nézni? van rajtuk + , - oldal ?? üdv.
Hali! megépítettem ezt az égetőt, a feszültségek rendben kijönnek belőle, minden okés szerintem, viszont ráraktam egy PIC16F877-et és nagyon melegedett, plusz még a labortáp és letiltotta magát mert meghaladta az 1 A-t... Gondolom ennyit azért nem kéne felvennie...
Jól gondolom, hogy megöltem a pic-em és ezzel nem lehet ezt a típust programozni?
Amit te mondasz az a dioda. Ott van +,-. Az ellenállásnál csak a szinkod nézegetése miat számit az irány.
Hát az nem jó ha melegedett a pic. Csak ugy tudod kiprobálni ha egy müködö égetöre kötöd. És vagy lehet bele rakni valamit vagy nem.
és honnét nézzem a színkód irányt??
létezik estleg olyan progi ami az ellenállás száma megadása után kigenerálja a színkombinációt?
Jesszus mit tettem
a +5v-ot és a +12v-ot felcseréltem a pic-nél Hát ha eddig működött volna, mostmár biztos nem működik Sokba került ez nekem... =S Megcseréltem a kettőt és így már nem is csapta le a tápot... Csak a stab IC-k melegedtek nagyon
De ha nem tudja mi az értelmes irány? Mindkét irány értelmes de csak az egyikböl jön ki az amit szeretne
Hát a 12V az kicsit sok neki
Szerintem annyi neki.De ha visszacserélted a tápokat jó helyre akkor egy probát megér.
Próbáltam beleírni egy kis progit... Mondanom se kell hogy nem ment
Sajnálom a pic-et... Jó sok lába van... Okos ki jószág... =/ És még egyszer se tudtam beindítani... =( Eltávozott az örök szilícium mezőkre Lassan annyi pénzt költöttem pic-ekre és programozókra mint egy PicKit2... Érdemesebb lenne venni egyet? xD ( Próbáltam már építeni azt is.... igen... jól gondoltátok, nem megy... xD)
Láttad már ezt? pickit2
Nekm sincs még pickit. De ez fog megépülni. Ha lessz időm megcsinálni a nyákot. Ez nem olyan nehéz.Szerintem. Sajna már én is csináltam már hasonló dolgokat. Bár picel még nem.
Üdv
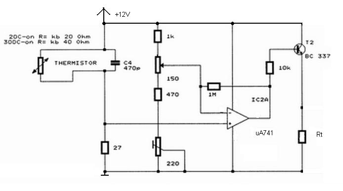
Egy "elekromos bimetál"-t szeretnék készíteni. Igazából az lenne a feladata hogy egy bizonyos hő felett átenged áramot, alatta nem. Diszkrét elemekből kellene megoldani, minél egyszerűbben. Tudna valaki segíteni? NTC termisztorra gondoltam mondjuk egy NPN tranzisztorral és potméterrel, de nem tudom pontosan hogyan lehetne megoldani. 5V-ra kellene tervezni minél kisebb méretben. (minél kevesebb alkatrész) Köszi
Igen találkoztam már ezzel a kapcsolással, bár én az SMD-s kivitelűvel próbálkoztam... De ezek után szerintem ezt fogom megépíteni... Amíg bírom kifizetni az alkatrészeket
Ha minden igaz akkor az az égető amit most építettem gond nélkül fel tudja programozni a pic-et a pickit2 klónban Persze csak ha azt nem füstölöm el... Nagyon jó lenne ha lenne már valami sikerélményem is...
helló lehetséges egy 12v dc motor forgásirányát egy ablakemelő kapcsolóval változtatni??köszönöm.
Az 50Hz-es TV-k mért adnak működésközben állandóan nagyon magas sípoló hangot?
Eléggé zavaró, nem lehet csinálni ellene valamit?
Ezért nem kellett volna új témát nyitni.
Több, mint valószínű, hogy a képcső végén lévő tekercs sípol. Egy kicsit ütögesd meg a TV oldalát és valószínű elmúlik.
Üdv
Ilyesmi, csak IC nélkül. Valahogy a tranyó nyitófeszültségével kellene variálni, csak tranyóhoz nem értek. Köszi
Szia!
Ebben nincs IC :Hőfokszabályzó |
Bejelentkezés
Hirdetés |





Jól gondolom, hogy megöltem a pic-em és ezzel nem lehet ezt a típust programozni?
a +5v-ot és a +12v-ot felcseréltem a pic-nél
Lassan annyi pénzt költöttem pic-ekre és programozókra mint egy PicKit2... 





