Fórum témák
» Több friss téma |
Fórum » HEED canopus, obelisk /HTA-30/
A foto albumomban eddig is meglehetett tekinteni ott már régen fönt van a nyák terve a csöves előfokkú HTA-30 -nak ! A CHZ mester utólagos engedelmével pedig itt most a Lay -is , hissz ez az Ő eszmei munkája , amiért köszönet neki !
Bővebben: Link
Az egyik 220µF még fordítva benne és a 2db 27k ellenállás sincs még bekötve.
Jaj igen ezt elnéztem itt akkor a javitott változat
Millió köszönetem mindenkinek! Most jön az építgetés. Majd mutatom ahogy haladok.
Kicsit lemaradtam , de lenne még egy szösszenet ,trafó ügyben.
Ha nagyobb teljesítményű trafó olyan 700W-tól felfelé akkor már kell lágy-indítás is , anélkül lehet "zárlatosnak hinni egy jó trafót ,mert mert mindig leveri az automatákat. A gyári trafóknál ritkán vezetik ki a tényleges rézdrótot amiből tekercselték , hanem egy hajlékony kivezető kivezetőszálat forrasztanak rá. Esetleg annak színéből lehet következtetni , melyik mi lehet.
A hálózat kialakításától is függ hogy kell-e adott helyzetben lágy-indítás, de általában 6-700VA felett valóban ildomos alkalmazni. A trafó adatcímkén azonosítás végett feszültségek-színek-tekercsvégek fel vannak tüntetve, legalábbis a gyáriakon. A házi tekercselésűeken is feltünteti az igényesebb készítő, de végső soron ki is lehet mérni.
Belevágok én is egy csöves HTA-ba, amihez kell egy trafó is. Hajszál pontosan ugyanarra kértem Eektrisztől is, és Toroid-Vill-től is ajánlatot. A két ár 10Ft különbséget hordoz az utóbbi javára, de ehhez még jön a rögzítőszerelvény, ami elektrisnél már része az árnak. Tehát egy 120-150VA-es toroid, 3 szekunderrel, túlméretezett huzallal, mindkét helyen 5600-5800 között mozog nettóban.
Azt hiszem akkor elvethetjük az itt vagy ott olcsóbb megközelítést, mindenkinek azt a gyártót célszerű választani, amelyik közelebb van.
HTA30-at már megépítők, és hozzáértők véleményét szeretném kérni az eredeti kapcsolásban lévő védelmet illetően (az én átrajzolatomon T8, T9).
Hallottam már olyan álláspontot, ami szerint egy remekül beállított védelem, így nem érezteti a hatását, és azt is, hogy már alacsony hangerőn is jól mérhetően beleszól a hangképbe. (Az én megépített példányomban benne van, a tranzisztoros előfokkal együtt, és a komplett egység mégis kínosan precízen és hibátlanul szól. De ez csak egy vélemény, és csak az én fülemre támaszkodik.)
Ha az a kérdésed, hogy melyik jobb (mert nem láttam kérdést) akkor én egyikben sem használok ilyen védelmet, azt a részt kihagytam. Első körben benne volt, aztán kiszedtem, mindennemű behatóbb hallgatózás nélkül.
Jól látod, nem kérdésként tettem fel "melyik a jobb", mert nyilvánvaló, hogy nem lehet egyértelmű igennel, vagy nemmel válaszolni.
A te eseted is azt példázza, mint írod hogy hallgatózás nélkül kivetted ezt a részt. Gondolom neked is mondta valaki, hogy esetleg beleszólhat a végső hangba. Így nálad egész biztosan nem hallható a feltételezett káros hatás, viszont mint védelem sem fogja a funkcióját betölteni. Ha jól követem a történéseket, akkor az egész alapgondolat CHZ-tól ered, majd aztán ezt utánépítette Cirokl, és az ő segítségével Te is, meg vélhetően még többen is, akikről nem tudunk konkrétan. De én arra próbálok véleményeket keresni, hogy indokolt-e valóban kihagyni egy védelmi áramkör-részt, vagy csak "túlgondolják" ennek hívei a feltételezett káros hatás? (csak sikerült kérdéssé alakítanom) A történeti hűség kedvéért idecsatoltam az eredeti leírás ide vonatkozó részét, ami számomra azt sugallja, hogy nagyon is hasznos ez a részlet. (nekem csak ilyen rossz minőségben van meg az eredeti anyag, abból ollóztam össze, de kis akarással olvasható) Idézet: Ezt nagyon egyszerüen kitudod deriteni ! A meglévő HTA-30 -as erősítődet méréseknek veted alá már a beépitett védelemmel , aztán csupán csak néhány forrasztás kiiktatod azt a bizonyos két tranzisztort és megint mérsz . Máris eltudod dönteni az esetleges káros nem káros hatást ha egyáltalán van ? Én személy szerint nem mértem és nem is tudom ennek a dolognak az ellenkezőjét sem meg a jóságát sem megitélni mert mint mondottam eleve már olyan nyákot használtam amin ezek a bizonyos védelmi elemek már oda sem kerültek ! Így ebből adódóan nincs különösebb monadandóm ezzel kapcsolatban , annyi viszont egészen biztos hogy az erősítő ez a két tranzisztor nélkül tökéletesen végzi a dolgát , közel egy éve nyüstölöm az első példányomat de még semmi káros hatást nem igen véltem fölfedezni és még hiányt sem ! Akik meg még rajtam kivül megépitették ezt a változatot azok még szintén nem panaszkodtak E - dolog hiányosságára . „a feltételezett káros hatás”
Én kihagytam , mert nincs rá szükség , nem zárom rövidre a kimenetét ! Műszerrel mérhető negatív hatása , igaz csak nagyobb kivezérlésnél . A bekapcsolási koppanás gátló tranzisztort meghagytam , de ennek elhagyása sem okoz problámát .
Ennek is mérhető a beavatkozása , kimenettel párhuzamosan kötött 100 ohm is nagyban csökkenti a koppanást .
Tökéletesen egyetértek abban, hogy ha nincsenek bent a védelmi elemek, akkor az nem okoz hangzásbéli hibát. Sokkal inkább az a kérdés, hogy okoz e akkor ha bent hagyjuk őket. Erre lenne jó néhány bölcs vélemény.
Az hogy nálad eddig nem hiányzott, csak annyit jelent, hogy az elmúlt évben nem zártad rövidre a kimenetet. A saját erősítőm mérésén én is gondolkoztam, de nincs szkópom, így a jelalak torzulásait nem tudnám nyomon követni. Csak a fülem marad, ami viszont mint írtam korábban, nem jelez hibát. Valószínűleg úgy fogom áthidalni a problémát, hogy feltervezem a panelra a védelmet is, és aki igényli az berakja, akinek meg nem kell, az kihagyja.
Úgy néz ki, hogy a tranzisztorok kivételével beültettem mindent, sajnos azokra még picit várnom kell. Felmerült azonban egy két kérdés bennem közben: MKP, MKS, MKT és még néha számok is vannak utánna, ezek miket jelölnek, hova milyen "dukál"? A biztonság kedvéért mindent ami értékben stimmel rendeltem, és most fogalmam nincsen, hogy melyiket ültessem be. Van szép piros "kocka" 100µF mkp2 és van olyan ami úgy néz ki mint a 68pF meg van MKS is
A másik pedig konkrétan az alkotós C15-kondira vonatkozik. Beültetési ábrán az kisebb mint az alatta lévő elvileg azonos C5, ráadásul Alkotó HTA-fotóján is látom, hogy ott valami más van. Ennek mi az oka?
És az én ellenállásaim mind sötétkékek, 0,6W os fémrétegellenállások. Nem ezt kellett volna beletenni? a 0R33-am is 5 W-os
az jó úgy?? Éppen elfért.
Így nem lesz egyszerű végfokot építeni. Multimétered nincs véletlenül? Olyan 4-5.000Ft-ért már lehetne olyat venni, amivel kondikat is tudnál mérni.
C5-C15 kialakítása mindegy, bármilyen sima elko megfelel. Nálam azért eltérő (ha jól emlékszem), mert nekem sikerült LOW ESR kondikat szerezni (ezek az arany-zöldek), és ha már volt, akkor beraktam őket. De mint mondtam, nincs jelentősége. Talán C1 és C3 kondira érdemes kicsit odafigyelni, mert azok vannak a hang "útjában" de nem kell a dolgod túlspirázni. C11,C12,C16,C17 -nek elég az MKT, vélhetően az MKS vagy MKP nem is féren oda, mert azok nagyobbak szoktak lenni. C4,C7,C8 kerámia.
Tiszta dinka vagyok, most látom, hgoy a leírásban van részletes alkatrészlista, amin rajta van a típusmegjelölés. Kérjük azt elolvasni! Az én tervembe az 0R33/5W nem fér el, de szükség sincs rá. Elég a 2W.
dehogy nincsen multiméter, van minden, csak zéró gyakorlati képzettségem is van. Ez utóbbi olcsón eladó
Viccet félretéve: 0,4-vagy 0,6 os ellenállásokat jobb használni?
Egyelőre így néz ki Hiányoznak a 10µF es kondik, a 22k és az összes tranzisztor, illetve a 100pf. Nagy kondikat majd a legvégén teszem rá, viszont ott is elvásároltam magam, nem 40V-s a csatoló, hanem 63, és így szélesebb, de kicsit odébbfúrtam neki, így jó lesz talán.
Talán azért célszerű 0,6W 1% fémréteget használni, mert egyszer ez van az alkatrészlistában, másodszor azért ez van benne, mert ilyet lehet kapni. (0,4W-os szokatlan érték)
A 0R33-on kívül az R37-es 10R melegedhet még ha gerjed a cucc, meg a led előtétet kell ellenőrizni, de a többinek elég lenne kisebb teljesítmény is. Ha nagyobb a kicsatoló kondi, akkor 4 helyett tegyél csak 3-at. Semmi különbséget nem fogsz hallani, és akkor elfér egyel nagyobb méret is kényelmesen (a lyukakat valóban odébb kell fúrni)
Egyelőre így áll a dolog. Doboz is készen van, előlapot kell megcsinálnom. Tranzisztorok a héten jönnek majd meg, párosítom, aztán élesztés... ...alig várom.
Kell e foglalkozzak a tranzisztorok "párba rendezésével"? Elviekben mindegyikből lesz 2-3, tehát lehetne válogatni, hogy melyiket használom fel, csak nem tudom, hogy érdemes e, illetve hogyan kell, és mit mérni.
hihi... ...kivitelezés remélem tényleg szép lesz úgy külcsínyre (nem a dobozra gondoltam, inkább a nyákra és a forrasztások minőségére) és hangzásra is, DE: Minden érdem azoké akik kitalálták, akik megtervezték, átrajzolták stb, illetve segítenek itt nekem nap mint nap. De tény másolni is tudni kell. Majd beszámolok a folytatásról is. Tranzisztor párosítós kérdésem viszont viszonylag fontos!
Ha már több van, legalább bétára válogasd össze őket. (Az a gond ezzel, hogy a műszer árama nagyon kicsi, ezért amit mondjuk egyformának mérsz 1mA-en, az nem biztos, hogy 2A-is egyforma lesz. De a semmitől mégis csak többet ér, nálam be szokott válni.)
Van nagyon príma labortápom, meg minden ami kell, így nem a "legalább" verziót akarnám kicsiholni, ezért a kérdés. Mekkora áramnál legyenek azonosak ideális esetben?
(elég a BDW-ket, vagy mindet célszerű? A "kicsiknek" elég a hFE a többit meg nagyobb árammal?)
Ez elméleti kérdés. Ideális esetben minden áramon egyformának kell lennie minden paraméternek. De ez csak illúzió, viszont ha van rá módod, hogy nagyobb árammal "feszítsd" elő a tranyót, akkor 1-2A körül célszerű beválogatni őket. Ha itt egyformák, akkor már nagy valószínűséggel a teljes karakterisztikájuk közel azonos lesz.
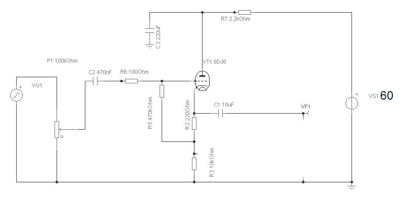
Ma este élesztés lesz (elviekben). Konkrétan hogy nézzen ki az első feszültség alá helyezéskor a "konfiguráció"? Bemeneteken mi legyen, kimeneteken mi legyen, tápot adhatom a rendes úton (labortáp nem megy 60V-ig, oda még valami ellenállást vagy valamit mintha mondogattak volna, de nem tudom hova, mekkorát?
Én így csinálnám.
Labortápot kihagynám, és a saját tápjáról, saját trafóval indítanám. Szekunder után 10ohm 2W ellenállás amin keresztül rácsatlakozok a végfok táp csatlakozására. Bemenetre generátort vagy valami jelforrást kötnék egy 50-100K potin keresztül. Azaz a jel bemenet és a test rövidre zárva a potival. Nyugalmi áram állító potit ha nem tudom melyik állásban áll a legkisebb nyugalmi állásban akkor középre tekerném. Bekapcsolásnál a multival vagy árammérést végzek sorba az ellenállással, vagy emitter ellenálláson feszt mérek rácsíptetve csipeszekkel, így azonnal be tudom állítani a nyugalmit is. Sőt látom ha túl nagy lenne az adott poti állásban. A kimenetre vagy szkópot vagy műterhelést, vagy hangszórót kötnék, vagy semmit. Általában elsőre semmit nem kötök be a végére. A trafót áram alá helyezem, és nem füstöl semmi, aztán belövöm a nyugalmit, az ellenállás sem melegszik, így azt kiveszem, anélkül is leellenőrzöm a nyugalmit, beállítom, ha van eltérés. Járatom a végfokot, és hallgatom esetleg, félóra-egy óra elteltével újra ellenőrzöm a nyugalmit, ha kell után álltok. Ennyi.
Fabrikáltam két elképzelést a csöves HTA-hoz. A magjuk azonos, csak tápegység elemeinek elhelyezésében térnek el. A védelem is benne van, akinek kell használja, akinek nem az kihagyja.
Ezek nem végleges tervek, csak a gondolataimat szimbolizálják, de én életképesnek hiszem mindkettőt. Akinek bármilyen észrevétele van, az tegye meg, kimondottan erre bíztatok minden olvasót. Nem férek el egy hozzászólásban ezért kell szétszabdalnom kicsit. Rendre A-B-C jelzéssel láttam el a fájlneveket az azonosításhoz. Mod: HT A30 rajz frissítve (2017.05.01) A hozzászólás módosítva: Máj 1, 2017
|
Bejelentkezés
Hirdetés |







A másik pedig konkrétan az alkotós C15-kondira vonatkozik. Beültetési ábrán az kisebb mint az alatta lévő elvileg azonos C5, ráadásul Alkotó HTA-fotóján is látom, hogy ott valami más van. Ennek mi az oka?
Viccet félretéve: 0,4-vagy 0,6 os ellenállásokat jobb használni? 




