Üdvözlök mindenkit!
Új vagyok itt és egy kis segítséget kérnék.
Becsületemre legyen mondva átnéztem a témaköröket, és rengeteg hozzászólást, túl vagyok a google -n és nem találtam megoldást, csak hasonlót de nem azt ami nekem kell.
Van egy nyomógomb, (nyitott) megnyomom és úgy tartom akkor ad egy impulzust.(mondjuk felvillan egy led) és ha elengedem akkor uj impulzust ad (még egy villanás)
Hogyan lehetne ezt megoldani? Merre induljak, mit keressek?
Ha lehet alapos, egyszerű magyarázatot kérek mert amatőr vagyok a témában.
Előre is köszönöm.
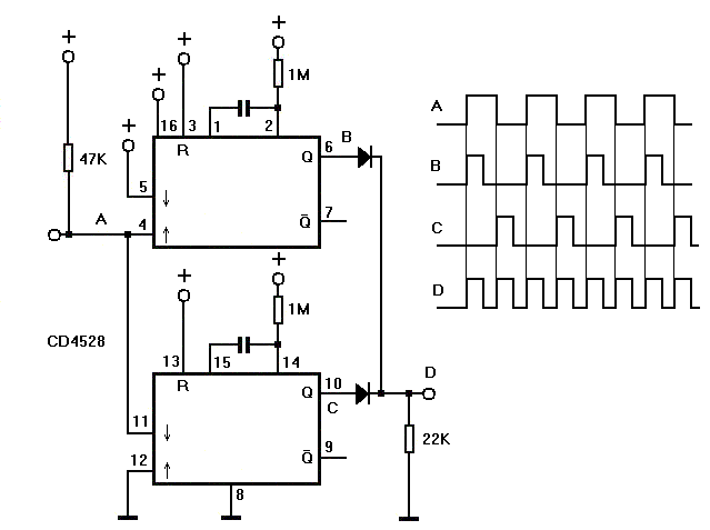
Sokféleképp megoldható, de sztem ez a legegyszerűbb: egy kettős monostabil multivibrátor IC egyik szekcióját felfutó, másikat lefutó élre konfigurálsz, a kimeneteit diódákkal vagy kapcsolatba hozod. Ezzel vezérelhetsz egy tranyót, vagy egy kisáramú LED-et akár közvetlenül is. A kondik értékét annak alapján kell megválasztani, hogy milyen hosszú villanást akarsz.
Köszönöm a gyors választ!
Noss....ennél is amatőrebb vagyok.
Deeee ez akkor egy billenőkör ugye?

Azt valahogy tranzisztorokkal is meg lehet oldani?
Igen, ez egy R-C időzítésű billenőkör.
Hacsak nem házifeladatról van szó, ne próbáld tranzisztorokkal utánépíteni a 70ft-os IC-t.
Rendben. Köszönöm!
Akkor R - C időzítésű billenőkör ... ez lessz a további "főcsapás".