Fórum témák
» Több friss téma |
Üdv
Van egy egyszerű walkie-talkie headsetem amin van mikrofon és válsz gomb is. A csatlakozója SUN-CM02 amit itt meg is találtok: Csatlakozók.jpg Szeretném valahogy úgy átkötni hogy egy mp3 lejátszóhoz csatlakoztatva lehessen hallani benne a zenét. Sajnos nem vagyok tisztában hogy hogyan működnek a headsetek ezért inkább próbálgatás helyett rákérdezek. A kérdésem tehát hogy egy sima 3 pólusú jack dugó egy mono szálát melyik pólusokhoz vagy hogyan kell rákötni egy hadsetre?
Szia!
Próbáld meg, hogy ohmmérővel kiméred, hogy melyik két láb között hallasz pici sercenést a hangszóróból. Gyanítom, hogy a test és a hozzá közelebb eső csatlakozó lesz az. Ha megvan, végy egy jack aljzatot, egy dugót az mp3 hoz, meg egy darab árnyékolt kábelt, és kösd be a megfelelő szálakat
Sziasztok! Nem tudom hova tegyem fel így ide írom.Van egy PMR gégemikrofonos headsetem! A baj hogy állandó adást ad! De ha kiforrasztom a hangszórót megszűnik! Vagy pedig egy kondenzátort teszek az egyik szál közzé akkor is! (igaz picit kattog ilyenkor)Mi lehet a gond?Mi köze van a hangszórónak az adáshoz?
Három darab PMR -es topik van, ilyen témával is foglalkoztunk már.
Segítséghez szükség van a tPMR típusára, mert elég változatos megoldások léteznek, a helyszűke miatt, és ezen a csatin szokták megoldani a töltést is. Úgyhogy nem egyszerű, de az adást kétféleképpen indíthatod, automatikusan, (VOX) vagy a mikrofon bekapcsolásával, mint rövidzárral. Ismerni kellene a gégemikrofonod kapcsolását is.
Köszönöm gyors válaszod!!
kép a zöld és a kék a hangszóróé!És csak ez a panel van a csatlakozó és a hangszóró között! A PMR pedig Wouxun KG-UVD1P
A beszélőkészlet csatlakozójának vékonyabbik 2,5 csatlakozója a mikrofon, és adásindítás, a vastagabbik 3.5 ös a hallgató. Mivel ezen a porton keresztűl kell programmozni is elég bonyolult a bekötése.
Egyébként ez nem PMR, és nem CB, hanem egy PAMR -é átalakított amatőr rádió. Csak hogy tudjad.
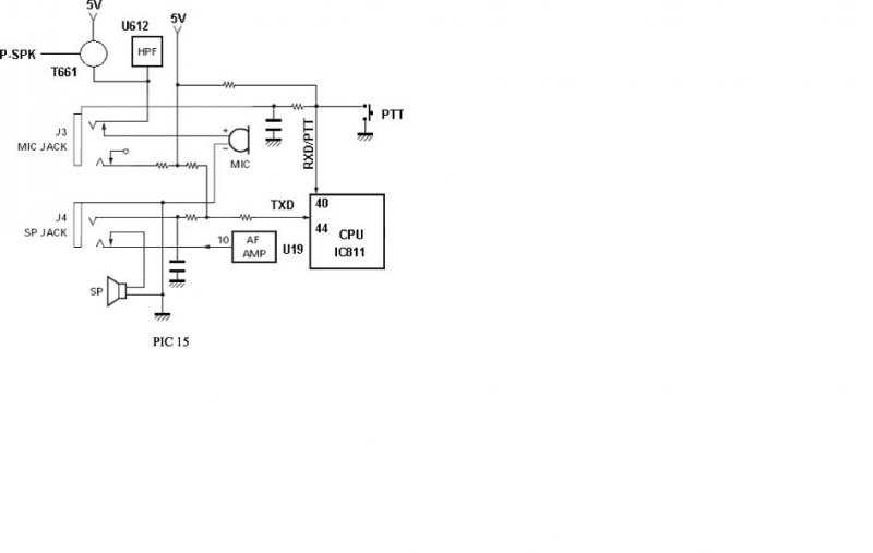
Egyébként a bekötés a csatolt rajz szerint
Még olyat kérdeznék,lehetséges lenne hogy nem mindegy milyen hangszóró van benne? A kapcsolási rajza a hangszórónak egyszerű mert egyből a csatlakozóhoz megy.Csak előtte van 2 db dióda és két ellenálás! De ezek jók.És lehetséges hogy a hangszórónál nem mind1 hány ohm-os.Mert ki is múlt a hangszóró.Picit mozgattam a hangszórót és jó volt majd csend(kipurcant)Aztán beleraktam egy 32ohm-osat de ezzel is zavarja.Köszönöm a választ.
|
Bejelentkezés
Hirdetés |





