Fórum témák
» Több friss téma |
Üdv!
Szükségem lenne egy olyan 12V-os kapcsolásra, ami egy kb. fél másodperces impulzust kap (pl. nyomógomb), és ezután kb. 30 másodpercig behúzva tart egy relét. Újabb nyugati autókban használják: kiszálláskor egy rövid fénykürtre fél percre bekapcsol a tompított fényszóró. Építettem már ezt-azt, de inkább a laikus kategória felé hajlom. A válaszokat előre is köszönöm!
Hi!
Egy 555 monostabil kapcsolásra lesz szükséged: segégprogram. A relét egyszerűen a kimenet és a föld közé kell kötni. A nyomógombot pedig a bemenet és a föld közé, de a bemenetet érdemes 47 k ellenállással tápfeszültségre kötni.
Tele van a fórum ilyen témákkal. Inkább az áramköri környezetet raknád fel, hogy pontosan mibe akarod beilleszteni.
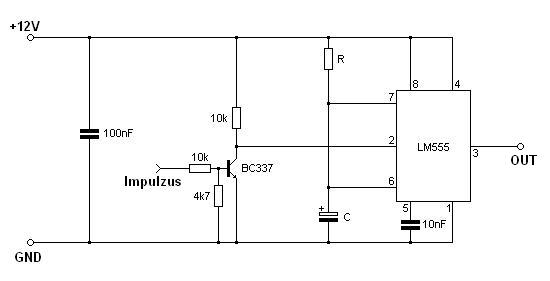
Tehát. Autóba lenne. Bizonyos feltételek teljesülése esetén (gyújtás kikapcsolva, lámpa lekapcsolva, de ezeket én megoldom relékkel) a késleltető kapna egy nagyon rövid pozitív impulzust (fénykürtölök egy rövidet, vagy megnyomok egy gombot: +12V kb fél mp-ig), ami ezután behúzva tartana fél percig egy relét, ami felkapcsolná a tompított fényszórókat. Tudom, hogy sok ilyen téma van a fórumban, de sehol sincs olyan kapcsolás, ami kimondottan ezt csinálná. Vagyis egy lenne, de ott a link a kapcsolási rajzzal nem elérhető.
Akkor ezt tedd az 555-ös monostabil elé és az említett + indít..
A kimenő relé ne fogyasszon többet 100 mA-nél és a párhuzamos diódát ne felejtsd el ( a relé 10 voltnál már húzzon biztosan...).
Ha jól gondolom, akkor a kapcsolásnak kompletten így kell kinéznie, ahogy a képen. Mi is lenne ez a párhuzamos dióda? A C-t és az R-et hogy válasszam meg? A segédprogram 30000 msec késleltetés és 100mikrós kondi esetén 272KOhm-os ellenállást ír. Nem lesz túl nagy a hőleadás? Nem szeretném kigyújtani az autót
A párhuzamosan, de ellenirányban bekötött diódával a relé kikapcsolásakor fellépő tranziensektől védik az áramkör többi elemét. Egy 1N4148 tökéletesen megfelel a célra.
Egyenáramnál P = U^2 / R, ami 12 V és 272 kOhm esetén olyan 52 uW hőteljesítmény volna, azaz gyakorlatilag nulla. Ráadásul ez is csak addig jelentkezik, míg a kondenzátor teljesen ki van sütve, a triggerelés pillanatában. Szóval ne foglalkozz vele, semmi nem fog kigyulladni A relére viszont, ahogy ferci is írta, figyelj, mert 200 mA-t ugyan elvileg elbír az 555, csak nagyobb terhelésre egyre inkább elmarad a kimenete a táptól. Ha találsz olyat, ami 9 V-os, és legalább 120 Ohm a soros ellenállása, az tökéletes (100 Ohm alá ne menj, vagy használj tranzisztoros kapcsolást a reléhez, találsz a HE-n elég példát ilyenre).
Megkérdezhetem, hogy ez miért hasznos eszköz?
Lehet, hogy most kicsit tompább az agyam a suli miatt, de valahogy nem jövök rá, mire is jó ez...
Elég gyenge az utcánkban a közvilágítás, és szeretnék látni, amíg az autótól a házig jutok.
Még egyetlen kérdésem lenne. Ha negatív az 'impulzus', akkor kell valami az 555 elé, vagy az csak simán megy a 2-es lábra?
Hagyd meg a 2-es láb felhúzó ellenállását, esetleg kicserélheted 100 kOhm-ra, és tegyél a bemenet felől egy 10 nF-os kondit az ellenállás meg a 2-es közös pontra, ez elég. Kondi nélkül ne köss rá negatív (azaz 0) jelet, mert ha tovább marad ott, mint az időzítési periódus, akkor újratriggereli az időzítőt, és szaggatni fog a kimenet.
Mindenkinek köszönöm a segítséget! Gykorlatilag egy nap alatt összejött a megoldás, és ezt nem gondoltam volna! Köszi!
Ha a (+) jel maradna rajt, akkor meg így védekezz az újraindítás ellen..
Egyik haverom Ford Focus Ghia-jában van ilyen gyárilag. Pont addig világít a fényszóró, amíg kicuccol és bezárja a garázst
Azt viszont nem tudom mivel aktiválja.
Te a Follow me home-ra gondoltál, a müködése elve, hogy gyujtás nélkül, vezetőoldali ajtó kinyitásakor fénykürt bajuszkapcsolóval adunk egy jelet akkor sötétben bekapcsolja az autó tompitott fényszóróit, tolatólámpát, és a hátsó lámpákat. A sötétségérzékelő, tolatólámpa bekapcsolása csak autó függő. Sajnos kapcsolási rajzom nincs, én is azt keresek, de kell hozzá 2-3db 12V-os relé, kondi, ellenállás, tranzisztor, esetleg 555-ös ic.
Sziasztok,
Készítettem egy ki- be kapcsolót kettő reed-del hajómodellhez. Szeretném azt kizárni, hogy a reed-ek a rezonancia miatt véletlenül összeérjenek és kikapcsolják a vevőt. Azt szeretném, ha kikapcsoláskor a mágnest 1-2 másodpercig a reed fölött kellene tartani ahhoz, hogy ténylegesen kikapcsolja a vevőt. Tudnátok ebben segíteni valamilyen ötlettel? (Lehetőleg kapcsolási rajzzal.) Köszönettel: Tibcsó
Sziasztok.Gépkocsiba szeretnék szerelni az utastér világításnak(amit 6 erős LEDel oldok meg)egy olyansmit,hogy a fény fokozatosan aludon ki.Nem feltétlenül hosszú késleltetőt akarok.Van erre valami áramkör?Lehet hülyeséget irok,de ha valami nagy kondit teszek eléje,az nem teszi meg?
Üdv Mindenki!
Ha igény van rá,akkor közzéteszem a belső világítás késlelteő kapcsolásomat.Megrajzolom a továbfejlesztett változatot,hogy a világítást is kapcsolja. Ha elég lenne a tolatólámpát kapcsolni,az nagy segítség lenne,de ha a fényszórót is kell,akkor szóljatok. Igény szerint tervezem.
Sziasztok
problemem a kov.: szobatermosztat kimeneti kontaktja szerint (input) Egy olyan aramkort szeretnek epiteni, aminek a bemeneten lenne a termosztat releje, a kimenen meg az alabbi abra szerint kapcsolgatna egy vizpumpat, ahol a t-out ido 1-2 ora lenne (esetleg szabalyozhato) remelem ertheto voltam koszonom
Hello!
Az ábra, amit rajzoltál, az érthető! De amit írtál az közel sem. Válaszolok is a kérdésedre, ha nagybetűkkel, ékezettel és érthetően leírod.. üdv! proli007
Nem értem, mit nem értesz ezen. Világosan leírta. A problémája a kov.
Ilyet készen is lehet kapni. használtam már programozható időrelét. Talán valaki árul is ilyet itt a fórumon. Ha már fórumozol ügyelj az írásra. De régi önmagam látom.
Bocsi az ekezetekert, de azert nem hasznalok mert hozzatok kepest kulfoldon elek es nekem ez nincs beallitva.
Viszont a kerdesemre a valaszt meg mindig varom. Nem kesz termeket szeretnek venni, szivesebben megepitenem.
Hello!
Megértem, csak a magyarban ékezet nélkül, elég nehezen olvasható néhány dolog. De az ékezet hiánya, nagybetűk használatát, és a mondandó érthetőségét nem zárja ki.. A termosztátot a bemenetre kötheted a nyomógomb helyett. Az időzítést a képlet alapján magad is módosíthatod a kívánalmaknak megfelelően, az alkatrészek megválasztásával. üdv! proli007
Koszonom szepen a segitseget, ezt kiprobalom.
Sziasztok
Segítséget szeretnék kérni a következőben. Mágnes-zárat szeretnék késleltetni, méghozzá úgy hogy ha a kaputelefonon megnyomom a gombot, akkor 5mp-ig nyitva tartson a mágnes-zár. Erre tudtok valami egyszerű kis kapcsolást?
Meg egy kerdes: a C4 az elektrolit kondi? Ha igen akkor hogy van a polaritasa?
Hello!
A C4 nem lehet elektrolit, mert fordul rajta a polaritás.. üdv! proli007
Aha szoval keramia kondenzator. Koszonom. Most fogom megvasarolni az alkatreszeket es majd tajekoztatlak a fejlemenyekrol. :kalap:
|
Bejelentkezés
Hirdetés |
















