Fórum témák
» Több friss téma |
Fórum » TV hiba, mi a megoldás?
Jah, és kis gondolkodás után (mi bajom lehet) tettem egy próbát, mivel a primer a gyanús, gondoltam ezt és még két sorkit tesztbe fogom, a primerjükre generátorral adtam 15kHz-et, mintegy hangszóróként használva, a két másik sorki szépen fütyült, egy frekin, de ez a dög, ez úgy muzsikált meg nyöszörgött csak, mint amikor össze vissza tekergeted az AM csatit a rádión, igaz nem egy profi megoldás, de ez is arra enged következtetni, hogy a primer tekercsnél van baj.
Üdv.
Szia! Hát igen vannak érdekes dolgok. Már én is jártam hasonló módon a labortáppal! Van mikor nem a fesz megy visszafelé hanem egy nagyfrekis zavarjel hülyíti meg a panelműszert. Ilyenkor jó ha van egy analóg is
Természetesen ha nem egy fix terhelésen fut a szekunder oldal a változó áramnál (mi nem állandó egy ívben) nagyokat tud visszarúgni! Ezért írtam az elején,hogy nálam már volt olyan Samsung tv minek a csöve volt zárlatos (néha néha áthúzott) és ez verte ki a sorvéget.
Hát igen, de én most úgy érzem, hogy ez biztosan rossz, az ív amit húzott az is elég gyatra volt, és nem olyan mint egy jó sorkinál, a kapcsolásban szereplő 33Ohm is kicsit hosszabb szikráztatás után füstölt, pedig 2-3Wos van benne, annak pedig nem szabadna. Valami nagy gubanc van ott benn a sorkiban ez biztos. A generátoros-hallgatós teszt is ezt mondja. Emlékszem, egy jó sorkival, ezzel a kapcsolással akár 2cm-ről is úgy átcsattogott mint a huzat, szép erős vastag ívvel, látszott rajta hogy van benne kakaó, és nem melegedett semmi, itt csak fütyült, és kb 2mm ről ,fogta meg az ívet. Az is olyan gyatra volt, és izzította a szikraközt adó vezetéket. Szóval én most azt mondom ez szerintem elhalt. Mi a véleményed erről?
Üdv.
Szerintem is zárlatos elég egyértelműnek tűnik!
Tudom nem a Tv-s fórumba írok,ezért előre is a módiktól bocsánatot kérek, de hátha tudtok segíteni nekem, mivel a másik fórumban nem kaptam választ. Rendelkezem egy Samsung, Sync Master 793DF monitorral. A Hibája nem volt kép, de viszont bekapcsolt a monitor, részben sikerült megoldanom mivel a LM1237 ic hibás volt (forrósodót) kicseréltem, most pedig vízszintesen csíkodzik a képernyője néhány csatolt kép.
Szia! most cseréltem ki a TDA IC-t! De ugyan úgy semmi nem történik, csak 1 halk pattanás hang, a hangszóróból.
Valami ötletet légyszi.
Nézd meg, hogy nem-e zárlatos a sorvégtranzisztor, esetleg más zárlat a szrkunderen. A szekunder oldali puffer (szűrő)kondikon tényleg semmilyen fszültség nincs?
Rajz:Bővebben: Link
Szia bocsi hogy megint zavarlak de semmi zárlatot nem találok a tápvonalon viszont van egy tranzisztor ami minden irányba zárlatot produkál azaz a tranzisztornak semmi gondja mert kiforasztottam de a panelon a forszemek eleve zárlatot jeleznek Bu508 van szó szerinted hol keressem a hibát ezen kívül még annyi hogy nincs fénycső fűtés sem mellékelek rajzot bekarikáztam a tranzisztort amiről beszélek
A kollektorforrpont és az emitterforrpont között semmi esetre sem szabad zárlatnak lenni. Legfeljebb egy kis időre mérhetsz zárlatot, amíg a sortáp szűrőkondija töltődik a műszered áramától.
Keresd meg a zárlatos alkatrészt.
Hello
Keresek M29221.023.063 -as sorkimenőt. Van egy 72-es Grundig TV-m. A következő a hiba jelenség. Bekapcsolás után indul a tv , a sor is ciripel , bejön a kép. Olyan mintha a fényerő ingadozna , majd bevillan és az egész tv kikapcsol. Áramtalanítás után tudom csak visszakapcsolni. Néhány esetben megy pár percig majd újra villan és lekapcsol. Ellenőriztem a tápot a képcsőpanelt . Az UG2 cserélve , képcsőpanel cserélve.
szia!
Biztos, hogy .023-as kell? Mi a készülék típusa? CUC...?
szia .azota sem jutottam semmire ezzel a grundiggal.de ha tudsz rá valakit alkatrésznek eladnám az egésszet
sziasztok en meg nagyon kezdo vagyok arra lennek kivancsi h mi okozhasa egy tv nel azt h ugy tesz mintha nem kapna arramot pedig kimertem es kap es ha jol belerugol akkor vagy 3 napig megy
Szia! Vagy a főkapcsoló vagy valamelyik forrasztás rossz! Szét kell szedni és szemrevételezéssel ellenőrizni! Ha nincs látható hiba megmérni meddig megy el a feszültség.
kosz a segittseget nem gondoltam volna h meg valaki megprobal segitenni is
![]()
Hello mindenkinek!
Van egy Sony KV-29c5d TV-m 2 probléma is van vele sajnos: egyik hogy néha sokára kapcsol be 5ször villan fel a led az elején (IKR Error at power on valami ilyesmi magyarázatot találtam rá de ez semmit nem mond nekem). Másik probléma el megy a piros szin belöle általában bekapcsolás után pár perc múlva ekkor a jó öreg ruszki módszerrel megcsinálom de utána megint elmegy de a második ruszki módszer használata után jó marad. Nem látok benne púpos elkót sehol sem. Nincs ötletetek hogy merre kellene keresnem szakadás vagy hibás elkót? Segítségeteket előre is nagyon szépen köszönöm
Szia!
Az IKR hibát itt bőséggek tárgyalják. A színhibát forrsztáshiba vagy fóliarepedés szokta okozni a képcsőpanelon.
Sziasztok!
Van egy sony kv-29c3d típusú tévém. Egyszer gondolt egyet és kikapcsolt. A stand by világít. Ha bekapcsolom a tévét kattan egyet és elalszik a lámpa de nem történik semmi. A kattanás az relé hang nem a ptc. Mit nézzek meg rajta? Köszönöm előre is! Üdv Imi
Szia!
Valószínű, hogy segédtápegységes. A segédtápegység indul, de a fő nem. Sortranyó zárlat, vagy egyéb banális hiba lehet a háttérben. Szét kell szedni, és méricskélni.
Szia!
Nem sikerült előrébb jutni sajnos. Zárlatot nem mérek sehol. Stand by 5 voltja meg van, meg a 315 a tápnál. AE4 sasszival van szerelve.
Helló ! ClatronicCTV 578 Vt kapcsolási rajzot keresek
Email:************* Ne adj meg e-mail címet. Az adatlapodon is rajta van.
Szia. na végre elkaptam , ma megjött az új sorki, betettem, és működik a TV, kis konvergencia beállítás még ráfér, de ezt már megoldom, pár álmatlan éjszakát már okozott egy másik projis TV, ismét egy ékes bizonyítéka annak, hogy milyen szemét hibákkal tud előállni egy sorki. Köszi az ötleteket és a segítséget.
Üdv. Doncso
A bekarikázott és aláhúzott alkatrészeket ellenőrizd. A szekunder oldalon nem mérsz semmilyen feszültséget?
Szia!
A kért rajz.
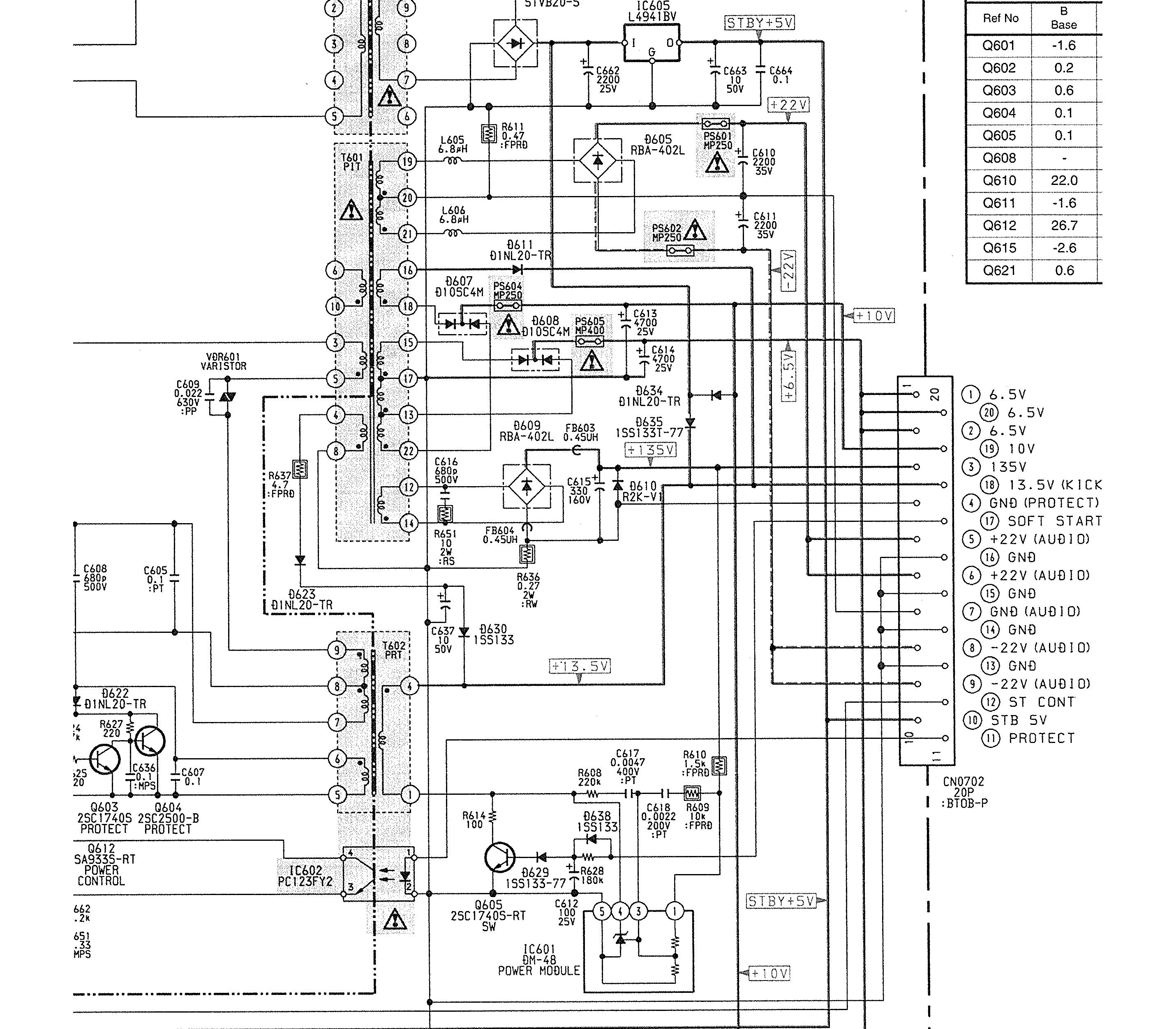
Sziasztok.Van egy ORION CTV321 M-TX nevü tvm .Ehez szeretnék tölletek segitdséget kérni,ugyanis a sortrafo mellet elégett egy ellenálés vagyis egy kapcs rajz nagyon megtenné,sehol nem találok hozzá elöreis köszi.
Szia!
A kért rajz.
A C650-nél 28V van jelen. Az R654, 655 rendben.
Az R601-nél szakadást mérek. Ezt mivel lehetne helyettesíteni? Szekunder résznél a 601-es trafónál a 13.5 helyett csak 6,9 van. A 2SC4834 helyett pedig BUT12AF van betéve, de ahogy nézegetem ezek nem csere szavatosak egymással. |
Bejelentkezés
Hirdetés |




Természetesen ha nem egy fix terhelésen fut a szekunder oldal a változó áramnál (mi nem állandó egy ívben) nagyokat tud visszarúgni! Ezért írtam az elején,hogy nálam már volt olyan Samsung tv minek a csöve volt zárlatos (néha néha áthúzott) és ez verte ki a sorvéget. 

Valami ötletet légyszi.






