Fórum témák

» Több friss téma
Fórum » Számláló IC
 
Témaindító: fureszk, idő: Máj 25, 2006
Témakörök:
Lapozás: OK   4 / 13
(#) Asubecz válasza szabi_o hozzászólására (») Jan 2, 2007 /
 
viszont aza baj, hogy mindezt egy mechanikába szeretném majd beépíteni, és a nyomógombot egy reedpatron váltaná fel, mágnessel vezérelve...........
(#) Sebi válasza szabi83 hozzászólására (») Jan 2, 2007 /
 
Nézted az adatlapját?
Kutya közönséges számláló, ami tud (UP/DN bemenet állapotától függően) le és fel számlálni. Vannak "JAM",bemenetei, ezeken BCD-ben megadhatod, hogy honnan kezdje a számlálást. Megvannak a BCD kimenetei is, erre kötheted a meghajtó IC-t. Persze kell még hozzá egy pár kapu, ami váltogatja a le/fel módot, meg a preset lábat.
Nem csoda hogy agyalsz rajta, mert van mit kitalálni a meglévő tokokkal...
Ahogy én látom, felfelé számlálásnál a 64-et Neked kell megoldani mondjuk digit komparátorral, lefelé számláláshoz meg a "JAM" bemenetre fixen kötött - 64-et reprezentáló BCD-t - kell beíratni a preset lábbal.
(#) Sebi válasza Asubecz hozzászólására (») Jan 2, 2007 /
 
Neked is jó a 4029+4511 összeállítás. Reed-patron helyett Hall-kapcsolót ajánlok.
(#) szabi83 válasza Sebi hozzászólására (») Jan 2, 2007 /
 


adatlap elöttem de...(elektronikát nem tanultam én)
(#) Ferkógyerek válasza Asubecz hozzászólására (») Jan 2, 2007 /
 
ÜDV !
Előkotortam egy régi kapcsolást.
Ez csak felfelé tud számlálni 9999-ig de ahogy írtad ez neked elég.
Ennél egyszerűbb nem hiszem hogy van 1db MM74C926-os IC kell hozzá, 4 tranyó egy pár ellenállás és persze a kijelzők.
(#) Sebi válasza Ferkógyerek hozzászólására (») Jan 2, 2007 /
 
Ismerős, de azért nem említettem, mert 10éve nem gyártják...
(#) szabi83 válasza szabi83 hozzászólására (») Jan 2, 2007 /
 
Idézet:
„Kutya közönséges számláló, ami tud (UP/DN bemenet állapotától függően) le és fel számlálni.”

nekem ez úgy jött le h vagy fel vagy le számol.

nekem oda vissza kell h számoljon, mint a 74ls190.



(#) MPi-c válasza Ferkógyerek hozzászólására (») Jan 2, 2007 /
 
74C926 ára RET-ben tavaly 3000 Ft fölött volt! :eek2: Az ICM7224-7225 meg van sample-ben DIP tokban is! azt nem kell hozzá más.
Nem tudom miért nem figyeltek Sebi-re, tők jókat mond!
(#) Sebi válasza szabi83 hozzászólására (») Jan 2, 2007 /
 
Persze. Egyszerre nem számolhat két irányban .
De ha mondjuk ellépeget 6-ig, váltod az up/dn-t, akkor meg lefelé lépeget 6ról.
Namármost az a kérdés merült fel bennem, hogy feltétlenül felfelé számlálással kell-e indulni? Mert ugye ha Te oda-vissza akarod járatni, akkor mind1. (na, mondd gyorsan egymás után, hogy Nagy Árpi...)

Ha lefelé indulunk, akkor a jam bemeneteken bedrótozzuk a 64-et, a kimeneteken összekapuzzuk (diódák!) a csupa zérót, majd ezzel átváltjuk az irányt.
(#) elko2 válasza szabi83 hozzászólására (») Jan 2, 2007 /
 
A 64nel kell hogy kapcsoljon is valamit vagy csak
siman kijelezni kell?
(#) szabi83 válasza elko2 hozzászólására (») Jan 2, 2007 /
 
Hangerőszabályzón lenne egy digipoti(ds1669) , ezt 2 db optoval vezérlem távírányítóval, meg lehet majd a front panelről is, de ezt már megoldotnak láttom, meg ez nem fontos, mert ezt tudom hogyan megy.

csak ezt szeretném kijelezni. :yes:



(#) elko2 hozzászólása Jan 2, 2007 /
 
Akkor a4049-4511el meg lehet oldani(persze2-2
kell belőle) decimal modot választod az egyes carry
kimenetét kötöd a második carry bemenetére a jamokat lekötöd a testre és a kimenetről és kapuval
váltod az irányt. Habár szerintem PICel egyszerübb
lenne
(#) pbalazs válasza szabi83 hozzászólására (») Jan 2, 2007 /
 
Arra figyelj, hogy ez a digipoti, ha eléri a végállást, és még följebb akarod tolni, akkor a végállásban marad, hiába nyomkodod, hogy UP UP UP UP UP UP UP UP UP

Innentől olyan számláló kell, ami pl. ha elérte a 63-t, az UP gombot tiltja, csak a DOWN van endedélyezve. Ugyanez 0-nál fordítva.

63-nál: 63-ra ugrik egy 6 bemenetű NAND kapu (ha nincs ilyen, akkor össze kell rakni), a kimenete egy 2 bemenetű ÉS kapu egyik bemenetére. Az ÉS kapu másik bemenetére mehet az optocsatoló kollektora ellenállással tápra húzva. Az ÉS kapu kimenete menet a digipoti UP bemenetére.

0-nál ugyanígy, csak a NAND helyett VAGY kapu kell.

Na, remélem nem néztem el sehol.

Üdv: P.B.
(#) pbalazs válasza pbalazs hozzászólására (») Jan 3, 2007 /
 
Nos, mégis elrontottam.

Az ÉS kapuk kimenetét nem a digipotira, hanem a számláló IC-re kell kötni, a "fel" és a "le" bemenetre.

A potinak mindegy, mert a végállásnál úgyis megáll.

Érdekes lehet még, hogy H vagy L élre lép-e a számlálód, mert lehet, hogy nem ÉS, hanem NAND kapu kell.

Az is lehet, hogy a 63 állás figyelését könnyebb lenne ÉS kapukkal csinálni NAND helyett és akkor össze lehetne vonni a két bemenetű ÉS kapuval, ami a számlálóra megy.

Sok dolog lóg még a levegőben, meg kell nézni, hogy mikor úszod meg kevesebb IC-vel.

Üdv: P.B.
(#) szabi83 válasza pbalazs hozzászólására (») Jan 3, 2007 /
 
szia!

A figyelést én magam végzem mikor fogom én a 2*100W -ot dübörögtetni max hangerőn? :yes: ?(amikor apu nem lesz otthol max )
szóval ez a figyelős dolog nem kell

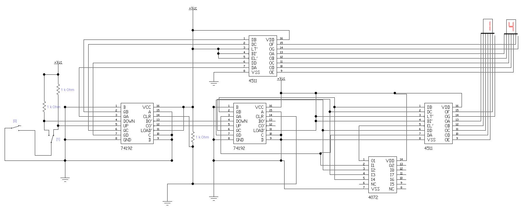
ui: sry, h nem írtam még, de _Jani_ kolléga addot nekem egy rajzot az 99 -ig számol fel és le (2 db 74192 és 2 db 4511 + 1db 4input or gate)

üdv azért köszönöm a segítséget

ui2: láttad már a vevőt ? alakul :yes:
(#) pbalazs válasza szabi83 hozzászólására (») Jan 3, 2007 /
 
Idézet:
„A figyelést én magam végzem”

Hát, nem valami biztos megoldás. Én mindent hülyeállóra csinálok, még magamtól is védem a cuccaimat.

Idézet:
„nem írtam még, de _Jani_ kolléga addot nekem egy rajzot az 99 -ig számol fel és le”

Akkor tul. képpen csak össze kell drótozni, nem?

Jaja, láttam a vevőt, zsír.
Már épp írni akartam, hogy jó ideje készül a cucc, most már látszik a vége.
(#) szabi83 válasza pbalazs hozzászólására (») Jan 3, 2007 /
 
Idézet:
„„A figyelést én magam végzem”
Hát, nem valami biztos megoldás. Én mindent hülyeállóra csinálok, még magamtól is védem a cuccaimat.”

végülis nem rosszat akkarsz ez tudomásul vettem, kicsit emésztettem is.
végülis én akkor arra jutottam/gondoltam, hogy a digipoti feszt osztó ként funkciónál, a végére rakni komparátort, mint fesz figyelőt, ha eléri a maxot, a kijelző meg a 64-et.

bár a komparátort, mire kellene kötni azt nem tudom, háát amit küldött nekem _Jani_ ott a up/down bemeneti pulzát tiltotta le. haza megyek akkor majd felrakom mit adott :yes:, több szem többet lát.

Idézet:
„Akkor tul. képpen csak össze kell drótozni, nem?”

igen, amugy L -re léphet, mert felvanhúzva tápra R-el :yes:


Idézet:
„most már látszik a vége.”

igen valami ilyesmi

üdv :pias:
(#) Sebi válasza szabi83 hozzászólására (») Jan 4, 2007 /
 
Nekem még egy aggályom van a megoldással: a digipot mindig lementi az aktuális állását eepromba, tehát megőrzi azt tápfesz nélkül is, amit a számláló csak szünetmentes táppal tud(na) megtenni.
Nem lenne egyszerűbb egy feszültségvezérelt hangerő-hangszín szabályzó IC-t betenni és annak vezérlőfeszültségét digitálisan kijelezni? És betenni egy távvezérlő IC-t (az tud nyomógombokat is fogadni) pl SAA1251-et és akkor van infrád is.
(#) szabi83 válasza Sebi hozzászólására (») Jan 4, 2007 /
 
távvezérlő ic-m van saa1351 és saa1350 es páros.

feszvezérelt hangerő szabályzóm is van lm1036.

Idézet:
„amit a számláló csak szünetmentes táppal tud(na) megtenni.”

a saa vevő panel miatt, kell egy standby trafó eddigi méréseim szerint 30mA-t fog fogyasztani a vevőm-saa1351-el

a led előtét R-jét csökkentem, sztem úgy csökken az a 30mA

mellesleg pont tegnap kaptam egy TV belet abban saa1251-es vevő panel van, ehhez adóm van 5-6 db
de maradok a saa135x esnél. hisszen ezzel kezdtem.

üdv

ui: a 74192-nek megy a standbi -ról feszkó, h ne felejtsen(neki kell csak úgye??), a 4511-nek meg egy másik trafó szolgáltat úgy is.
(#) Sebi válasza szabi83 hozzászólására (») Jan 4, 2007 /
 
Igen, elég a standby csak a számlálónak.
De ha kihúzod vagy hálózatkimaradás volt, akkor erre az esetre valahogy fel kell készíteni a cuccot: számláló ilyenkor 00 és csak a digipotnak kellene egy impulzussorozat (64 LE) hogy ugyanott álljon mint a számláló...
(#) szabi83 válasza Sebi hozzászólására (») Jan 4, 2007 /
 
akkor úgy lesz, hogy kivezetek a cucc hátsólemezére nyomógombot(fel, le meg 1 reset.), hogy lehessen pontosítani.

, hogy rávílágítasz dolgokra amire ezeddig :no: gondoltam.


(#) Sebi válasza szabi83 hozzászólására (») Jan 4, 2007 /
 
Elég csak a digipotnak egy impulzussorozatot adni a LE bemenetére. Mondjuk egy 555-öt elindítani hálózatkimaradás utáni esetben, aztán feltöltődik egy kondi és leáll. Annyi ideig járna, amíg legalább 64 impulzust kiad, ez a legrosszabb esetben is nullázza. A számlálóknak meg van reset-je.
(#) szabi83 válasza Sebi hozzászólására (») Jan 4, 2007 /
 
inkább 2 nyomó gomb(ezt megtudom számolni :awink:

itt a rajz.:nezze:

:pias:

ui:
a 4 input or gate: második 4 bemeneti + a kimeneti lábával mit csináljak? (amit :no: használok.)
(#) Sebi válasza szabi83 hozzászólására (») Jan 4, 2007 /
 
Bemenetek talajra, kimenet repül. A nem használt bemenetekkel mindig így járunk el, a kimenet nem okoz gondot. Ez azért szükséges, mert a lógó bemenetek a felszedett zavarok hatására képesek billegtetni a kimenetet, ami növeli a fogyasztást.
Amúgy a számlálók resetjénél nem tudom hogy gondoltad, de az 1k az a táppal párhuzamos...
(#) szabi83 válasza Sebi hozzászólására (») Jan 4, 2007 /
 
Idézet:
„Bemenetek talajra, kimenet repül. A nem használt bemenetekkel mindig így járunk el, a kimenet nem okoz gondot. Ez azért szükséges, mert a lógó bemenetek a felszedett zavarok hatására képesek billegtetni a kimenetet, ami növeli a fogyasztást.”

oks vágom

Idézet:
„Amúgy a számlálók resetjénél nem tudom hogy gondoltad, de az 1k az a táppal párhuzamos...”

_Jani_ csinálta a rajzot, a két reset egybe van kötve felhúzva tápra, a kapcsolóval meg a földre kapcsolva van, ha vált a kapcsoló ekkor nullázodik.
Ezt kivettem (a kapcsolót meg a felhúzó R-t is), mert nem kell reset, 2 gomb lesz.
áramszünet évente ha van 1* max 2*, majd nyomkodom és kész

(#) elko2 válasza szabi83 hozzászólására (») Jan 4, 2007 /
 
Itt van még egy kapcs rajz amiből vehetsz ötleteket
a nyomógombokat valami módon pergésmentesitened kell mert különben nem fog jól számolni
(#) MaSTeRFoXX hozzászólása Feb 21, 2007 /
 
Sziasztok!
Valaki tudna mondani olyan logikai IC-t amivel meg lehetne oldani egy 1:10-es frekvenciaosztót. 10MHz-ből kellene 1MHz-et csinálnom, átnéztem már egy jó pár adatlapot, de még mindig nem találtam meg a tökéletest
(#) pbalazs válasza MaSTeRFoXX hozzászólására (») Feb 21, 2007 /
 
Ezt szerintem az összes TTL IC tudja, de a 74LS90, 74LS390 és társai biztosan.
Ha szinkron kell, akkor 74LS192.
Nagyobb frekire az F-es sorozat.
(#) MaSTeRFoXX válasza pbalazs hozzászólására (») Feb 21, 2007 /
 
Köszi!

A 74LS90 lesz az amit keresek. Sajnos nem tudok HC-t beszerezni, de az adatlapja szerint elmegy még 10MHz-en is bőven

Bár most nézem szimulációval hogy nem 50%-os kitöltési tényezővel jön ki a jel a kimeneten. Utána járok hogy ez most jó lesz-e nekem
(#) pbalazs válasza MaSTeRFoXX hozzászólására (») Feb 23, 2007 /
 
Ha először az 5-ös osztót kötöd be, aztán a 2-eset, akkor 50%-os lesz a jel.

A kettes osztó kimenetén mindig 50%-os a jel.
Következő: »»   4 / 13
Bejelentkezés

Belépés

Hirdetés
XDT.hu
Az oldalon sütiket használunk a helyes működéshez. Bővebb információt az adatvédelmi szabályzatban olvashatsz. Megértettem