Fórum témák
» Több friss téma |
Fórum » PIC - Miértek, hogyanok haladóknak
Idézet: „Nekem pl a 3b féle is megy, laptoppal is. Mindenesetre nem egy nagy kiadás megpróbálni.” Igen, és amikor egyszer csak nem érted, mitől nem működik a programod, akkor majd a végén kiderül (hetek után, őrjöngve), hogy pl. a rövid programot beégeti, a hosszút meg már nem (volt ilyen, ezért említem). Vagy átdugod egy másik PC-be, és már nem is stabil, hol jó-hol nem, vagy egyáltalán nem. Ilyen gondok százszámra fordulnak elő, elég ha a terminal fórumon a PIC-es topicot végigolvassátok (több ezer hsz, ezért nem túl egyszerű feladat! ) Igazából nem értem, hogy meri valaki a nevét adni egy ilyen bizonytalan kapcsoláshoz? Annyi probléma van vele, hogy csak árt. Akinek meg jól működik, szerencséje van, semmi több.
Azért, mert nálad működik, attól még hibás elgondoláson alapul, és ebből kifolyólag sosem lesz megbízható. Ha mondjuk MAX232-s szintillesztővel lenne a pic a soros porthoz illesztve, akkor már viszonylag korrektnek lenne nevezhető. Nézd meg az oshon égetőjét, az egy korrekt megoldás.
Ja és ha már itt tartunk, akkor már régóta akartam írni, hogy a feszültségőr autóba nevű kapcsolásod hibás. Azt írod, hogy egyes generátorok akár 15V-al is tölthetik az akksit, holott a 14.5V feletti feszültség már rég túltöltés, és az akksi élettartamát jelentősen csökkenti. Javaslom, hogy a szöveget fogalmazd át, és az alkatrészeket úgy méretezd, hogy 14.5V-nál gyulladjon ki az utolsó led és az már a túltöltést jelzi működő generátornál is. Idézet: „Ja és ha már itt tartunk, akkor már régóta akartam írni, hogy a feszültségőr autóba nevű kapcsolásod hibás. Azt írod, hogy egyes generátorok akár 15V-al is tölthetik az akksit, holott a 14.5V feletti feszültség már rég túltöltés, és az akksi élettartamát jelentősen csökkenti. Javaslom, hogy a szöveget fogalmazd át, és az alkatrészeket úgy méretezd, hogy 14.5V-nál gyulladjon ki az utolsó led és az már a túltöltést jelzi működő generátornál is.” Ez a rész biztos, hogy gyökeresen, szervesen a PIC témához kapcsolódik? Talán-esetleg nem privátban kellett volna ezt megírni degussnak, hogy ezt vagy azt javítson?
Sziasztok!
Nem akartam írni de mégis megteszem. A JDM programozók olcsók esetleg jó is lehet, de ha megnézitek a T es T honlapján az égetési eljárásokat van ott egy elég érdekes mondat ami arról szól hogy az újabb PIC-ek a 13V-os programozási feszültséget csak a programozási mód bekapcsolásához használják, ezért sikerülhet egy-két több pic égetése. De a programozás során elég szigorú időzítéseket kell betartani amit szerintem puffer nélkül elég nehéz megvalósítani. Javaslom hogy először „csak” próba kép egy JDM programozót összerakni és amikor megy a led villogtatás stb. utána egy normálisabb programozót összerakni. Én csak tudom a PROPIC2 3db 16F627A és 2 db 16F876-ot tett tönkre. (szinte ki is telt a PicKit2)
Hogy tette tönkre? Rossz időzítésekkel adta a lábakra a feszültségeket?
Nem jöttemrá, nemis nagyon kerestem mivel csak a régebbi PIC-eket programozta. Vettem egy PICKIT2-t
Biztosan más oka volt a tönkremenetelnek. Mert volt többször olyan, mikor véletlenül a PC-n felejtem az égetőmet a céláramkörrel, bekapcsolt főkapcsolóval(mivel a PC-ről kapja a Vdd-t), és a gyerekeim bekapcsolták a gépet játszani. Az LPT port alapállapotban a 7406 inverter használata esetén a Vpp-t és a Vdd-t bekapcsolja, ezért kell normális esetben az égető progit elindítani, mielőtt bekapcsolod az égető tápját.
Na de a lényeg, hogy volt olyan, mikor órákon keresztül rajta volt a Vpp és a Vdd, és semmi baja nem lett. De ettől duvább dolgok is voltak, pl. fordított táp, 12V a Vdd-re meg ilyenek és ezt is kibírta! Az is mindegy, hogy milyen jeleket kap égetés közben, legfeljebb nem sikerül a program bevitele. A WPB_F18 fejlesztése közben kapott hideget, meleget néhány PIC, nem lett bajuk! Nekem csak egy 18F1320 halt meg, mert annak a PGD, PGC lábai egyben a Timer1 külső oszcillátor lábai is, és be lett kapcsolva figyelmetlenségből a külső oszci, ami azt eredményezte, hogy a kimenete szembe került az óra, vagy az adat jellel. Ettől kiakadt a port, de a beégetett kód működött, csak többé nem lehetett programozni. Ez egyébként egy láb feláldozásával a tökéletes programvédelem is egyben! Ilyen esetben egy soros 100ohm megóvhatja a portot, viszont esetleg zavarhatja az égetést, ezért nincs az égetőn alapban. Potyo ezt 4066-os aktív leválasztással oldotta meg, ami a tökéletes megoldás, ha a Vpp vezérli a 4066-ot, akkor nem lehet gond az időzítéssel, mert a Vpp később kapcsolódik be, mint a Vdd, azaz a progizó lábakra csak akkor kerülhet jel az égetőről, mikor a Vpp már átkapcsolta a PIC-et égető üzemmódra. Ha lesz egy kis időm és potyo sem bánja a 2.0-ás verzióba betenném ezt a kiegészítést! Idézet: „Ha lesz egy kis időm és potyo sem bánja a 2.0-ás verzióba betenném ezt a kiegészítést!” Sőt, követelem.
Nekem is van gyári USB-s PIC programozóm. Nem a 3b-t használom már rég. De mivel szabinak két PIC égetéséhez kell, csak saját magának. Nem hinném hogy nem éri meg azt a 200Ft-ot ráfordítani próbának, mint tízezrekért venni egy gyárit. Meg azt se hiszem hogy egyszer csak egy hónap múlva valami beszarik és az a beégetés miatt lesz. Nem kell az ördögöt a falra festeni.
Sziasztok
Egy olan kérdésem lenne, hogy lehet-e azt csinálni, hogy a pic szinkron soros portjára rákötök egy i2c-s és egy spi-s alkatrészt egyszerre? Lényegében az lenne a feladat, hogy egy eepromot és egy adc-t kössek ra egy pic16f877-re.
Ha van az eepromnak és az adc-nek is Chis Select lába, akkor működnie kell. Természetesen amikor a másikhoz akarsz fordulni, akkor át kell állítani a portot a másik módba.
Sziasztok!
A PIC témában teljesen új vagyok. De lenne sok áramköröm amibe 16F84-es IC kellene. Szeretném jobban megismerni. Szóval nekem csak ehhez a PIC-hez kellene égető+szoftver a legegyszerűbb ami van. És a szoftver XP alá kellene(CPU 2500 Barton). KÖSZÖNÖM Üdv! zener
Az adc-nek van engedélyező lába(ez az spi-s(mcp3208)), de az eepromnak nincs(24fc512(ez i2c-s)). Meg akkor felhúzó ellenállást rakja-e vagy ne az adatvonalakra?
Egyszerübb lenne másik adc vagy eepromot választani. Valószinű az adc helyett nézek valami másikat, de milyet? Az i2c-s komunikáció azért is szimpatikusabb lenne, mert akkor nem kell az engedélyezéssel foglalkozni csak meg kell címezni. De melyik adc i2c-s és olcsó és még kapható is? És 12-14bites és 8 csatornás.Hát ha még referencia feszültséget is fogadna a 8 csatornán felül az már szuper lenne, de ez utobbi nem annyira fontos.Na én ilyet nem ismerek(még). Mit ajálotok? Előre is köszi!
Én valamelyik komunikációs felületet sw-ből oldanám meg....
De a ChipCad fórumon volt egy ilyen téma, szerintem nézd azt is meg.
Helló Tomee
Átnéztem a chipcad-es forumot, de a választ nem találtam meg. Bár találtam egy érdekeset, miszerint sd kártyát használnak memoriának SPI-s komunikációval. Ezt a lehetőséget sem zárom ki teljesen, mert akkor maradhatna az SPI-s adc. Az eepromban tárolt mérési eredményeket amugyis a pc-re akarom menteni, és ha a pic kártyára mentene akkor csak a kártyát kellene átrakni és nem kell foglalkozni az adatok átvitelével. De ez a kártyás dolog még egy kicsit magas nekem, ezért ezt még hanyagolom kicsit. Inkább nézek egy i2c-s adc-t. Csak sajnos nem tudom melyik lenne nekem jó. Ha valaki tud segíteni ebben az tegye meg.
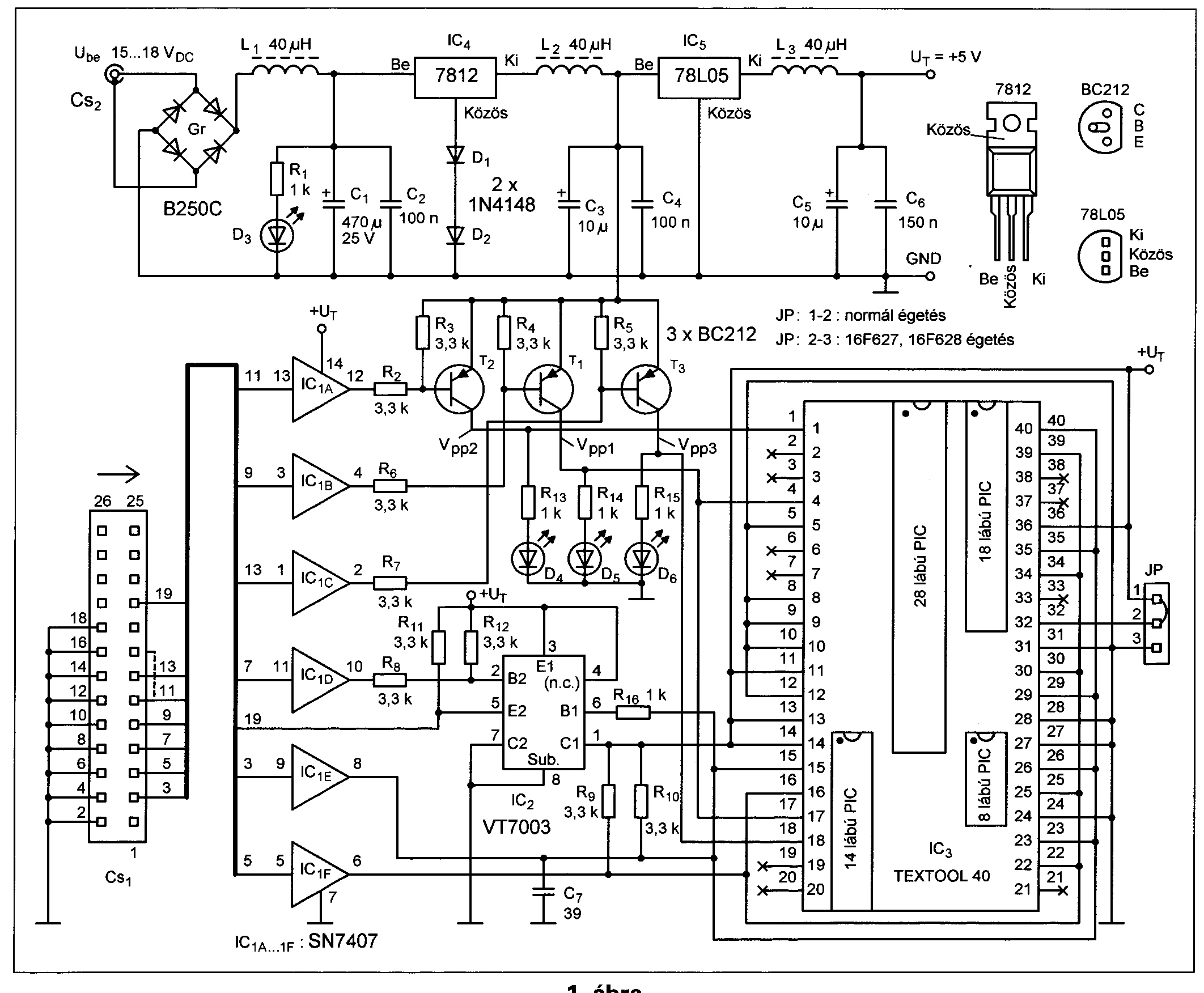
Üdv mindenkinek! A naoópokban elkezdtem csinálni egy PIC égetőt, na most minden alkatrész meg van kivéve egyet. Ez elméletiileg speciális IC, VT7003. A lomexban nem volt és nem is tudnak ilyesmiröl. Az égetőt a rádiotecnika havilap aktualis számában van. Valaki épit ilyet? és ha igen honnan lehet ilyen IC venni vagy rendelni, esetleg helyetesiteni? A segitséget meg köszöném. még a nyák is kész van.
Erre gondoltam.
http://forum.chipcad.hu/tm.asp?m=2487
Bocs ezt vmiért kihagytam az olvasásból.
A srácnak is az volt a gondja mint nekem lett volna. Még jó, hogy nem álltam még neki a programozásnak, mert szívtam volna vele. A lényeg, hogy meg lehet oldani. Köszi.
Be tudnád szkennelni a kapcsolást?
A google a VT7003-ra nemnagyon adott találatot.
Mivel itt történt az eset, ezért itt kérek nyilvánosan bocsánatot degusstól a kirohanásomért.
De a hozzászólás tartalmát azt továbbra is fenntartom.
Köszi hogy foglalkozol a problémámmal, itt a kapcsolás.
Első ránézésre azt mondanám, hogy két tranzisztor egy tokban, de áramkörileg ez nem felel meg, vagy hibás a rajz. Az a gyanúm, hogy sima pufferként lenne használva a PGD láb visszafele menő ágán. Milyen portra lenne ez csatlakoztatva? Mert ahogy nézem, sem a párhuzamos, sem a soros port lábkiosztásának nem felel meg.
De biztos, hogy foglalatos égetőt akarsz? Nem találod praktikusabbnak az áramkörön belüli programozást? Be tudnád az egész cikket szkennelni? Mostmár érdekel a hozzá adott szöveg is!
Én egyelőre azon álmélkodok, hogy egy beszerezhetetlennek tűnő IC-t miért tüntettek fel a rajzon?
üdw!
írtam egy progit mikropascalban ami elvileg egy knight rider futófény lenne és ki, be lehet kapcsolni + sebesség szabályzás... de nincs picem amivel kitudnám próbálni. a debugger szerint jól müködik de megszeretnék kérdezni egy profit h így müködhet-e?! sztem jövőhéten ha meglesz a pénzem akkor veszek picet meg égetőt és kipróbálom
elvileg párhuzamos portra megy. Tényleg jobb lenne a céláramkori programozás,láttam az oldaladat is(no.1 sztem
), csak ICD2-hoz való piceke nem tudok programozni a jelenlegi égetömel. beszkeneltem a első és a második oldalt, a harmadikat nem mert abban csak a softver(propic2) használata van.
Poénból
raktad be a kapcsolásnak csak az alsó kis hányadát, vagy beperelhetnek érte?
Hi!
Csak egy jó tanács. Mielőtt nekifogtok égetőt építeni, számoljátok át mennyiből jön majd ki kb. Mert a chipcad-ben lehet Pickit 2-t venni, ami azt hiszem az új Mplab alatt már ICD-ként is funkcionál. USB-s programozó és ha jól emlékszem 10 ezer alatt van az ára. u.i: Megnéztem az alap programozó ára 7400+áfa. Van a debug express is de azt nem tudom miben különbözik. Szerintem valami panelt adnak még hozzá.
Itt megtalálható hogy miket lehet debuggolni meg miket programozni vele:
http://www.microchip.com/stellent/idcplg?IdcService=SS_GET_PAGE&nod...023805 |
Bejelentkezés
Hirdetés |




) Igazából nem értem, hogy meri valaki a nevét adni egy ilyen bizonytalan kapcsoláshoz? Annyi probléma van vele, hogy csak árt. Akinek meg jól működik, szerencséje van, semmi több.

), csak ICD2-hoz való piceke nem tudok programozni a jelenlegi égetömel.
beszkeneltem a első és a második oldalt, a harmadikat nem mert abban csak a softver(propic2) használata van. 

raktad be a kapcsolásnak csak az alsó kis hányadát, vagy beperelhetnek érte?
Szerintem meg is építem. 



