Fórum témák
» Több friss téma |
Fórum » PIC - Miértek, hogyanok haladóknak
Szia
Köszönöm Ezeket is meg nézem a programban Remélem csak ennyi a baja
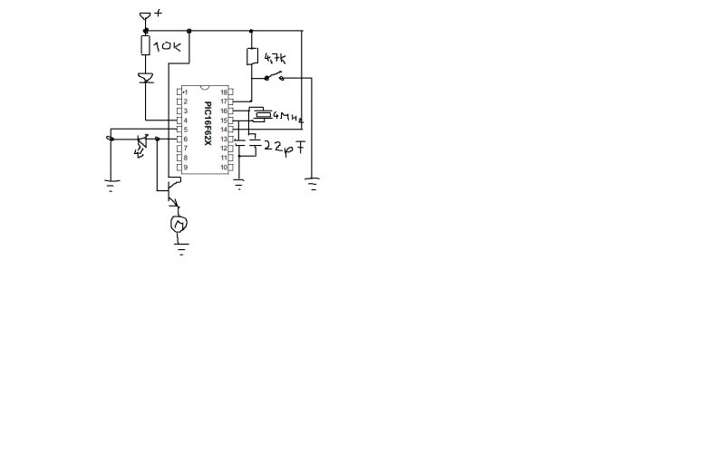
Sziasztok! Írtam egy kis programot egy PIC16F628-ba, ami figyeli a porta, első bementetés, és ha le van nyomva a gomb, akkor kiírja a 255-öt portb-re. Ez így jól hangzik de a valóságban azt csinálja, hogy tápfeszt adok neki és rendzsertelenül össze vissza villog a port-re rakott led... Viszont ha lenyomom a gombot, amikor tényleg ki kéne gyulladnia akkor rendesen kigyullad. Mi lehet a baja?
Előre is köszi, üdv!
Szie Peti13! Mi sem tudunk mit mondani a kapcsi rajz es a programod latta nelkul
Ahamm. Hát gyorsan összedobtam egy kis kapcsolást, remélem nem hagytam le róla semmit és lehet érteni... Próbapanelra csináltam terv nélkül... A program is ott van. A Delay rutint nem használja, csak bent maradt, és a T4 változót sem. Üdv!
1. VDD és VSS közé 100 nF kell (közvetlenül a PIC lábaihoz!).
2. A LED-del sorban egy áramkorlátozó ellenállást kell bekötni (470 Ohm - 1 kOhm). Bővebben: Link
A 100nFos kondi ott van, csak persze, hogy lefelejtettem a rajzról
Áramkorlátozó ellenállást, meg nem raktam mert így se folyik át rajta sok áram. Viszont az a link amit küldtél jó kiindulási alap Köszi!
Sziasztok
Ere a hibára tudtok segítséget nyújtani?
Azt mondja, hogy 0x400-tól nincs törölve a memória. Nézd meg, hogy mi van ott, és/vagy töröld!
Idézet: Legalább a kedvünkért tegyél mégis! „Áramkorlátozó ellenállást, meg nem raktam”
Szerintem egy jól paraméterezett digitális szűrő egyszerűbb lett volna 80 minta átlagolásánál és szelektálgatásánál, meg még talán gyorsabb is. A digit szűrővel is lehet "biteket nyerni" (zaj kiátlagolódik), én konkrétan a pákámban csináltam azt, hogy durván fokra mértem, a dogot szűrőzés eredeményét meg tizedfok pontossággal használtam fel.
Tranyo bazis ellenallasa is hianyzik amugy, nem csak a LED-e. Ellenallas az egyik legolcsobb alkatresz, ugyhogy tessek teleszorni az aramkorod
Hát rakok én szívesen, csak nincs értelme... Mármint bizonyos esetekben persze, hogy van, csak most most nem kell mert pont jó áram megy át rajta. Amúgy a hiba azzal a tranzisztorral volt... Kicseréltem egy másikra és most szó-szó megy. Csak a motor nagyon lassan pörög. Most egy BC547B van ott. Ezt találtam.
Köszi! Üdv!
Mekkora bázis-ellenállás kell elé?
Köszi, üdv!
helló és bocs mindenkinek de bedöglöt a netem és csak most tudok írni. De még mindig nem tudom a dobókocka hex programot beégetni a pic be, azt meg hogyan kell megadni neki hogy meddig irja
Jo fej vagy, a kapcsolasra meg azt sem tuntetted fel milyen a tranyo
De ha az valami atlag kis teljesitmenyu, akkor hasrautesre 1k-val megprobalhatod (de akkor igy elegge varazslasos alapon tortenik minden, pontos ertekert adatlapot kell bongeszni).
Várj!
Ha ezzel próbálkozol, és azzal a hex-szel, ami a zip-ben van, akkor az a gyanúm, hogy így nem fog menni! A hex ugyanis bootloaderesre van lefordítva (RS232-es bootloadert használtam a fejlesztéskor, milyen jól is hangzik, hogy a "páka firmware-e frissíthető RS232-n keresztül ), emiatt 0x400-on kezdődik a program a hex-ben, nem 0-n. A projektet le kellene újra fordítani a nem "b"-s végű linker file-lal, hogy bootloader nélkül fusson. Vagy kotrok egy utolsó verziót (bootloader nélkülit) a gépemen a hexből (mellékelve)...A másik, amit még érdemes megnézni, hogy a beszerzett LCD és a kapcsoláson szereplő kijelző lábkiosztása nem tér-e el. Galád módon pont az első három kivezetésnél (GND, Vdd, kontraszt) szoktak néhány típusnál keveredések lenni. Idézet: Ne beszélj butaságokat! A LED áramát is meg kell fogni valamivel, meg a tranzisztor bázisáramát is korlátozni kell. Nem utolsósorban, a PIC kimenet terhelését is az az adatlapban megadott határok között kell tartani. A többi már az Ohm törvényből számolható...„Hát rakok én szívesen, csak nincs értelme...” Ha ezekre nem ügyelsz, akkor ne csodálkozz, ha sorra mennek tönkre az alkatrészek, vagy nem a kívánt módon viselkedik az áramkör. Ez éppolyan fontos, mint az, hogy a programban ne legyenek oda nem illő utasítások, lekezeletlen interruptok, vagy programmegszakításkor mentsük el az interrupt eljárásban módosított változókat, majd kilépéskor állítsuk vissza.
Szia
Az új V3_noboot.hex jó de a hardver nem működik rendesen Az első próba a (V3_noboot.hex) 8 karakter működött ki írta:--- slepp És ha bekapcsolom, akkor, ahogy írtad szaladgál az értékek Az érdekesség, az hogy levetem a tápról, és aztán vissza elkezdet villogni az LCD De akkor is csak a 8karakter de most már nem írja ki, hogy --- slepp Azért gondolom, hogy hardveres hiba, mert a trimert alítom, nem lehet pontosan, vagy teljesen besötétül, vagy eltűnik minden de, viszont olyan is előfordul, hogy nyomkodom a trimert és ugrál
Majd említsétek meg neki a motorvédő diódát is, bár erre is azt fogja mondani, hogy minek, mert most is forog a motor, csak lassan. Persze, ha a LED nem korlátozná a bázis feszültséget, gyorsabban is forogna... Egyébként ebben a kapcsolásban a bázis ellenállás tényleg nem szükséges(feszültségkövető), sok multiplexerben így használtam közös anódra.
Hello!
PIC 18F452-es processzorra szeretnék programot fordítani. Microcode studio-ban írom a progrtamot basic nyelven.Mellékletben csatolom a hibaüzenetet. Valaki segítsen légyszi. köszi.:borvendeg
Aszongya, hogy a file név, útvonallal együtt nem lehet több mint 62 karakter. Szerinte neked jelenleg ez 82 karakter...
Megoldás: Készíts a C: gyökérbe project mappát és abban dolgozz...
Hali
A szokasos hosszu konyvtarnevek. pl : "c:\ Ez a joska szamitogepenek a c meghajtojanak a dokumentumok alkonyvtara\ezek az en dokumentumaim\ ezek az en fotoim\" Ha lehet a konyvtarak neveit nagyon rovidre kell venni. ( azok a jo dosos 8.3 file nevek). Udv Vili
Köszi!
Most megcsináltam most más hibát jelez. fatal:out of memory (pbpw.exe) Ez mi? Már napok óta szenvedek ennek a programnak a beállításával. Már processzorra már sikerült vele fordítani de erre nem.
Out of memory= elfogyott a rendelkezésre álló memória... Hogy ez most a programodra vonatkozik (pl. demo és csak 2k-ig használható) vagy a PIC memoriájára, ez nem derül ki...
Ezt a programot már van akinek sikerült lefordítani. És elméletileg ugyanazzal aprogival csinálta mint én ugyanis ő adta ezt a progit. Nem értem mi lehet a baja.
Másodszor használod a processzor nevet. A 18F452 nem processzor, egyik PIC sem az!
Bővebben: Link
[OFF]En mar bele faradtam magyarazni ilyenekbe
A microcontroller az processzor, a file register as RAM, a programozo az egeto, a PIC utasitasai pedig parancsok Nekem mindegy, legfeljebb nem fogom erteni a kerdest es igy nem fogok tudni valaszolni sem
Ne legyetek már szőrszálhasogatók! Inkább segítsetek egy kezdőnek, hogy ne legyen kezdő. Rettentő hálás tudok lenni, ha valaki önzetlenül segít. Gondolom Ti is?
Ez nem szőrszálhasogatás. Ha valaki sofőr akar lenni és a kamion helyett gokartot mond, valószínű kijavítják. Én is ezt tettem, olvasd el, szerintem semmi bántó nincs benne.
|
Bejelentkezés
Hirdetés |




Előre is köszi, üdv!

Áramkorlátozó ellenállást, meg nem raktam mert így se folyik át rajta sok áram. Viszont az a link amit küldtél jó kiindulási alap
Köszi! 
Köszi, üdv! 





