Fórum témák
» Több friss téma |
Van egy elektromos motorom, ami 4 sorba kötött 12 voltos aksival működik. Meg szeretném növelni a hatótávot, és a 4 aksi nem bírja sokáig. Ha erre rákötök párhuzamosan még 2 (24 V) vagy 4 (48 V) akkut, akkor az működhet, vagy gáz? Valaki azt mondta, hogy akkukat nem kötünk párhuzamosan, mert eltér az ellenállásuk, és tönkremennek.
Köszi
hello!
az akksikat be lehet kötni párhuzamosan (bár gondolom akkor a legjobb ha két egyforma típus), én ilyet még nem hallottam, hogy tönkremennének, de javítsatok ki, ha tévedek.
így van akkut csak ritkán párhuzamosítunk...
ha ugyan az az akku típusa.. de még akkor is necces az lesz a baja hogy lemerítik egymást... tehát cseréld ki nagyobbra az akkukat.. lehetőleg egyformákra.. (sorbakötés marad) csá
Úgy célszerű párhuzamosan kötni két akksit, ha mindegyikkel sorba egy egy diódát kötsz, majd utána párhuzamosra kötöd őket. Ha egyiknek nagyobb a feszültsége, akkor nem töltheti a másikat, merta dióda megakadályozza az ellentétes áramirányt. Diódaként célszerű Schottkit alkalmazni, mert kisebb a nyitófeszültsége mint a Si diódáké (0,3-0,4V), és kaphatók 30-40A-es áramerősségre is.
Akkor gond a párhuzamos kapcsolás, ha az akkuk típusa és/vagy töltöttségi állapota (életkora) nem egyforma.
Egy olyan akkucsoport, ami mindig együtt van használva, érzéketlen a kapcsolás mikéntjére. Nekem a Weller páka megy két sorbakötött 12V-os akkuról, de tölteni mindig 12V-ról szoktam (autóban). Amikor a kapcsolóját párhuzamos üzemre kapcsolom, néha mutat az árammérő pár mA-t, de csak másodpercekig.
Köszönöm az eddigi válaszokat, már kezdem látni a fényt a sötétségben.
Még kérdezném, hogy ha a négy eredeti akkura kettő másikat kötök párhuzamosan (diódával), akkor az segíthet-e a hatótáv növelésében, vagy ha eredetileg négy akku van, akkor azt mindenképpen négy másikkal kell kiegészíteni. Ez azért fontos, mert a csomagtartóba bele tudok tenni plusz kettőt, viszont ha négyre van szükség, akkor valami utánfutón kell elgondolkodnom.
Ha csak kettőt kötsz velük párhuzamosan, akkor a pótakkuk csak akkor lépnek működésbe, amikor az eredeti akkuk feszültsége már lezuhant 48-ról 24V-ra. Ezen a feszültségen gondolom, hogy már csak alig van fordulatszáma a DC motornak.
Az utánfutós megoldás szerintem elég gáz, de van még egy jónak tűnő ötletem: Valamilyen elektronikus érzékelő figyeli, ha a 48V-os eredeti akkutelep feszültsége lecsökken, ha elért egy kritikus értéket, akkor egy relét meghúz, és akkor az eredeti akkutelep két akksiját átkapcsolja az általad beszerelt két akksira. Így még valamivel tovább bírja.
hallo, adott 1 motor ami 48V-ról üzemel-ezért van 4*12V sorba kötve, nyilván 24 V-os akku nincs ilyen méretben vagy kapacitásban (különben az volna benne) ha párhuzamosítani akarsz csak 4*12V ot tudsz sorba kötni aztán ezt párhuzamosítani a másik tömbbel. Csakhogy ha nem egyforma az akkuk kapacitása (teljesítmény leadása) akkor még ha diódát használsz is nem egyformán fog merülni a két oldal és ez oda vezet, hogy mindig az egyik oldal lesz jobban terhelve ezért és ennek következményei miatt nem szerencsés ez a kivitelezés
legjobb tényleg 4 új nagyobb kapacitású hasonló méretű akku Pl zselés...
Sziasztok
Felkerestek, hogy csináljak zenét motorba. A probléma: Egy zselés aksit be lehet rakni a motorba az ólomaksi mellé? Úgy tudom a két féle aksi nem nagyon különbözik, igy birná tölteni a motor!?
Hát én inkább egy sima váltókapcsolót használnék.Ha nem megy a motor átkapcsolnák tartalékra.
1 Tudom hogy kifogyott az akkumulátor ,azt is hogy melyik 2 tudom úgy tölteni őket teljessen függetlenül ,hogy hogyha nagyon kell a másikkal még arrébb birok állni. 3 különböző töltöttségű akkumulátorokat nem illik sorba kapcsolni mert abba szintén belehalnak.Az egy soros lánchoz rartozó akkukat SZIGORÚAN együtt és azonos módon illik tölteni,valamint nem illik kicserélni közülük egyiket vagy kettőt egy másikra mert azzal jobban megy. (Ezeket a szabályokat megszegheted de az akkujaid élettartama bánja.) A 48 V akksit nem célszerú lemeríteni 24 V ra mert abba villámgyorsan belehal.
Köszönöm a sok választ. A történet vége az lett, hogy a belga márkakereskedő elmagyarázta, hogy valóban zselés akkura van szükség (valaki írt is erről), mert a normál autóakku gyorsan veszít a teljesítményéből, majd tönkremegy, ráadásul a töltőt, meg a motort is tönkreteheti. Csakhogy a magyar "márkakereskedő" egy zsivány volt, és normál akkuval árulta a villanyos vasat, mert egy ilyen zselés akku 3x annyiba kerül, és ez visszavetette volna a keresletet. Nekem az egészre 2x4 normál akku és egy töltő ment rá, le se merem írni mennyi a kár. Legyen ez tanulság a jövőre nézve.
Sziasztok
Hasonló kérdést feltettem egy másik topikban, de hátha itt többen látják, ott több hónapja volt az utolsó hsz. Tehát a lényeg az lenne, hogy van egy elektromos bicikli akkumulátor telepem, ami 36V-os (38V). Ez három darab 12V-os részből tevődik össze amit ugye sorban kapcsolnak. Szeretnék erre a akkura egy 12V-os szivargyújtó aljzatot barkácsolni. Úgy érdemes, hogy összekötöm a pozitív és negatív elemet majd azt csatlakoztatom a töltőre, tehát párhuzamosan kapcsolva? Gondolom ez az ésszerű, csak két dolog miatt vagyok bizonytalan: 1, lemértem 12V-os akkukat és az egyik 12, a másik kettő 13V-on van. Ez nem jelenthet problémát ha párhuzamosan kötöm? 2, mivel szeretném továbbiakban is használni a bicikliben, így a soros kapcsolás az megmaradna. Az nem gond ha az akkukat egy időben sorosan és párhuzamosan is kapcsoljuk? (viszont fogyasztó mindig csak az egyikre lesz kapcsolva, tehát vagy a bicikli üzemel, vagy kiveszem a bicikliből és a szivargyújtó aljzatba helyezek fogyasztót) Avagy ha ezek miatt nem megoldhatók akkor az a megoldás, hogy csak az egyik akkuról veszem le a 12V feszültséget mennyire lehet gond? Értem ez alatt, hogy az az akku akár teljesen is lemerül így, de a másik kettő teljesen töltve marad. Köszönöm a választ előre is, nagyon sokat segítene!
Sziasztok.
Olyan kapcsolást meg lehet valósítani, hogy 3 akkut kapcsoló segítségével sorosan vagy párhuzamosan kötve terheljek? Gondolom érthető a kérdés de pontosabban is megfogalmazom: Három akkumulátort lehet-e egy vagy több kapcsoló segítségével úgy összekötni, hogy a kapcsoló(k) egyik állása esetén párhuzamosan, a másik állása esetén sorosan legyenek kötve? Persze ha az akkuk minden sarujára kapcsolót szerelek, aztán végigzongorázok rajta a megfelelőek bekapcsolásával akkor működni, de valami egyszerűbb ügyes kapcsolás létezik erre? Előre is köszönöm a segítséget, tippeket
Üdv.
Első kérdés milyen akkuról van szó mekkora a teljesítményük utána lehet rajta gondolkodni
Szia!
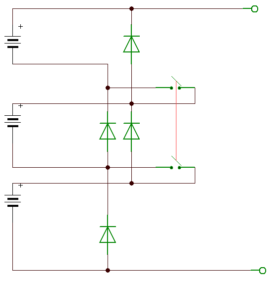
Ennyire egyszerű elég lesz? ![]() De ezeket mindenképpen egyszerre kell működtetni, mondjuk Yaxley-val, vagy ami még egyszerűbb - és ésszerűbb, ha nagyobbacska akksikról van szó - relékkel!
(Ha valami miatt nem megoldott, hogy egyszerre mozogjanak, néhány biztonsági megszakítást is közbe kell iktatni, mert az hatalmas rövidzárat okozna!)
Csak 4 mosre érintkező kell.
Az más kérdés, hogy a bontó és záró kontaktoknak külön (relében v. kapcsolóban) kellene lennie, és némi holtidővel (amikor minden érintkező meg van szakítva) kellene végezni az átkapcsolást
Közben eszembe jutott egy sokkal jobb megoldás is. Csak egy 2 záróérintkezős kapcsoló (v. relé) kell, és pár darab schottky dióda. (a szélső diódák azért duplázottak, hogy mindhárom akksi esetén egyforma legyen a feszültségesés)
Ennél nem fordulhat elő zárlat akkor sem ha nem fut együtt a két kapcsoló tökéletesen. Egyedüli hátrány, hogy párh. esetben a diódákoin esik némi feszültség (0,6...1V áramtól függően), soros esetben viszont nem folyik áram (és nincs fesz vesteség sem) a diódákon. Persze tölteni így csak sorosan lehet, kisütéskor viszont használható a 12V és a 36V is. Tehát az alkalmazhatóság attól függ, hogy mi a felhasználás célja.
Sziasztok! Nagyon köszönöm! Ilyesmi megoldás érdekel.
(szegény modinak agyára megyek már - megértem, sorry) 12V-os 10Ah-s akkukról van szó. Valami összetett váltókapcsoló létezik erre? Amit pirossal jelöltél olyan van kézi kapcsolóban?
Kétáramkörös kapcsolónak hívják, autósboltban próbálkozz (fényszóróhoz való kapcs kell).
Az sem baj ha esetleg 2 külön kapcsollót teszel be, mert nem okoz gondot ha nem pont egyszerre váltasz. Közben rájöüttem, hogy 4db diódával is megoldható korrektül (csatolom). Jó nagy áramú diódákat használj! (roncs PCtápban vannak 20...40A-es schottky diódák amik ide is jók)
A gépjárműindító akkuk nem szeretik a ciklikus üzemet(lemerítés 10,5V-ra). Én 12,4 alá nem engedem őket a házi tartalék áramforrásban.
A kerékpáromban lévő zselésnek nevezett felitatott elektrolitok akkukat sem merítettem még 12V alá, és akárhogy lehet kötni őket. Én egyenként, vagy párhuzamba kötve töltöm őket, nincs köztük veszteséget okozó kiegyenlítődés. Arra kell figyelni, hogy a feszültségük ne csökkenjen 10,5V alá, de a 12,4V feletti az ideális. Ha van egy gyengébb akku(1 gyengébb akkucella), akkor annak akár 10V-ra is csökkenhet a feszültsége, majd tovább használva a cella fordítva töltődik fel. Egy 12V 12Ah akkum egyik cellája kb 2Ah-s, az produkálja ezt. Már így került hozzám. Lehet használni, csak oda kell figyelni rá. Mikor 10V-ra csökkent, és letilt az akkuvédelem, a másik két akku 12,4V körül van. Lehet párhuzamosan kötni a két 48V-os pakkot, de még használat ELŐTT. Ha az egyik magasabb feszültségű, a másikat kell feltölteni. Ellenkező esetben a magasabb feszültségű tölti az alacsonyabbat, ami feleslegesen amortizálja az akkut. annak ugyanis a járművet kell mozgatnia kisüléskor. A párhuzamos pakk előnyös az akkuk számára is. 48V 6A esetén egy 12-18Ah akkura ugye 6A jut. Dupla pakkal már csak 3A, ami kedvezőbb az akku élettartamára, és terhelésre is kevésbé csökken a kapocsfeszültsége. Még valami az akkupárhuzamosításról. Ha veszel egy 100Ah akkut, 1 cella halála esetén az akku használhatalan. 5db 20Ah-s esetén csak a rosszat kell kiszedned, a többi dolgozik tovább. Ráadásként azt sorosan is kötheted igény esetén. A legjobb megoldás a cellánként összeállított akku.
Hello!
Volna egy kérdésem. Van 9 db Varta 6127 Aksim Amik egyenként 950mAh-t tudnak... Ezek nyákra forasztható aksik és 3 voltosak. Számomra 9 volt kellene belőle tehát 3-asával szeretném párhuzamosítani őket. Elméletileg ha minden sorosan kötöt oszlop után be raknék pl egy 1n4148-at (ha van amit joban ajánlatok akkor írjátok) és csak utána párhuzamosítom akkor jónak kellene lennie. Elviekben... De kérdésem az hogy ez vajon müködik-e a gyakorlatban is?
Szia !
Nem tennék be diódákat mert akkor összekötve nem tudod tölteni--szét kell bontani. A diódán is jelentős veszteség keletkezik.különösen ezeken 50mA-től feljebb.... Ellenben; összeválogatnám, hogy hajszálra azonosak legyenek sorba kötve, 1/2-1 évente megint átválogatnám. Tehát minél egyformábbak legyenek pl; 950mAh hoz nem kötnék 890-910mah- sat.
OK
Köszi! Majd e szerint meg próbálom... Bár a töltésre pl 3*2 forszem tüskére fel rakott jumper vagy 3db kapcsolóval töltésre álithatóan is meg oldható. Szóval ilyen szempontból a dióda nem játszik szerepet. Viszont érdekelne ez az 50 mAh feletti veszteség miben léte mert azt értem hogy mit írtál viszont tanulmányaimmal nem tudom meg magyarázni eme veszteség miben létét ezért ha egy kis magyarázatot hozzá fűznél azt meg köszönném! Köszönöm válaszod!
Üdv mindenki, megint lenne pár kérdésem ami a következő.
1 elektromos kerékpár aksiját cserélte az egyik ismerösöm azt a kérdést szegezte nekem hogy bene szeretné hagyni a régieket is mert még viszonylag jók és hogy hogyan lehetne öket összekötni mondtam neki h 2 külön pak ként 1 leválaszto kapcsoloval lehet csak problémás a tőltése mert mind a 2-öt külön külön kel tölteni. Nos ő ezt nem szeretné mert csak este tudná tőlteni és ehez felkéne neki kelni és átkapcsolni. A kérdés az lenne hogy köthető e ez a két aksi sor párhuzamosan 1 44V 1.8A tőltőre. A 2 aku pak 2 külőnbözö tipus teszek képet a rajzrol meg az akukrol is szerintetek meik a jobb és kivitelezhetőbb megoldás. Válaszotok előre is köszönöm.
Üdv Mesti
Mind a 3 Akku típusra 14.4V-15.0 Vig és 3.6 A max van írva . A 44V még ok de az 1.8 A kevés vagy töltési időt kell növelni ha párhuzamosan kötöd a pakkokat . Még más a 2 pakk belső ellenállása nem egyforma így célszerű diódákkal elválasztani . A dióda (-)-okat a töltő (+) sarújáról nyitóirányba az akku(pakk) (+) saruihoz kell kötni . A töltőn kell (+ 0.7 Volttal ) növelni a feszt a dióda miatt . Üdv
Nem fog problémát okozni a dióda az automatikus töltőnél?
Kőszőnőm válaszod. Akkor ha jol értem kősem össze a pakkokat párhuzamosan majd válaszam le 1 diodával a tőltőt? Vagy hogy érted mert ha ugy h a diodákal válaszam szét a 2 pakkot akor hogy nyerem ki az energiát ha a dioda tőltéskor nyit akor kivételnél zár vagy hogy érted esetleg 1 rajzot és dioda tipust tudnál adni lényeges lenne mert nem akarok marhaságot csinálni. Válaszod előre is köszönöm.
![]() Idézet: „Nem fog problémát okozni a dióda az automatikus töltőnél?” A hozzászólás módosítva: Nov 11, 2012
Üdv
Azért javaslom a diódát mert a rossz(abb) akku lemerítheti a jobb akkut (Pakkok) is . "Az automata töltő " na az nem veszi észre azaz + 0.7 vagy ha számítógép diódát használsz akkor 0.1 -- 0.3 V-al kevesebb megy a pakk saruira ,így tölt szorgalmasan míg ki nem húzod . a Germánium dióda pl 0.15 Volt , szelén ~0.25 V feszültségesést produkál . a töltőn lehet feszt állítani akkor pont annyi volttal fel kell húzni a feszt amennyit mutat a digitális műszer diódamérés állásában . Bocs de tegnap fáradt voltam . Üdv |
Bejelentkezés
Hirdetés |




Még kérdezném, hogy ha a négy eredeti akkura kettő másikat kötök párhuzamosan (diódával), akkor az segíthet-e a hatótáv növelésében, vagy ha eredetileg négy akku van, akkor azt mindenképpen négy másikkal kell kiegészíteni. Ez azért fontos, mert a csomagtartóba bele tudok tenni plusz kettőt, viszont ha négyre van szükség, akkor valami utánfutón kell elgondolkodnom.
















