Fórum témák
» Több friss téma |
Fórum » Indukciós hevítő készítése
Szerintem is felejtős a dolog. A fogtechnikai indukciós öntőgépek 3-5 kW, vagy afölötti teljesitményűek, és tapasztalat nélkül drágább lenne a házi kivitel mint a gyári.
Van, aki magnetront használ porkohászati célokra. De a mikrosütőben lévő magnetront is csak 2kW-ig lehet feltuningolni, az pedig kevés ehhez.
Egyébként még tudnék ajánlani egy megoldást. Nemrég csináltam szikraközös hevítőt, és működött is jól. A hatásfoka rosszabb, mint egy félvezetős megoldásé, de simán lehet építeni házilag 3 fázisú betáppal, aminek 5-10kW a teljesítménye. Ja, és gyakorlatilag tönkretehetetlen.
A szikraközös érdekelne, ha csak egy infó erejéig, akkor is. Már az 5 kW is elégségesnek tűnik, ha megosztanád a gyakorlati kivitelezést azt nagyon megköszönném.
Szükség van hozzá egy nagy teljesítményű nagyfesztápra. 5kW esetén mondjuk 10kW-ra. Ezt össze lehet hozni mikrosütő trafókból is, a lényeg, hogy a feszültségnek mindenképpen 4kV felett kell lennie (AC-ben). Ez után pedig egy tesla kört kell tenni. Ha folyamatosan akarod használni ezt, akkor szikraköznek érdemes valami thyratront, vagy trigatront keríteni, amiknek nagy az élettartama. Teszteléshez jó wolframelektródás forgó szikraköz is.
Fóliakondit is lehet hozzá házilag gyártani, de folyamatos üzem esetén ezt is hűteni kell. A jó az egészben, hogy semminek nem kritikus az értéke, szabadon lehet variálni, legfeljebb a rezonancia változik meg. Én leteszteltem 2 trafóval (tekerj 0:50-hez): Bővebben: Link Azt hozzá kell tenni, hogy szanaszét lógtak a kábelek, 2,2mm-es munkatekercset használtam, így aztán ott voltak rendesen veszteségek, és még így is elég szépen működött.
Lehet hogy berakok egy nagy feszültségváltót tápnak.
Bár olvastam a mikrosütő trafós leírásaidat, egy nagyobb trafóval könnyebb dolgozni mint sok kicsivel.... A videóban két mikró trafóval (1kW/db) hajtottad meg a Teslát, és egy nem túl nagy munkadarabot hevítettél. Ahogy láttam elég hamar felizzott, nálam a különbség annyi lesz hogy jóval nagyobb darabokat szeretnék hevíteni. Azon külön érdemes lenne elagyalni hogy például a 2x20kW-os gázégőm 1 Bar nyomással tudja ezt a teljesítményt, tehát nem sokat fogyaszt. Ahhoz képest 10kW tápteljesítmény nem tudom mennyire gazdaságos. Már ha elég a 10kW.....
Nem tudom, hogy mekkora teljesítményre lenne szükség.
30mm átmérőjű 150mm hosszú acél rúd hevítésére
elég 1-2 kg kovácsszén a jobb fajtából (15-25MJ/Kg).
Hát szerintem 10kW kéne azért hozzá. De ilyen nagyobb hevítőkkel nem foglalkoztam.
Tisztelt szakmaibeliek!
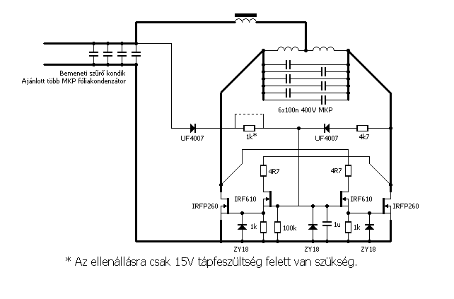
Előre kijelentem, hogy én nem hirtelen felindulásból szeretnék több kW-os olvasztó-hevítőt építeni a fiókban lévő alkatrészekből. Egy a 230V-os hálózatról működő indukciós hevítőt tervezgetek, méretezgetek. Ki szeretném kerülni a nagy leválasztótrafókat, vagy az igényes kapcsoló üzemű tápegységeket, mivel 1kW teljesítmény van kilátásban. Nem szeretnék külső frekvenciaállítást, se PLL-es szabályzást. Előbbi nagyon rosszul működik, ha módosul a tekercsbe helyezett anyag, az utóbbiról találtam ugyan szakirodalmat, de túl bonyolultnak ítélem meg, bár a könyv szerint az 1MW teljesítményűek PLL szabályozottak. Elgondolásom szerint egy önrezgő kapcsolás lenne célratörő. Kiindulásnak a középmegcsapolású tekercs, mint a Royer oszcillátor (Flyback driver) elvében. Úgy tudom, tisztelt fórumtagok használják ezen kapcsolás alapját sikerrel. (lsd. royer_indheat) Ugyan így működik Skori önrezgő tápja (lsd. rez_tap2) de mindegyikkel az a baj, hogy alapvetően <50Vdc feszültséggel hivatottak üzemelni. A kérdésem a tapasztaltabbak felé irányul. Lehet-e (Skori kapcsolási rajzát alapul véve) a munkatekercset (az N2 és N3-as jelölésnél), a félvezetőket (T1 T2 IGBT) és R1 leosztóellenállást úgy méretezni, hogy ez a kapcsolás 320VDC-ről működjön? (Esetleg R1-et ki lehet váltani egy áteresztő-tranzisztoros megoldással). Az én meglátásom, hogy a középmegcsapolású tekercset (N2+N3), közvetlen nem tudom munkatekercsként felhasználni, mivel: 1.61 szeres tápfeszültség mérhető a tekercs két végpontja között, ami érintésvédelmileg aggályos. Megoldás lehet-e egy teljesítmény ferrit mag, melynek szekunderét használnám munkatekercsként (így csak 2 kivezetés kéne, ami további előny) a tank kapacitással párhuzamban? Beáll így is rezonanciára, nem? Nem gond, ha változik N2+N3 és N1 induktivitások aránya? Egy vasdarabot tolva a tekercsbe, többszörösére nő az N1-es induktivitás. Aki ezt a Royer oszcillátor elrendezést építette meg, le tudná mérni a terhelésnél kialakuló, illetve terheletlen állapotban mért frekvenciát? (tankkapacitás megadása mellett) Köszönettel a segítő szakmai hozzászólásokért.
Köszönöm tanácsod Zolibá, de mindenképpen félvezetős lesz. Nincs egyetlen darab csövem sem, de nulla tapasztalatot a vákuumcsövek világában se sorolnám fel előnyként. Ráadásul egy pót IGBT-t könnyebben be tudok szerezni, mint egy esetleg már nem is gyártott pót-triódát, pentódát, akármit...
A jelenlegi elgondolás úgy néz ki, hogy marad az egyenirányított hálózati feszültség, csak és kizárólag a munkatekercs (noh meg persze a tank capacitás) lesz leválasztva egy jó nagy ferrit maggal. Idézet: „Nincs lehetetlen, csak tehetetlen.”
Szerintem a Royer_indheat.png jó kindulás lehetne. A középmegcsapolásos tekercs lehetne egy nagyobb ferrit mag (nem tudom kell-e légrés bele - de ezt majd a gyakorlat megmutatja). Erre kellene egy szekunder tekercs - amiről már a munkatekercs üzemelhetne. Ezt a trafót úgy kellene méretezni, hogy a frekvenciaváltozás (a terheléstől függően) ne okozhasson problémát.
A tápágban levő tekercset szintén egy nagyobb légréses-ferritmagra lenne érdemes megcsinálni. Persze kellenek legalább 1000V-os félvezetők, IGBT esetén nem árt ha olyan tipus amiben párhuzamos dióda is van. A kísérletek során a tápágba mindenképpen tennék valami áramkorlátot is (a tekercssel sorosan) pl. hősugárzót. A végleges verzióba pedig egy step-down szerű megoldást, tehát a szűrőelkók után egy fet, és egy dióda - majd rá a tekercsre... A tekercset átraknám a negatív ágba, így a step-down fetje is az alsó ágban lehetne, és úgy könnyen vezérlehető. Ezzel lehente egy jól működő áramkorlátot készíteni, és akár teljesítményszabályozást is meg lehetne valósítani. A meghajtó feteket is hűteni kell, a zener előtétellenállásait pedig jócskán megnövelni (1k és 4,7K). A rezonáns kondikat is legalább 1000V-ra kell méretezni, tehát valószinüleg soros-párhuzamos vegyes kapcsolás kell majd. Ha jól tévedek akkor a kondikon a meddő teljesítménynek a wattos terhelés nagyságrendjében kell lennie (kicsit felette).Kw-os teljesítményhez lehet, hogy további védelmet is kell majd beépíteni - célszerű lenne egy diódás áramkörrel figyelni, hogy a félvezetők maradékfeszültsége nem növekedett-e meg (mivel összenyitnak ezért egyszerű megoldani) és ha igen (pl. túlterhelés vagy leállt a rezgés) akkor lekapcsolna a védelem. Pl. ez is beleszólhatna a step-down működésébe.
Köszönöm a választ, megfontoltam a tanácsoltakat. Számolgattam, méreteztem, rendeltem ferritet (EC112/50) de a tank kondenzátor még álmatlan éjszakákat okoz. Van ez a Celem nevezetű cég, akik direkt indukciós hevítőkhöz gyártanak teljesítmény kondenzátorokat. Hűtőfelületes ill. vízhűtéseseket is. Viszont ezek marha drágák, nem tudom mivel lehetne kiváltani, vagy hol lehetne ilyet beszerezni (kértem árajánlatot, egy alap típus (15e Ft, de a szállítással, áfávaé és vámmal kb. 30eFt).
Lehetetlen elkészíteni házilag? Celofán dielektrikum és rézlemez fegyverzet, de hogyan tudom elérni az egyenletes távolságot köztük? Tudtok valamit tanácsolni ezzel kapcsolatban? Köszönettel!
Nem tekercselt kivitelt akarsz készíteni? Ott szerintem automatikusan egyforma lenne a hézag, mert feszitve kell föltekerni.
Ha síkkondenzátorban gondolkodsz, akkor talán a lapok elkészültével ki lehetne vákuumozni.
Helló!
Dielektrikumnak polietilén fóliát használj, 2,2 a dielektrikumos állandója és jó a nagyfrekire is. Szükséges felület síkkondenzátorhoz: A=m2, d=mm, C=nFJótanács: -teszkós alufólia ugyanúgy megteszi több rétegben fegyverzetnek -3m-nél hosszabbnak nem állj neki egyedül ![]() -a feltekercselt kondenzátornak 2-szer annyi a kapacitása, mint amit síkba számolsz -mezőgazdasági boltban lehet kapni, de lehetőleg tekercsbe vedd a fóliát, és olyan széleset, amilyen a kondihoz kell -több helyen tégy kivezetést a fegyverzetre. Itt van pár kép, a szétszedett több mint 10m hosszú, ezért síkkondenzátornak lesz megcsinálva.
Nagyfeszre másképp kell kondit készíteni, mint egy nagy disszipációval rendelkező indukciós hevítő primerköri kondiját.
Idézet: „Jótanács: -teszkós alufólia ugyanúgy megteszi több rétegben fegyverzetnek” Nem, ide egyáltalán nem jó alufólia, ide kizárólag vízhűtéses (vagy esetleg erős léghűtéses) fegyverzetek jók, amik képesek a dielektrikumban és a fegyverzetben keletkező hő teljes elvezetésére. A polietilén pedig elég gyorsan lágyul, azzal vigyázni kell ebben az esetben.
Szerintem nemkell túlzásokba sem esni. Egy olyan fóliakondi ami egy több kW-os átlagos teljesítményű tesla tekercsben tud üzemelni az hasonló külméretek mellett (persze nagyobb kapac - kisebb fesz) egy 1kW körüli teljesítményű indukviós hevítőbe is jó lehet.
Szerintem a hevítőhöz is lehet több soros-párhuzamos kondiból (MKP FKP MPP stb...) kialakítani a rezonáns kapacitást. Ha mondjuk teslát, vagy éppen rezonáns tápot lehet építeni ilyennekkel akkor jó eséllyel hevítőt is. Persze van különbség ezek között a kondi igénybevételében, de azért nem annyira egetverően nagy az eltérés.
Köszönöm lelkes utánajárásod, de osztom Collector véleményét. Számomra is teljesen alkalmatlannak tűnik az 1 század mm vastag alufólia fegyverzetnek, a feltekercselés meg egyenesen hülyeség. Épp ezért akarok készíteni, mert a tekercselt kondenzátorok nem képesek a hőt kivezetni a belsejükből, és még jelentős induktivitásuk is van.
Ilyesmit kéne alkalmazni, ez kifejezetten impulzusüzemre van, nagy áramokhoz. Sajnos ez se jön ki olcsóbban, mint a Celem cég kondenzátorai, ha összerakok belőlük 1-2µF-ot.
A vákumozás nem hülyeség, mivel nincs 10mm vastag rézlemezem, hogy egyenletesen szorítsa a dielektrikumrétegeket.
Viszont el tudnám képzelni, hogy kb. 100*100-as méretben felváltva dielektrikumot és rézlemezt (0.25-öst) pakolgatok egymásra kb. 16-22 rétegben, és a két külső fegyverzetet egy legalább 15mm vastag alulemezből készítem el, amit behajlás nélkül, szigetelten egymásnak tudok szorítani a 4 sarkán. Természetesen a belső rézlemezek közül minden másodikat összekötöm elektromosan, így párhuzamosítódnak a kapacitások. Ha valóban szükséges lenne, a két külső alutömböt lehet hűteni, de még akár vizet is átvezetni rajta... Megértem ekkold álláspontját is, de szerintem ez az egyik lényeges eleme a kapcsolásnak, minél nagyobb áram tud folyni, annál jobb a hevítés hatásfoka, és annál jobban lehet vele jól vezető anyagokat (pl. réz) is hevíteni (pl. lakkszigetelés eltávolítására).
Feltekerést valóban nem alkalmaztam volna,
Idézet: erre gondoltam én is, a rézlapokkal kivezetheted a hőt is a kondiból, ha pl. a dielektrikum vastagságának megfelelő alucsíkokkal "tömören" összekötöd a lemezeket és erre teszel egy nagy hűtőfelületet.„kb. 100*100-as méretben felváltva dielektrikumot és rézlemezt (0.25-öst) pakolgatok egymásra” ui: így szerintem jobb hűtést kapnál, mint a két külső alulemezzel Idézet: „Egy olyan fóliakondi ami egy több kW-os átlagos teljesítményű tesla tekercsben tud üzemelni az hasonló külméretek mellett (persze nagyobb kapac - kisebb fesz) egy 1kW körüli teljesítményű indukviós hevítőbe is jó lehet.” Hasonló az igénybevétel, de nem véletlenül használnak vízhűtéses kondikat indukciós hevítőhöz. Több kondiból kialakított bank nálam meglepő módon nem csökkentette az egyes kondik disszipációját. Ha többet kötöttem be, mindegyik melegedett.
Mégis mekkora kapacitásra lenne szükség?
Dielektrikumnak nem polietilénfóliát alkalmaznák, hanem a tekercselők által jól ismert hostaphan anyagot. Ezt lehet 0.04-0.06mm vastagságban kapni, hőálló, és nagy átütési szilárdságú. A fegyverzeteket legjobb lenne előre ráforrasztani, egy hűtőfelületként is szolgáló tömbre, és ezután összetolni a fésűszerűen álló lemezeket, a szigetelés közbeiktatásával. A gyakorlatba nem tudom mennyire kivitelezhető, ilyet még nem készitettem. Elképzelhető, hogy növeszteni kell még hozzá pár kezet... ![]() Kicsit továbbgondolva a dolgot a két tömb-be vályút marva, a fegyvet lemezeit beleállitva, az egészet egymenetben be lehet forrasztani, megfelelő mennyiségű ónfürdőt kialakitva.
Ha több kisebb kondit csinálsz, akkor azt biztosan jobban lehet hűteni mint egy nagyot...
Lehetne olyan felépítést is csinálni mint amit az FKP kondinál belinkeltél. A kivezetett rétegek lehetnek vékony rézlemezből, a közbenső rétegek lehetnek alufóliából vagy vékony alulemezből is. Ha a kész kondi veszteségét meg tudod mérni, akkor jól saccolható hogy mennyire fog melegedni.
Ha úgy késziti el, ahogy tanácsoltam, a közbenső lemezek hűtése is megoldott.
Köszönöm a hasznos tanácsokat, a beszerzési utakat járom. A kivitelezés egy formája a tanácsaitok és elgondolásaim alapján körvonalazódott, de a dielektrikum mibenléte még nem. Úgy szűröm le, hogy polyetilén, polypropilén fóliát nem érdemes használni, de mi a helyzet a papírral? Olajos papír?
Ez a hostaphan nem véletlenül ilyen "rózsaszín viaszos keménypapír" jellegű anyag? Van is belőle, de csak 20mm széles és 0.1mm vastag csíkokban, úgy tudom ennél csak keskenyebbet és vastagabbat árulnak. A ferrit magot megvettem, csatolok egy képet és egy adatlapot. Előzetes számításaim szerint nem ez fog teljesítménykorlátot állítani. Hasznos keresztmetszet 754mm^2, Al érték 7064nH/N^2. Úgy olvasom ki a diagrammból, hogy 200kHz üresjárati frekvenciára (=fmax) és <150mT indukcióra kell méretezni. Mit szóltok hozzá?>
Én a helyedben elvetném ezt a kapcsolási elrendezést.
Túl előnytelen, nagyfeszültségű kapcsolóeszközöket kell használni, a vezérlés nem is működne, stb... Bővebben: Link Félhidas elrendezést javasolnék inkább (ezt is lehet önrezgőre készíteni) A leválasztást pedig úgy lehetne megvalósítani, hogy az ezen az ábrán "matching inductor" néven szereplő tekercs helyére egy szórótrafó kerülne. Így a félhíd (a bemenet) és a kimenet el lenne választva galvanikusan. ui: Kondenzátor készítéshez mit szolnál a 0.5mm-es kétoldalas nyáklemezhez?
Szia Péter!
Mindenképpen önrezgő kapcsolás kell. Félhidas megoldás ilyen formában, mint pl. Skori tápjai, tehát egy meghatjótrafóval? Matching inductor és blocking capacitor alkalmazásával?
A hostaphan fólia átlátszó, némiképp a celofánra emlékeztető anyag. Nézz szét itt, egy mailt megér...
Igen, lehet úgy mint a Skory féle tápnál, meghajtótrafóval (vannak hátrányai).
De meglehet csinálni egy IR2110-el, meg egy áramváltóval is. (ajánlott )És akkor van állítható deadtime, belehet lőni ZVS-be is. Valamint tiltani is lehet az áramkört, ha túlmelegszik, vagy ha túláram lép fel (az áramváltón keresztül figyelni a félhíd áramát)). |
Bejelentkezés
Hirdetés |






akkor a kondikon a meddő teljesítménynek a wattos terhelés nagyságrendjében kell lennie (kicsit felette).
A=m2, d=mm, C=nF




)




