Fórum témák
» Több friss téma |
Sziasztok!
Azt szeretném megtudni hogyan lehetne egy 15 W-os vagy nagyobb fénycsövet villogásmentesen begyújtani! Gondolok én az energiatakarékos fénycsövek elektronikájára, ki is próbáltam de a fényerő lényegesen kisebb a hagyományosnál. Ha kell küldök képeket. Előre is köszönöm segítségeteket!
500 ft- egy elektromos fénycsőgyújtó egy villamossági boltban, és ráadásult a sima gyújtó helyére betehető!
Köszi, de Nyíregyházára több lenne a postaköltség mint a fénycsőgyújtó.
Nekem van 1 hasonló (gondolom én) kapcsolásom de nem működik. A Tomi20 által ajánlott oldalon pedig van jó kapcsi csak 1-2 dolgot nem értek.
(mi az az 1mH és mi az a PTC? ) Még amatőr vok. Köszi
Szia titkovics!
A Idézet: a tekercs induktivitása. „1mH” (Szerintem jobbanjársz ha készen megveszed!) A Idézet: : pozitív hőmérsékleti együtthatójú ellenállás.„PTC” (Pozitív! Tehát ha emelkedik a hőfok, növekszik az ellenállás értéke is.) Ez a Idézet: , annyira egyszerű, hogy szinte elsemlehet rontani! „IMG_0001.jpg” Minden alkatrész a megfelelő helyre került, lábaik OK? Milyen fénycsövet használsz?
Köszi Jani!
Miden láb a helyén van, de mikor beteszem a gyújtó helyére csak zúg (nem az elektronika hanem sztem a ftekercs), miután kivettem észrevettem hogy langyos volt az elktronika. Amúgy Tungsram 15 w-os fénycsövet használok (F15W/33 a típusszáma és "Cool White").
Hali!
Én szerintem ezt a kapcsit fogom megcsinálni. Elég egyszerű és szerintem működőképes is. Nektek mi a véleményetek? Úgyanolyan fényerővel fog világítani mint a hagyományos? (mert ez az elektronika 32 w-os fénycsőhöz való, de én csak 15 w-os fénycsövet működtetnék vele.) Köszönöm segítségeteket!
Én a IMG_0001.jpg-et ajánlom. Egyszerű, és mivel kevés alkatrészt tartalmaz nem nagyon romlik el.
Ez az osramos feleslegesen van túlbonyolítva! Az IMG_0001.jpg - snek kutya kötelessége mennie. A kapcsolás maga jó és működnie kell!
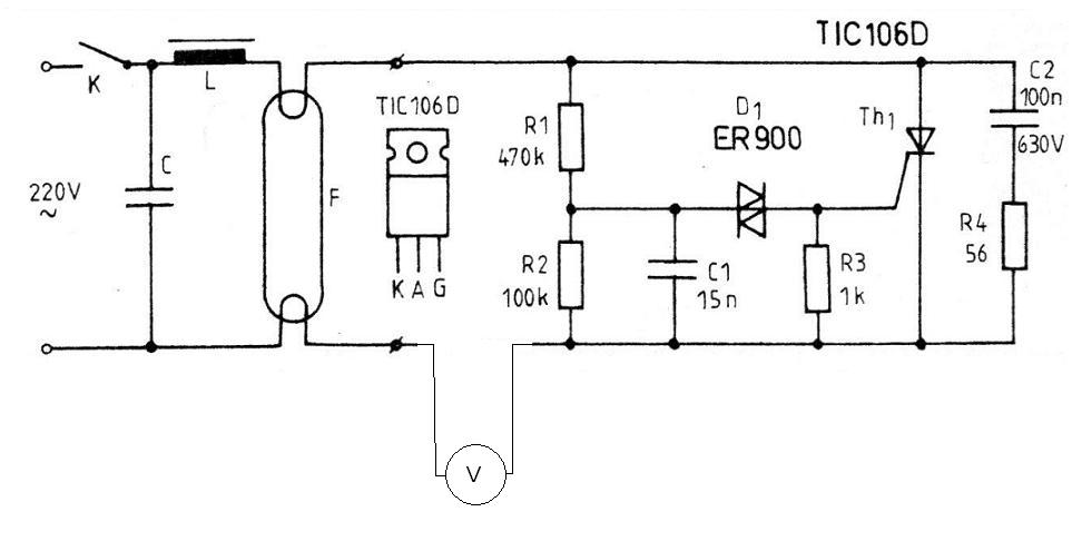
De én ezt már elkészítettem és még sem működik! lásd (#3476) hozzászólás! De megtennéd hogy bejelölöd a kapcs.jpg-n hogy a TIC106D tirisztornak melyik lába melyik (K, A, G)?
Megtaláltam a hibát! Egy pici ón volt a bibi. Most már begyújt, csak másik probléma jelentkezett! A folytó tekercs úgy melegszik mit a gép. Mi lehet vele? Mitől lehet ez? Pedig nem égett a neon csak 5 percig. Ilyen mellékhatás nem szerepel a leírásban!
Hát valamennyire melegednie kell! Nézd meg hogy sima gyújtóval is annyira melegszik-e. Nemhiszem hogy az elektromos gyújtó miatt, hisz az csak a bekapcsolás után max 1mp-ig működik. Utánna semmi feladata... Nem is üzemel akkor az áramkör.
Az elektronikával lényegesen jobban melegszik sajna. De üzemelni viszont üzemel mert ha nem működne akkor fel se gyulladna a fénycső. Bár lehet hogy tönkre ment benne vmi (és ez nekem gyanús), mert amikor korábban beletettem nem működött és utólag rájöttem hogy egy kis ón okozta a hibát. (lehet emiatt)
Valamennyire a fojtók melegszenek! Úgy, hogy azt kézzel alig lehet megérinteni (60-70ˇC)
Ha színesedik és füstöl a festék rajta az már nagy baj. De túlzott melegedést okozhat az is, ha a fénycsőhöz nem a hozzávaló fojtót alkalmazzák.
A hanyományos gyújtóval nem nagyon melegszik a fojtó, de szerintem az elektronikus gyújtó miatt melegszik. De Topi írta hogy ez nem működik csak a bekapcsolást követő max 1mp.-ig. Tehát elvileg jónak kellene lennie. Majd megmérem műszerrel hogy mi a helyzet. Mert szerintem így ha begyújtott a fénycső nem volna szabad áramnak átfolynia rajta, jó elektronika esetén! Tehát a műszernek nem kellene feszültséget kimutatnia! lásd kép!
A műszer ebben az elrendezésben
Idézet: , feszültséget fog mutatni. Hideg inaktív cső esetén kb: 220V körül. Begyújtott fénycső esetén kb: 60-80V. „mérés.JPG” Az elektronika a fénycsőfojtót az R1-R2 feszültségosztóval, valamint az R4-C2-vel terheli. Az R1-R2 értékét nem célszerű módosítani. De az R4-C2 értéke nem kritikus. Ez a soros RC tag a tirisztor könnyebb begyújtását és az RF zavarok szűrését valósítja meg. Gondot okozhat az (begyújtott fénycső esetén), hogy az R1-R2 feszültségosztók által leosztott feszültség meghaladja a DIAC (D1) billenési küszöbét. Ez főleg a színuszhullám csúcsainál fordulhat elő. (Sajnos ehhez a méréshez leginkább oszcilloszkóp kell. Ja és a fénycsövet a méréshez leválasztó transzformátoron keresztül kell a hálózatra kapcsolni!!!) Jólméretezett R1-R2 esetén az nemfordulhat elő, hogy az elektronikus gyújtó (begyújtott fénycső esetén) a színuszhullám tetelyénél ismét bekapcsoljon. De ennek talán oszcilloszkóp nélkülis legkönyeben utána lehet járni!:felkialtas: Csak egyszerűen el kell távolítani a kis gyújtó áramkört a világító fénycső áramköréből! Ha a fényereje a fénycsőnek felerősödik, akkor a hiba a gyújtó áramkörben van. Következő lépés a tirisztor eltávolítása az áramkörből, és a panel visszahelyezése a kapcsolásba. Ezt a műveletet begyújtott fénycsővel kell elvégezni, különben Th1 nélkül nem fog gyújtani. (Próbák idejére célszerű letet egy nyomógombot bekötni a megfelelő helyre... A nyomógombot szigetelő dobozba kell beépíteni.)
Én nem azt mondtam, hogy nem folyik rajta áram, csak nem üzemel = nincs szerepe a fénycső további működésében.
Amit _JANI_ írt (#3522) az nagyon jó trükk hogy kiderítsd mi a baja. Érdemes szerintem kipróbálnod.
Köszöm segítségeteket Topi, Jani és Tomi20.
Végre sikerült megoldanom a problémát! A tirisztort kicseréltem és most már kiválóan működik! Mivel hálálhatnám meg segítségeteket? Köszönöm mégegyszer!
Csak érdekességképpen: Nekem két 18 W-os fénycsövet (külön armatúrában) gyújt be egy-egy elektronikus gyújtó (amit Topi ajánlott az elején) és holt egyszerre, a bekapcsolás után 2,5-3mp idő után gyújt be a két cső. Nem pislákol, bitang jó. És szerintem örök élet.
Kedves Damatic!
Elhiszem! De milyen üzletben vetted? Most már kíváncsi vok rá! Elektronikai boltban vagy villamosságiban? Honlapja nincs a boltnak? Vagy erről a gyújtóról nincs leírás vagy kép?
láttam a kapcsolást hogy 12v-ról lehett működtetni egy neoncsövet
a kérdésem az lenne hogy most milyen méretű neoncső kell hozzá?
hány vattosat egy 40 wattos neoncsövet nemhiszem hogy megvillantatna
Idézet: „láttam a kapcsolást hogy 12v-ról lehett működtetni egy neoncsövet” Rajzot, vagy linket mellékej légyszi. :worship: Köszö Idézet: ! „net”
Hali! Tudnál pontosabb paramétereket adni az inv. trafóról, bemeneti; kimeneti ellenállás vagy menetszám...?
Köszi... Igy már könyebb.
Szertintem a trafó Lehet 230V / 2*6V (12V) paneltranzformátor.
Az inverter trafó helyett lehet turbózni egy motor gyújtó trafóval?
A motor gyujtó trafó 12voltból kiló voltokat csinál.Világítani nem fog,a cső vele hanem ívkisülni.
|
Bejelentkezés
Hirdetés |








