Fórum témák
» Több friss téma |
Becsomagoltam zipbe amit eddig találtam neten.Szerintem érdemes megcsinálni valameiket.
Főleg azok egyikét melyhez síma 12/220 as trafó kell az egyszerü.Majd én is ha lesz időm.Addig is kíváncsi vagyok a próbálkozásokra. A jeligénk legyen:Segítsünk egymásnak!!
Egy kis oktatás: A 230- as fénycsövek esetén található egy gyújtópatron és egy nagy menetszámú
nagy öninduktivitású fojtó tekercs. A fénycsőben van két izzószál, 230- ról csak elkezdenek ezek izzani, majd a gyújtó elkezdi szaggatni a feszültséget, így a gyors áramingadozás miatt a tekercsben nagy feszültség önindukálódik és a fénycső végei között fellépő magas feszültség miatt a benne lévő gáz ionizálódik és elkezd benne futkárosni az elektron és a futkárosó elektronok a gáz atomjait gerjesztik és azok fotont bocsátanak ki és ezt látjuk. Miután beindult ez a folyamat már nem fog szaggatni a patron és fűtőszálak termikus emisszióval fenntartják a vezetést.
Sziasztok!
Az volna a kérdésem hogy az oldalon található kapcsolásnál hogy lehetne megoldani azt hogy a neonnak Ne lehessen szabályozni a fényerejét, tehát mindíg maximális fényerővel világítson! Gondolom a poti helyére kell betenni egy ellenállást na de annak mekkora legyen az értéke?
Az nemjó, hogy beteszed a trimmert és nem csavargatod?
De szerintem, ha a középállást választod akkor 10K/2=4,7K...
Kösz! De hogy én mekkora ökör vagyok! hogy ez miért nem jutott eszembe! nem értem magam
Kösz mégegyszer!
Világos. És vannak valami paraméterei ezeknek a gyújtóknak / trafóknak ? Pl. terhelhetőség (mármint hogy hány W lehet a teljesítmény...
Nekem szintén fénycsöves problémám van: egy nagyon régi scannerből kibányásztam a tápot és a fénycsövet, ami régen működött együtt, de mostmár valamiért nem akar. A lényeg, hogy bekapcsolás után folyamatos sziszegő hang hallható a tápból. Lehet, hogy valamit nem jól kötöttem be?
valószínű hogy nagyfesz-el hjtja meg a csövet és lehet hogy áthúz valahol az ív vagy egyszerűen nincs összeköttetés a fénycsővel és a szabadba távoznak az elektronok.
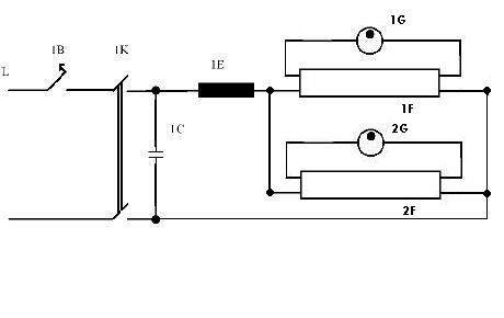
Még egy fénycsővel kapcsolatos kérdés
: hogyan kell két fénycsövet egy folytóra kötni? Azt tudom hogy egyet hogy kell(lásd mellékelt móricka rajz) , de a kettőt már nem tudom sajna, annyit még tudok hogy két gyújtó patron is kell hozzá.
Szia!
Így kell! (a szobámban a szekrény tetején így van 2 -2 darab sorbakötve) (És bocsi hogy belepiszkáltam a rajzodba)
Ja! És ilyenkor mondjuk 2 darab 20w-oshoz 40W-os előtét kell
Szuper! Köszi szépen. Az előtét az 1*40W-os vagy 2*20W-os fénycsőhöz jó azt is tudtam:yes: csak a bekötést nem
Bocs a helyesírási hibáért
Nem tudok 2 fénycsövet bekötni :no:
Segítsetek légyszi. Van 2 db vezetékem egy trafórol a fénycsőnek, van 4 csatlakozási pontja. Akárhogy is kötöm őket, nem akar a 2 db egyszerre világítani! SEGÍTSÉG szíjel vág az ideg.
Pedig a fojtón rajta van a kapcsolási séma!
Vegyük az első csatlakozási pontot. Ez legyen a fázis. Ezt és csak ezt bekötöd a fojtó egyik kivezetésébe. A fojtó másik kivezetése a fénycsőfoglalat egyik pontjába fog csatlakozni. Ugyanennek a foglalatnak a másik csatlakozópontját a fénycsőgyújtófoglalat egyik pontjába megy. A fénycsőgyújtófoglalat másik csatlakozását a fénycső másik végére csatlakozó foglalatba kell bekötni. Ugyanennek a foglalatnak a másik csatlakozópontját a lesz a nulla bekötve. De eddig te is eljutottál. Ez egy sima soros kapcsolás PLD egy 36-40W-os fénycső bekötésére. De bármelyik egycsöves kapcsolásra is jó! A kétcsöves kacsolás, pl. a 2*20W-osnál a két csővet ÉS A SZERELVÉNYEIKET sorosan kell bekötni. Fázis _ -> Fojtó -> _ Foglalat -> Gyújtó -> Foglalat _ -> _ Foglalat -> Gyújtó -> Foglalat _ -> _Nulla Így működnie kell. Ja a fojtóval csak a névleges teljesítményű fénycső köthető sorba! Különben nem lesz stabil a végeredmény !
És néhány kép a jobb szemléltetésre...
A harmadik képhez egy megjegyzés: Ezt a kapcsolást ott akalmazzák ahol feltétlenül szükséges a világítás, pl kozházakban. Ennél mindíg a gyorsabb (fittebb) cső fog begyújtani.
Amúgy hármat is lehet sorbakötni (elvileg akárhányat), csak itt már nem használható a hagyományos - bimetallos glimm - gyújtó. Én a régi nyákfilm-ragasztó világító ládámat 3db 15W-os F-csővel és 40W-os fojtóval oldottam meg, relés gyújtással - ami még a nyugalmi érintkezőivel rövidre zárja üzem közben a fűtőszálakat (egyenként). 25 éve volt, ma is megy és nem fekete egy csővég sem...
Gratula a 25évhez! :eljen:
Egyébként ez a relés 5-let tényleg jó bolog! :yes: Csak néhén szász fénycsőazmatúránál nehezen kivitelezhető. Pl rakár vagy csanok kivilágításnál. ![]() Bár othon biztosan nem fogok enyit használni (egyszerre).
Sziasztok!
A IMG_0001.jpg előtétnél a fénycső szélei nem lesz fekete egy idő után? Mennyi ideig tud vele működni a fénycső? Mekkora a teljesítményfelvétele, ha 18W-os fénycsőhöz szeretném használni, egyáltalán lehet hozzá használni? A diac-ot hogyan kell bekötni, van kitüntetett lába(diac-kal még nem volt dolgom.). Köszi!
Olvasd el szorgamasan, az elejétől fogva az egészet. Sokmindent meg fogsz tudni... :nezze:
Ha olvastad akkor nemszóltam. :zavart1: :wink: A DIAC-nak nincs kitüntetett lába. Bárhogy beforraszthatod!:dumcsi:
Égyébként, hogy oldottad meg a relé vezérlését? Nemkellet időzítőt alkalmaznod? (
)
Ok a címét az irománynak nem néztem meg (Elektronikus fénycsőgyújtó). Szóval nekem olyan kapcsolás kéne, ami elektronikus előtét fénycsövekhez.
http://www.skory.gylcomp.hu/fenycso/fenycso.html ezt ismerem. Esetleg van még más oldal is komplett kapcsolásokkal?
Amit belinkeltél azon elég jó(nak tűnő) kapcsolások vannak. Nics benne kedvedrevaló?
Hali!
De van, persze, hogy van. Csak nekem a soros rezgőkörökkel van problémám, vagyis inkább a teki tekercselésével. Na meg a többi tekercseléssel. Még sohasem tekercseltem, itt meg nem nagyon akarok játszadozni 2kV-tal. Olyan kapcsolásra gondoltam, hogy csak gyári alkatrészekből állna az egész kapcsolás, még a tekercsek is.
Hi!
Valahol láttam neten, hogy 20W-os fénycsövet lehet működtetni rossz energiatakarékos izzó elektronikájával. VAlahány wattot meg is lehet spórolni asszem, meg eleve egyszerűbb NEm tom merre láttam Valami akvarista házibarkács oldalon Ha valaki látta mutassa meg pls vagy ért hozzá magyarázza el, mert érdekelne THX: ---ZoLee---
Amúgy én nem szoktam kihajigálni a rosz kompakt fénycsöveket, max az üveg részét. Az elektronika felhasználható kisebb hagyományos fénycső meghajtására. Meg egy-két érdekesebb alkatrész is van benne. (A sok ember meg nem is tudja miket dob ki vagy visz a gyűjtőhelyre
)
Jó alkatrészbánya. Van benne FET, nagyfesz kondi, tekercsek, minden... A baj viszont az, hogy az olcsóbb kompakt fénycsöveknek előbb szokott elhalálozni az elektronikájuk, mint a cső.
Mekkora pénz lehet ennek az újrahasznosításában! Ingyen a gyűjtőbe hordja a nép az alapanyagot...
Üdv.
Magyarországon tud valaki helyet, ahol lehet kapni elektronikus gyujtot fojtós üzemhez? Mert én itt kint Svédországban vettem, 4-22W-hoz jó, elektronikus, azonnal gyújt, 500Ft volt átszámolva.. Csak jó lenne összehasonlítani, megéri-e ennyiért. üdv.
Ennek a topicnak az első oldalán olvastam hogy lehet kapni. Gondolom valamilyen világítástechnikai vagy villamossági boltban. De építhetsz is, szintén az első oldalon van hozzá rajz...
Most látom, h nem válaszoltam...
Igen, kellett időzítő, amit egyszerűen oldottam meg: két db 48VDC relé van sorbakötve, és ezekkel sorba egy 10 vagy 22µF-os kondi, amivel van egy kisütő 1Megás paralel. Persze egyenirányító is van. Amíg a kondi töltődik, (1-sec) addig húznak a relék és a munkaérintkezők zárnak a gyújtók helyett. Aztán amikor elejtenek, - a nyugalmi kontaktusok úgyis ott voltak - rövidre zárják oldalanként a fűtőszálakat. Így - ha benézek oldalról - jól látható, h középen izzik, nem az egyik vége (amiért régen a gondos karbantartók két-három havonta forgatták a csöveket).
Köszönöm!
Ez így tényleg egyszerű! Bár az fűtőszál rövidzárásáról nincs sok tapasztalatom, de logikusan utánnagondolva lehet benne valami. S ha már ottvan a bontó-kontaktus akkor miért ne üzemeljenek. Köszönöm, h. megosztottad velünk a kapcsolásod. |
Bejelentkezés
Hirdetés |




: hogyan kell két fénycsövet egy folytóra kötni? Azt tudom hogy egyet hogy kell(lásd mellékelt móricka rajz)
, de a kettőt már nem tudom sajna, annyit még tudok hogy két gyújtó patron is kell hozzá. 

Bocs a helyesírási hibáért
!



)
)





