Fórum témák

» Több friss téma
Fórum » Beszólóka szélessávú FM rádió adó
Lapozás: OK   3 / 4
(#) elektrojános hozzászólása Nov 25, 2009 /
 
Helló mindenki,még régen építettem BA1404-es IC-vel egy sztereó FM-adó áramkört.DE 38Khz-es rezgőkvarc kellene bele.Tehát a gondom az,hogy már midenhol kerestem de nem találtam vagyis 1 helyen mégis a H.e.store-ban de nem fogok rendelni mert ezért az apró dologért is legalább egy 1000-est elkérnek postadíjnak.Tehát hogy tudnék csinálni valamilyen osztóáramkört 37Khz-re?Szereztem már egy IC-t hozzá,ami jó lehet.
(#) elektrojános hozzászólása Nov 25, 2009 /
 
Bocs 38Khz.
(#) Novak válasza elektrojános hozzászólására (») Nov 25, 2009 /
 
http://www.radiotechnika.hu/kvarcok.htm
Itt 200 Ft, viszont a posta is csak 2-3 száz Ft, olcsóbban kijössz.
(#) elektrojános válasza Novak hozzászólására (») Nov 25, 2009 /
 
Nagyon szépen köszönöm.
(#) elektrojános hozzászólása Dec 2, 2009 /
 
Helló,hogy kellene rendelni?Bővebben: Link
(#) Novak válasza elektrojános hozzászólására (») Dec 2, 2009 /
 
Az oldal felső részén ott van: RENDELÉS: rendeles@...
Írsz egy e-mailt, hogy miből mennyit szeretnél, és hogy postai úton szeretnél hozzájutni az alkatrészekhez. Meg a végére értelemszerűen odaírod a nevet/címet, ahová küldhetik.
(#) Paradoxifilix hozzászólása Jún 5, 2010 /
 
sziasztok!
Érdekes egy fórumot nyitottatok, sokmindenben elgondolkodtató!
Én is építettem már ezt azt, köztük Fm adót is. Nagyo egyszerűen az alkatrészeket fel pillanatragasztóztam egy CD tok-ra és csak ugy a levegőben lólgó alkatrészlábakat összeillesztettem.
A varázsa az volt, hogysemmiféle árnyékolást nem készítettem,de viszont egy kis áramköri változtatások is kelledtek!
A hiperkókány RF adó vége egy 2n3553 véghajtással pirickált--->> plussz egy kis oszcillátor, ez-az.. szóval 4 tranyóból készül..
a T1 tipusa bf115 -de sajnos nem volt kéznél így egy régi CB rádióból kiszabadítottam egy bf215 tipust.
és a 2 darab 2n2219A előhajtás is készen ált, és jöhetett rá a végfok.. a NAGY 2n3553 ami előtt volt még egy 2n3559 volt azt hiszem Régvolt talán igaz sem volt...
Na de a lényeg. A vég tranyó ahogy egy picike kerámia kondin kapta a szuflát hát én kihagytam az oszcillátort..
Annak csak negatívot adtam. a mikrofon pozitív oldalát ráeröszakoltam még egy 10 nf kondival az oszcillátor kimenetére(ott tudtam egy kicsit erősiteni, hogy változtattam a kondi értékét) és röktön rávetitettem a "félig bekötöt"meghajtó és a meghajtott részek közé a mikrofonomat de hát mit is mondhatnék erről többet.. én kb 5 szál rézkábelböl(kb 60cm hosszú) elbeszéltem vele a kocsiból 1-1,5 km távolságba.. esetleg képet tudok felrakni ha valakit érdekel..
(#) Paradoxifilix hozzászólása Jún 5, 2010 /
 
ja amugy használtam autóba.. és minden sávot beszort szivattam minden "nagyon jó "sofört én is.
(#) rockersrac válasza Paradoxifilix hozzászólására (») Jún 5, 2010 /
 
Engem érdekel a dolog!
(#) zolika60 válasza Paradoxifilix hozzászólására (») Jún 5, 2010 /
 
Szívesen megnézném én is.
(#) Szebence válasza Paradoxifilix hozzászólására (») Jún 5, 2010 /
 
Kíváncsiságból én is megnézném
(#) Paradoxifilix hozzászólása Jún 6, 2010 /
 
még fényképet nem tudtam készíteni, de mindent megoldok csak az infra portom nincs ithon
de van itt egy link ITT
itt van az alap kapcsi rajz.. a változtatásokat egy kapcsirajzban megmutatom, amit ha lesz egy kis időm megcsinálok
(#) walter hozzászólása Jún 6, 2010 /
 
Üdv mindenkinek!
Tetszik a téma, szerintem is sok a b. rom" nagy menő".
Mi a véleményetek, lenne egy alap LC oszcillátor kapacitás diódával ezt modulálná a kondenzátor mikrofon jele, eddig már olvastam leírásaitokat van fen ilyen áramkör. Ez az oszcillátor 40Mhz-en rezegne azután egy TTL LS( gyors) NAND kapura menne a jel a TTL kimenete négyszög jel rengeteg felharmonikussal,( így a második már az URH sávba lenne). A TTL kimenete C-osztályban működtetne egy nagyfrekvenciás teljesítmény tranzisztort aminek a kollektorában nem tekercs hanem ellenállás lenne a max teljesítményhez méretezve. És a kollektorról lenne kivezetve az antenna.
De minden B.rom rádiózik?
(#) jokerkiller hozzászólása Jún 9, 2010 /
 
Hali mindenkinek! az első oldalon megtaláltam azt a rém egyszerű kapcsolást, csak egy a bajom....mi az a kristálymikrofon? (egyik hsz.-ben írták hogy nemjó sima elect. mikrofon hanem kristálymikrofon kell hozzá.....na ennyi lenne légyszi gyors választ!!! Előre is köszi!
(#) EcoPityu válasza jokerkiller hozzászólására (») Jún 9, 2010 /
 
Szia!
Utána írtuk is, hogy a piezo mic-hangszóró az!

Bár nekem nem működött...
(#) jokerkiller hozzászólása Jún 9, 2010 /
 
nem működött? huh... a fene esetleg nem tud valaki felrakni egy olyan tervet ami hát............. jó, olyan nincs hogy 100%-ig biztos, de mondjuk 99%ban biztos hogy működikik?
(#) Novak válasza jokerkiller hozzászólására (») Jún 9, 2010 /
 
Ha használható FM mikrofont keresel, akkor ajánlom a KERESŐt. Példának mondjuk az "FM adó kapcsolások, kérdések", van ott jópár rajz, fénykép, olyan kapcsolásokról amit már többen megépítettek, és kiválóan működik.
Egyébként a 7413-as IC-re épülő kapcsolást már én is megépítettem, működik rendesen. Az egy másik kérdés hogy gyakorlatilag semmire sem használható a minősége miatt. De működik, sugároz.
(#) walter válasza jokerkiller hozzászólására (») Jún 9, 2010 /
 
Szia!
Úgy látom nincs senki,akit érdekelne a dolog.
Szerintem elírás lehet a kristály mikrofon, legalábbis nem hallottam róla,de szerintem az az áramkör nem jó.

Legyen igazad.. köb..
(#) walter válasza Novak hozzászólására (») Jún 9, 2010 /
 
Illetve helyesbítenék, lehet,hogy a piezó kristályra gondolnak, az nyomás, hajlítás mechanikai hatásra feszültséget állít elő, hasonlóan, mint a lemezjátszókban lévő piezó hangszedők. Úgy tudon az kapacitív jellegű, de az áramkör "sántít"
(#) walter válasza (Felhasználó 13571) hozzászólására (») Jún 11, 2010 /
 
Igen egyezik a véleményünk, többek között ezért írtam az áramkör sántít, mármint a 74ls13-ic vel rajzolt.
Az elképzelésem leírtam, szerintem működik.
(#) walter válasza (Felhasználó 13571) hozzászólására (») Jún 11, 2010 /
 
(#728395) Ha van időd ezt kipróbálhatnád, sajna nekem nincs.(egyébként -BÉKE-)
(#) walter válasza (Felhasználó 13571) hozzászólására (») Jún 11, 2010 /
 
Érdekelne a rajz, ha meglesz.
Valami széles sávú adó lesz, alacsony frekvenciás impulzus sorozatot adsz moduláló jelnek?
"Túl sok a zajongó őrült."
(#) jokerkiller hozzászólása Jún 12, 2010 /
 
nem azért de valaki feltöltene egy működő rajzot? please!
előre is köszi
(#) karpi válasza Novak hozzászólására (») Jún 13, 2010 /
 
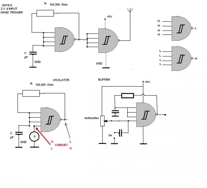
DUAL 4-INPUT NAND GATES SCHMITT-TRIGGER INPUTS

SN 7413 10 MHZ valogatva 30-50Mhz
SN 7413 H (GYORS) max. 30-50MHz
SN74HC13 (KISFOGYASZTASU ES GYORS )
SN 74LS13 (KIS FOGYASZTASU )

QUAD 2-INPUT POSITIVE-"AND"GATES WITH SCHMITT-TRIGGER INPUTS

SN74HC132,
SN74LS2
SN74132
Ez is jo a kapu egyik bemenetet a kondenzator koszcilator korre a masik bemenetre a mikrofon lesz kapcsolva.

A kapcsolasban a mikrofon altal adott jel billenti at a triggert ,tehat el kell erje a billenesi feszultseget .Itt elofeszitessel lehetne beallitani az optimalis pontot.
A rajzon tttem egy lehetseges megoldast .

Csak mikor minden bemenet logikus 1-en van akkor billen at a kimenet logikus nullara.A kimenet nullajara kisul az ellenallason keresztul a kondenzator igy 3 rakotott bemenet logikus nulla lessz majd a negyedik
bemenet majd mikor a mikrofontol kap egy nullat az aramkor kimenetet logikus 1-re billenti .Az ellenallason keresztul a kondenzator feltoltofik es a harom hozza kotot bemenet logikus 1-lessz most megent a mikrofontol "varjuk" a logikus 1-et ami megent nullara billenti a kimenetet...es igy tovabb korbe korbe ..

A kondenzator toltesi /kisutesi ideje az ellenallason keresztul es a kapu billenesi sebessege(7-22 ns tipustol fuggoen mindenesetre valogatni kell ) adja meg a maximalis
elerheto frekvenciat

A kimeneten negyszogjel van ennek rengeteg felharmonikusa van .
(#) walter válasza karpi hozzászólására (») Jún 14, 2010 /
 
Szia!
Mennyire érthető a hang?
Amíg a magas szintet eléri a mikrofon jele addig vág gondolom. Tudom nem a HIFI a cél, csak az érdekelne érthető-e a hang.
Kösz.
(#) 256kb válasza EcoPityu hozzászólására (») Jún 20, 2010 /
 
Egy 74LS13 IC-ből egy egyszerű vezetéknélküli mikrofon (FM, max.:100Mhz) is készíthető! Megcsináltam, nagyon jól működik.

74LS13.gif
    
(#) kormoran válasza 256kb hozzászólására (») Jún 27, 2010 /
 
Az ,,xtal mike" milyen mikrofont jelent?
Hány méter volt a hatótávolsága?
A frekvenciát a forgókondenzátorral állítottad?
(#) zitzaki hozzászólása Aug 23, 2010 /
 
Sziasztok!
Van nekem itthon 2 vezeték nélküli mikrofon panelja az lenne a kérdésem át lehetne alaktan úgy hogy FM sávra sugározzon hogy egyszerű rádióval is lehessen venni mert az eredeti vevőegység elveszett. (A miki márkája Faioe dm-306)
A válaszokat előre is köszi!
(#) Medve válasza zitzaki hozzászólására (») Aug 24, 2010 /
 
Hello, tudtommal 75MHz-en működik, ha nem kerámiaszűrőkkel építették, akkor valószínűleg könnyen át lehet hangolni.
(#) sevenup hozzászólása Jan 12, 2011 /
 
helló mkinek. a MAXON P100 urh adovevö kapcsolási rajzát keresem.ha valaki tudja ho honnan tudum letölteni meg köszönném!
Következő: »»   3 / 4
Bejelentkezés

Belépés

Hirdetés
XDT.hu
Az oldalon sütiket használunk a helyes működéshez. Bővebb információt az adatvédelmi szabályzatban olvashatsz. Megértettem