Fórum témák

» Több friss téma
Fórum » Beszólóka szélessávú FM rádió adó
Lapozás: OK   4 / 4
(#) marci1 hozzászólása Nov 1, 2014 /
 
Sziasztok!
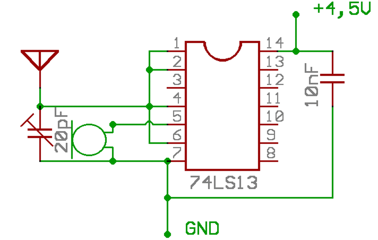
Megépítettem ezt a kapcsolási rajzot,csak 4-40 pF-os trimmerkondival,és 3.5-ös jack aljzattal.Semmit se csinál ,van stabil 5 voltja és meg se nyikkan.Mi lehet a gond?
Válaszokat előre is köszönöm!(már ha egyáltalán valaki olvassa ezt a topicot )

osc.gif
    
(#) EcoPityu válasza marci1 hozzászólására (») Nov 3, 2014 /
 
Szia!
Én is összedobtam annó!
Nekem sem működött! Ne aggódj, nem a te készülékedben van a hiba!
A témát is én indítottam, sok próbálkozás után, félbe is maradt!

De nem adtam fel ám!

Ecopityu
(#) attika válasza EcoPityu hozzászólására (») Máj 10, 2015 / 1
 
Szia!
Sikerült ebből a projektből kihozni valamit?
Elég rég óta áll ahhoz,hogy megszülessen valami
(#) Ninoo válasza Paradoxifilix hozzászólására (») Szept 13, 2015 /
 
Sziasztok!
Paradoxifilix a linked már nem elérhető. Feltennéd még egyszer? Plusz a változtatásokat is, mert az elmaradt. Köszi
A hozzászólás módosítva: Szept 13, 2015
(#) zolika60 válasza Ninoo hozzászólására (») Szept 14, 2015 /
 
A kolléga lassan öt éve nem volt fent az oldalon.
(#) Ninoo válasza zolika60 hozzászólására (») Szept 14, 2015 /
 
Esetleg valakinek megvan az a rajz a linkből?
Következő: »»   4 / 4
Bejelentkezés

Belépés

Hirdetés
XDT.hu
Az oldalon sütiket használunk a helyes működéshez. Bővebb információt az adatvédelmi szabályzatban olvashatsz. Megértettem