Fórum témák
» Több friss téma |
Sziasztok!!! nemreg talaltam egy nagyon erdekes kapcsolast, egy inteligens relet... amelynek a szive egy Pic 16F628-as es RS232-on komunikal a szamitogeppel.A szukseges szoftwert is letoltottem es felinstalalva nagyszeruen mukodott, vagyis a szamitogep bekapcsolasakor bekapcsolta az erositot, es kikapcsolaskor szinten kikapcsolta...tehat nem fajt a fejem h ugy marad neha....Emelett szamos funkcioval rendelkezett a szoftwer, timer-kent lehetett hasznalni meg minden. Ez mind szep meg jo, de leegett az alaplapom s ki kellett csereljem....es miutan ez megtortent tobbet nem mukodik az egyseg....
az alaplap amit kicsereltem valamivel ujjabb volt mint a jelenlegi, de ezen is jo a com-port s megis semmi........szerintetek mi lehet a gond ?
Kellet oprendszert újjratenni? Mert ha igen, és winXP van most a gépen, akkor az valószínüleg letiltja a közvetlen porthozzáférést.
Valahonan le lehet tölteni egy dll-t ami áthidalja ezt a problémát, de nem tudom a webcímet. Asszem IO.DLL a fájlnév.
hat az operacios rendszer volt mar ujrateve, meg a regi alaplapnal is , es a szoft telepitese utan mukodott....de miutan kicsereltem az alaplapot semmifele keppen nem akarja felismerni.........
Lehet hogy más programmal mászott fel a DLL gépre. Pl. az ICporg picprogramozó is rak fel valami ilyesmit. Más tippem nincs. Új alaplapnál a hardveres hiba szinte teljesen kizárható. Max. kábel/kontakthiba lehetséges, de sztem ez se nagyon valószínű. Valami szoftveres hiba lesz szerintem.
Idézet: „Ez mind szep meg jo, de leegett az alaplapom” Nem lehet ez a hiba forrása? Leégett akkor lehet hogy a soros porti része megsérült az áramkörnek... Kapd szét az áramkört, és nézd meg hogy soros jelet megkapja-e egyáltalán.
Gondoltam erre, de nem hiszem, mert zárlatvédett a prot (legalábbis annak kell lennie)
Oké, hogy zárlat védett, de nem jőtt tőbb ki ott ahhol nem kéne? Esetleg egy bemenet helyén kijőtt a delej...
és akkor tud érdekes dolgokat csinálni
hat az szinte kizart h a rele is leegett volna amikor az alaplap kimult, mert diretkt vigyaztam erre es a komunikacio a ketto kozott opto csatolassal jon letre, amugy pedig a masodik alaplap nem uj, mert sajnos csak hasznaltat talaltam...ugyh csak feltetelezem h a soros port jo.... amugy hogyan tudnam legegyszerubben ezt kiprobalni??h biztosan meggyozodjem?
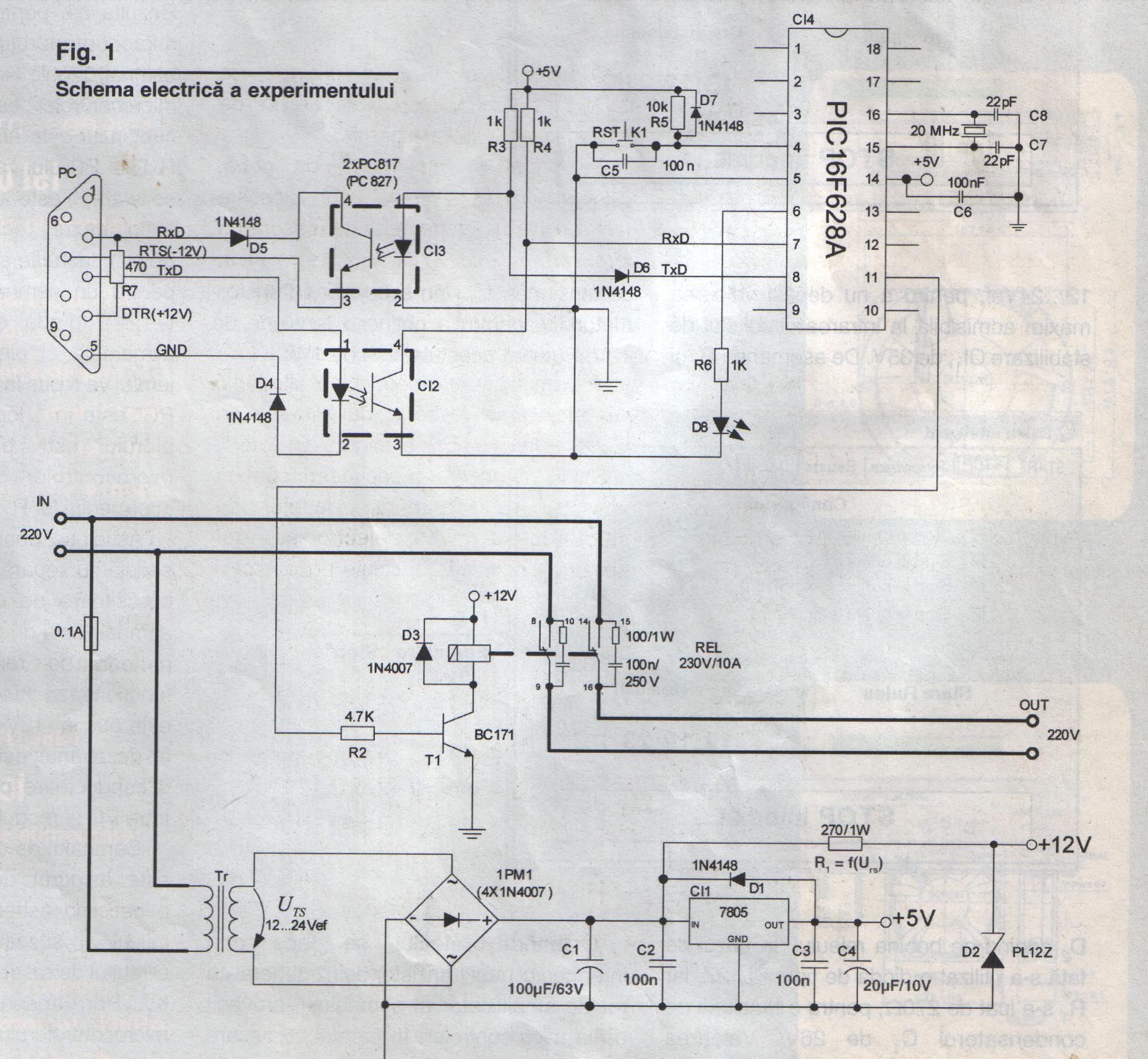
Ugyan nem ismerem a kapcsolást, de a PIC és a sorosport között kell lenni valami szintillesztésnek. Mostanság általában valami ...232 nevű IC-t használnak. A hibajelenség alapján rákerűlhetett a 24V, ami nem biztos, hogy jót tett. Szerintem ezt kellene megnézni. Ráadást statikusan vizsgálható ami nagy elöny.
Én csak arra lennék kiváncsi, hogy a C12 otocsatoló ledjének mi korlátozza az áramát?
Szerintem ez az opto csatoló lehet a ludas...
oke , az optocsatolo le ellenorizve...az mukodik. kulonben is amikor az alaplapom leegett a rele nem volt csatlakoztatva...
Menj el valakihez a relével és próbáld ki! Ha minden ok, akkor lehet keresgélni másfele. Az adatátviteli sebesség rendben van? Mert ha nem, az épp elegendő hibaforrás. Mi is sokat kínlódtunk, amikor a CNC gépet építettük. Ha van szkópod vagy egy TTL-tesztered, azzal ellenőrizheted a kommunikációt.
tehat a sajat soros portom mukodik, leellenoriztem, ugyh most mar csak maga a "rele"-vel lehet a gond. Kiforrasztottam az optokat is es leellenoriztem, ugy tunik azokkal sincs gond..... lehetseges h a Pic adta volna be? esetleg megprobalom ujra feltolteni ra a kodot.....
|
Bejelentkezés
Hirdetés |




az alaplap amit kicsereltem valamivel ujjabb volt mint a jelenlegi, de ezen is jo a com-port s megis semmi........szerintetek mi lehet a gond ?






