Fórum témák

» Több friss téma
Fórum » PLC kérdések
 
Témaindító: Thomas10100, idő: Nov 12, 2005
Témakörök:
Lapozás: OK   20 / 130
(#) baloghzoli1 válasza ipijani hozzászólására (») Jún 11, 2010 /
 
Szia
Irj egy e-mailt itt biztos tudjákBővebben: Link
(#) corte hozzászólása Jún 27, 2010 /
 
Üdv!
U 90 hez keresek segédleteket.
Példaprogramokat.
Ha tudtok segíteni megköszönöm!
Üdv!
(#) Szirty válasza corte hozzászólására (») Jún 27, 2010 /
 
Hali corte!

U90 ladder tutorial
(#) corte válasza Szirty hozzászólására (») Júl 1, 2010 /
 
Szia
Köszönöm, ezt már néztem, sajnos nem lettem okosabb
hőmérséklet érzékelőt szeretnék alkalmazni,
pt 1000et. a tanfolyamon semmit nem tanítottak, a forgalmazó pedig elzárkózik minden segítségtől.
Saia PCD-kre is gondoltam mindenben jobb, csak drága.
Igy sajna marad a kisérletezés.
(#) kadarist válasza corte hozzászólására (») Júl 1, 2010 /
 
Szia!
A JZ10-11-PT15 modullal tudsz hőmérsékletet mérni PT1000-el.
Tutorial
(#) reddy válasza ipijani hozzászólására (») Júl 1, 2010 /
 
Dial-Comp Kft. www.dialcomp.hu
(#) corte válasza kadarist hozzászólására (») Júl 1, 2010 /
 
Igen én is ezt néztem
példaprogramot hol találok hozzá?
csak S7 en vettünk analóg bemenetet, de nem sokat
tudok rólla, sajna,
(#) kendre256 válasza corte hozzászólására (») Júl 1, 2010 /
 
Én egy (nem PT bemenetes) Jazz PLC-hez az XTR105P típusú ic-vel csináltam átalakítót PT1000 hőérzékelővel. (Akkor még nem gyártották a JZ10-11-PT15-öt.) Elég drága ic, de PT hőérzékelőkhöz van kitalálva. Az ellenállásváltozást 4-20 mA áramváltozássá alakítja, azt meg sok PLC lekezeli. Ha csak 0-10V-os bemenet van, akkor egy ellenálláson az áramváltozást feszültségváltozássá alakíthatod.
XTR105 adatlapja
(#) bodgabo hozzászólása Júl 4, 2010 /
 
Sziasztok!
Talán leginkább ebbe a topicba illik a kérdésem. RS232-HART modem kapcsolásra lenne szükségem. Sajna a kész megoldások számomra túl drágák. Kommunikálni szeretnék meglévő eszköz és számítógép közt, a szoftver megvan.
(#) corte válasza kendre256 hozzászólására (») Júl 6, 2010 /
 
Köszönöm.
Én még csak most rakom össze.
De még nem próbáltam programozni.
A cég akitől vettem minden segítségtől elzárkózik,
igy kénytelen leszek magam rájönni.
(#) lacxxx hozzászólása Aug 6, 2010 /
 
Sziasztok
Egy kis segítség kellene S7 200 programozásához.
Van két darab nyitott érintkezőm (ami a gép jellege miatt szabadon hozzáférhető)Ami +24V-ot ad át egy-egy relének ami a plc 1-1 bemenetét vezérli.Azt kellene tudnia a programnak ,hogy kiszürje ha a két bemenet rövidzárba lép(tehát azt kellene szűrni amikor nem csak az érintkezőkön terjed a feszültség )Milyen program ellemmel tudom ezt megvalósítani?
(#) kobold válasza lacxxx hozzászólására (») Aug 6, 2010 /
 
"ha a két bemenet rövidzárba lép"
Ez mit jelent?

"tehát azt kellene szűrni amikor nem csak az érintkezőkön terjed a feszültség"
És ez sem igazán világos így elsőre.
(#) lacxxx válasza kobold hozzászólására (») Aug 6, 2010 /
 
fizikailag a gépen lehetséges,hogy rendelenes használat esetén a két bemenet záródjon (egyszerre kapjanak feszültséget)ezt kellene figyelni és rendelenes müködés esetén egy kimenetet müködtetni.
(#) kobold válasza lacxxx hozzászólására (») Aug 6, 2010 /
 
Remélem, jól értettem, és egy szimpla logikai ÉS-kapcsolatról van szó.
Lerajzoltam ill. leírtam kétféle változatot, az első addig kapcsolja be a kimenetet, amíg a két bemenet aktív, a másik pedig benn is tartja (pl. rövid idejű hiba tartós idejű jelzésére), amíg meg nem szűnik a hiba, és egy hibatörlést el nem végez a dolgozó, egy harmadik bemeneten keresztül.

logic_and.gif
    
(#) lacxxx válasza kobold hozzászólására (») Aug 6, 2010 /
 
A dolog bonyolultabb van két-két fémlap (összesen 4)
két fémlapot alkatrész zárja rövidre vagyis +24v-ot a bemenettel.Vagyis az egyik oldalon 2 lemezke+24vos
másik oldalon 2db bemenet van ami egy kimenetet vezérel a gép csak akkor indul ha ez a kimenet aktív vagy a két bemenet.A probléma akkor lép fel mikor a két
bemeneti lemezke összeér vagy valahonnan 24v-ot kapnak mert így az egyik oldalon nincs alkatrész a gép mégis indítható ezt kellene kiszűrni,de csak programozással lehetséges és ha ez a probléma fennáll akkor kellene egy kimenetnek aktívnak lenni pl.jelzőlámpa
(#) kobold válasza lacxxx hozzászólására (») Aug 7, 2010 /
 
Szeretem, amikor úgy kell kihúzni az emberekből a tényleges helyzetet
Pusztán programozással ez nem lehetséges. A PLC szemszögéből nincs különbség mindkét oldalon összeérintett lemezke, vagy egyik oldalon összeérintett, de a másikkal rövidrezárt lemezke, vagy mindkét bemenetre közvetlen +24 V kapcsolása között. Ha azt akarod, hogy működjön a vezérlés, valamit még módosítani kell a perifériákon, anélkül ez sovány.

Idézet:
„2db bemenet van ami egy kimenetet vezérel a gép csak akkor indul ha ez a kimenet aktív vagy a két bemenet.”


Jól értelmeztem azt, hogy a működést engedélyező kimenet akkor is lehet aktív, ha mindkét bemenet is az? Mert ebben az esetben teljes bukta, ugyanaz az engedélyező feltétel, mint a tiltó / hibajelző. Át kell gondolni a biztonsági rendszert, gondoskodni szigetelésről, üzemeltetés közbeni hozzáférhetetlenségről valahogy, vagy pedig újratervezni.

Kicsit töprengve még ez jutott eszembe: a működést engedélyező kimenetnél talán bele lehet annyit piszkálni, hogy
- ha még nem megy a gép, de mindkét lemezpár jelez, ne lehessen indítani, helyette menjen ki a hibajel
- ha már megy a gép, és eközben - a folyamat jellegéből adódóan - valamikor össze kell érnie mindkét lemezpárnak, akkor pedig hagyja figyelmen kívül
Ha nem erre gondoltál, akkor légy szíves még egyszer megfogalmazni, de legyen benne minden.
(#) lacxxx válasza kobold hozzászólására (») Aug 7, 2010 /
 
ha a két bemenet közül valamelyik nem aktív megállítja a gépet,(sima és kapcsolat) de ha a két bemenet fémesen érintkezik egymással a fémlapoknál így lesz aktív a két bemenet akkor kellene letiltani a gépet és hibajelnek megjelennie. Szigetelés nem lehetséges.
(#) kobold válasza lacxxx hozzászólására (») Aug 7, 2010 /
 
Képzeld el, hogy te vagy a PLC, és ezt várják el tőled:
"ha a két bemenet közül valamelyik nem aktív megállítja a gépet" === gép akkor és csak akkor mehet, ha mindkét bemenet aktív
"ha a két bemenet fémesen érintkezik egymással a fémlapoknál így lesz aktív a két bemenet akkor kellene letiltani a gépet" === ha a két bemenet egyidejűleg aktív, a gépnek le kell állnia

Az egyik feltétel kizárja a másikat.
A PLC-nek halvány fogalma sincs arról, mi zárta össze a bemeneteit, értsd már meg. Vagy aktív egy bemenet, vagy nem, de hogy mitől lett olyan, ahhoz ekkora "felszereltség" mellett semmi köze. Ültess mellé egy dolgozót, aki látja, mert pusztán programból ez nem fog menni. Ha felkapcsolod a szobában a lámpa kapcsolóját, vagy nem kapcsolod fel, de rövidre zárod a kapcsoló pólusait, szerinted mit érzékel ebből a villanykörte? Világít, mert van energia, annyit.

"Szigetelés nem lehetséges."
Még egy nyamvadt zsugorcső sem? Ne már... Miféle gép ez?

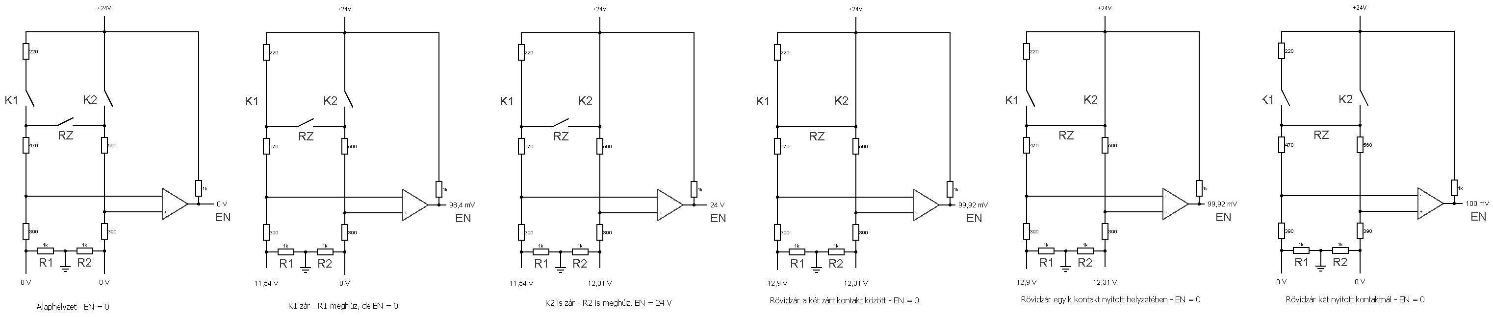
Utolsó lehetőségként egy filléres kiegészítést tudnék javasolni, ha nem felel meg, akkor sajnálom, nincs több ötletem erre a problémára. A csatolt rajz egy ellenállás-osztós hálózat állapotait mutatja be, ahol:
- K1, és K2 a két lemezkés kapcsoló
- RZ nem fizikai kapcsoló, hanem a lemezkéknél fellépő rövidzár szimulációs formája
- R1 és R2 reléket szimbolizál, 12 V-os tekerccsel, és 1 kOhm körüli tekercs-ellenállással (pár száz Ft darabja)
Az elv a következő: az áramkört megépítve, azt közvetlenül a PLC mellé kell tenni úgy, hogy a lemezkékről befutó vezetékek a 470 Ohm-os, illetve 560 Ohm-os ellenállásokhoz kapcsolódjanak, a PLC bemenetei pedig R1, és R2 relék záróérintkezőiről lesznek vezérelve (ezek nincsenek a rajzon). Egy komparátor figyeli a bemeneti vonalak állapotát, rövidzár nélkül mindig a jobb oldali, K2-es vonal lesz magasabb feszültségű, rövidzár esetén pedig a bal oldali, K1-es vonal, így a komparátor csak akkor ad magas kimenetet, ha nincs rövidzár. Biztonsági okokból ezt a kimenetet át lehet vinni mindkét relé második záróérintkezőin is, így garantáltan csak akkor lesz érvényes engedélyező jel, ha a lemezkés kapcsolók zártak (meghúztak a relék), és nincs köztük rövidzár.
Az áramkör működőképes akkor is, ha relék helyett a rajzon jelölt 1 kOhm-os ellenállásokat építjük bele, de ekkor a biztonsági szintje csökken.

STL kód a PLC-hez:
  1. // Network 1
  2. LD              Q0.1            // hibajel kimenet
  3. AN              I0.3            // hibatörlés gomb
  4. ON              I0.2            // engedély bemenet
  5. =               Q0.1            // hibajel kimenet
  6.  
  7. // Network 2
  8. LD              I0.0            // egyik relé bemenet
  9. A               I0.1            // másik relé bemenet
  10. A               I0.2            // engedély bemenet
  11. AN              Q0.1            // hibajel kimenet
  12. =               Q0.0            // gép hajtás kimenet


Hiba esetén a gép leáll, a hibajelző kimenet aktív lesz, és mindaddig az is marad, amíg meg nem szűnik a hiba (rövidzár, vagy érzékelő-kiesés), ÉS a kezelő hibamentes periféria mellett megnyomja a hibatörlés gombját. Ez a véletlen újraindulás elkerülése miatt van így, nem is kell azt a gombot a keze ügyébe tenni.

rajz.png
    
(#) Szirty válasza lacxxx hozzászólására (») Aug 7, 2010 / 4
 
Helló lacxxx!

Én ezt úgy oldanám meg, hogy a fix 24V-on lévő fémlemezt levenném a +24V-ról és egy-egy kimenettel kapcsolnám rájuk a 24V-ot.
Először az egyikre, majd programban megvizsgálnám, hogy a hozzá tartozó bemenet aktív-e. Ha az nem aktív, vagy mindkettő bemenet aktív, akkor tiltás.
Majd csak a másikra kapcsolnám a feszültséget és elvégezném a fenti vizsgálatot a másik bemenetre.
(#) niedziela válasza lacxxx hozzászólására (») Aug 7, 2010 /
 
Idézet:
„mert így az egyik oldalon nincs alkatrész a gép mégis indítható”


Figyeld az alkatrész meglétét egy érzékelővel, ha van OK, ha nincs hibajelzést ad.
(#) derno válasza djpman hozzászólására (») Aug 7, 2010 /
 
Szia!

Én ennek a "nagytestvérével" dolgozom (CL400). Az ára azért ennyi, mert rengeteg féle bővítőkárta van hozzá, és több rack-re is kiterjeszthető. Innen le tudod tölteni a programot, amivel használható (okosság mellékelve ). A PG jelű csatira kell csatlakozni, sima soros kábellel.
Egyébként ezek a típusok már nem kaphatóak, egy egységes Rexroth platform van helyettük.
(#) Szirty válasza niedziela hozzászólására (») Aug 7, 2010 /
 
Hali niedziela!

Idézet:
„Figyeld az alkatrész meglétét egy érzékelővel”


Nyilván az általa vázolt megoldás éppen ezt a célt szolgálja: a munkadarab jelenlétének érzékelését...
(#) Moderátor hozzászólása Szirty hozzászólására (») Aug 9, 2010
 
Amilyen egyszerű, annyira precíz megoldás, muszáj voltam egy kis pontocskát adni érte
(#) niedziela válasza Szirty hozzászólására (») Aug 9, 2010 /
 
Természetesen, de ezzel a lemezes dologgal még azt is el kell dönteni, hogy valóban van alkatrész, vagy a lemezek keveredtek össze. Lehet egy alkatrész meglétét
egyszerűbben és biztonságosabban is figyelni.
induktiv-kapacitiv-opto...stb
(#) Szirty válasza niedziela hozzászólására (») Aug 12, 2010 /
 
Hali!

Látom nem mindenkinek teljesen világos amit ki szerettem volna fejezni:

Én azt gondolom (netovább feltételezem) hogy azt a berendezést, aminek a szóbanforgó munkadarab érzékelés a részét képezi, okos és minden bizonnyal tapasztalt emberek tervezték és valósították meg.

Persze mindenki volt kezdő és az ember tévedhet is, meg aztán komopromisszumokat kell kötni, szó se róla...
Én azért tettem a korábbi megjegyzést, mert tudom (mint ahogy szerintem sok kolléga is), hogy egy gépben nem mindig könnyű, (sőt, nem mindig lehetséges) olyan megoldások megvalósítása, ami egyébként teljesen kézenfekvőnek tűnik, ha az ember sosem látta azt a berendezést amiről szó van (a körülmények ugye).

Ha nem lett volna még soha olyan, hogy napokat töprengünk azon hogyan (és mivel) lehetne egy szerszám vagy alkatrész jelenlétét leérzékelni pl. egy megmunkáló gépben (persze OLCSÓN és üzembiztosan) akkor nem írnám ezt.
Igazából azt vártam, hogy az érintett kérdező fog majd válaszolni...
(#) saca84 hozzászólása Szept 14, 2010 /
 
Üdv!

Szükségem lenne némi segítségre.Adott egy gép amit jelenleg relék és mágneskapcsolók vezérelnek és szeretnem ezt PLC vezérléssel kiváltani.
A bemenő jeleket induktív érzékelők biztosítják a kimeneten pedig mágnesszelepek tekercsei vannak.
A kédésem az lenne hogy milyen PLC válasszak és elég-e csak az vagy a kimeneteken szilárd test relével kell meghúzatnom a tekercseket?Elsősorban Twido PLC-vel szeretném megoldani csak nem vagyok teljesen tisztában azzal hogy milyen eszközöknél kell digitális és milyen eszközöknél analóg ki és bemenettel rendelkező plc választani?

Köszönet annak aki segít!
(#) Szirty válasza saca84 hozzászólására (») Szept 14, 2010 /
 
Helló saca84!

Ez egy klasszikus feladat, nagyon sokféle PLC alkalmas lesz rá. A Twido-t nem ismerem. Olyan típust kell választani, ami rendelkezik annyi ki és bemenettel, amennyire szükség van, vagy bővíthető annyira.
Ebbe mindent bele kell számolni (nyomógombokat visszajelző lámpákat, érzékelőket, reléket, szelepeket, mágneskapcsolókat, mindent) és érdemes kb 10-20%-ot ráhagyni (a tartalék mindig kell előbb-utóbb, és ha nincs, akkor nehezebb és drágább bővíteni).

A másik fontos a be és kimenetek típusa és feszültsége. Ha jelenleg 230V-al működő végálláskapcsolók, gombok, érzékelők vannak, akkor 230V-os bemenetű PLC kell. Kimenetnél ugyanígy, ha a szelepek/mágneskapcsoló tekercsek 230V-osak, akkor olyan 230V-os kimenetű PLC kell, amelyik kimenete képes kapcsolni akkora terhelést, amekkorát a kapcsolt elemek (pl. szelepek) jelentenek. Ha ezek 24V-osak, akkor 24V-os ki/be menetű PLC kell.
Ha nincs megfelelő kapcsolási képességű kimenettel rendelkező típus, a szelepek kapcsolhatók relék beiktatásával is...

Analóg bemenetre akkor van szükséged, ha a berendezésben van valamilyen analóg jelforrás, amit kezelni kell (mérés, szabályzás). Ha a jelenlegi berendezés tisztán relés/mágneskapcsolós, és semmilyen szabályzó műszer nem része, akkor nem fog kelleni analóg be vagy kimenet.
(#) hanter válasza Szirty hozzászólására (») Szept 14, 2010 /
 
Szervusztok, szia szirty!

Meg tudnátok mondani hogy kezdő programozóként, állásinterjún nettó bérigényként hány HuFt-ot mondhatok? Sajnos nem vagyok még járatos az ilyenben.

Talán ez sokat segít a válasz adásban: Elektronikai technikus végzettségem van.

szirty nagyon pöpec a PLC-s oldalad, nagyon tetszik!

Most kezdem el ismerkedni az S7-es rendszerekkel, és bombázni foglak téged és a többieket is kérdéseimmel.


(#) hanter válasza hanter hozzászólására (») Szept 14, 2010 /
 
Már itt is van egy kérdésem.

A Simatic manager melyik verzióját szerezzem be?
PLC-m nincs, de a kezelői felület használatát, meg szeretném tanulni használni.
(#) Szirty válasza hanter hozzászólására (») Szept 14, 2010 /
 
Szia hanter!

Köszönöm a pozitív kritikát!

Idézet:
„A Simatic manager melyik verzióját szerezzem be?”


Ha csak arra kell, amire írtad (ismerkedni), akkor szinte mindegy. 5.2 vagy magasabb verziót javaslok. A kezelés, használat szempontjából nincs olyan nagy különbség a verziók között, hogy egy magasabb verzió teljesen ismeretlen legyen ha épp olyannal találkozol később.

(De pl. a PLCSim-nél már akadnak nagyobb eltérések)
Következő: »»   20 / 130
Bejelentkezés

Belépés

Hirdetés
XDT.hu
Az oldalon sütiket használunk a helyes működéshez. Bővebb információt az adatvédelmi szabályzatban olvashatsz. Megértettem