Fórum témák

» Több friss téma
Fórum » TV hiba, mi a megoldás?
Lapozás: OK   297 / 1283
(#) kadarist válasza abc123456 hozzászólására (») Júl 11, 2010 /
 
A függőleges eltérítésnél is lehet hiba. Ha nem kap visszajelzést a vezérlő a függő működéséről, akkor leáll a sorvezérlés. A doksi megfelelő részeit kimásolva és Paint-be beillesztve tudsz képeket mutatni a rajzról.
(#) abc123456 válasza kadarist hozzászólására (») Júl 11, 2010 /
 
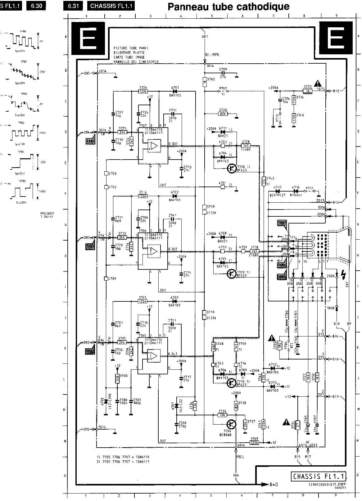
na végre,feltettem a függöleges részt bekarikáztam amit cseréltem + a tda3654-s ic-t ezek után jólett az eltérités, legalábis tudom szabályozni a képméretet
(#) abc123456 válasza abc123456 hozzászólására (») Júl 11, 2010 /
 
elrontottam,megpróbálom ujra..
(#) Jackass válasza kadarist hozzászólására (») Júl 11, 2010 /
 
Milyen feszültségekre számítsak? 600V ig tudok mérni.
Nem lesz annál nagyobb?
(#) abc123456 válasza abc123456 hozzászólására (») Júl 11, 2010 /
 
sikerült
(#) abc123456 válasza abc123456 hozzászólására (») Júl 11, 2010 /
 
.......
(#) abc123456 válasza abc123456 hozzászólására (») Júl 11, 2010 /
 
nem tudom valamiért felküldeni
(#) abc123456 hozzászólása Júl 11, 2010 /
 
itt a kép hátha működik.

kep.JPG
    
(#) abc123456 válasza abc123456 hozzászólására (») Júl 11, 2010 /
 
ezen nincs bekarikázva de leirom az alkatresz számát
3534,3535 szakadt,6534zárlatos volt,tda3654 ic cserélve,2511 kondi felpuposodot kicseréltem.
(#) kadarist válasza Jackass hozzászólására (») Júl 11, 2010 /
 
Max.200V-ra számíthatsz, hisz a videovégfokozatnak e körül van a tápfeszültsége.
(#) kadarist válasza abc123456 hozzászólására (») Júl 11, 2010 /
 
A visszacsatoló hálózat (feedback) elemeit ellenőrizd.
(#) garamszegiroland hozzászólása Júl 11, 2010 /
 
sziasztok van egy orion ctv2420-as tv ami nem kapcsol be-nincs készenléti sem. A secunder oldalon jo minden ellenálás nincs zárlatos dioda tehát elvileg minden krappol de mégsem indul. Mitöl lehet ha valaki tud vagy találkozott már ilyennel az kérem segitsen.Elöre is köszi
(#) fbela1990 válasza garamszegiroland hozzászólására (») Júl 12, 2010 /
 
Szia

Primer oldalon jó a végfok? Biztosíték él még? Trafónál vagy PTC ellenállásnál esetleg valami forrasztási hiba?
(#) garamszegiroland válasza fbela1990 hozzászólására (») Júl 12, 2010 /
 
hello Átforrasztottam mindent a primeri oldalon is jo a táptranyoja is biztositék ok
(#) zolika60 válasza garamszegiroland hozzászólására (») Júl 12, 2010 /
 
Hálózati kapcsoló nincs szétégve?
(#) garamszegiroland válasza zolika60 hozzászólására (») Júl 12, 2010 /
 
a primery oldalon és a táptranyon is megvan a táp
(#) abc123456 válasza kadarist hozzászólására (») Júl 12, 2010 /
 
szevasz.
végignéztem amit bekarikáztál,ugy néz ki hogy ezek mind jók,igaz a 3474-es ellenállást azt nem találom, de még azért átnézem, a 2409-es 22nf kondit amikor áthidaltam egy ugyan ilyen értéküvel talán akkor világosabb lett az egész kép,de amikor cseréltem akkor ugyanolyan volt mint az eredetivel,ezen kivül cseréltem még a másik két kondit is, mást nem tapasztaltam
(#) kadarist válasza abc123456 hozzászólására (») Júl 12, 2010 /
 
És a védelmi áramkörök megkapják a tápfeszültségeiket? Alkatrészek jók?
(28V, 13V,-16V)
(#) abc123456 válasza kadarist hozzászólására (») Júl 12, 2010 /
 
a panelon jelölt méröpontokon +5=5,5v ,+13ok,28=30v,a b+ is mértem az 146volt 141 helyett,de lehet hogy ennyit csal is a müszer,most megyek meg mérem az alkatrészeknél is
(#) kadarist válasza garamszegiroland hozzászólására (») Júl 12, 2010 /
 
Szia!
Milyen sasszi van benne? 11AK...? Lehet, hogy táp primer oldalán szakadt meg valamelyik start ellenállás, azért süket.
(#) abc123456 válasza kadarist hozzászólására (») Júl 12, 2010 /
 
nemtalálok hibás alkatrészt a feszültségek azok szerintem jók,kivéve talán a +15, -15voltot ezek csak 11,5-11,8v közben ujra elindult sötét képernyövel letekert g2-vel,lehetet szabályozni a fényt csak kicsit tultekertem akkor lekapcsolt,utána már csak fényel indult, megyek még nezegetem hátha találok valamit
(#) kadarist válasza abc123456 hozzászólására (») Júl 12, 2010 /
 
Ne add fel! Amíg a hangyák nem jelennek meg, addig nem ok. a dolog.
(#) abc123456 válasza abc123456 hozzászólására (») Júl 12, 2010 /
 
most ujra elindult sötéten finoman adtam rá egy pici fényt a visszafutási csikok azok megvannak az alapszin olyan lilás-rózsaszines,megnézem nem forrósodik- e valami..ki se kapcsolom
(#) kadarist válasza abc123456 hozzászólására (») Júl 12, 2010 /
 
Lehet, hogy alapból fekete szinttel vezérli a végfokot a videoproci, és a túl nagy G2 fesz miatt világosodik és csíkozódik a képernyő. AV-állásban, valamilyen jelforrásról próbáltad meghajtani a tévét? A katódfeszültségek hogy alakulnak?
(#) abc123456 válasza kadarist hozzászólására (») Júl 12, 2010 /
 
nem adtam neki jelet a bemenetre lekapcsolt stby.ba,utána megint csak fénnyel indul,egyszer igy egyszer ugy?? nem valami érintkezés gond lesz ez?amugy feszek azok nem változtak viszont a sorvégfok tranzisztorok,eltérö ic, 2dióda azok rendesen melegitik a hütőbordát (egy a hütöbordájuk)a kezem megégetné pillanatok alatt,amugy ritka ha én feladok valamit
(#) kadarist válasza abc123456 hozzászólására (») Júl 12, 2010 /
 
Akkor a diódák vonalán kutakodj tovább. A katódfeszültség értéke érdekelt volna. Csak a miheztartás végett. A 200V rendesen meg van a képcsőpanelen?
(#) abc123456 válasza kadarist hozzászólására (») Júl 13, 2010 /
 
szevasz.
el kellett az este mennem,de 1-2 óra mulva megnézem és akkor jelentkezem
(#) SPR01 hozzászólása Júl 13, 2010 /
 
Sziasztok!

Van egy ITT2163T típusú Tvm amin a gyerekzár aktív és nem tudom feloldani, egy 3 jegyű kód kellene.
Nem tudna valaki segíteni? A választ előre is köszönöm! Üdv!
(#) kadarist válasza SPR01 hozzászólására (») Júl 13, 2010 /
 
szia!
Mi a sasziszámma? 11AK vagy TV kezdetű feliratokat kellene keresni az alaplapon. A kezelési utasításban benne szokott lenni a gyerekzár kezelésének menete.
(#) abc123456 válasza kadarist hozzászólására (») Júl 13, 2010 /
 
hello
nos a 200v az 206 stabil akkor +12v az 11v g2 letekert potinál 315volt, a fütés 9,10,csatlakozó képcsön bekapcsoláskor kb 4voltról indul és ez olyamatosan emelkedik 20-21voltig (és közbe folyamatosan nö a fényerö is)akkor lekapcsol a tv stby -be

kepcsö.jpg
    
Következő: »»   297 / 1283
Bejelentkezés

Belépés

Hirdetés
XDT.hu
Az oldalon sütiket használunk a helyes működéshez. Bővebb információt az adatvédelmi szabályzatban olvashatsz. Megértettem