Fórum témák
» Több friss téma |
CSá.
Akartam írni, hogy miért nem dolgozik az lm3915-el készített kivezérlésjelzőm, de végül rájöttem. Kicsit elkapkodtam a nyákot ezért be kellett vonnom ónnal a vezetősávokat és volt néhány ún. hideg forrasztásom. Most dolgozik, itt egy vidi: Jah és bocs modik. hogy ide töltöttem fel, de nem találtam hogy hova kellene itt az oldalon. Üdv.
Sziasztok!
Egy kivezérlésmérőt építek LM3915-ös IC-vel ami reléket kapcsol és az a színes izzókat. Ha kész lesz elvileg 2m magas lesz majd A panelt akartam tesztelni és véletlenül fordítva adtam a tápot az áramkörnek Szerintetek kinyírta az IC-t és cseréljem ki, vagy elvileg nem károsodott? Légyszi segísetek
Köszi szépen a segítséget! Csak erre voltam kíváncsi hogy szerintetek meghalt-e az ic. De akkor ezek szerint meg
Nem biztos. Próbáld már ki úgy, hogy helyesen adsz neki tápot!
hello. Egy kérésem lenne lenne. Most csinálok egy sebességmérőt (igazából VU meter) egy egyszerű asszimetrikus tápú LM3914-es kapcsolásra lenne szükségem. Ha valaki tud légyszives rakja fel. Előre is köszönöm.És egy olyan kérdésem lenne még hogy mi a különbség a lineáris és a logaritmiküs kivezérlés mérők közt?
Helo!
Mit jelent számodra, hogy aszimmetrikus tápú? Az LM3914 tápfeszültségéhez, csak egyetlen (pld +12V) szükséges. Ha erre gondoltál, akkor a kívánságod már is teljesült. A lineáris, azt jelenti, hogy a bemenő feszültséggel lineáris arányban gyulladnak ki a Led-ek. (pld. 1V-2V-3V..) A logaritmikusnál a Led bekapcsolási feszültségek között, egyre nagyobb a távolság, vagyis logaritmikusan növekedik. (De ha megnézted volna az adatlap 4. oldalán lévő Threshold Voltage táblázatot, akkor egyértelmű lett volna.. üdv! proli007
Hello Proli köszööm a válaszod, gy tanúltuk hogy az asszimetrikus táp a pl.: 10V és 0 , a szimmetrikus pedig pl.: +10v és -10v. mégegyszer kösz a segítséged
Helló Megint lenne egy kérdésem. Sebességmérőt csinálnék és ami a sebességhez a jelet adná az egy Hall jeladós megoldás lenne (Hall előtt elmegy a mágnes D-i pólusa akkor nyit a Hall, mágnes a keréken és Hall a simson villáján ). Csak az a problémám hogy ezt VU meterre kötném rá de akkor minden led világítani fog. Tehát egy olyan kapcsolásra lenne szükségem ami frekvencia függvényében jelezni ( pl.: kis frekvencia 1 led ég a kijelzön, nagy frekvencia több led világít). Remélem érthető voltam.Ha kapok választ előre is köszönöm.
Hello!
Nézd meg a fordulatszámmérőket, pont ezt csinálják. Ez egy monostabil multi (NE555), és egy integrátor tag (RC). Így már a frekvenciával arányos egyenfeszültséget kapsz, amit a Ledes kijelző megjelenít. A gond, hogy a kilométeróránál, igen lassú a frekvencia, tehát nagy időállandójú RC tag kell. Mert ha kicsi az integráló tag, akkor megint fel-le jár a kijelző. Egy példa.. üdv! proli007
Mi az hogy integráló tag ( még csak harmadikas vagyok nem tudok mindent)
Hello!
Ez egy ellenállásból és egy kondenzátorból álló tag, amit a linkelt rajzon az R5 és C9 testesít meg. (Még szép, hogy "nem tudsz mindent". Ezt magamról sem állítanám, még közelítő jelleggel sem.. ) üdv! proli007
ja akkor ez a rész egy alul vagy felül áteresztő szűrő, amit szerintem lehet helyettesíteni egy műveleti erősítős kapcsolással (persze miután méreteztük és jó az alsó és felső határfrekvenciája). Remélem jól gondolom , kérlek javíts ki ha nem. Kösz az eddigieket
Hello!
Az alul-áteresztő szűrő, és az integrátor valóban ugyan az. De ez itt funkcionálisan egy integráló tag. Mert feladata az, hogy az NE555 kimenetén megjelenő négyszögjel, átlagértékét képezze. Az NE555 egy monostabil multivibrátor, amit a bejövő jel indít. Tekintve, hogy a multi, a bejövő jel minden lefutó élére egy állandó szélességű (és amplitúdójú) impulzust állít elő, a jel átlagértéke, arányos lesz a vezérlő frekvenciával. A periódusidő és az integrálási idő viszonyától fog függeni a kapott átlagérték hullámossága. Jó, ha a T>>t idő. Viszont így a feszültség beállási ideje is lényegesen nagy lesz, alacsony impulzusszám esetén. (Mert minden kerékátfordulásnál, egy impulzust kapsz csak. Lehet ezt esetleg javítani több mágnes alkalmazásával.) üdv! proli007
Tisztelt Fórumozók !
Elég rég nem jártam erre de most van egy elég nagy problémám.VU-méter készítésen töröm a fejem.Méghozzá analóg(karos)VU métert szeretnék készíteni egy DIGI 001-es hangkártyához. A kártya :http://www.youtube.com/watch?v=ihIrbUyQEl0 http://www.cornerstone.at/equipment/images/digi001.jpg Átolvastam az itt fellelhető összes topikot de nem lettem okosabb, így nyitottam a topikot ![]() A gondom ott kezdődik, hogy galvanikus leválasztás,és HITELESSÉG-et hogyan oldom meg.Szóval ötleteket várok Mivel keverést segítene ez az általam készített sokcsatornás kijelző.Mindenféleképpen "karos"-rendszert szeretnék mert a logaritmikus kijelzés közelebb áll az emberi fül hallásához.A rendszerben ugyan van VST-i Plugin VU-meter de nem pontos Karos- Ledes- Vdf bár láttam pár megoldást neten de bárhogyan is keresek hitelesítésre nem lellek semmit. Gondoltam készítek eszközt vagy veszek audió generátort, szkópot.... vagy mi a Manó kell egy hiteles eszköz megépítéséhez By Gipszi Jakab 2
Hello
Köszönöm a segítséged proli, ezekból az információkból már szerintem sikerül felépíteni a mérőt.
Köszi a válaszod átolvastam a topikot.
Van benne pár jó ötlet, viszont a kalibráció kérdése még mindig nyitva ja és a bemeneteket illetően nem egyről beszélek ! A DIGI 001-esnek Be is ki is 6-6 csatornája van minimum
A galvanikus leválasztást hang-leválasztótrafóval, optocsatolóval (erről van cikk) oldhatod meg.
A hitelesítés szokásos menete, hogy a hitelesítendő műszerrel párhuzamosan kötsz egy nagyságrendddel pontosabb műszert és ahhoz állítod. Itt talán megoldás lehet, hogy az eszközre ismert amplitúdójú digit. jelet küldesz, így ha a berendezés tisztességes módon van elkészítve az analóg kimeneten szabványos érték jelenik meg, és ehhez hitelesíted a műszert. Amúgy bármennyire is jó ötletnek tűnik, én nem ajánlom a mutatós műszereket. A gyakorlatban nem egy stabil jelet kell figyelned, hanem egy állandóan változót, így az majdhogynem nem is lényeg, h. éppen mekkora pontosan, hanem h. mi az átlag és mi a csúcs kivezérlés. Az átlagot jól mutatja a tehetetlensége miatt a Deprez műszer, de lassú a felfutása és gyors a visszafutása, amikor pont fordítva kéne. Egy ledes kivez.mérővel is lehet logaritmikus skálát csinálni, és ami a legjobb, a csúcsdetektálás egzakt módon megoldható, a felfutás "fénysebességű", a lefutás ízlés szerint alakítható.
Sziasztok tisztelt forumozok
En is VU metert akkarok epiteni LM3915 csak lenne egy kerdesem h egy LM3915osrol lehet uzemeltetni 100 LED diodat(5mm,20mA) anelkul hogy kaszkadba kotnek 10et,mert nekem az tul draga lenne.Talaltam egy rajzot de nem igazan igazodok ki a Stereo kivitelen mert ott a ledek anodja kapna feszultseget de a jobb felet pedig a LM3915 kell kapcsolni ami a "rendes rajz" szerint epp az ellenkezojet csinalja. Ha valaki tudna segiteni megkoszonnem u.i:amugy itt a video hogy milyen VU metert szeretnek + itt a rajz a "stereo kivitelhez" Vu Meter
Hello!
Nincs itt semmi gond, csak az eredeti Led-ek helyett, az IC, a PNP tranzisztort hajtja meg, és az kapcsolja a Led-eket. Így a Led-ek tápfeszültségének, nagyobbnak kell lenni, mint a 10db Led nyitófeszültségének összege, és előtét ellenállás is kell. Hiszen az IC-ben áramgenerátor van, de ez most majd a tranyókat hajtja meg. (Ja, minden kimenetre kell egy-egy tranyó.) Viszont nem tudni, Te mekkora tápfeszültséget akarsz használni. A rajzon csak egy Led van ábrázolva, de lehet az 10db is. A tápfeszt, viszont a Led-ek száma szerint kell megválasztani, és az IC áramgenerátorának áramát csökkenteni, az IC disszipációja miatt. Számodra megfelelő kapcsolást az IC-hez, az adatlapjáról válasszál. Aztán majd módosítjuk.. üdv! proli007
ilyen gyors hozzaszolast
![]() koszi a segitseget Hat en 12V rol szeretnem taplalni mert olvastam hogy ez az IC ettol meg tobbet is elbir(5-35V) L1.tol egeszen a L10 osszesen 100 esetleg 110drb LED lenne(persze mostmabb a10 tranyokval meg a vedoellenallasokkkal )Csinaltam rajzot is hozza ,kivancsi vagyok jo e az elgondolasom.Persze ott a gyari alapkapcsolasi rajz is ami szerint terveztem ![]() üdv! stuka
Hello!
Ha "gyári kapcsolást" szeretnél, akkor ezt az adatlapot nézegessed, ne a cipőgyárét.. - Mert a bemeneten a soros dióda ilyen formában felesleges, és műszakilag hibás elgondolás is. - Az eredeti áramkörben a dióda áramot, (ahogy az adatlap 13. oldalán olvasható) a 7-es és 8-as láb közé kapcsolt ellenállás határozza meg. Ha ez 1kohm, akkor a dióda árama kb. 12mA. De ekkora áram a tranyók nyitásához felesleges, oda megfelelő , a 2-3mA áram is. Ekkor nem fűti agyon magát az IC. - Ha megfigyelted volna, én nem bázisellenállást alkalmaztam, hanem bázis-emitter ellenállást. Oka pedig az, hogy kikapcsolt áramgenerátor mellett, is folyhat kis szivárgóáram, amit a tranyó felerősít, és a diódák világíthatnak. Output Leakage, Each Collector címszó alatt, a 3. oldalon olvashatod is. Ez 10uA körüli érték, de főleg az 1-es lábnál, 60..450uA is lehet. Ez közepes 150uA áram és 10-as béta mellet, már 15mA kollektoráram is lehet, amire a diódák már vidáman égnek is. - Ha a bemenetre nagyobb szintű jelet viszel, akkor nem soros ellenállás, hanem bemeneti osztó kell. (Vagy egy csúcsértéket képző egyenirányító.) - Ha kimenetenként 10db Led-et akarsz működtetni, akkor 12V tápfesz mellett, legfeljebb 5db. soros Led-et lehet bekötni. 10db esetén, két sort párhuzamosan kell kötni, de célszerűen külön-külön előtét ellenállással. (Lehet, hogy engem gyorsnak gondolsz, de ez nem jelenti azt, hogy Te is kapkodjál. Légy oly kedves, nagybetűkkel és ékezetesen írni, és küldés előtt el is olvasni amit írtál..) üdv! proli007
Hello!
Igazad van,ezentúl próbálok igy eljárni Sajnos elég gyenge az angol nyelvtudásom, ezért az adatlapokból csak keveset tudok kikövetkeztetni. Kiszámoltam ,hogy a tranzistorok 3 mA-os nyitásához R1 =5094 Ohm, R2=36k Ohm szükséges. De ha nekem ki van kapcsolva az IC-ben az áramgenerátorom(vagyis a bemenetre nem érkezik semmilyen jel) ,akkor nekem nem szükséges hogy égjenek a LED-ek . Fúúú hát bemeneti osztót nemtudom hogyan kell csinálni és csúcsértéket képző egyenirányitót hiába használnák, ha még nemtudom hogy mennyi lesz a csúcsértek ,de mindenesetre módositottam a "rajzunkon" a leirtak alapján.Remélem már jó úton haladok Köszönöm eddigi fáradozásod. üdv! stuka
Esetleg ez a bemeneti osztó megfelelő lenne?Erősitő helyett természetesen a VU méterbe menne.
::bemeneti osztó
Hello!
Jó felé mész, csak kicsit félreértelmezted a dolgokat. - Az eredeti kapcsolásban a RLO és ADJ láb a gnd-n van. A RHI és VR összekötve, és a kettő között egy 1kohm. Az áramgenerátorok áramát, alapvetően a VR és ADJ lábak közé kötött ellenállás határozza meg. Tekintve, hogy ezen két láb között, mindig 1,25V van (mert ennyi a belső referencia feszültség, és az IC addig szabályozza VR láb feszültségét, míg be nem áll ez az állapot). Ezért az 1kohm-on, 1,25V/1kohm=1,25mA áram folyik át. Ennek kb. a tízszerese lesz az áramgenerátorok árama, tehát kb. 12mA. Közben így 1,25V lesz a kivezérlésjelző referencia feszültsége is, ami azt jelenti, hogy a 10. Led ennél a bementi feszültségnél fog világítani.. - Te most tettél ellenállást, az ADJ és V- lábak közé, így a kivezérlésmérő referenciája módosulni fog. A VR és ADJ lábak között, most is 1,25V lesz. Csak R3 növelése miatt, csökkenni fog az áram. 1,25V/5k=0,25mA-re. Így az áramgenerátorok árama, most kb. 2,5mA lesz. De mivel R3 és R4 egy feszültségosztót képez, a kijelző referenciája RHI és RLO lábak között, már nőni fog. Az R4-en, ugyan akkora áram folyik át, mint R3-on. Tehát ez 0,25mA. De ehhez még hozzájön az ADJ láb bemeneti árama, ami katalógus szerint ez átlagosan kb. 75uA körüli érték. Tehát R4 ellenálláson 0,25mA+0,075mA=0,325mA áram lesz. Így az R4-en eső feszültség, 0,325mA*33kohm=10,75V. Mivel az RHI-RLO referenciát R3+R4-en eső feszültség adja, a referencia értéke, 10,75V+1,25V=11,97V lenne. Tehát az utolsó Led, 12V feszültségnél kapcsolna be. Persze ha tudna, mert ha a tápfeszültség 12V, akkor a referencia nem lehet ennyi, mert az maximum 1,5V-al közelítheti meg a tápfeszt. (Valamiből azt is szabályozni kellene!) Szóval ez így nem egészen frankó.. Célszerűbb lenne, a referencia értékét, valami kisebb feszültségre beállítani. Ha az R3 és R4 10kohm, akkor tapasztalatom szerint, a referencia értéke kb. 3V lesz, és az áramgenerátorok árama, kb. 3mA. (A tízszeres Led-áram ilyen alacsony értéknél, úgylátszik már nem igaz. Ugyan is nem lehet pontosan tudni mi van az IC-ben belül elkövetve) Ezzel már lehet valamit kezdeni, mert a tranyók meghajtásához ez már megfelelő, és az utolsó Led 3V csúcsfeszültségnél fog jelezni. A bemeneti osztót, pedig úgy kell megválasztani, hogy maximális kivezérlésnél (teljesítménynél) a leosztott feszültség 3V legyen. A C1 kondi amit berajzoltál teljesen értelmetlen dolog, mert egyszer feltöltődik az első villanásra aztán már úgy marad, a Led-ek meg többet nem is jeleznének. A csúcsértéket úgy kell érteni, hogy a hangszóró (erősítő) felől váltófeszültség érkezik. De a mért RMS értéknél, a váltó csúcsértéke, 1,42-szer több (persze ha szinuszos a jel). Tehát, ha a LINE bemenet RMS értéke 775mV, akkor a jel csúcsértéke közel 1V lesz. A vicces ennél az áramkörnél, hogy az IC váltófeszültséget kap a bemenetén, miközben csak a pozitív jelekre működik. Tehát amikor a jel negatívban tartózkodik a bemenőjel, a Led-ek sötétek. Mivel a jel változása a hangfrekivel megy, tehát elég gyors, nem látod, hogy vibrál, csak éppen a Led-ek átlagárama, közel a fele lesz mint amit beállítottál. És közben a kijelző a jelet követi, tehát fel-le seper. Ezért, ha valaki átvált pont kijelzésre nem annak látja, hiszen akkor is fel-le mászkál a Led kijelzése a hang ütemében.. Ezért célszerű egy csúcs-egyenirányítót alkalmazni a kivezérlésjelző IC előtt. Az egy kondiban rövid időre tárolja a feszültség csúcsértékét. Így a kijelzés kevésbé lesz "dinamikus", viszont látni lehet mekkora a tényleges csúcsérték. Nos remélem elég érthető (ehető) amit leírtam. üdv! proli007
Helo!
Hát igy hirtelen elolvasásra nemigen értelmeztem belle sokat. Megpróbálok ebből valamit kikövetkeztetni,de a feszültségosztónál biztos gondom lesz És akkor egy kondenzátor tárolná oly rövid időre az adott értékű LED áramát amig a szinusz újra visza nem tér a pozitiv ágba? Bár egyszerűbb lenne ha lenne egy adott kapcsolási rajzom,de legalább igy "fel-fel" fogom hogy mi miért is van üdv! stuka
Hello!
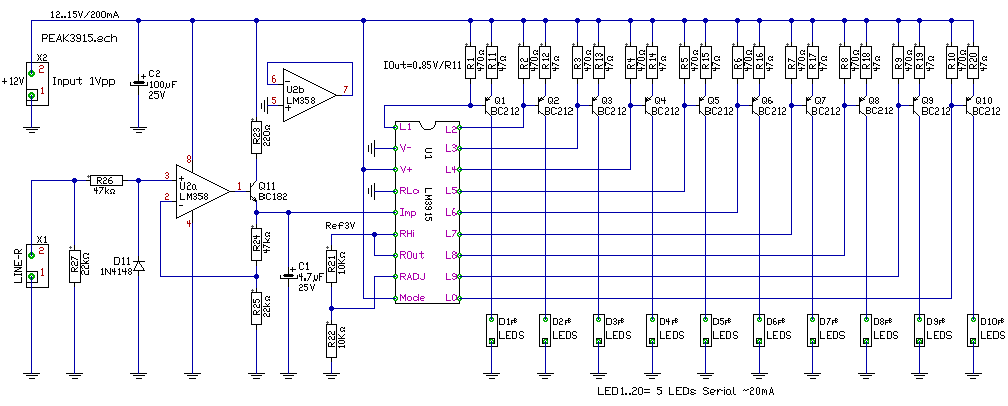
Hogy legyen egy rajzod is.. De még azt sem árultad el, hogy az (mekkora) erősítő kimenetére lesz a kapcsolás. Ezt egy 0dB-es vonalszintű kimenetre illesztettem. Ennek a kimenetén, kb. 20mA-es áramgenerátor van, így a 12..15V tápfesz mellett az áram nem változik. De ha stabil a 12V-od, akkor nyugodtan alkalmazhatod a két előtét ellenállásodat a Led-ek előtt, ahogy rajzoltad. Most ennek "fényében" olvasd át, amit leírtam, és nézd át az IC adatlapját.. (Használd a Válasz gombot! Egyszer már rátaláltál.) üdv! proli007
Hello!
Hát én először csak a PC-m hez akkkarok késziteni Vu métert,de most találtam nemrég egy 2x40W os (TDA8560)as kapcsolást és a következő párat ahoz késziteném el. Átszámoltam és a két 10k ohm -os ellenálással körülbelül 3,25V lenne a referenciafeszültség,mint mondtad De amikor az áramgenerátorok (LED)áramát számoltam akkor sehogyse jött ki 3mA inkább ilyen 1,25mA,de szerintem én rontottam el benne valamit Na megpróbálok valamit kihozni magamból és "Átolvasgatom" az adatlapot sokadjára :finom: üdv! stuka
Hello!
Nem rontottál el semmit. Olvasd át még egyszer, amit kettővel feljebb írtam. Nem tudni pontosan mi van az IC-ben. Ez egy kiegészítő lehetőség, ahogy a Led-áramot beállítja. Nyilván vannak belső ellenállások is a referencia fokozatban, amik hibaáramot okoznak. Csak 10..20mA Led áramnál, ezek nem számítanak. Itt meg kis áramokkal hajtjuk a belső generátort. (A belső paramétereknek amúgy is van toleranciájuk, ezét pld. a referencia értékét is csak közelítőleg lehet kiszámítani, a referencia erősítő bemenőáram széles tartománya miatt..) üdv! proli007
üdv proli007!
Sikerült végre megépitennem a VU métert de sajnálatos módon nem működik tökéletesen (az általad elkészitet rajz alapján.mert alkalmasnak találtam,kihagytam belle viszont a bázisellenállásokat)Átnéztem többszörösen hogy nincs e szakadás,hideg forrasztás vagy esetleg rövidzár de semmi.Lemértem a bemenő jelet(ami a PCm ből megy rá) ami kb 40mV az erősités után kb 1,4 V körül mozog.Még a dot és bar display átváltására sem reagál. Az történik ugyanis hogy bekapcsolom,az elso LEDsor és az 5. LEDsor állandóan világit,mikor jön a jel 5. a 9 LEDsorig ránézésre minden jó,miközben az elsö folyton világit.Az összes LEDsor tökéletes,többszörösen átmértem őket.Jó lenne ha működne,mert annyi pénzem,energiám,és időm benne van már. Szerinted mi lehet a gond? Köszönök mindent. üdvözlettel Stuka!
Hello!
Nem egészen értem amit írsz. Jó lenne tisztázni néhány dolgot. - Most ténylegesen melyik rajzot készítetted el? - Miért hagytad ki (és melyik) bázisellenállásokat? - Egyáltalán a tranzisztoroknál most áramgenerátor van, vagy csak inverter. (Tehát a Led előtét ellenállása az emitterben, vagy a kollektorban van? De ne adj a PC-ről bemenőjelet. Az IC 5. lábán 0V-ot, míg a 6/7. lábán 3V-ot, és a 7. lábán, 1,75V-ot kell mérni. Így minden Ledsornak sötétnek kel lenni. Amíg ez nincs így ne menj tovább. Vezérlés nélkül, adj az IC 5. lábára egyenfeszültséget 0..3V-ig. A Led-eknek szép sorban ki kell gyulladni. üdv! proli007 |
Bejelentkezés
Hirdetés |




A panelt akartam tesztelni és véletlenül fordítva adtam a tápot az áramkörnek
Szerintetek kinyírta az IC-t és cseréljem ki, vagy elvileg nem károsodott? Légyszi segísetek




,de mindenesetre módositottam a "rajzunkon" a leirtak alapján.Remélem már jó úton haladok 

(az általad elkészitet rajz alapján.mert alkalmasnak találtam,kihagytam belle viszont a bázisellenállásokat)



