Fórum témák
» Több friss téma |
Fórum » Ki mit épített?
Ez a téma ha úgy tetszik a mi "kiállítótermünk", nem pedig a ki mit csinált volna másképpen, mások helyett, és legfőképpen nem javítós téma.
Minden készüléknek van saját témája, ott kell kitárgyalni a részleteket!
FONTOS! A kapcsolási rajzok keresésére is van saját téma, ott keressetek rajzokat!
csini lett a dobozolás!
Milyen rajz alapján csináltad??
Most fejből meg nem mondom, de ha érdekel megnézem. Rég készült. A Grundig TV-k tápjánál is ezt használják. Nagyon stabil.
Szia Unicorn!!
Köszi! ![]() Tényleg jó! Nekem az első munkám nagyon csúnya lett: 1 db LED, ellenállás, kapcsoló! ))) De működött!Nagyon király ez a kis számláló! Tulajdonképpen azért voltam kíváncsi a kijelzőre, mert én is egy kijelző élesztésén dolgozok. De látogasd meg az oldalt itt a hobbielektronikán: http://www.hobbielektronika.hu/forum/topic_3037.html Jó éjt!
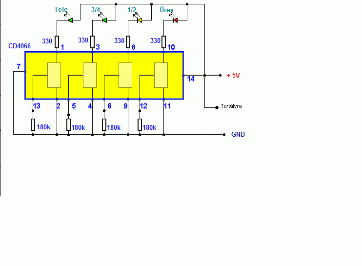
Heló.Itt a rajz.Csak annyi az átalakítás benne hogy 9Voltot adtam neki és az utolsó zöld ledhez hozzá kötöttem egy relét.
Az elektrodák alul a 180K ellenálás és az IC lábai között vannak.Ott meg is van jelölve pontal a helyük
Gabi!
Jól néz ki a zümis folyadékszint-mérőd! Amúgy milyen szivattyúhoz használod? Kerti? Locsoló?
nem magamnak készítettem de egyébként egy kerti szivattyú tölt fel egy tartályt.(elég magasan van)és ha kinyitom a csapot akkor mivel magasan van az esési sebességet felhasználva egy kis foliába egy pár sor csöpögtetőt hajt meg. De nagyon jól működik. Csak azért kellet ez mert nem tudtuk (tudták) meddig kell engedni a tartályt.
Ügyes!
Én a kutam szivattyújának védelmére szeretnék valami effélét építeni. Kombinálni szeretném egy PIC-es vezérlővel, ami naponta X időpontban (este-éjjel) beindítja a locsolót. Amit még tudni akell majd a cuccnak, az az, hogy a talaj nedvességtartalmát vizsgálja, mert - ugye - eső után minek locsolni... (Úúúútállom, ha este, a kertben kell locsolgatnom, mikor nézhetném a söröm mellett a filmet, és ráadásul halálra csípnek kint a szúnyogok! Na meg alapvetően lusta is vagyok! )
ha esetleg megvalósulna ez a gondolat én kíváncsi lennék rá...
Rendben!
Egyébként is terveztem, hogy ha egyszer elkészül, akkor felteszem ide, cikknek... (Súgok: Alapnak Vicsys "Feledékeny ember órája" c. örökbecsű cikkében leírtakat szeretném felhasználni... )
Én ezt csináltam. A neve resistorman!
Tök jó poén volt megépíteni. Köszönet Topinak a linkért. és "chr"-nek a kapcsolásért. Több infó a viccek-mókás történetek topik 80.oldalán.
Kösz, de élőben szebb. Nem sikerült valami jól a fotó, gyorsan kellett csinálnom épp le akart merülni a kam(utána le is merült).
kész a tápegységem!
16 ,12V ,5V ,1.27-10V a hűtőborda egy p2 es procihűtő csak az alja meg a teteje le van vágva (ahol a ventit lehet rá felfogni) csak annyi hibája van (miután kimarattam a nyákot) hogy hibás volt a terv mert az lm317 IN lábára 12V ot kötöttem 16 helyett ezért csak 10V ig szabályozható de majd csinálok egy atkötést
Üdv!
Én egy Usb-s Icd 2-t építettem. Ezer köszőnet Potyo és MPi-c Mestereknek! Most a designen törőm a fejem , hogy hogyan lehetne még egy kicsit feldobni a dobozát.Ha van valakinek valami ötlete akkor azt ne nagyon tartsa magában! Üdv Tomee.
Egész mutatós! Én valamivel visszafogottabbat terveztem.
Ez sem rossz.
A Ledek helyét mivel, és hogyan vágod ki, hogy szép legyen a luk?
Szerintem kezd kicsi furóval, majd egyre nagyobbra válts. De szerintem nem lenne még akkor sem csúnya ha nem így csinálod. A sebesség is még fontos tényező. Ovatosan kell nyomni lassú fordulatszám mellet. Teszik a terv
A quad 405-ről mi a véleményetek azt mondja mindenki hogy jó de valaki azt is mondta hoy hallk. Azt a 100 wattot szépen adja le?
Te jó ég... mihez képest halk az a 100Watt?! 100Wattig szinte alig torzít!
Szeretik az emberek a Quadot! De ne az legyen az első erősítőd!! Néz be a Quad topicba!
Valaki azt írta h szal nem tom mr de azt írta h nem jó. CSak azt nem tom melyiket építsem az urbán félét vagy a simát
Én úgy csináltam, hogy először a dobozon fúrtam ki a lyukat, egyszerű 3mm-es fúróval, ez nem lett túl szép, ezért terveztem rá olyan matricát, ami letakarja az egészet. Ráragasztottam a matricát, és a LED-ek helyén felülről beledugdostam egy LED-et, hogy a papírt befelé szakítsa át. Nem egy CNC-vel megmunkált darab lett, de nem is lett ronda, nekem megfelel, és ez a lényeg!
Ha nagyon szép lyukakat akartok, akkor lehet egy kicsit dizájnosítani a dolgot, mégpedig led-foglalattal. Nekem bevállt! Próbáljátok ki!
Én is törtem a fejem valami doboz matricán, de ez igazán mutatós lett!
akárcsak miklosch kollegáé
Sziasztok
Megmutatom az én "kifordított" nyákvasalómat. Én úgy használom, hogy a nyáklemezt ráhelyezem a vasalóra, arra a lézernyomott tojáspapírt, majd egy Teddy hengerre hasonlító eszközzel rásimítom a papírt a nyákra. Ezt a "hőálló" hengert egy lézernyomtatóból kitermelt hengerből készítettem. A trimmerpotival a hőmérsékletét állítom be a vasalónak (érzékelő: 1N4148! )) kb 120-130C fokra. Ezt , mikor elkészítettem, egy multiméterrel hitelesítettem. ) A potméterrel egy teljesítmény szabályzót vezérlek, kb félállásban a legkisebb a hőtúllengés.A papír leáztatást, 20%-os ecet és víz 1:1 arányú keverékével oldom meg. A maratást hidrogénperoxid és sósav vízzel hígított keverékével végzem. Nálam jól bevált, sokat használom, szeretem! |
Bejelentkezés
Hirdetés |






)
)

, hogy hogyan lehetne még egy kicsit feldobni a dobozát.








