Fórum témák
» Több friss téma |
Fórum » Ki mit épített?
Ez a téma ha úgy tetszik a mi "kiállítótermünk", nem pedig a ki mit csinált volna másképpen, mások helyett, és legfőképpen nem javítós téma.
Minden készüléknek van saját témája, ott kell kitárgyalni a részleteket!
FONTOS! A kapcsolási rajzok keresésére is van saját téma, ott keressetek rajzokat!
Köszi a sok dícséretet. Megpróbálok majd videót feltenni róla.
A görgőt egy billengyűzetből vettem. Mellékeltem róla egy képet. Viszont van egy kis problémám. Nem szeretnék itt offolni, úgyhogy megírtam ebbe a topicba: Nagy LED kijelzős DCF77 óra PIC-kel. Ha valakinek van ötlete, ne habozzon !
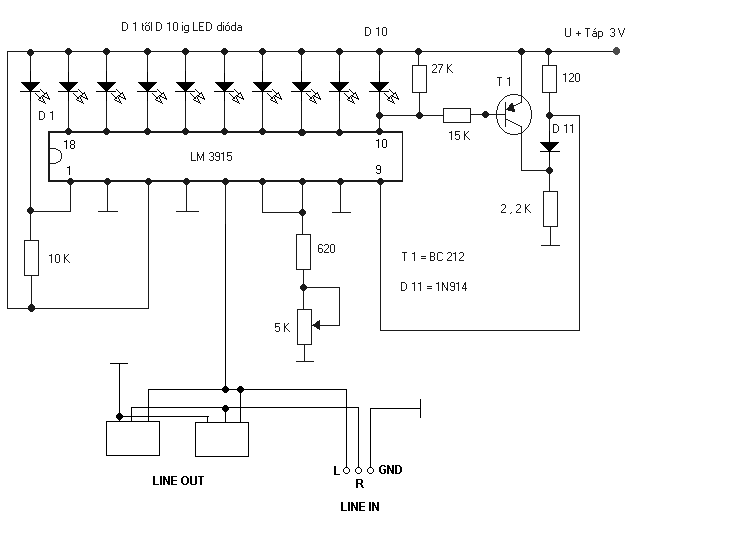
Építettem egy VU metert, de csak képet tudok felrakni
2 cerka ellemmel működik.
A kivitelezése nagyon szép lett,
gratulálok!
Lenne egy kérdésem: a bc212 -es tranzisztornak meik lába a kollektor, mert megnéztem 2 adat lapot az egyiken az 1-es lába, a másikon a 3-as most meik???
Nekem ez a kapcsolás meg van úgy hogy nincs benne tranzisztor meg egy pár ilyen kivezérlés mérő kapcsolása is van. Ha valakit érdekel szoljon felteszem.
Csak nem ilyen eszeveszett szerepjáték...
![]() Szívesen látjuk cikként! Ha van kedved itt is megjelentetni, akkor privátban zörgess meg...
Hmm, nagyon ötletes, gratula!
Egy napelemes "háziállat-robot" project mondjuk nagyon érdekesen hangzana. De ez a virág is nagyszerű! :yes:
Na akko itt egy pár
Jóóóóó!
Nem nagyon lehet elolvasni a képen az IC feliratát. TDA7052? Építettem én is egy ilyet, nyákra, de iszonyúan torzít (Utáp=6V). Lehet, hogy valamit elkötöttem?
Ahogy igértem itt 1 jobb kép a bigclock-ról!
Gratulálok, szép munka! A nyákot jól látom, rajzoltad?
aha
lassan át kéne már térnem a nyomtatott rajzokra
Sziasztok.Ezzel most letten kész egy kis folyadékszint mérő egy picit átalakítva.:
Mikor az utolsó led is világítani kezd akkor bent egy relé müködésbe lép egy kapcsolja a zümmert hogy "KAPCSOLD KI A SZIVATTYÚT"
Sziasztok. Én még új vagyok itt. Ezért mutatnék pár dolgot az életemből. Hátha vkinek ötletet ad. Ha infó kell vmiről írjatok.
az erősítőben 1 quadot tudok kivenni, a többi mind a táp lenne? nem hiszem
fain lett! grat!
szerintem ott 3 quad van.
6kimeneti csati->egy csatorna 2csati->6/2=3 Tehát 3csatorna. Komoly logikám van, mi? Amúgy a 3pár tranyó is árulkodó...
nem barátom
6 PÁR kimenet => 6 végfok lehet ott + 1 db quad :yes: :yes: :yes:
nyertél wazze. azt hittem egy sornyi kimenet van...
1 Quad de 4 Ohm 200W Sinus Subb, +4x50W középmagas. 3db konverterrel. Üdv
kösz a kiegészítést a kapcsitápban, milyen meghajtó ic van? tl, sg...
|
Bejelentkezés
Hirdetés |




! 





















