Fórum témák
» Több friss téma |
Fórum » TV hiba, mi a megoldás?
Sziasztok!
Kaptam a szomszédtól egy Samsung CK: 5051A TV-t. A tápegység kondijai igencsak púposak cserére várnak. Van egy alkatrész, 14MS 03E1 van a tetejére írva, ami leégett. Mivel nem vagyok szakmabeli, de azért így segítséggel már sikerült ezt-azt megjavítani. Szeretném kérdezni, hogy mire való a jelzett alkatrész és hol tudnám beszerezni? Előre is köszönöm: Péter
Szia!
Ez jó lesz a keresendő alkatrész helytt: Bővebben: Link A képcső-lemágnesezés PTC-ellenállásáról van szó.
Legújabb fejlemény beröffentettem a tv-t
Kiszedtem a by-t és 1n4007-et raktam be helyette, meg a hiányzó helyre is beforrasztottam eggyet. Kiforrasztottam a 4,7 ohmos ellenállást, rámértem és szakadást jelzett a műszer, feltúrtam egy kupac dobozt mire leltem egy 4,7 ohmos 5w-ost. Beforrasztottam majd beugtam a tv-t, közben hang és fényjelenségre számítotva. Nem volt semmi probléma a kép bejött, csak hang nincs. A színeket beállítottam meg a többi megjelenítési dolgot. Most a hanggal kellene valamit kezdeni. A hangszóró kimeneténél van egy 2,5 kOhmos (kiforrasztottam, lemértem) ellenállás párhuzamosan a kimeneten, és ez csatlakozik rá úgy ahogy van a KA2919 236A 22-es és 23-as lábaira. Illetve a hangszórókimeneten van párhuzamosan egy ilyen fémkocka olyan mint egy trimmer poti. (trimmer induktivitás lenne?) Amikor nézegettem a panelt, sikerült a hangszóróról az egyik szálat letörnöm, na ekkor megbolondult a kép. Visszaforrasztottam és megjavult a kép. Rámértem mérőheggyel is de a szkóp kijelzőjén egy "vágott" tetejű szinusz jelent meg. 8Ohmos hangszóró van a kimeneten. Rámértem kihúzott hálózati vezeték melett a kimenetre, rajta volt a hangszóró is. 1ohm-ot jelzett a multi, de ebből lejön a 0,7 saját ellenállás, szóval 0,3ohmot kellene mérnem a 22-23 láb között Tönkrement volna a KA2919? A KA előtt tudok valahol mérni bemenő jelet? Más alkatrész okozná a hibát, van még a kimeneten párhuzamosan egy kerámia kondi is?
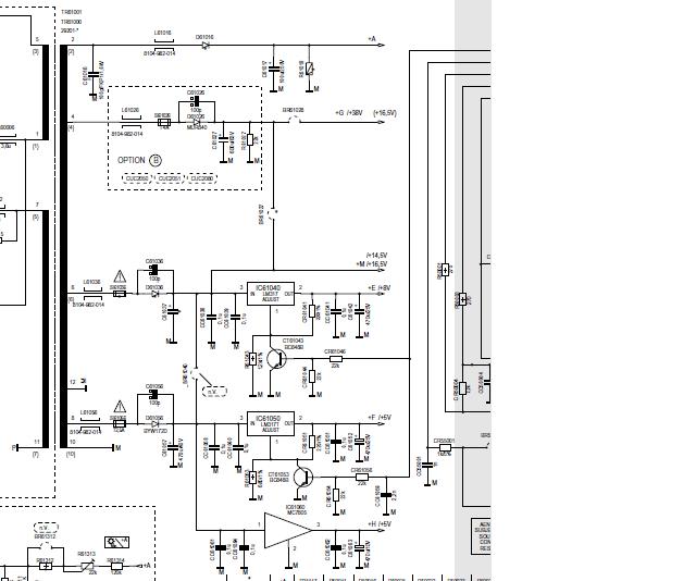
A rajz segít! Azonosítsd be az ismeretlen alkatrészeket és ismeretlen kapcsolási részleteket.
Mekkora idétlen vagyok. Van két ugyanolyan csatlakozó a panelon. Na én pont a nemjóba dugtam a hanszórót.
Mosz bedugtam a hangszórót a másik helyre és egyből megszólalt a tv Mostmár hibátlanul üzemel a tv. Köszi a segítséget.
nekem kelene egy kabcsólásí rajz séléco tvé hez
Igen ,megszünt,csak sajnos a TDA 5255-A035 a hiba okozója,ráadásul,nem is lehet kapni a HQ nál,csak más fajtát.Kiszedtem az ic et és már van is 5 v.Az ic 10-11 es lábain zárlatot mérek.Milyen helyettesitöt ajánlatok?
Az IC típusa nem stimmel. Gondolom nem egy ASK/FSK 434MHz Wireless Transceiver lakozik abban a tévében.
Bocsi, SDA 5255-A035.Ezt jol elnéztem
Igy hogy kivettem az ic et meg vannak a tápok(5,12v)
Milyen sasszi ez?
CP-375
Igen, pont az a fajta nincs, csak más készülékhez való tartalommal ellátott.
Akkor kuka a tv?
Bontani kell egy Daewoo sasszisból egyet. Kukázni, lomizni kell. Én is így szoktam...
és hol lehet találni bontott alkatreszekt,mert a neten eddig nem igen találtam
Lomtalanításból, lomisoktól, szeméttelep, illegális szemétlerakó, bontó, MÉH-telep, veszélyeshulladék-újrahasznosító stb. Oda kell menni személyesen.
Köszi,de erre nincs idöm.Köszi a segitseget
Nincs mit
Sziasztok
keresek /séleco pc 2001 /Tv Kapcsolási rajzot Előre is kősz a válaszokat.
Sziasztok,
A TV tipusa: ST 70-2104. Hosszabb ideig mukodott ugy, hogy gyakran kikapcsolt majd ujra hosszabb ideig hasznalhato volt. Vegul mar minden esetben kikapcsol 2-3 mp utan. Feny nem jon meg, de ha sokat kapcsolgatom (es felfut a kepcso), akkor vizszintes csik lathato. Tapban kicsereltem a kondikat, zarlatos felvezetot nem talaltam. A lemagnesezohoz kapcsolodo PTK volt gyanus (nagyon forro. Lehet ? vegulis homersekletfuggo ellenallas) es egyik agban 15 kohmot mertem. Ide ujat teve sem valtozott a helyzet. A tapbol egy kepreszletet csatolva: A. ponton megvan kb. 170V (meg az utan is, hogy leall, standby -ba kapcsol; F ponton 5V megjon es ahogy kikapcsol 1-2 mp utan leesik 0 -ra). Segitsegeteket elore is koszonom. Udv. Y
Hello a segitsegeteket szeretnem kerni.
Volna egy tv sonic stv 5531txt schassi 11ak19p5 proci vestel 19v1.ont ojasmit produkal hogy a tuner reszin miutan csatlakoztatom az antenat minden csatornan ugyan az a kanalis jon be. MIi lehet a baja otleteket varok. Eloreis koszonom
Szia. Először is mérd meg, hogy csatorna váltáskor változik e a tuneren a hangoló fesz. Ha igen akkor tuner gond. Ha nem akkor- rajzot nem találtam így hirtelen- ha külön memória
ic van benne akkor azt cseréld ki .
A rajzot letöltheted innen: Download >> To download the file, please, click here ! << Download . A Google segített.
A forrasztásokat nézd át az alaplapon. A vízszintes csík függőleges eltérírési hibára utal. Ma a CUC-száma?
CUC 2050.
Forrasztasokat mar atneztem, atforrasztottam, nem segitett.
Nézd meg, hogy a TDA8350 függőleges végfokozat-IC megkapja-e a tápfeszültségeit.
A szervízmanuál 15-ik oldalán van az érdekes rész. Get Manual
Koszonom az utbaigazitast.
Megnezem ma este es megirom. Csak nem konnyu merni, mert egybol leall. Kiveve az A ponton 170V -ot merek meg a leallast kovetoen is. Koszonom megegyszer. Udv. Jo hetveget.
Kőszi kadarist
Még egfy kis kérés ha nembajh. a képcső nyakán lévő nyák kapcsolási rajzát nem találom nekem az lenne a leg fontosabb. ha ha betudnád linkelni azt is megkőszőném. Kőszi előreis. |
Bejelentkezés
Hirdetés |




Mosz bedugtam a hangszórót a másik helyre és egyből megszólalt a tv






