Fórum témák

» Több friss téma
Fórum » ohm-mérő
 
Témaindító: árpix, idő: Ápr 23, 2007
Témakörök:
Lapozás: OK   1 / 2
(#) árpix hozzászólása Ápr 23, 2007 /
 
Sziasztok !

valami egyszerű megoldásra lenne szükségem a következőkben , tesztelni kéne egy tekercset ami normálisan 18 ohm ,menetzárlatosan mondjuk 3 ohm ,ezt kéne hogy egy led jelezze

előre is köszönöm !
(#) GLaszlo válasza árpix hozzászólására (») Ápr 23, 2007 / 4
 
Szerintem a legegyszerűbb, ha csinálsz két ohmos osztót, és a két osztó kimenetét rávezeted egy komparátorra, aminek a kimenetére egy ledet teszel. A komparátor bekötésétől függ, hogy akkor világít a led, ha kisebb az ellenállása, vagy fordítva.
(#) árpix válasza GLaszlo hozzászólására (») Ápr 23, 2007 /
 
hogyan is ? ez elég kevés ellenállás
(#) perlaci hozzászólása Ápr 23, 2007 /
 
wheatstone-híd a legegyszerűbb és legolcsóbb megoldás. A régi ellenállásmérők és válogatók is így működnek. www.fke.bme.hu/oktatas/meresek/2.doc itt találsz leírást a híd működéséről. egy egyszerű indikátor műszer is elég hozzá, de figyelj oda a kis érték miatt kis feszt használj és legyen a táppal sorbakötve egy áramhatároló ellenálás.
(#) árpix válasza perlaci hozzászólására (») Ápr 23, 2007 /
 
az a lényeg ,hogy egy logikai szintet tudjak produkálni a kimeneten
(#) GLaszlo válasza árpix hozzászólására (») Ápr 23, 2007 /
 
Saccperkábé így gondoltam.

mero.jpg
    
(#) árpix válasza GLaszlo hozzászólására (») Ápr 23, 2007 /
 
köszönöm szépen ,kipróbálom .
ha kisebb 18 ohmnál akkor átbillen ?
(#) GLaszlo válasza árpix hozzászólására (») Ápr 23, 2007 /
 
Elvileg igen, ha nem, akkor fordítva lett bekötve a komparátor... Szimuláld le valamilyen proggal.
(#) árpix válasza GLaszlo hozzászólására (») Ápr 23, 2007 /
 
ok !

köszönöm mégegyszer !
(#) árpix válasza árpix hozzászólására (») Ápr 24, 2007 /
 
összeraktam egy próbapanelon ,de nemigazán csinál semmit
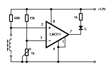
(#) Sebi válasza árpix hozzászólására (») Ápr 24, 2007 /
 
Így építsd meg. A referencia ágon feleleges akkora áramot folyatni.

Komp.GIF
    
(#) árpix válasza árpix hozzászólására (») Ápr 24, 2007 /
 
szóval akkor ,mégsem oldódott meg a dolog !
(#) árpix válasza Sebi hozzászólására (») Ápr 24, 2007 /
 
Köszi !
kipróbálom délután !
egyébként ezek között mi a különbség ? mármint a komparátorok között .
(#) Sebi válasza árpix hozzászólására (») Ápr 24, 2007 /
 
Semmi különös. Az LM311 az egy db komparátor, a Tied 339 az négyet tartalmaz (a 393 pedig kettőt). Mindegyik open kollektoros, nagyon hasonló paraméterekkel. Használd amid van.
(#) árpix válasza Sebi hozzászólására (») Ápr 24, 2007 /
 
rendben , köszönöm !
(#) Sebi válasza árpix hozzászólására (») Ápr 24, 2007 /
 
Azért ha komolyabb tesztre vágynál, inkább az induktivitást kellene vizsgálni. Nem tudom mi is az a tekercs, de sztem ha váltóval (akár 50Hz is lehet) táplálnád a hidat és ablakkomparátort használnál - két tűrésértékre belőve, akkor egy biztonságos megy-nem megy készülékhez jutnál. Ohmméréssel néhány menet zárlata nem mutatható ki, az induktivitás értékében elvileg látszik. Persze a kijelzés egy más téma, mert ha a tűrésmező nagyobb, mint a kisebb menetzárlatok által előidézett induktivitás-változás, akkor nem mindent mutat ki.
Ha a tekercs csévéje lyukas (nincs benne vasmag) akkor egy ferritrúdra készített pár 10kHz-es oszcillátorral már egy! menet zárlatát is láthatóvá lehet tenni.
(#) árpix válasza árpix hozzászólására (») Ápr 24, 2007 /
 
szia ! összeraktam és műxik !
ha a mérendő tekercset nem a negatív ágba hanem a pozitívba szeretném mit cseréljek fel ?
(#) Sebi válasza árpix hozzászólására (») Ápr 24, 2007 /
 
Bemenetcsere.

Komp.GIF
    
(#) árpix válasza Sebi hozzászólására (») Ápr 24, 2007 /
 
igen ezt már kipróbáltam és folyamatosan világít a led
(#) Sebi válasza árpix hozzászólására (») Ápr 24, 2007 /
 
Akkor vmi nem jól van. Egy komparátor kimenete akkor van nullában (LED világít), ha a negatív (invertáló) bemenetén lévő fesz nagyobb a pozitív bemeneten lévőnél. Ha ezekkel az értékekkel be tudtad állítani a fordított kapcsolást, akkor ennek is mennie kell.
(#) árpix válasza Sebi hozzászólására (») Ápr 24, 2007 /
 
igen ,ezen én is csodálkozom ,pedig eredetiben műxik ,így fordítva meg nem
(#) árpix válasza Sebi hozzászólására (») Ápr 24, 2007 /
 
akkor azért világít folyamatosan , a 18 ohmon keresztül persze, hogy nagyobb a fesz mint a pozitív bemenetén , nem ?
(#) Sebi válasza árpix hozzászólására (») Ápr 24, 2007 /
 
Igen. A pozitív bemeneten lévő feszt a trimmerrel be kell állítani úgy, hogy 18V-nál kialudjon. Ezután 18ohm alatti értéknél fog égni.
(#) árpix válasza Sebi hozzászólására (») Ápr 24, 2007 /
 
csak max 13V van ,akkor ez így nem jön össze
(#) árpix válasza árpix hozzászólására (») Ápr 24, 2007 /
 
fordítva miért jó és így miért nem ?
(#) Sebi válasza árpix hozzászólására (») Ápr 24, 2007 /
 
Látod, nem figyelsz! Elírtam, 18OHM-ot akartam, nem 18V-ot. Tehát amikor rajta van a 18 OHM, akkor állítsd be a trimmerrel hogy ne világítson a LED. Ha nem fogja át a poti, akkor tégy vele sorba még 1k-t.
(#) árpix válasza Sebi hozzászólására (») Ápr 24, 2007 /
 
kipróbáltam így is , nagyon minimális volt a két fesz között a különbség ,kicsit elhalványult a led de nem kapcsolt ki
(#) Sebi válasza árpix hozzászólására (») Ápr 24, 2007 /
 
Fáradok... cseréld meg a potit az ellenállással, azt elfelejtettem...
(#) árpix válasza Sebi hozzászólására (») Ápr 24, 2007 /
 
megnézem
(#) árpix válasza árpix hozzászólására (») Ápr 24, 2007 /
 
már le tudom tekerni, hogy ne világítson ,viszont ha csökkentem a 18 ohmot nem billen át sötét marad a led
Következő: »»   1 / 2
Bejelentkezés

Belépés

Hirdetés
XDT.hu
Az oldalon sütiket használunk a helyes működéshez. Bővebb információt az adatvédelmi szabályzatban olvashatsz. Megértettem