Fórum témák
» Több friss téma |
Mielőtt kérdezel, a következő két dolgot ellenőrizd!
I. A helyes tápfeszültségek megléte.
II. A kimeneten van-e egyenfeszültség.
Élesztés.
Ahogy írtam sajnos tapasztalatom csak az LM317- LM337IC-s szabályzott tápról van. Az biztos hogy STUDIÓ technikában használt profi keverők és DA konverterekben régi minőségi CD-ben is láttam már, táphoz alkalmazva. Nem 7812-7912 páros volt, annál jobb a zajelnyomásuk adatlap szerint és a valóságban is. Amiknél nagy hasznát vettem: analóg keverő tápja, elő erősítő táp, mikrofon előerősítő táp, és régebben lemezjátszó RIAA korrektor táp. Egy komolyabban megszűrt keverő tápja +/-12V 7812-7912 2X4700µF gyárilag, és előfordul hogy zajos, lecseréltem LM317- LM337 párosra 2x1000µF-al és már jobb is! De lehet értelme a fehér zaj csökkentő tranzisztoros körnek is, levágja a kiugró tüskéket. Bár ez lehet okoskodás csak.
syasztok!
Érdemes lenne ezt megépítenem- mini erősítő. Milyen tapasztalatok vannak TDA 2003 terén, valaki már épített hasonlót vagy pont ezt? Válaszaitokat előre is köszönöm
Aha érdemes lenne...mint a viccben milyen a feleséged? hááát van aki dííícséri...
Azzal tisztában vagy ,hogy ezt a teljesítményt 2 Ohm -os hangsugárzóval adja le? Érdemesebb lenne hidalt változatot építeni de akkor már ott van a tda2005 és egytokban van a két hidalható végfok ,ráadásul ha stereo kellene de hídkapcsolásban (így legalább 4 Ohm -os hangszórón adják le a teljesítményt optimálisan) akkor tda1554Q vagy tda1558q.
Szia!
Ha az első hasonló kapcsolásod, akkor igenis megéri. Nekem ez volt az első erősítőm! Összeraktam és az első bekapcsolásnál szörnyen búgott, jó szűrés hiányában, aztán megoldottam, s nem is volt rossz hangja. Egyszerű, tanulni belőle tökéletes...
Hello!
"Nekem ez volt az első erősítőm!"---"Elkészültem életem II. erősítőjével!" Szóval az első feleséged lesz a második? üdv! proli007
Jó estét mindenkinek!
Egy BEAG ebe 5310 "valószinű" erősítőhöz kérnék segítséget.Azért nem írok konkrét problémákról mert először egy két dolgot szeretnék megtudni róla.Ha valaki javított és ismeri ezeket az erősítőket kérem segítsen. Köszönöm:fater
tehát át kell alakítanom az egész kapcsolást hidasra. Tudtok benne segíteni vagy oldal címet linkelni? előre is köszönöm
esetleg letudnád rajzolni a második erősítőd kapcsolási rajzát?
Előre is nagyon köszönöm
Mit szeretnél tudni róla? Egy 250W-os hídkapcsolású végfok, 100V-os vonalkimenettel. Az elektrotanyán fenn van a rajza javításhoz esetleg.
Szia!
Igen, elsőt írtam és ez valóban a második, de az első olyan csúnya volt, hogy nem mertem belinkelni...
Hello!
Az lenne a kérdésem,hogy van egy mono erősítő KIT LINK és ebből 2darabot össze-e lehet kötni egy előerősítővel,hogy sztereo legyen?(itt persze 2transzformátorra gondolok és 1előerősítőre) Választ előre is köszönöm. További szép napot
Szia!
Két előerősítő kell (sztereó), és elég egy táptrafó is a két erősítőhöz, csak megfelelő teljesítményűnek kell lennie.
akkor ehez a 2erősítő KIThez elég egyetlen 300Wos toroid?
Szia
Miért kellene 400W-os trafó? A TDA7294 kb 70W-ot tud 4ohmon, ebből kettő 140W lenne (+ a disszipáció), elég 300W-os is bőven, és túl is van méretezve a trafó.
Inkább 100W-os. Bővebben: Link
Ha ezt rendelnéd akkor már alapból stereo lenne egy nyákon.Bővebben: Link Igaz nem pont ugyanaz ,de hasonló.
Szia!
Azt tudom, hogy hidalt meg 100V os és a rajz is meg van.Bedöglött egy vihar után.Kicserélgettem a rossz tra nyókat diódákat egyebeket.Betol a helyére és megint eltávoztak az alkatrészek.Na most kivettem a fő panelt ki cserélgettem a rossz alkatrészeket labortápról feszültséget neki kis idő mulva az egyik utánna amásik oldal döglött be.Mind a két oldalon ugyan az romlott el.Na most a főpanelt szólóba be lehet e indítani?Ha igen akkor itt akadtam meg.
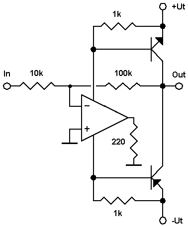
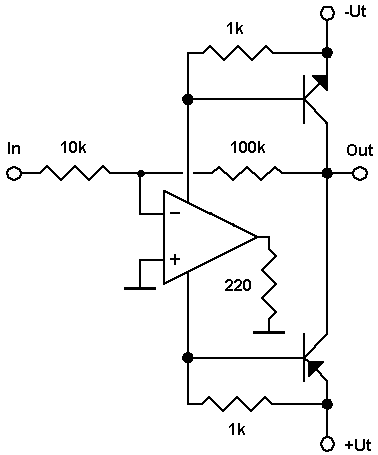
Emberek... ez így életképes ? Csinált már valaki hasonlót ? ( lényegében ua. mint a VF3 csak sima tranyókkal, nem fettel. )
üdv
A tranzisztorokat forditva rajzoltad be a fenti npn emiterje a kimeneten legyen a kolektorja meg a + on,az alsó pnp tranyónál ugyan igy,emiter a kimenetre és kolektor a - tápágra.Az op amp kimenetét én inkább a kimenetre csatlakoztatnám azon a 220 as ellenálláson kereszul.
Nem, ez direkt van így. Mint pl. ez: Bővebben: Link
A vf3 sem source-follower, ott is a drain-ek vannak a kimeneten. Ó.. most látom hogy a tápcimkéket felcseréltem...helyesbítek:
Szia!
Szerintem érdemes. Ha nem építettél még erősítőt, akkor csak ajánlani tudom, nagyon egyszerű és nagyon olcsón lehet vele kisebb erősítőt csinálni. Esetleg nézd meg a tda 2030-at, az is hasonló de valamivel erősebb és jobb hangú is.
tehát csak az Ic cseréljem ki? Esetleg tudsz a tda2030 ról valami infót vagy linket? Mekkora lehet e hangszóró mait rápakolhatok illetve mekkora lesz a teljesítménye?
Válaszod és segítőkészségedet köszönöm, és igen ez lesz az első erősítőm Az ic adatlapján amit a Hestorról hoztam be ott van olyan hogyTYPICAL APPLICATION, az maga az erősítő?A többi icnél is így van? vagy pedig nagyon nagyot tévedek
Tisztelt Alkotó! Tudom ,hogy szereted az A osztályú erősítőket ,találtam egy érdekes 20W -osat amit azért küldök mert táp megoldásokat is tartalmaz a leírás hátha ez előrébb visz az alap kérdésedben. Bocsánat ha semmi hasznos nincs benne számodra.
|
Bejelentkezés
Hirdetés |












