Fórum témák
» Több friss téma |
Fórum » Egytranzisztoros erősítők (Zen)
Meg lehet de hát az a osztály nagyon sokat fogyaszt feleslegesen. Ezért is hagytam fel ezzel az iránnyal. Inkább az avatáromban látható cuccot ajánlom, a végfok pont jó is szimpla 12V-ról, az eléőfokot meg át kell alakítani szimpla táposra. Ez nekem jobb hangot az mint az a-osztályú cuccaim.
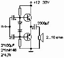
Szerintem ez Mayan rajza, másrészt szerintem fordítva áll az egyik bemeneti kondi
A bemenő kondik jól vannak... úgy kell elképzelni mintha a bemenet földelve lenne, tehát mindkét kondi bemenő lába legyen a - pólus. ( régebben ezt nem tudtam...
) Amúgy nem annyira az enyém, inkább egy tankönyvi alapkapcsolás. Én csak próbáltam népszerűsíteni, nem sok sikerrel. Írtam most hozzá egy kis szöveget, cikk helyett, íme:
Érdekes.
Én direkt úgy csináltam hogy az egyik kondi pont fordítva áll. De megfordítom
Egyre inkább izgatja a fantáziámat a cucc.. Csúnya pofáraesés lenne ha elkalapálná a conductoromat, de majd ki fogom próbálni..
Igen, mert régebben azt hittem hogy szépen bekötöm őket a tápfesznek megfelelően, +-+- és kész. De valaki felvilágosított hogy a jelforrás véges bemeneti impedanciája miatt mindkét kondi bemenő lába olyan mintha földelve lenne, megmértem és tényleg, a feszültségek úgy vannak a kondikon... mindíg tanul az ember...
A teljesítménybeli korlátain belül, egy kellően jó műveleti erősítővel meghajtva, szerintem méltó ellenfele a conductornak is. Én a supramplival összehasonlítva is ezt érzem/hallom jobbnak. Pedig az is nem-visszacsatolt... Ennek ugyan nincs akkora felbontása mint a komoly végfokoknak, viszont nagyon feltűnő a jelenlétérzet amit produkál. Érdekes módon a single ended a-osztályú emitterkövető nem volt ilyen. Ezt a mai napig sem tudom hogy lehet. Csak a push-pull mód tudja ezt. A szimpla emitterkövető hangja sima, visszahúzódó, jellegtelen, unalmas.
Opának őrzök egy OPA606-ot, viszont egyébként semmi alkatrészem nincs hozzá, maximum az 1n4148 és a 4k7
Udv,
Erdemes lenne a kimeneti fokozatot is szimmetrikus tapfeszultsegrol hajtani es akkor kikerulne a kapcsolasbol a kicsatolo kondi ami teljesen feleslegesen van a hangutban.
Van egy ilyen példányom is, a munkahelyemen ezt hallgatom, talán egy leheletnyivel jobb is mint a szimpla tápos, de így nincs dc-védve a hangsugárzó, így nem 100% biztonságos mint a kimenő kondis változat. Ezért egy fokkal praktikusabbnak tartom a kimenő kondisat. De egyébként maximálisan igazad van. +- tápos buffernél az is jó hogy azonos tápról mehet a meghajtó ic-vel.
Ennel a kapcsolasnal pedig a kozbenso nem invertalo buffer fokozatot tartom feleslegesnek ...
Ilyen "aprosagokat" mar direkt eszre sem veszek ha ezt a topikot olvasom
Látom már van neve a gyereknek. Mayan Gold.
Ha az IC-ben lévő tranyókat is számolom.... Hát... ez már elég bonyolult erősítő... ahoz képest hogy "csak" 2(!) tranyó van benne!
Ha már ilyen kis okosak vagytok, tervezhetnétek nekem 1 vagy 2 tranyóval egy meghajtót ami csekély torzítás mellett tud +-15V-os kimenő jelet, az ic helyett... a tápfesz lehet bármekkora, dupla v. szimpla is.
Egy darab csővel megoldható , visszacsatolva sem lenne .
Mutatsz rajzot ? A kimenő áram elegendő lenne a végtranyók meghajtására ?
Doncso, neked van rajzod arról ahogy meghajtottad csővel a buffert ?
ITT van pl. egyetlen kettos triodaval megvalositott SRPP kapcsolas. Egy probat meger az IC helyere...
A torzitasa biztos nem lesz kisebb mint az ICs valtozatnak, de a hangja mas lesz
Nincsen, mert annyira egyszerű, de az A-osztályos topicban leírtam töviről hegyire a dolgot. Bár annyira nem jó az enyém, hangilag csak csak, de CHZ Zoli hivta fel a figyelmemet, hogy fázist fordít.
lamalas által mutatott kapcsolás is használható lenne , csak kicsit javítani kellene a buffer kivitelezésén .
Kapcsolás kb. 18 V eff. kimeneti szintet produkál , de a félvezetős fokozatod terhelését nem fogja szeretni ...
Sejtettem... ezért szeretnék tranzisztorosat...
Attol, hogy tranzisztoros fokozatot szeretnel a bemeneten nem valtozik a helyzet a terhelest illetoen. Maskepp megfogalmazva: tranzisztoros bemeno fokozatot is le lehet terhelni a jelenleg hasznalt kimeno bufferrel, tehat ez a dolog nem attol fugg, hogy csoves v. tranzisztoros a bemeneted. Ha nem megfelelo a tranyos bemeno fokozat akkor az sem lesz jobb a csoves SRPP-nel.
Egyebkent a belinkelt csoves SRPP-hez keszithetsz darlington veget is, maris jobb lesz a helyzet. De lehet h. az lenne a legjobb ha nyitnal egy masik topikot mert ha jol ertelmezem mar nem egytranzisztoros erositokrol folyik itt a diskurzus. Szerk.: ne is masik topikot nyissal mert annyi erositos topik van mar. Inkabb egy meglevobe kellene ezt a szálat folytatni.
Rosszul sejted , mert csak arra a kapcsolásra igaz amit írtam .[OFF]
Mayan nekem tetszenek a kapcsolásaid megis épitetem majdnem mindegyiket de a végfok tápjára nem kéne szürés? Iletve az elöfok tápját stabilizálni nem árt szerintem.
Ahogy olvasgattam a témát láttam hogy akik az erősítőt lemérték azok a négyszögjelet leszámítva elég csúnya jeleket láttak. Csak kóstolgatom az elektronikát szeretek minél többet tanulni róla és biztos ezzel az erősítővel is fogok fejlődni minden téren. Emikor elsőnek összeraktam nekem tetszett fülre a hangja egy 1W-os TDA-hoz képest, de nyílván nem überel egy komolyabb erősítőt. Mindenesetre szerintem megéri azt, hogy elkészítsem sztereóban és igényesen bedobozoljam. Veszteni nem vesztek vele, csak egy amúgyis itt kallódó fel nem használt trafót meg max egy hűtőbordát. Második bedobozolt munkámnak ideális választás úgyvélem
Megtaláltam a kommentekben a hangkártya-oszcilloszkópot, majd én is fogok rajta méréseket végezni rutinszerzés célból.Mindenkinek jó építgetést és kellemes ünnepeket
Elkészültem a fa dobozzal amibe az erősítő fog menni. Nem egy asztalos munka de szerintem korrekt lett. Dekorativitásból 10pontból 7,5öt adnék neki. Mindegy, a lényeg, az elektronika. A mayan féle leegyszerűsített Zen ment volna bele. De az izzó mint fojtótekercs nem akar szépen üzemelni. Tettem bele 10W-tól 50W ig midnenféle 12 voltosat, de az ellenállásuk kb 0,1-0,5ohm. Elég csúnyán szóltak tőle. A legszebben 22ohmos 30W-os huzal ellenállással szólt. Viszont pár perc után nagyon átforrósodott az ellenállás és nem akarom így beépíteni. Végül úgy döntöttem hogy az eredeti zenhez visszanyúlva tranyókkal oldom meg a tekercs dolgát. Mellékeltem egy kapcsolási rajzot ami az eredeti zen tápegység nélküli része, ott is így oldották meg. Bár én az irfp140 helyett a mayan féle irf540est fogom beletenni és irfp9240 helyett pedig irf5210-et (olcsóbb és barátibb tokozás
) Remélem hangra nemlesz rossz. Két ünnep közt fogok beszerezni egy oszcit, lesz legalább mit méricskélni. ![]() ui.: Sajnos elég csúnyácska pufferkondikat szereztem(csatornánként 2*10.000µF sima kék elkó) Szóval azokat nem tehetem ki a tetejére, így jelentősen romlik majd az összkép.
Mayannak írom, erre a hozzászólására!
Olvasgattam ezt a témát, mindenféleképpen veszek két mosfetet és elkezdek kísérletezgetni. Egy annyit mondj még, kérlek, hogy érdemes inkább kapcsolóüzemű táppal megépíteni? Hagyományos EI trafóval igencsak nagy szűrés kéne neki, nem? Tudom, hogy a fojtósnál ez nem probléma, de az égős verziónál lehet, hogy lennének brumm-gondok... |
Bejelentkezés
Hirdetés |





) Amúgy nem annyira az enyém, inkább egy tankönyvi alapkapcsolás. Én csak próbáltam népszerűsíteni, nem sok sikerrel. Írtam most hozzá egy kis szöveget, cikk helyett, íme: 






