Fórum témák
» Több friss téma |
Fórum » Csöves erősítő készítése
Ne feledd betartani a fórum viselkedési szabályait, és a topik megmaradásának feltételeit. [link]
A téma átmenetileg fagyasztva lett, hozzászólni nem tudsz!
Nem akarlak elkeseríteni, de a 6C19P (6N13C, 6C41C 6C33C stb.) meghajtásnál ne is álmodj alacsony tápfeszről. Legalább 400 V kell a meghajtásnak , ráadásul feszesen kell fogni a rácsot is, és ekkora tápnál katodin közvetlenül szóba sem jöhet, nem lesz elég lineáris meghajtófeszed (kell utána még egy-egy cső, ha katodinnal akarsz forgatni, a 250 V / katodin csiklandozásnak is kevés lesz).
Zoli (CHZ) meghajtásával kezdjél barátkozni szerintem, ha ütős hangot is szeretnél a 6C19P-k után hallani.
Magyarul legalább egy Williamson féle meghajtás kell, 400 -ról tápról, 200 V körüli végcső anódfeszültséggel.
No igen, több kilós kimenővel. Ha viszont befeszítesz neki (kicsi táp, kicsi Ra), akkor a "szelep" lesz a realitás (és "rideg" hang).
6PC41C-vel csináltam Triódást jó régen . -50V körüli előfeszütséggel ment 200V körüli anóddal, de a meghajtó csövek 400V-ról mentek. Az a differenciál szerü fázisforditó, meghajtva SRPP-vel. Eszement jó anyagokkal, Vishay ellenálások, Torzitásra válogatot Papirkondik, rezgéscsillapitva -a saszé, puferek, kimenő is-
8-10 Watt jött ki, de a süket (Kef, Celesion SL 600) hangfalal, is nagyon jól szólt. Javitottam akkoriban, egy OTL-t ( Duál mono ( két darab) --A Futermant koppálta ember-- Climo 9000$-ért rendelte ember VdH drótozással ) sehol nem volt a 100Wattjával. A triódás vendégségbe egy pár éve nálam volt. Csnáltam róla képeket, ide raknám, ha tudnám hol van.
Üdv!
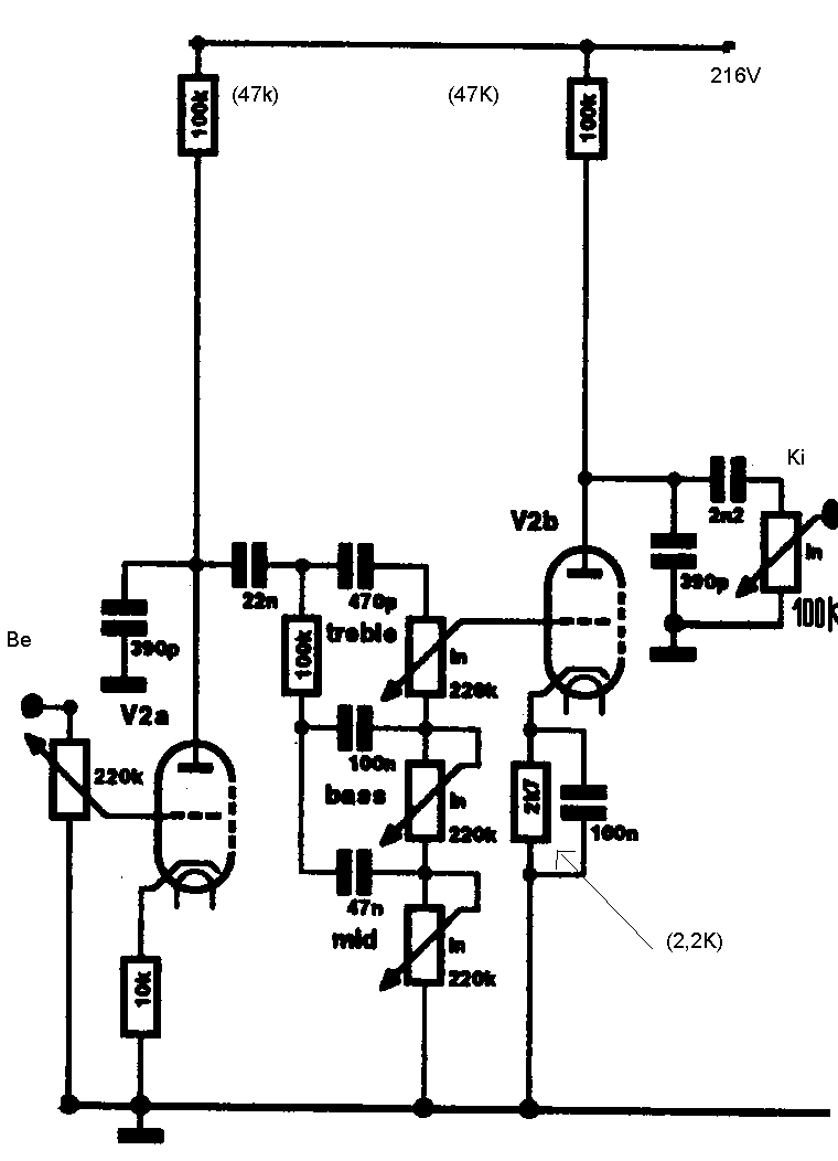
Összeraktam egy PCL85 SE kapcsolást és bele tettem egy olyan csövet, amiről annyit tudok (lekopott a felirat), hogy soros fűtésű és nagyon hasonlít a PCL86-ra, csak más a bekötése. Szépen szólt legalább 1 hete, és összeraktam hozzá egy hangszinszabályzót. Rajzok mellékelve, az előfok a zárójeles értékekkel lett összerakva. Azóta olyan a hangja mintha túl lenne vezérelve és a visszacsatolás rossz helyre lenne kötve. Mi okozhatja a jelenséget?
Jól gondolod. Túl van vezérelve.
Ez a hangszinszabályzó hangszer cucokban használato.s (Marschall, Fender stb) . Nehéz lineárisra állitani, szkóp nélkül
Gyönyörü darab.
Hány kiló forintért mérik ? Hozza magát ?
Ideért a legújabb tesztalany a 6SZ19P.
Neki is álltam a 6p14p se lebontásnak és triódára átkötésének...Meghajtás ECC83 egy félcső Túl nagy kimenőimpedancia, de legalább erősít...Kimenőtrafó 5-6k 4 Ohmra...Előre láttam az alulterheltséget, amikor mindkét csatorna ment majdnem 2x2W ot leadott, bevittem a triangle-re...HUPPPSZ, kegyetlen.Átkötöttem ECC85 re, na az elbír vele egy félcsőből is papír szerint, kihajtotta 8VPP re 4Ohmon. 2W!, eleget is erősít, és a kim imp is kissebb...de ez a fülemnek valahogy nem tetszett, ECC85 szarul szól akárhogyan munkapontozom...bár lehet ha 10mA Ia mellett jobb lenne...mert csak 5mA ig mentem fel...De akkor már nem erősített eleget. Bepróbáltam az aranyozott lábú Sie E88CC-t...Jó a kis belső ellenállású cső lehet mert kihajtja mint az ECC85, csak a fesz erősítése kissebb sajna nem koppantja be a triódát a CD kimenetéről csak épphogy... DE A HANGJA...hihetetlen. Most olvasok vissza, és érdekes módon pont erről a csőről van szó elöttem is. Meghajtás ezekszerint nem fog menni a 280V os tápról, bár ez csak egy szem trióda, de az ECC83 nak nem sikerült megfogni elég keményen, az ECC85 el teszek még próbát nappal (most alszik a város csendje halálos) de az E88CC maradt bent. Párhuzamosítani semmiképp nem szeretnék csöveket, PP nem egyszerű a forgatás miatt még több táp kell... Sima SE lesz mindenképp 1 szem trióda csatornánként, ahogy most is van, csak a meghajtás miatt lehet tápot kellene dupláznom egy SRPP ECC83 nak. Nem egyszerű eset.
Ami igazából adott, az a szasszi 7 db novál foglalatos elektroncsőhöz, a két kimenő hiperszil, valamint a hálózati toroid mag. PP-re csak azért gondoltam, mert kihívást jelentene számomra, hiszen olyat még nem építettem.
A hangszinszabályzó eredeti kapcsolása a Vox V15 lenne.
Azt nem írtam, az E88CC nem az ajánlott 10-15mA es munkapontban hajtja ki, mert akkor szintén kevés az erősítés, hanem egy "rosszabb" nem neki való munkapontban volt képes kihajtani 60-70százalékosan cd kimenetről félcsővel egy 6sz19p-t.
A hangja nagyon jó lett, valószínű az egyszerűsége miatt.
Mivel a 6sz19p szelepcső nem találtam ajánlásokat hf erősítőre..Kérdésem mekkora rácslevezetőt tegyek? a 470k lehet túl lazán fogja?
Nálam külön tápegysége lesz a rácsfeszültségnek, még az is lehet, hogy stabilizálom.
Egyébként mától egy hétre kész kell hogy legyek vele, ugyanis utána már nem nagyon lesz rá időm.
Tudom, hogy ez nem a fórum szorosan vett témája, de mindenki akivel meg szeretném osztani a hírt, ezt az oldalt olvassa...(Elnézést kérek a Többiektől.)
Megvan a Sturbival történt közös meghallgatás első hozadéka, beszereztem a 88dB-es B&W DM309 mellé (no nem egy Hans Deutsch Atlantic-ot ) egy 92dB-es Mission m34i-t. Ez a 4dB érzékenységtöbblet azt jelenti, hogy a G807SE az új dobozokkal akkora hangerőt produkál a zeneszobában mint a 6C33C a kétszer akkora teljesítményével a régi Bowerseken. Ez most új távlatokat nyithat az SE hallgatás terén... Ismét előkerült az DC csatolt EL84SE...
Nem is tudtam, hogy az AC 15-ben 3 gombos a hangszin.
A legendában (AC 30) két gombos Kösz az info
Kevés ez a meghajtás, halkabbra sikerült film notebookról nem hajtja ki 0,2W ra sem...
Ha beteszek még egy fokozatot, azaz még 1 vagy 2 e88cc fűtés és pár mA anódtáp, azt már nem bírja el ez a kis táptrafó (videoton r4901). Úgyhogy a hétvégén bontás, és 6p1p teszt, annak 500mA a fűtése (nekem EV-s van annak még egy kicsivel kevesebb) ECC83 kihajtja. ECC83 jó hangú is szemben az ECC85 el (nekem nem tűnik hangnak ami kijön) ECC83 300mA+465mA+465mA fűtés, az fele se mint a triódásé. Anódáram 40mA volt itt is ott is, csak ez tetródaként 40mA azaz több a kivehető kakaó is, vagy meghallgatom triódának kötve is... Anódáram oldalról csak az ECC83 2x0,9mA a spórolás, az E88CC csövenként 2x2-5mA hez képest, de ezt lazán tudja majd a táp. Lehet megpróbálok rádió kimenőket is...
Kösd kaszkódba az E88CC-t, akkor ki fogja hajtani valószínűleg, ilyesformán.
Látod ezek szerint az. Én úgy gondoltam, hogy ha a bemenetnél lévő részt lehagyom, nem lesz túlerősítve a jel. Akkor ez nem nem jó.
Szerinted ez jó lenne nekem?
A helyedben a bemeneteknél valamilyen miniatűr csővel próbálkoznék, azoknak ugyanis jóval kisebb a fűtési áramfelvételük.
Úgy döntöttem, közvetlen a 6C19П előtt ECC csövek lesznek, viszont helyszűke miatt bemenethez 6H28Б-ket teszek. Bővebben: Link
Végcső elé nem szerencsés a Kaszkód
Most nézem, hogy 10db-ra vonatkozik az ár.
Arra azért kiváncsi lennék az AC 701 mi pénz manapság, vagy a WF 12, (VF 12 )? Mindkettö elég ritka
Esetleg kaszkáddal kezd és a végcső előtt még egy katódkövető.
De Sturbi már oda is jelölte szaggatott vonallal a felső aktív munkaellenállást, az pedig SRPP KAZKÁD az már lehet jó, de az is 3 trióda, a kaszkád és katódkövető is 3 félcső. Ha már ennyi menne a meghajtásban lehet 2-3 triódát párhuzamosítani kellene a végén is...(mégiscsak kössek párhuzamosan végcsöveket?) Amit még meg szeretnék próbálni két egymásutáni fesz erősítő fokozat, az első ecc83 az kis árammal nagy erősítéssel, a második e88cc nagyobb árammal menne akkor kimenő imedanciája is kissebb lenne... Megkeresem ezt a williamsont. A 6sz19p nek mekkora rácslevezetőt tegyek?
Az bizony 1db.-ra vonatkozik, csak az eladónak 10db.-ja van(quantity:1!)!
Csak a kép miatt raktam be a linket. Természetesen nem onnan veszem a csöveket. A Puskás Börzén 250-300 Ft körül osztogatják darabját.
Nem szerencsés, de ne légy kategórikus. Ez csak belső ellenállás és választható nyugalmi áram kérdése. Az E88CC kaszkódban még mindig sokkal jobb a 6C19P elé, mint pl. egy szingli ECC83 (bár nem próbáltam), a célnak kell megfelelnie. 6N6P pl. kaszkódban a 6C33C-t is meghajtja (nem lesz túl nagy hozzá a kaszkód belső ellenállása). Ha anódból akarunk hajtani, széles feszültségtartományban nagy erősítés kell, még jó belső ellenállással.
Az ECC83 behorpad a 6sz19p meghajtása alatt...én próbáltam.
Az E88CC nek meg sem kottyant, lehet simán két fesz erősítő fokozat egymásután DC csatolva? és aztán a csatolókondin hajtani a 6sz19p-t, mert az első fokozatnak elég lehet 100V a másodiknak talán a 200V akkor a 300V os (310-330 DC re van trafóm- CRC) táp elég az egész hóbelevancnak a 6sz19p úgyis 75V on ül annak is marad 220V. Vagy ez rossz elképzelés? Sőt az első fokozatnak talán a 70-80 V is elég lenne akkor több marad a következőnek...vagy legyen két csatolókondi és mindkettő E88CC menjen 280V ról (300-CRC)
Én azt javaslom próbáld meg oldalanként mindössze egy-egy E88CC kaszkóddal kondenzátorcsatoltan meghajtani a 6SZ19P-t (hátha elég vonali szintről), amely 50 mA közeli nyugalmi árammal megy fix rácselőfesszel. Az E88CC-k fűtését emeld fel. 150-220 Kohm legyen a rácslevezető a 19-esnél.
|
Bejelentkezés
Hirdetés |





Túl nagy kimenőimpedancia, de legalább erősít...Kimenőtrafó 5-6k 4 Ohmra...Előre láttam az alulterheltséget, amikor mindkét csatorna ment majdnem 2x2W ot leadott, bevittem a triangle-re...HUPPPSZ, kegyetlen.








