Fórum témák
» Több friss téma |
Fórum » TV hiba, mi a megoldás?
Szia!
Ha már nem tudsz újra belépni a szervízmenübe, akkor EEPROM-csere ill. újratöltés segít. Szervizben megcsinálják.
köszönöm! Legalább tudom, hogy nem kuka. :worship: Egy kicsit megnyugodtam. Többet azt hiszem nem nyúlkálok olyasmihez amihez nem értek!
Kérném szépen a fórum társakat, CSAK olyanok kérjenek segítséget, Televízió javítás ügyben, akik legalább az alapvető elektrotechnikai jártassággal rendelkeznek, és elmúltak 18 évesek. Egyrészt azért mert a hálózati feszültséggel működő készülékek megbontása ÉLETVESZÉLYES, másrészt, ha az alapvető felkészültség nincs meg akkor több kárt csinálhat valaki mint hasznot. Higgyétek el nekünk is lelkiismeret furdalásunk van pl. a fenti esetben mikor valakinek tanácsot adunk, és esetleg rosszul sül el a dolog. Másrészt mivel nem támaszkodhatunk, mérési eredményekre, megfelelő műszerparkra stb... sokszor mi is csak találgatunk, bár mindent megteszünk, hogy segítsünk. Értse meg mindenki, hogy azt a készüléket, aminek a javítása, meghaladja a képességeinket és felkészültségünket, AZT SZERVIZBE KELL VINNI. Még annyit hozzátennék, hogy minden esetben, nagyon óvatosan, csak gumitalpú cipőben, lehetőleg leválasztó trafó közbeiktatásával javítsunk hálózati feszültségről / 230 Volt / működő készüléket.
Sziasztok.
Szeretném a segítségeteket kérni egy Sony tv javításában (KV-29CS60). Mielott szétkaptam volna, 4-es hibakódot kuldott (fuggoleges eltérítés hiba). Szétszedéskor észrevettem, hogy nagy valoszinuséggel megfutott a táp. Kicseréltem egy rakás zárlatos és rossz kondit a G-modulban (a pirossal bekarikázott alkatrészek cserélve voltak), valamint az D-modulban is cserélve volt egypár dolog. Most ott tartok, hogy 2-es hibakódot produkál (OCP-bekapcsolt a túláramvédelem). A G-modulbol megy a D felé 135V, amelyet ha csatlakoztatok, ha nem, akkor is 2-es hibakódot ad. Megmértem a 135V-ot a G-modulon bekapcsolás után terheletlenul és felfutott 160V korulire 1-2 másodperc alatt (nem tudom ez normális-e) utána a védelem tiltotta- szétkapcsolt a relé. Szerintem a kékkel bekarikázott alkatrész is bunos lehet, meg még ki tudja mi Zárlatot már nem találtam sehol. Ha valaki esetleg tudna adni tanácsot, hogy merre keresgéljem a hibát tovább, akkor azt megkoszonném.A tv service service-manualja tul nagy, nem tudom feltenni :no:
Sziasztok,
van egy Philips 32PF3321/12 típusú tv. Az a hibajelenség, hogy ha bedugom, nem történik semmi, csupán pattognak a hangszórók. Hol kellene elkezdenem keresnem a hibát? Táp baja lehet? Köszi Üdv
Közben szétszedtem, és olyan hangot ad (szerintem a tápból jön), mintha egy óra veszettül ketyegne. Valamelyik trafó lehet?
Zárlatos a táp szekunder oldala.
Általában a sorvégfoktranzisztor zárlata okoz ilyen hibát.
Az izzós módszerrel eldöntheted, hogy a táp jó vagy sem.
Üdv!
Végigcserélgettem az összes csövet a másik tv csöveivel, de a hibajelenség az megmaradt. Arra tippelek, hogy valamelyik anódfeszültség tűnik el.
Ezek szerint nem kerülheted el a méricskélést. A melegedésre megnyúló ellenállástól kezdve a video demodulátor OA1160-ig sokminden lehet a probléma forrása.
Szerintem forraszd ki a sorvégtranzisztort, kapcsold be a TV-t, ha a táp így indul és nem hallod a ketyegő hangot megvan a hiba. Azonkívül lehet még a sorkimenő is hibás, vagy a tranzisztor körében kondenzátor. Javításnál bekapcsolt állapotban mindig használj leválasztótrafót !
Üdv.: moele :felkialtas:
De jó vólna ha ilyen egyszerű lenne!
Ha mindent lehúzok a tápról, akkor csendes (kimérni még nem tudtam), viszont a leírt jelenség csak akkor jön elő rajta ismét, ha a mainboard-ot (alaplap?) visszadugom rá. Ha mást dugok rá, akkor nem jelentkezik ez a zaj. Lehet az alaplap hibás? Az alaplapról szintén minden le van húzva.
Hi Mesterek!
Lenne egy olyan kérdésem hogy adott egy SEG CTV 170 SVT és olyat csinál, hogy menet közben eltűnik róla a kép, de a hang marad. Kikapcs bekapcs s megyen tovább azaz vissza jön a kép. Segítséget előre is köszönöm. Hát megvagyok áldva a családban a Tv-ekkel, sorra mennek tönkre Evvel egy időben a Videoton TV-is "javítgatok" itteni segítséggel, amiért hálás köszönet.
Sziasztok!
Megvan valakinek esetleg a Samsung CK-20S20BT tvnek a kapcsolása? Bekapcsoláskor pukkant egyet és a hálózati kismegszakítót is levágta.. A tippeket előre is köszönöm!
Sziasztok!
Megvan valakinek esetleg a Samsung CK-20S20BT tv-nek a kapcsolása? Bekapcsoláskor pukkant egyet és a hálózati kismegszakítót is levágta.. A tippeket előre is köszönöm!
Mindenek előtt szét kellene szedni és a hálózati, valamint a táp részt át vizsgálni. Valószínűleg látszani fog. Lehet még a lemágnesező PTC is.
Sziasztok
Szeretnék egy kis segítséget kérni , lenne egy Philips 20pt1354/58 tipusu tv.Olyat csinált hogy pattant egyet és se kép se hang, csak készenléti jel van köszönöm
SZia ..a szekunder oldalon,kerezsgéld a sortrafo mellet,lehet hogy jobban meg kapod az a alkatrész amelyk ,elcsattant vagy ha nem akkor, műszerel kell meg keresni a bajt.
Szia. Erre egyszerű választ nem tudok adni, Meg kell szerezni a rajzot végigmenni multival és szkóppal a gépen, hogy ki és hol tűnik el. Sajnos azt, hogy eltűnik a kép azt okozhatja a videojel eltűnése valamilyen szakadás vagy elmelegedés miatt, okozhatja a segédrácsfeszültség/G2/ hiánya, okozhatja a fűtőfeszültség eltűnése, okozhatja a sorvég leállása, okozhatja a képvégfok leállása mert akkor elveszi a képet a proci, okozhatja a processzor is ha 0-ra ülteti a fényerőt és a kontrasztot, stb.... és még egy pár dolog de ennyi is bőven elég. Ki kellene ezeket mérni.
A fűtőfesz eltűnését a legkönnyebb észre venni, kihuny a cső nyaka, a G2 TV-től függően általában 400-800 Volt között van, a sorvég leállását is észre lehet venni egyrészt abból hogy a csőfűtés is elmegy másrészt közelről hallani lehet a 15626 hz-es sípolást ha megy. Szóval ezeken menj végig aztán meglátjuk merre indulhatunk tovább. A táp és a nagyfesz környékén nagyon óvatosan a 230V nem játék, mondjuk a 25000V sem az, de kb. annyi a cső anódfeszültsége. Fery
Szia. Nagy valószínűséggel a táp bejárati köre durrant el. A szűrőkondi, Graetz, táp kapcsoló, tranzisztor, pufferkondi, demagnetizáló PTC, Főleg ezek között lehet a hunyó. HA már a kapcsolótranyó döglött, akkor a táp primer oldali összes elkóját is cseréld, és nézz körül a szekunder oldalon is hátha a kimeneti diódák valamelyikét, vagy a sorvégtranyót is elvitte magával.
Fery
Valóban elképzelhető, hogy szekunder oldali zárlat van, de azt az esetek többségében a táp megfutása okozza, amiért főleg a primer oldali elkók felelnek. Tehát azokat is cserélni kell. Érdemes még megmérni a sorvégtranzisztort is nem zárlatos-e. Fery
Szia!
Szétszedtem, első ránézésre semmi károsodás nincs. 3.15A-es bizti ki volt menve. Kicseréltem ugyanolyanra, azóta működik ![]() Utána egész nap teszteltem, többszöri ki-be kapcsolás, minden ok. A tápból sem jön semmi gyanús hang. Hogy miért nyomta ki a biztit és az automatát is, holott a tv most a bizti cseréje után jól működik - ezt még nem tudom. Lehet hogy a hideg bekapcsoláskor a PTK terhelte le?
Szia !
Van olyan is , hogy elöregszik a biztosíték szála, de itt valóban a PTK okozhatta a hibát. A PTK korongjainak szélei szoktak átütni, van amikor valósággal felrobbannak. Forraszd ki és szedd szét, vagy rázd meg, biztos, hogy csörögni fog. Mindenféleképpen cseréld a PTK-t. Üdv.: moele
Egyetértek. Az a PTC kuka, ami benne van. Fery
Szia!
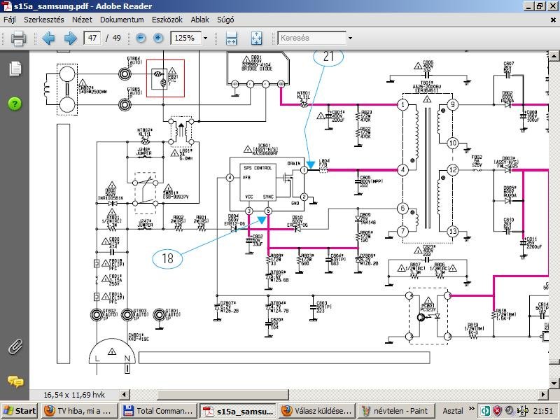
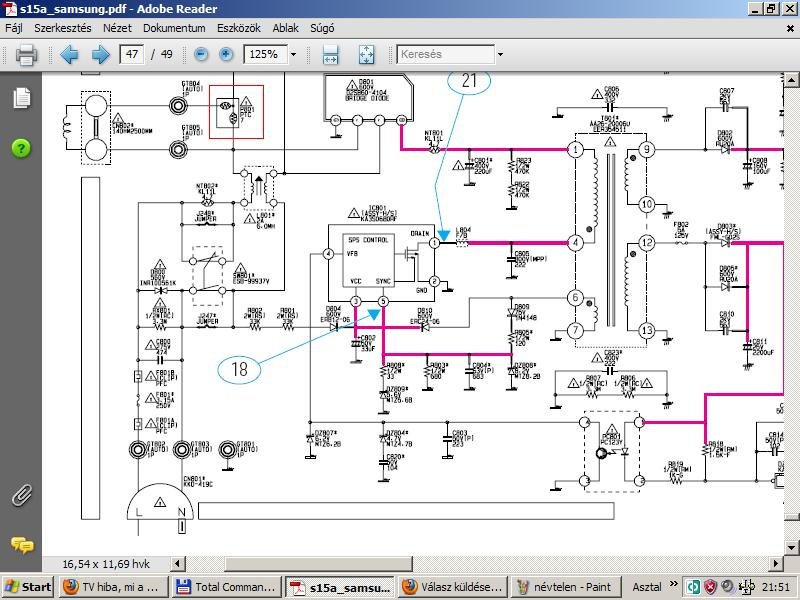
Szétszedtem, látszatra rendben. 3.15A-es bizti ki volt menve. Cseréje után a tv működik. Minden ok, többszőr k-be kapcsolgattam, automatát nem vágta le, bizti nem ment ki. azóta. Hogy mi okozta a túláramot - az automata levágását is- nem tudom. Lehet hogy bár most jól működik, de PTK elszállt benne és szakadásként van? A rajzon ez egy külön kör, ettől a tv még működhet. (pirossal bekereteztem.) Ha az a háromlábú ptk nincs ott mert szakadás lett, akkor bekapcsoláskor károsíthatja a TV-t?
Szia!
Lehet hogy bár most jól működik, de akkor lehetséges, hogy a háromlábú PTK elszállt benne és szakadásként van? A rajzon ez egy külön kör, ettől a tv még működhet. (pirossal bekereteztem.) Ha ez nincs ott mert szakadás lett, akkor ez hosszú távon károsíthatja a TV-t? Láma kérdés: miért van rá egyáltalán szükség? |
Bejelentkezés
Hirdetés |




Zárlatot már nem találtam sehol. Ha valaki esetleg tudna adni tanácsot, hogy merre keresgéljem a hibát tovább, akkor azt megkoszonném.

Evvel egy időben a Videoton TV-is "javítgatok" itteni segítséggel, amiért hálás köszönet. 


