Fórum témák

» Több friss téma
Fórum » NYÁK terv ellenőrzése
 
Témaindító: Paso, idő: Okt 4, 2005
Lapozás: OK   45 / 203
(#) proli007 válasza zotya94 hozzászólására (») Dec 2, 2010 /
 
Hello!
Az IC 2-es és 6-os lába nincs összekötve. A BC141 kollektor emitter lábai fel vannak cserélve.
üdv! proli007
(#) zotya94 válasza proli007 hozzászólására (») Dec 2, 2010 /
 
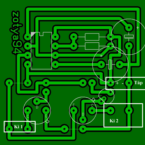
Üdv. Köszi a gyors választ/segítséget. A mellék szerint jó? Üdv.: Zotya
(#) poros válasza zotya94 hozzászólására (») Dec 2, 2010 /
 
Szia. A lay filében hagyd benn az alkatrészeket, ha nyomtatni akarod kikapcsolhatod az egyes rétegeket a nyomtatás menü bal felső szélén ami kijelölve marad/pipa/ azt nyomtatja. Próbáld meg szépen sorban kivenni és visszatenni a pipákat és máris látod mi változott a rajzon. Úgy könnyebb ellenőrizni a rajzot hiszen most egyszerre hármat kellene nézni.
De látom proli007 nek nem okozott így sem gondot.
(#) zotya94 válasza poros hozzászólására (») Dec 2, 2010 /
 
Szia! Nagyon szívesen benne hagynám ha tudnám használni a prog azon részét. Nekem egy portable verzió van meg amiben tényleg csak a NYÁK tervezés megy Folyamatban van egy újabb/jobb verzió beszerzése, de sajna nem hozza az illető a progit: ((

Üdv.: Zotya
(#) poros válasza zotya94 hozzászólására (») Dec 2, 2010 /
 
Van már 5 ös verzió ráadásul magyar. Az Abacom oldaláról letölthető.
(#) zotya94 válasza poros hozzászólására (») Dec 2, 2010 /
 
Okés köszönöm. Már keresem is!
(#) zotya94 válasza zotya94 hozzászólására (») Dec 2, 2010 /
 
Üdv ismét!
Berakosgattam az alkatrészeket ( a tranyókban nem vagyok biztos mert még nem tanultam róluk, csak az adatlapjukra hivatkoztam) a két közel egymaás melletti fossze az 2 ellenállás helye, azokat nem tudtam berakni.

Megnézné valaki, hogy mostmár jó-e? köszönöm, előre is!
Üdv.: Zotya
(#) niedziela válasza zotya94 hozzászólására (») Dec 2, 2010 /
 
Idézet:
„Nekem egy portable verzió van”

Azt honnan szedted, ilyen elvileg nincs.

Idézet:
„Van már 5 ös verzió ráadásul magyar. Az Abacom oldaláról letölthető.”

Nem találtam, biztos ott van ?
(#) zotya94 válasza niedziela hozzászólására (») Dec 2, 2010 /
 
A portablet visszaszívom, mert kaptam egy másik verziót és az is ilyen. azért gondoltam hogy az mert volt egy mappa meg 2file mellé. Üdv.
(#) proli007 válasza zotya94 hozzászólására (») Dec 4, 2010 /
 
Hello!
Kissé kócos a dolog, de jó lesz. A tápfeszültségre viszont mindig érdemes egy 10..100µF-os elkót tenni, szűrésnek. (100nF helyére nem találtál kisebb kondit?)
üdv! proli007
(#) niedziela válasza zotya94 hozzászólására (») Dec 4, 2010 /
 
Az alkatrésznek azért van megrajzolva a fizikai mérete, hogy tervezés közben is láss !
Ez téged nagyon nem zavart
(#) határpont hozzászólása Dec 11, 2010 /
 
Sziasztok!

Szeretnék segítséget kérni a legegyszerűbb fesz. szabályzáshoz LM317-el. Böngészgettem a fórumon és az alábbi NYÁK rajzot készítettem el. Nem vagyok biztos a dolgomban, rápillantanátok a mellékelt file-ra.
kocsiba kellene, melyen 14,4 V-ot mérek. Nekem kb. 10,6-10,7 V van szükségem.
Ha jó a nyák rajz, a 270-es ellenás is megfelelő lenne az IC-nek?
Ez lesz az első munkám...

Minden segítséget köszönök!

Üdv.

Alarf6.GIF
    
(#) patexati válasza határpont hozzászólására (») Dec 11, 2010 /
 
Szia! A 2K ellenállás helyett egy timmer potmétert tegyél bele azzal lehet majd beállítani a feszültséget..Bővebben: Link
(#) határpont válasza patexati hozzászólására (») Dec 11, 2010 /
 
Rákerestem egy trimmer potira (Elektro Art: 5 KOhm (4.7 KOhm) fekvő 0.1W CA9 APSS ).
A poti bekötése számomra okoz némi fejtörést (melyik lábat hová? kell kötni). Elnézést a szuperkezdő kérdésért, de mégis...

Üdv.
(#) patexati válasza határpont hozzászólására (») Dec 11, 2010 /
 
Jó bele neked 5K,4,7K,2K amilyen van..A potinak három kivezetése van neked kettőt kell csak bekötni a középsőt és az egyik oldalon lévőt (ettől függ melyik irányba szabályoz). A szabadon maradót rákötheted a középsőre de nem muszáj.
(#) proli007 válasza határpont hozzászólására (») Dec 11, 2010 /
 
Hello!
A 4,7kohm-os potival, elvileg 1,2V..23V között lehetne állítani a feszültséget..
Egyszóval az igen durva lenne. Egyszerűbb lenne, a 2kohm-ot kétfelé bontani (1,8kohm+220ohm) és akkor a kisebbikkel finoman lehet állítani a feszültséget. Plusz nem mászik el..
Bár nem tudom mit készítesz, de számodra az 1db. 2kohm is megfelelne szerintem.
Egyébként 12V esetén, neccesen lesz meg a 10,6V..
Terheléstől függően, pedig hűteni kell a stabit.
üdv! proli007
(#) határpont válasza patexati hozzászólására (») Dec 11, 2010 /
 
Köszönöm, az info-t.
(#) határpont válasza proli007 hozzászólására (») Dec 11, 2010 /
 
Helló!
14,4 V a bemenő feszültség. Végül is ha potival vagy egyszerű ellenálással készítem el sincs semmi akadálya.
viszont ha valóban hajlamos a poti miatt a feszültség akaratom ellenére is elmászni, azt nem nagyon tartom szerencsésnek. Habár a nyák rajzon nem tüntettem fel, de szeretnék rá egy hűtőbordát is.
Üdv.
(#) proli007 válasza határpont hozzászólására (») Dec 11, 2010 /
 
Hello!
Kocsiban csak akkor van 14,4V, mikor a motor rendesen pörög. De ha áll, vagy alapjárat van, akkor nem sűrűn. (Főleg ha szép terhelések is be vannak kapcsolva.)
De szabad megtudni (ha nem titok), hogy minek ez a pont 10,6V?
üdv! proli007
(#) _JANI_ válasza határpont hozzászólására (») Dec 11, 2010 /
 
Az elmászást ha el akarod kerülni, akkor Jobb a fix ellenállás!
De azért ha van egy trimered ( amit előttem is javasoltak, ) azzal beállíthatod pontosan a kimenő feszültséget. Amikor megvan a kívánt feszültség, akkor kikapcsolt áramkörnél távolítsd el a potenciométert és mérd meg a csúszka és a bekötött láb közötti ellenállást. A mért értéket kell ellenállással vagy ellenállásokkal ( , ha nem szabványos értékű, ) kiváltani. Így ugyan nem állítható a tápegység de nem is fog elmászni a beállított feszültség.
(#) patexati válasza határpont hozzászólására (») Dec 11, 2010 /
 
Ha finom beállítás szükséges egy többfordulatos timmer vagy "Heli" potméter kell az nagyon pontos..
(#) határpont válasza proli007 hozzászólására (») Dec 11, 2010 /
 
Igen kocsiba kell. Alapjáraton is 14,4V ! persze terhelés nélkül. azért szeretném ezt az értéket figyelembe venni, mert ettől többre nem igen számolhatok. Persze, hogy nem titok, én is ledesíteni szeretném az autómat(de csak az alapfunkciók ellátása érdekében)mint oly sokan mások is mostanság.
A 10,6V 3 db. led sorba kötésével (nyit. fesz. 3,5V)+ előtte a megfelelő előtét ellenálásal. Ebből lesz 3 db. sor párhuzamra bekötve.

Ezek miatt szeretném szabályozni és stabilizálni a ledek áramkörét.

Üdv.
(#) határpont válasza határpont hozzászólására (») Dec 11, 2010 /
 
Elnézést, ha a következőkben nem válaszolnék további kérdéseitekre, de vasárnap estig biztosan nem jutok gépközelbe!

Üdv.
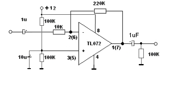
(#) storm hozzászólása Dec 12, 2010 /
 
Sziasztok!
Az alább kapcsolásból csináltam nyákrajzot, majd kész panelt, de sajnos valami nem jó
Lát valaki valami eltérést?
Az áramkörben van még lm3915-ös ic is, de ha azt kötöm be kihagyva az előerősítő részt az működik rendesen.
(#) niedziela válasza storm hozzászólására (») Dec 12, 2010 /
 
TL072 a panelrajzon nem jól van bekötve.
(#) _JANI_ válasza storm hozzászólására (») Dec 12, 2010 /
 
A zárójelbe tett lábak egy másik POA-hoz tartoznak a _TL072_-őn belül.
De a _TL071_-hez jó lesz a nyákterv... :yes:
(#) Eticsiga hozzászólása Dec 12, 2010 /
 
Sziasztok!
a kapcsolások között lévő fénycső 6-12v ról lévő kapcsoláshoz készítettem (átrajzoltam az ottlévőt) egy másik NYÁK tervet. Nem tudna valaki segíteni abban, hogy jól készítettem-e el?
a közepes sárga inverter trafó helyett én egy 230/12V-os nyáktrafót használok.
(#) _JANI_ válasza Eticsiga hozzászólására (») Dec 12, 2010 /
 
Mielőtt nyákot készítesz neki, javaslom dobd össze próbakapcsolásban az áramkört.
A közepesen sárga kis transzformátor sokkal magasabb üzemi frekvencián dolgozik mint a hálózati nyák-transzformátor. Vagyis a nyáktrafóra kellene ráhangolni az áramkört. S csak ha jól működik csak utána készíts neki nyákot. Véleményem szerint...
Az alkatrészek elhelyezésén és a vonalvezetés egyszerűsítésén még lehetne kicsit dolgozni. PL: a tranzisztort is el kellene 180 fokkal elfordítani, hogy a háta kifele nézzen.
(#) storm válasza _JANI_ hozzászólására (») Dec 12, 2010 /
 
A lábkiosztásra odafigyeltem mert én TL071-el csináltam mert nekem csak mono kell ebből ennek ellenére, ha adok neki tápfeszt világít az összes led és az lm 3915 is elkezd egy kicsit melegedni ha pedig jelet is adok neki akár a gépről akár telefonról nem csinál semmit ugyanúgy világít az összes LED. Mi lehet a baj?
(#) niedziela válasza storm hozzászólására (») Dec 12, 2010 /
 
Vedd ki a LM3915 Ic-t és nézd meg, hogy jel nélkül milyen feszültség szint van a TL071 kimenetén.
Vagy gerjed, vagy valahol rövidzár van.


Ha felteszel egy rajzot TL072 bekötésről, de TL071-t használsz, akkor nem biztos, hogy érdemes megkérdezni "Lát valaki valami eltérést?"
Következő: »»   45 / 203
Bejelentkezés

Belépés

Hirdetés
XDT.hu
Az oldalon sütiket használunk a helyes működéshez. Bővebb információt az adatvédelmi szabályzatban olvashatsz. Megértettem