Fórum témák

» Több friss téma
Fórum » 6v-12v-14.4v -> ledsor
 
Témaindító: ini, idő: Márc 19, 2008
Témakörök:
Lapozás: OK   2 / 3
(#) peti0227 hozzászólása Ápr 20, 2008 /
 
Sziasztok!
Én is elég kezdő vagyok, de én 40 fehér Led-et szeretnék üzemeltetni 6 Voltról. Tudnátok mutatni nekegy kapcsolási rajzot. Egy kézi reflektorba kellene. Előre is köszi
(#) proli007 válasza peti0227 hozzászólására (») Ápr 20, 2008 /
 
Hello!

Azt is kelene tudni, mekkora Led-áramot akarsz átengedni rajta (mekkora a katalógus szerinti maximum árma). Aztán, hogy ezen az áramon, hány volt esik a Led-en.

Mert így első ránézésre, 6V mellett, csak kettőt köthetsz sorba, és ehhez kell egy előtét ellenállás. (Tehát kétledenként lesz egy áramkör. Majd ezeket kötheted párhuzamosan.

üdv! proli007
(#) proli007 válasza proli007 hozzászólására (») Ápr 20, 2008 /
 
Ja, és ezt a cikket olvasd el.
(#) peti0227 válasza proli007 hozzászólására (») Ápr 22, 2008 /
 
Köszi, hogy írtál!
Találtam egy katalógust a LED-ről. Ebből én azt vettem ki, hogy a max áram 30mA, a minimum feszültség 3V és a max fesz 3,6V. Egyébként 8mm-es ledekről van szó. http://www.elektrotech.hu/pub/6058.pdf[/b]
Megmértem az akksit terhelés nélkül 6,4V van rajta,
egy 4W-os égőt tettem rá terhelésnek és így 6,3V van rajta.
Amit írtál, hogy olvassak el, az alapján én a 360 ohm-os ellenállásra gondoltam.
Azt hallottam, hogy mivel a fehér LED nyitófeszültsége elég magas kb 3,2V ezért, ha sorba kötök kettőt nem szükséges elé előtét ellenállás.
Viszont mástól meg azt hallottam, hogy gyártón belül is eltér egy kicsit a LED-ek nyitófeszültsége és ezért az egyik előbb kinyit és elszáll.
Köszi előre is a segítséget.
Peti
(#) proli007 válasza peti0227 hozzászólására (») Ápr 22, 2008 /
 
Hello!

- Hát akkor van egy kis bánat, mert két diódát semmiképpen nem javaslom, hogy bekössél ellenállás nélkül. Mert a diódák karakterisztikája négyzetes, és kis feszültség változásra az áram felugorhat a határérték fölé.
- Így a 6V-os aksi használata itt nem túl célszerű, mert viszont ha egyetlen diódát egy előtét ellenállással kötsz be, akkor meg 50% veszteség van.
- A 360ohm nem tudom hogy jött ki? A tápfeszültségből le kell vonni, ami a diódán esik, és azt kell elosztani a kívánt árammal.
Azaz (Ut-Uled)/Iled (6,4V-3,2V)/0,03A=106ohm
Tehát kb100ohm-os ellenállás kell egy dióda elé 6V-ra.
- Amit hallottál, az igaz, ezért nem igazán szerencsés a Led-ek párhuzamos kapcsolása és közös előtété ellenállás alkalmazása. (Egy gagyi kütyüben, azt látod, hogy a dióda ellenállás nélkül van a telepre kapcsolva. Igaz, de ott összefossa magát az elem és a belső ellenállása szerepel mint előtét. De az aksi nem fogja magát...)
- Ha van rá mód, akkor inkább 12V-os aksit használj. Ott már három diódát sorbaköthetsz (9,6V), és jelentősen csökken a veszteség.

(a hálózati címet így ULR-ként szúrd be, mert így ki lép a program, ha megnézem)

üdv! proli007
(#) proba válasza peti0227 hozzászólására (») Ápr 22, 2008 /
 
Ha ledekkel akarsz foglalkozni akkor az alábbi dolog is hasznos lehet.
1 megépited a ledes kapcsolást (előző hsz link) .
2 Az ellenállást csökkented addíg amíg érzésed szerint a led bírja (változtatásra már nem változik jelentősen a fényerő) vagy eléred azt a fényerőt ami már elég.Ekkor megméred a körben folyó áramot.És a leden eső feszültséget .
Ezzel a két adattal mindenféle bizonytalanság nélkül használhatod az oldalon található számító progit.
A ledeket csak a spec fajtákat lehet simán lepárhuzamosítani szerintem.
Sorbakötésnél viszont az akku max-ra kell méretezni az ellenállást.Ha igy akku min-re nem jön ki elég fényerő akkor eggyel kevesebb led -> újraszámol.
(#) ini válasza Kovidivi hozzászólására (») Máj 15, 2008 /
 
összeraktam a cuccot
megy is rendesen 4ohm ellenállás pont elég volt neki
ekkor nem túl erős fénye van pont látni mellette és nem vakít

köszi szépen!!!
(#) Kovidivi válasza ini hozzászólására (») Máj 15, 2008 /
 
Örülök, hogy segíthettem!
És köszönöm a pontot!
(#) PCB válasza proba hozzászólására (») Máj 15, 2008 /
 
Szia !

A LED-nek általában van egy nyitófeszültsége, és egy munkaponti árama. Ha hosszútávon szeretnél vele világítani, akkor ez nem szubjektiv érzés kérdése.

Üdv!
(#) proba válasza PCB hozzászólására (») Máj 16, 2008 /
 
Nekem eddig bejött.
Igaz csak addig a pontig terhelltem,amíg viszonylag nagyot változott a fényerő kis ellenállás csökkenésre. Abban igazad van hogy a katalógus adatokat nem igazán illik túllépni.De a fiók alján található led katalógusát nem keresgetem.Általában max 10-15 mA a kiindulópont,nagy fényerejűnél kevesebb.
Csak visszajelző fénynek használom a ledeket,
de azt tapasztaltam hogy ezen érték az ami fölé már nem igazán gazdaságos menni.
Igazad van amit javasoltam azzal a próba ledet valóban tönkre lehet tenni,de az már szerintem nagyon látszik.
(#) peti0227 hozzászólása Máj 21, 2008 /
 
Sziasztok!
Egy 12voltról működő ledes lámpát szeretnék csinálni.
Az lenne a kérdésem ,hogy lehet e 3 fehér LED-et 1 előtétellenállással sorba kötni? A trafó 13.3 voltot ad le terhelés nélkül, a LED nyitófeszültsége 3,2volt és Imax=30 mA.
Én, ha hármat sorba kötök 120 ohmos ellenállást gondoltam elé (120-as van).
Előre is köszi
üdv: peti0227
(#) SzervízMacska válasza peti0227 hozzászólására (») Máj 21, 2008 /
 
Szia!

Szerintem semmi baj nem lesz vele, mivel így 80 ohmot kellene a max. áram eléréséhez betenni / (12-(3x3.2))/0.03 /, ezért az áram 120 ohm esetén 20 mA lesz, esetleg kicsit halványabb lesz a ledek fénye. Azt nem értem tisztán, hogy a trafó kapcsán mire gondolsz: egy 13,3 V-os szekunder feszültségű trafó kimenetét akarod egyenirányítani, majd 12 V-ra stabilizálni, vagy ez egy komplett dugasztáp lenne? Ez utóbbi esetben ha a tápod 13,3 V-ra stabilizált, vagy stabilizálatlan, de nagyságrendekkel nagyobb terhelhetőségű, mint a ledek áramfelvétele ( tehát az áramköröd nem húzza lejjebb a tápfeszt ), akkor már minimálisan túl is léped a ledek terhelhetőségét. Ez még valószínűleg így is beleférne a tűrésbe, ám én mégis inkább a 12V > 20 mA-es verziót preferálnám ( ha mindenképpen ragaszkodsz a 120 ohm-hoz ).

Sok sikert!
(#) peti0227 válasza SzervízMacska hozzászólására (») Máj 21, 2008 /
 
Szia!
Összepakoltam a kapcsolást. 30 LED et raktam bele, 120 ohmos ellenállással hármat sorba. Megmértem működés közben 10,5 volt van rajt és 160mA-t vesz fel. De szerintem a 160 mA kevés. Meg én 30 db 8mm-es LED-től többet vártam volna.
13,3 volt egyenirányítva van a trafón. stabilizátort nem raktam bele
üdv:peti0227
(#) SzervízMacska válasza peti0227 hozzászólására (») Máj 22, 2008 /
 
Heló!
Ezek szerint dolgoztál vele eleget. Ha még maradt leded meg ellenállatod, a 120 ohmokból csinálj 1 80 ohmos csokrot a 3 ledhez ( soros/párhuzamos kapcs ), így meg tudod állapítani, hogy ez a led max. fényerővel megfelel-e az elvárásaidnak. Ezt a 3 ledet autóakksiról üzemeltesd a próbánál, annak meg sem kottyan az a 30mA.
(#) proli007 válasza proli007 hozzászólására (») Jún 28, 2008 /
 
Sziasztok!

Közben elkészült egy-két kis Móricka setUp konverter. Lehet kicsit kisérletezni vele.

üdv! proli007
(#) kezdofiu hozzászólása Jún 25, 2009 /
 
Sziasztok!

Én abban kérném segítségeteket, hogy szertnék kapcs. rajzot ehez az áramkörhöz: piros(1db), fehér(1db) illetve zöld(1db) led.
lehetőleg ne legyen bonyolult. Kezdő vagyok nagyon (6.-os vagyok általánosba.)
Köszönöm előreis.
U.I.: Mennyibe kerül ez összesen??
(#) Kovidivi válasza kezdofiu hozzászólására (») Jún 25, 2009 /
 
Üdv!
Itt egy kapcsirajz! Ha trafóról akarod hajtani őket, akkor nézz utána a tápegységnek, mert nem lehet simán rákötni a ledeket! A segédprogramok menüben találsz segítséget a LED előtétellenállásának kiszámolására! A LED-ek nyitófeszültsége adatlap alapján tudható meg, vagy az interneten olvass utána

ledek.jpg
    
(#) kezdofiu hozzászólása Júl 3, 2009 /
 
Köszi a választ. lehet megépítem még a héten
(#) kezdofiu hozzászólása Júl 30, 2009 /
 
Fejlesztésként olyan kapcs.raj kellene ami USB-ről kapná az áramot. 3 leddel
(#) Kovidivi válasza kezdofiu hozzászólására (») Júl 31, 2009 /
 
Hello!
Gondolkodj egy kicsit kérlek. Megkeresed google-n az usb lábkiosztását. Ott 5V van, megnyitod a segédprogramokat, és kiszámolod az előtétellenállást, a program segítségével. Vagy aránypárral kiszámolod, hogy 5V-ra hány ohm kellene. Ehhez milyen segítség kell? Egyszerű, mint az 1x1!
szerk: Megépítetted az általam adott "kapcsolást"?
(#) kezdofiu hozzászólása Júl 31, 2009 /
 
Igen. Kösz a választ
(#) attila2010 hozzászólása Dec 7, 2010 /
 
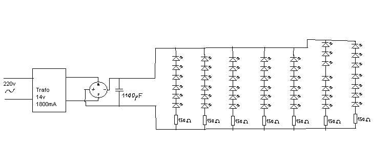
Szeretnék müködtettni 44 drb. zöld 5mm egyszerü ledet egy 14v ,1.8A trafoval és szeretném kérdezni ,ahogy lerajzoltam ugy müködne ? milyen tipusu stab ic -et használjak hogy megbirja? és milyen ellenálast hogy elég jol világitsanak?
Elöre is köszönöm . Attila
(#) vilmosd válasza attila2010 hozzászólására (») Dec 7, 2010 /
 
Hali
Igy sehogyan sem lesz jo. Az ellenallas 12 voltra 11 ohm 10W. Jobb lenne elosztani, es sorosan 6 LED+ 120 ohm ellenallas, majd parhuzamosan kotni 7 csoportot. Igy kb. 140 mA lesz a felveteled, az elozo esetben 880 mA. Stabler nem nagyon fontos. Direktben kotheted a kondira. Lehet esetleg 150 ohm ellenallas is, igy 14,4 voltnal 16 ma lesz az agankenti aram. A kapcsolasodbol csak az egyeniranyito, es a kondi kell.
Csa Vili
(#) attila2010 válasza vilmosd hozzászólására (») Dec 7, 2010 /
 
Igy valahogy mondtad ? de valamelyiknel töbet kel rakni 2- vel , anál nem lesz fény diferencia? vagy lehet korigálni a ellenálásokal

4.GIF
    
(#) Attis 79 hozzászólása Szept 27, 2011 /
 
Üdv mindenkinek.
Szeretnék egy autóban a féklámám izó helyére (12V/21W) ledeket építeni.A kérdésem az hogy hogyan tudom én megoldani?
(#) Attis 79 válasza (Felhasználó 13571) hozzászólására (») Szept 27, 2011 /
 
Köszi.Nem találtam én ezt meg.
(#) hbandy hozzászólása Jan 2, 2014 /
 
Sziasztok!
Először is BUÉK mindenkinek!

Lehet rossz topikba írok, lehet a kérdés is off, de azért próba szerencse...
Van egy reflektorom, ami 6V-os akkuról hajt meg egy H3 25W izzót. Ezel csak annyi a bajom, hogy elég hamar megadja magát. Gondoltam, tennék bele egy DC-DC konvertert és egy H3 12V LED izzót. Van H3 6V LED is, de horror áron...
Én erre a Bővebben: Link gondoltam, de nem szeretném elfűteni azt az energiát, amit világításra is lehet fordítani...
Valaki próbálkozott már hasonlóval?
(#) fongab válasza hbandy hozzászólására (») Jan 2, 2014 /
 
Szia
BÚÉK neked is.
Amit találtál kapcsolást az neked kevés 0,5A még ha 12V is az csak 6W Én, nem használnám.

Keress olyat amibe trafó van azokba lehet olyat találni, ami bőven viszi még akár a 50W is. Csak azzal az a baj hogy nem egyszerü a kapcsolás. Ha most építeszelőször akkor ne állj neki. Skop, tekercs, kondenzátor mérő nélkül, reménytelen.
Az más kérdés, hogy mitől ég ki a izzód. Akumulátort mérted? Az izzó élettartalmát nézted?
üdv.
(#) hbandy válasza fongab hozzászólására (») Jan 2, 2014 /
 
Helló!

Azt hiszem félreérthetően fogalmaztam. Nem ég ki, hanem kevés ideig bírja. Egy 25W-os halogén helyére egy 5-7 W LED izzót szeretnék berakni, így az üzemidő megtöbbszöröződne. A 6V-os kivitel nagyon drága, ezért kell a Step-Up konverter.

Amit belinkeltem rajzot, tényleg nem az igazi... Helyette talán ezt építem meg: Bővebben: Link
A hozzászólás módosítva: Jan 2, 2014
(#) fongab válasza attila2010 hozzászólására (») Jan 2, 2014 /
 
Szia
Kezdj el számolni egy LEDnek a nyitofeszültsége 2......3,5V ig bármi lehet. ( Tipus függő ) Ha egysorba 6LED van akkr 6x2,4=14,4V ez mindenképp kell hogy világítson. az utlsó két sorbe 7LEDet tettél, aminél neked 7x2.4=16,8V kell egy 14V os trafó (ha váltakozó feszültséget egyenirányítom, ott van 16,8V...17,5V tehát, egy kicsit kevés. ( De 230V hálózat függö)
Viszont azt megteheted, hogy 9 LED sor csinálsz. Egy sorba 5 LED lenne és 270Ohm os ellenállás, az utolsonál, csak 4LED nőveled az ellenállást 120 ohm al. (270+120=390ohm )
Vagy mindegyikbe 5 LEDet teszel és nem 44 LEDed lesz.
üdv.
Következő: »»   2 / 3
Bejelentkezés

Belépés

Hirdetés
XDT.hu
Az oldalon sütiket használunk a helyes működéshez. Bővebb információt az adatvédelmi szabályzatban olvashatsz. Megértettem