Fórum témák
» Több friss téma |
Hello!
Én nem ragaszkodnék, az AAA elemhez. Ajánlom inkább, az LR44-et. Ennek súlya kb. 2g/db, míg az AAA elem 8..12g/db. A kapcsolás fogyasztása, (amit számodra készítettem) világosban kb. 100uA villogáskor kb. 200uA. Három darab LR44-es elemmel, melynek kapacitása 80mAh kb. 400 órát képes lesz üzemelni. Ha ebben a felület szerelt formában készíted el, akkor mérete sem lesz túl nagy. Fényérzékelő gyanánt, én egy BPW diódát tettem bele, de megfelelő lehet egy CDS fotoellenállás, vagy egy egérből kimentett fototranzisztor is. (a tranyó emitterét kell a negatív táp felőli oldalra kötni) Az 555-nek, mindenképpen CMOS-nak kell lenni. pld. az itt kapható TLC555 megfelel. Dióda lehet az LL4148. Ellenállás a 1206-méretű. Elkó akár a TAJB 100µF/6,3V is. Úgy gondolom, nem lett drága, vagy komplikált, és egyben az alkonyat kapcsolót is tartalmazza. De e-nélkül sem sok a fogyasztása. üdv! proli007
Segítség kellene, talán te meg tudod mondani hol tudnék egy olyan led villogót csináltatni,ami 2db nagyon pici kb. 1mm-es kék ledből áll és felváltva villogna kb 1cm-re egymástól. Ha ez nehéz,nem egyszerű akkor 1led is elég. És mindez 1,vagy 3.darab ceruza elemről, 1 évig is villogna. De minél kisebb annál jobb.egy kamu riasztóba szeretném az ajtónk fölé,hogy hitelesebbnek látszódjon.
Segíts nem értek hozzá,vettem egy villogo ledet a leheltérnél,pirosat. Három ceruza elemel sem megy 30 napig..pedig a legdrágább elemet vettem bele. Kifizeném munkát és az alapanyagot. sehol nem találtam senkit aki érten hozzá. Nem átverés! Budapest. Előre is köszönöm! **** Mobilról küldve [OFF]
Segítség kellene, talán te meg tudod mondani hol tudnék egy olyan led villogót csináltatni,ami 2db nagyon pici kb. 1mm-es kék ledből áll és felváltva villogna kb 1cm-re egymástól. Ha ez nehéz,nem egyszerű akkor 1led is elég. És mindez 1,vagy 3.darab ceruza elemről, 1 évig is villogna. De minél kisebb annál jobb.egy kamu riasztóba szeretném az ajtónk fölé,hogy hitelesebbnek látszódjon.
Segíts nem értek hozzá,vettem egy villogo ledet a leheltérnél,pirosat. Három ceruza elemel sem megy 30 napig..pedig a legdrágább elemet vettem bele. Kifizeném munkát és az alapanyagot. sehol nem találtam senkit aki érten hozzá. Nem átverés! Budapest. Előre is köszönöm! Mobilról küldve
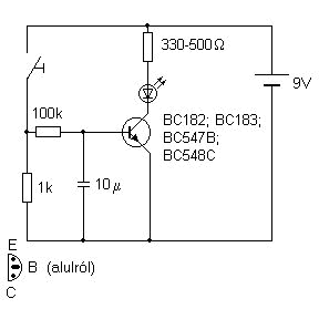
Szia! Keress rá hiper takarékos villogó-ra. Ez a kapcsolást tényleg nagyon kevéssel is megelégszik. Persze érdemes nagy vagy extra nagyfényerejű LED-et beszerezni. A tápfeszültség határok a rajzról leolvashatók...
Van a cikkek között is egy jó kapcsolás: Ping-pong villogó. S Ez sem bonyolult! Igaz kicsit több áramot fogyaszt. De még így is elég gazdaságos a működtetése. Alternatíva lehet még az LM3909-es villogó is. Kis fogyasztás és alacsony tápfeszültség. Nem tudom lehet-e még kapni. Az e-mail címedet meg ne írd ki a fórumon csak az apróhirdetésben. Aki akar az úgyis el tud érni személyesen. Üdv: _jani_
Szija
Azért nem fog sokáig müködni, mert az ellenállások felvesznek egy csomo energiát és plusz a LED-ek is. Tehát elemröl nem fog sokáig villogni. Esetleg egy központi akkumlátorol lehetne megoldani, de ugy sem hiszem hogy 1 évig ki birná. Mondjuk ez attol is függ hogy mekkora az akkumulátor. A legegyszerübb az lenne, hogy egy tápot kötsz rá és az addig villog amig ki nem húzod a konektorból.
üdv
Csak ötletképpen nekünk a nyaralónknál úgy van megoldva,hogy vettem egy fotocellás ledes lámpát ami nappal feltölt és éjjel világit,ezt szétszereltem,kaptam belöle egy kis akumulátort meg napelemet is.A napelemmel töltöd a kis akumulátort ami 3,7 voltot tud,erröl üzemel a villogó,igy simán tud villogni a leddióda több évig is,nekem kb 9 hónapja müködik egy pisos ledet villogtat egy egyszerü billenöáramkör segitségével.
köszönöm az ötletet,csak az a gond hogy ez egy lépcsőház,nem korom sötét,de nem hiszem hogy töltene, nem tudom mitévő legyek.!?
Hello!
Ez most komoly? Mert válaszoltam is a kérdésedre, de ott van a kérdésed felett az áramkör, ami számodra megfelel. És fog egy évig üzemelni.. üdv! proli007
üdv
Szerintem lepcsöházban nemsokatérne az elképzelésem,nekem szabadtérben van ahol éri a napfény és még ha elvan borulva akkor is elegendöfényt kap,egy mozgásérzékelönek a dobozába raktam bele aminek a lencséje hején van a napelem,igy teljesen azt a benyomást adja mint ha egy igazi mozgásérzékelö volna ami egy riasztóhoz csatlakozik.
A tranzisztor bazis pinjet hova kell kotni?
Nem kell kötni sehová sem. Ez a villogó a lavina-hatáson alapul. Bővebben: Link
üdv
Nemkell sehovasem kötni úgy ahogy az elöttem válaszoló megirta.Az ellenálláson keresztül elkezd töltödeni a kondenzátor,mikor eléri a tápfeszültség közeli értéket a tranzisztor a lavinaefekt miatt (ami magyarázására most nemtérnék ki) pillanatra kinyit és a kondenzátorban tárolt feszültséget kisüti a leden keresztül,igy villan a led,azután ez ismétlödik igy tovább,a villogás sebessége a gondenzátor nagyságátol függ,vagy pedig az ellenálástól de nemajánlatos 470 ohm alá menni mert a led nembirja ki.
Koszonom szepen a valaszokat, a lavina-effektust meg megkerestem magam Google-n
Szia!
A tranyó fajtája bármilyen "BC" tipusú lehet?
Köszi!
A kondi meg nem muszáj hogy pontosan ugyanolyan legyen 100µF !!
Szia!
Figyeljcsak megcsináltam kipróbáltam de csak a led szimplán világít mi lehet a baj a condi jó szinte az összes NPN Tranzisztort kipróbáltam (nem kéne bekötni a tranyó középső lábát is? Nemtudom de nekem valamiért nem működik !!
Hali Mindenki!
Előre is elnézést kérek, hogy nem teljesen a topicba illő kérdésem van, bár ledekkel kapcsolatos... Sajnos eléggé elektronikai analfabéta vagyok, ezért kérném a segítségeteket egy számotokra szerintem nevetséges kérdésben. A mélyládámba szeretnék beletenni 25db kék ledet. Van 25db kék ledem (25mA, Nyitófeszültség: 3-3,2 V, Záróirányú feszültség: 5 V, Világítási szög: 160-180°, Fényintenzitás: 5000-6000 mCd) 25db világos kék alapon bordó és kék csíkos ellenállásom (QB67,QC31 ez van a papírjára írva) valamint egy 12voltos 1000mA-os adapterem. A kérésem az lenne, hogy valaki írja le nekem, vagy rajzolja le ezt a primitív munkát és linkelje be ide, ha megoldható!? Nagy segítség lenne! Annyit tudok, hogy párhuzamosan kell bekötni de 25 darabnál nem igazán vágom, mit, hogy kéne... Jah és nekem nem kell, hogy ütemre villogjo meg ilyenek, csak szimplán világítson mind a 25db led. Előre is nagy köszönet! Üdv!
Helló.
Egy lehetséges megoldás: 8db 3 csoportos led, egyenként 120 ohmos ellenállással, és plusz egy darab led egy 360 ohmos ellenállással. Nem tudom neked milyen ellenállásod van, így sajna nem tudom beazonosítani, azért is írtam konkrét értéket.
Hi mindenkinek!
Végre kész lettem az "Astabil multivibrátor" al( igaz nem ebbe a topikba kellet volna írnom) de itt kezdtem el ! Szerintem nagyon jó lett van még rajta pár csiszolgatás de működik
Tisztelt Zoli_bácsi!
Az az igazság, hogy voltam bent egy hobbi-elektronika boltban, ahol nagy szűkszavúan elmondták, hogy minden led elé kell egy ilyen ellenállás és párhuzamosan kell bekötni, ehhez kell egy (legalább 25x25=625mA-es) 12V-os adapter és jó lesz. Továbbá annyi lenne még a problémám, hogy körben a hangszóró körül szeretném elhelyezni a ledeket, ez könnyebb lenne sorba kapcsolt ledeknél, csak akkor kéne egy kb 100V-os feszültség. Ha így tudnál/tudna egy kis segítséget nyújtani azt megköszönném!
Itt egy számoló program. Nem túl bonyolult.Bővebben: Link
Talán inkább a "ki mit épített"-be, igen.
Rendben, köszönöm a segítséget mind a kettőtöknek! Egyébiránt ilyen ellenállásokról van szó ha minden igaz, amilyet belinkelek... A programmal kapcsolatban annyit, hogy 15Ohm-os ellenállásokat dobott ki eredménynek, ez azért kb helyes érték nagyságrendileg? Köszönöm mégegyszer! Üdv!Bővebben: Link
üdv
Szerintem rosszul kötted be a tranyót,ha a colektort meg az emitert megcseréled akkor világit.A középsöt semmiképsem kell bekötni.Szerintem BC546,547,548 al próbálkozz,ha az irás van feléd a lábak bedig lefele akkor az elsöláb a kolektor a harmadik meg az emiter,a középsöt meg én leszoktam törni.
A 12V elbir 3 sorba kotott ledet egy db ellenallassal, aztan ezeket a csoportokat kosd parhuzamosan.
Az adaptered trafo vagy kapcsolouzemu? A sima trafo feszultsegeben nem nagyon lehet megbizni, sokkal magasabb is lehet, mint a specifikalt ertek, terhelestol fuggoen. Ekkor talan 4-et is sorbakothetsz. Ha mindenkeppen darabonkent akarod bekotni, akkor egyszerubb, ha ket vezeteket viszel korbe sinszeruen es oda a LED egyik labat direktben, a masik labat az ellenallason at kotod a sinhez. Az ellenallas helye mindegy, a diodak egyforma modon legyenek bekotve, tehat mindig ugyanaz a lab alljon a sin kulso reszehez mindegyik lednel. Ha nem vilagit, forditsd meg a polaritast.
Üdv!
Az áramforrásom egy régi router adaptere lesz ha minden igaz, egyébként ha jól értelmeztem akkor így kéne bekötnöm. Jól gondolom? Bővebben: Link
Köszi már megoldottam raktam bele egy NPN BC 547 est és azzal már vígan elvolt!
Szia!
Itt egy egyszerű egy ledes tranzisztoros kapcs. rajz
Na ennek örülök,mijen egyszerü és mégis jó,nemkell semmijen nyák neki,én légszerelveszoktam megoldani és zsugorodó gumival szigetelni közvetlen a led lábánál,de ez már a gyártó fantáziája.
|
Bejelentkezés
Hirdetés |






Nemtudom de nekem valamiért nem működik !!









