Fórum témák
» Több friss téma |
Lehet, hogy egyenlőre visszarakom rá a TIMER nélküli progit, mert ez a kísérletezgetés marha sok időt elvesz... aztán majd egyszer megpróbálom megcsinálni timerrel is.
Most inkább megpróbálom befejezni a gombok olvasását, hogy be lehessen állítani rajta az időt. "Igy nem kell allandoan ezzel foglalkozni, csak ha szukseges." A multiplexet attól még folyamatosan pörgetni kell, nem csak akkor, ha változás van.
Idézet: Es ki billentene vissza? Valami kisordog belemegy a PIC-be es birizgalgatja a bitjeimet? A programozas nem olyan "gondoltam" dolog, ezt a "tudom"-ra kell alapozni! Mint lattad a fo hurok nem foglalkozik semmivel, csak a jelzobit figyelesevel. Tehat nem tudja elteveszteni, es ha talal valtozast, azonnal lekezeli a megfelelo szamitasokat (ld. elozo post-omat). Persze ha Te beleujitottal valamit, akkor lehet hogy elteved a program, es azert lehet valami zuros a kijelzes. Probald meg eloszor megfogalmazni magadban, esetleg folyamatabran a program fo reszeit, a funklciokat, es ezek idobeli lefutasat a fontoosag figyelembevetelevel. „És mi van, ha a jelzőbit visszabillen, mire a progi eljut a vizsgálathoz”
Ezt a ticket felhasznalhatod a MPX idozitesere is. Sot sokkal biztosabb. Viszont ha hosszu az ido, akkor rovidebb IT, kell valasztani, es hosszabb it_cnt valtozot. A masik. Ne kapkodj! Elso az ora idozitese, majd johet a kezeles. Szep lesz, csak hasznalhatatlan, ha napi 10-20 perces pontossagot ersz el.
Jó. Akkor mi a legegyszerűbb megoldás?
tmr1.ASM & keressek rá a BCD kódolásos dologra? Nem adnál még egy kis helpet az átalakítással kapcsolatban? ![]() én bármelyik működő megoldásnak örülnék, és bocsi a kapkodásért, csak kicsit már kezdek begolyózni ettől az időzítgetéstől :guluszem1: Persze hamár belevágtam illene befejezni, meghát klassz lenne egy működő bináris óra...
Ok. Közeben kicseréltem tmr1.asm-ben a config és a port beállításokat a sajátjaimra.
Ezekkel nem rontottam el semmit? Ez a fájl jó lesz kiindulásnak?
Mi is kell? Decimálist binárisra, majd azt BCD-re, ugye?
Korábban írtad, hogy "a meglévő bináris szám..." de a te progid decimálisban dolgozik nem?
Mitol dolgozna decimalisan? Alapban a uC- binarisan dolgoznak(jo regen voltak BCD szervezesu szamitogepek is), tehat pl a kijelzeshez at kell alakitani valami ember altal ehetobb formaba. Ez a BCD. Pl ami csinal nekem 59- bol (0x3B, 0b00111011 ) egy 0x59 alaku szamot, aholis az also 4 bit a 9-es szam, a felso 4 az 5-os szam (ket kulon szam !!). A kijelzeshez a 9-et (azaz az also fel byte) visszuk ki az egyes helyerteku kijelzore, a 5-ot a tizes helyerteku kijelzore.
Ja jó. Csak az összehasonlítások kavartak meg: pl.: "movlw .24".
Az ALAP.ASM jó? És a linkelt oldalon lévő kódok közül melyik kell? A "Binary to BCD/4bit t BCD 2 digits"?
4 bit az 1/2 byte ugye. Nekunk a szamlalok 8 bitesek (ezt vesd az agyadba !!). Akkor milyen kellene? Az ami 8 bitesbol csinal harom digitet. Mert ugye 8 bit max erteke 255, tehat 3 helyertekre kell atalakitani, ugymint : egyesek, tizesk es szazasok. Masik : Ne teveszd ossze az asm irasmodjat a PIC GPR regisztereivel! Azok altalaban 8 bit szohosszusaguak.
Abból kettő is van, melyik legyen?
Probald ki mind a kettot.
Ha ugy raersz egy kicsit, nem artana ha csinalnal valami rajzot a ledek a gombok es a kvarc bekoteserol. Egyszerubb ha latom.
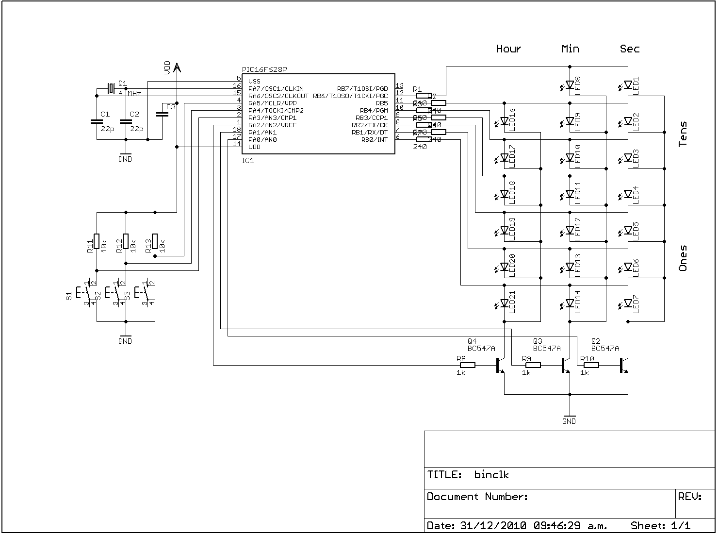
Nem olyan bonyolult: ledmátrix, a ledek PORTA-ra vannak kötve RA0-tól RA3-ig. Az oszlopokat PORTB vezérli, RB0-tól RB5-ig. RA4, RB6, RB7 bemenet, gombokkal. Belső oszcillátor, 4MHz. Más nincs.
Belso oszvillator oranal bizony nem nyero! +-1% a pontossaga, tehat naponta a homerseklet, a hold allasa, es a .. miatt siethet vagy keshet 860 masodpercet. Ez ugye kb 14 perc.
A rajzot ha lehetne esetleg, akkor jobban ertenem a dolgot.
Találtam a fiókban egy bontott oszcillátort, 40.680MHz. Ezt bekössem? 27pF kondik jók lesznek hozzá?
Az a rajz amit küldtem megfelel?
Jah, most nézem: a kép rossz!
A ledek R0-tól R3-ig vannak.
Hali
Szoval az ugy ahogy elkepzelted tobb sebbol verzik. 1. Az oszlop meghajtast igy nem lehet megcsinalni, mert a kimenetek nem birjak el az aramot. Oda illik egy-egy tranyot berakni. 2. Kvarc nelkul ez nem ora csak egy villogo jatek. Mint elobb irtam, csak kvarccal lehet pontosabb (nem 100 % pontos) orat kesziteni.. 3. A ledeket a rajz szerint bekotve nagyon leegyszerusiti a kezelest, mert a RB-re kikuldve a BCD kodot, nem kell kulon maszkolni, valtogatni a ledek allapotat. Ja meg annyit, hogy a MCLR-t belsore kell allitani es ez a lab is bemenet lesz (csak bement).
Ááá, mostmár tutira nem fogom átalakítani az egészet.
Az oszcillátort még simán rá lehet kötni, de a ledmátrixot nem fogom átvariálni. Ahoz az összes ledet ki kéne venni, épp elég volt egyszer összerakni. És végülis működőképes.Csak az a hülye időzítés hiányzik. Ha rárakom a kvarcot, nem lehetne egy olyan progit csinálni, ami az én kiíró, és növelő rutinjaimat használja? Mi lenne, ha mondjuk az óra pontatlan lenne, de adott időközönként pontosítaná magát?
Hali
Mindent meg lehet csinalni csak akarat es ido (es tudas) kerdese. En adtam 1-2 otletet, de Te tudod hogyan akarod. Mindenesetre a MPX direktben a PIC labairol nagyon necces. Egyszerre tud 5 led vilagitani es a PIC max kimeneti arama 25 mA. Szamolj utana! Csa Vili
"Mindent meg lehet csinalni csak akarat es ido (es tudas) kerdese."
Persze, csak van egy határ, amikor azt mondom, hogy nem akarok ennyit vacakolni egy órával.
Ti most mit csináltok? Újra építitek/tervezitek a kész kapcsolást...? :hide:
Milyen kesz kapcsolas?
En csak probaltam ravezetni 1-2 dologra az ASM rejtelmeiben,es utana lattam elszornyulkodve a kapcsolast.
Hali!
Nem, nem szeretném újraépíteni. Lehet, hogy nem épp a legszebb megoldás, de működőképes. Igazábol csak azt szeretném, ha kicsit pontosabb, és ezáltal használhatóbb lenne.
Vili!
Lehet, hogy én vagyok láma: Bővebben: Link Lassan eljuttok idáig. (Tudom, te csak hackerfish-nek segítesz). De továbbra sem értem a koncepciót. :pirul:
Én igen. Hackerfish ragaszkodik a saját kapcsolásához, mert - azért valljuk be -, jobb érzés, ha a saját kapcsolásunk működik jól, nem pedig a "másé". No meg lehet nem elég elszánt a kolléga. De valahogy neki is el kell kezdeni. Szerintem. :hide:
Ez csak olyan agymenés, egyébként egyetértek Veled.
Az tény, hogy a saját magam által írt progikat sokkal jobban értem, más kódját kicsit még nehéz megfejteni (mert még kezdő vagyok), és tök jó érzés, ha működik a munkám, DE egyáltalán nem zavar, ha más egy jobb megoldást mutat.
Egyszerűen csak annyi az egész, hogy már több napja vacakolok ezzel az órával, és eddig örültem, hogy legalább a hardverrel nincs gond, semmi kedvem elölről kezdeni az egészet. Örülök, hogy ti is idetévedtetek, megköszönném, ha segítenétek kitalálni a legjobb megoldást. (Ha lehet minél egyszerűbbet) arra, hogy az óra pontosabb legyen.
Ah ja! (Mondaná az angol, aki nem tud jól németül)
Kapizsgálom. Akkor ez mégis csak egy rebuild verzió, by hackerfish. Nos, akkor sok sikert! Ha belevauzhatok: Első körben meg kell tanulni egy-egy szám kirakását a kiválasztott portra. Ezután 2 érték kirakása, multiplexálva. Majd érték felbontása és kirakása multiplexen. Ezután pedig az 500ms előállítása, léptetés. Látom, pont a végéről halad a projekt. |
Bejelentkezés
Hirdetés |







Az oszcillátort még simán rá lehet kötni, de a ledmátrixot nem fogom átvariálni. Ahoz az összes ledet ki kéne venni, épp elég volt egyszer összerakni. És végülis működőképes.
(Tudom, te csak hackerfish-nek segítesz). De továbbra sem értem a koncepciót. :pirul:
