Fórum témák
» Több friss téma |
Mielőtt kérdezel, a következő két dolgot ellenőrizd!
I. A helyes tápfeszültségek megléte.
II. A kimeneten van-e egyenfeszültség.
Élesztés.
Több 7812 -es elviseli ha párhuzamosítva van így több A nyerhető. Bátyámnál bevált és pont TDA2005 -höz használja.
Vagy van egy olyan megoldás hogy a stabilizátort egy tranzisztorral "megtámogatják". Bővebben: Link
15 db 20 wattos 12voltos halogén izzót lehet rákötni a trafóra, spotvilágítás trafója volt... akkor lehet hogy az ampert írtam el...
Elképzelhető, hogy az ampert írtad el mert egy 300wattos trafóról 12v mellett 25amper is lejöhet.
Köszi! Szóval, ebből a tarófól lesz az erősítőm tápja...
Igen! Nekem is megvan ez a kapcsolás. Csináltam is hasonlót ,ami a hozzászólásomban volt azt nem én követtem el hanem bátyám ,de működik neki a mai napig.
Sziasztok!
Beléptem az erőlködő építő újoncok körébe.... Viszont van néhány apróbb baki. Megépítettem egy tda7372 ic-s erősítőmet. Úgy rajzoltam meg a nyákot és úgy terveztem meg , ahhogy adatlapjában van. Na már most működik is és "jól" szól... de a benetek érdekesen alakulnak. Az in3 és in4 szépen szól. Jel a forpontra.... De a bibi az in 1 és az in2 -nél van. A kivezetéseken akkor jelenik meg a hang, ha a jel az in1 -en és a jelföld pedig az in2-n van. Ekkor mind a két kivezetés szépen szól. Ha a gnd-re kötöm a jelföldet akkor a kimeneteik (out1 és out2) síri kussban van. Már próbálgattam mindent, de nem értem.. A forrasztástól elszálhatott az ic? Mellékletben a kapcsolás amihez terveztem a nyákot.
Ötletek, hogy mi lehet a bibi?
Szia! A 4-5 lábaknál nincs csatolókondenzátor, viszont a test és a bemenet között van valamilyen kondi. Ez így nem jó.
Jajjj, meg van...
Ok! Javítom!
Na azért!
Hogy a francba nem szúrta ki a szemem.. Ez nem igaz..
Pedig nem ez az első kapcsolás, amit megépítettem.. Legközelebb jobban figyelek! Köszönöm!
Sikeres erősítést!
Egyébként, honnan lehetne megszerezni könyveket vagy oktató anyagot, amiből megtudná az ember, hogy pl csatoló kondi miért kell?
Keress rá a csatolások-ra a google-ben és megtudod. Amúgy bármilyen komolyabb elektró könyvben leírják ezeket. (AC, DC, transzformátoros csat.)
A csatolókondenzátor az egyenáramú leválasztás miatt kell. Sokszor nincs rá szükség, mert a legtöbbször már egyenkomponenstől mentes jel jön ki a jelforrásból. De azért a konstruktőrök beépítik a biztonság kedvéért. Egy erősítőnél az nem jó, ha egy előző előerősítő fokozat kimeneti tranzisztoráról az ő tápfeszültségének egyenkomponense belejutna a végerősítőbe. Ez megzavarná a végerősítő működését.
Lexikon: Bővebben: Link
Akkor rosszul tettem fel a kérdést honnan tudnék olyan könyveket letölteni, megszerezni, amik az audiotechnikai kapcsolásokkal foglalkoznak...
Spec ezeket tudtam, csak mint lejjeb is látjátok ott a pl... Köszönöm!
A lenti példa egy egyszerű figyelmetlenség miatt volt. Az internet korában egy könyv megszerzése igazán nem nehéz. Itt a fórumon is segítenek, ha kérdésed van.
Ismeri valaki az "MJ amp" néven futó végfokot ? Ez A-osztályú, én meg szeretnék egy ilyen full szimmetrikus, nagyon egyszerű, de AB osztályút. Mit változtassak meg ezen hogy a vége AB osztályban menjen ?
Bővebben: Link
Szia, ha könyve kell akkor merülj el ebbe a topicba, érdemes! Bővebben: Link
Sziaztok!
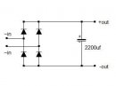
Egyeníránytó hídban, a dióda melyik fele a "nyilas"? dióda: MUR420RLG. Az ezüst végű fele?
A gyűrű felől van a katód. Most meg ne kérdezd, hogy melyik a katód!
Köszi! Azt még tudom:
Az anód szó a görög άνοδος = felemelkedés szóból származik, és egy készülék azon elektródáját nevezik így, amelyből elektronok lépnek be az áramkörbe, például egy elektrolit oldatból. Az eszköz ellentétes töltésű elektródája a katód. ![]() Csak egyeníránítót nem szereltem még szét, meg össze!
Mennyivel egyszerűbb lett volna venni egy diódahidat
sziasztok. Az lenne a kérdésem hogy melyik IC vel érdemes foglalkozni ? Mármint melyikkel érdemes erősítőt csinálni? Most összeraktam egy TDA 2030-at és elkeztem gondolkozni a 2050-be szerintetek?
Na, alakul ez az "1 tranyos erosito dolog" vmi erdekesebb/jobb kapcsolassa ugy latom
Ha munkapontot szeretnel allitani ebben a kapcsolasban akkor R4, R5, R6, R7 ellenallasokkal tudod ezt megtenni. Hogy milyen mertekben kellene megvaltoztatni oket illetve, hogy mindegyik ellenallas modositani kell-e azt rad bizom, hisz az eddigi kiserleteid, tanulmanyaid tapasztalataid alapjan mar el kellene tudni indulni egy (lehetoleg jo) iranyba.
2030-ról 2050-re váltani, nem volna túl értelmes dolog, amolyan cseberből-vederbe
Ha kevés a 2030, akkor csinálj pl 7294-et. |
Bejelentkezés
Hirdetés |












