Fórum témák

» Több friss téma
Fórum » Erősítő mindig és mindig
Mielőtt kérdezel, a következő két dolgot ellenőrizd! I. A helyes tápfeszültségek megléte. II. A kimeneten van-e egyenfeszültség. Élesztés.
Lapozás: OK   692 / 2570
(#) skero válasza kadarist hozzászólására (») Jan 6, 2011 /
 
Több 7812 -es elviseli ha párhuzamosítva van így több A nyerhető. Bátyámnál bevált és pont TDA2005 -höz használja.
(#) zoly15 válasza skero hozzászólására (») Jan 6, 2011 / 1
 
Vagy van egy olyan megoldás hogy a stabilizátort egy tranzisztorral "megtámogatják". Bővebben: Link
(#) nasgoon válasza skero hozzászólására (») Jan 6, 2011 /
 
15 db 20 wattos 12voltos halogén izzót lehet rákötni a trafóra, spotvilágítás trafója volt... akkor lehet hogy az ampert írtam el...
(#) GyurikaBx válasza nasgoon hozzászólására (») Jan 6, 2011 /
 
Elképzelhető, hogy az ampert írtad el mert egy 300wattos trafóról 12v mellett 25amper is lejöhet.
(#) nasgoon válasza GyurikaBx hozzászólására (») Jan 6, 2011 /
 
Köszi! Szóval, ebből a tarófól lesz az erősítőm tápja...
(#) skero válasza zoly15 hozzászólására (») Jan 6, 2011 /
 
Igen! Nekem is megvan ez a kapcsolás. Csináltam is hasonlót ,ami a hozzászólásomban volt azt nem én követtem el hanem bátyám ,de működik neki a mai napig.
(#) Grabovszky2 hozzászólása Jan 6, 2011 /
 
Sziasztok!

Beléptem az erőlködő építő újoncok körébe....
Viszont van néhány apróbb baki.
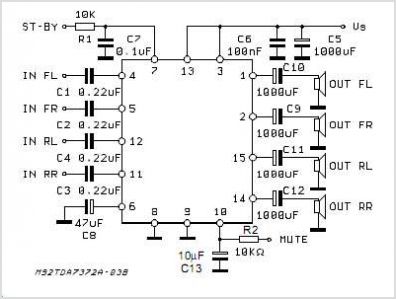
Megépítettem egy tda7372 ic-s erősítőmet. Úgy rajzoltam meg a nyákot és úgy terveztem meg , ahhogy adatlapjában van.
Na már most működik is és "jól" szól... de a benetek érdekesen alakulnak. Az in3 és in4 szépen szól. Jel a forpontra....

De a bibi az in 1 és az in2 -nél van. A kivezetéseken akkor jelenik meg a hang, ha a jel az in1 -en és a jelföld pedig az in2-n van. Ekkor mind a két kivezetés szépen szól. Ha a gnd-re kötöm a jelföldet akkor a kimeneteik (out1 és out2) síri kussban van.
Már próbálgattam mindent, de nem értem..
A forrasztástól elszálhatott az ic?

Mellékletben a kapcsolás amihez terveztem a nyákot.
(#) Grabovszky2 válasza Grabovszky2 hozzászólására (») Jan 6, 2011 /
 
Ötletek, hogy mi lehet a bibi?
(#) kadarist válasza Grabovszky2 hozzászólására (») Jan 6, 2011 / 2
 
Szia! A 4-5 lábaknál nincs csatolókondenzátor, viszont a test és a bemenet között van valamilyen kondi. Ez így nem jó.
(#) Grabovszky2 válasza kadarist hozzászólására (») Jan 6, 2011 /
 
Jajjj, meg van...
Ok! Javítom!
(#) kadarist válasza Grabovszky2 hozzászólására (») Jan 6, 2011 /
 
Na azért!
(#) Grabovszky2 válasza Grabovszky2 hozzászólására (») Jan 6, 2011 /
 
Hogy a francba nem szúrta ki a szemem.. Ez nem igaz..
Pedig nem ez az első kapcsolás, amit megépítettem..

Legközelebb jobban figyelek!
Köszönöm!
(#) kadarist válasza Grabovszky2 hozzászólására (») Jan 6, 2011 /
 
Sikeres erősítést!
(#) Grabovszky2 hozzászólása Jan 6, 2011 /
 
Egyébként, honnan lehetne megszerezni könyveket vagy oktató anyagot, amiből megtudná az ember, hogy pl csatoló kondi miért kell?
(#) bankimajki válasza Grabovszky2 hozzászólására (») Jan 6, 2011 /
 
Keress rá a csatolások-ra a google-ben és megtudod. Amúgy bármilyen komolyabb elektró könyvben leírják ezeket. (AC, DC, transzformátoros csat.)
(#) kadarist válasza Grabovszky2 hozzászólására (») Jan 7, 2011 /
 
A csatolókondenzátor az egyenáramú leválasztás miatt kell. Sokszor nincs rá szükség, mert a legtöbbször már egyenkomponenstől mentes jel jön ki a jelforrásból. De azért a konstruktőrök beépítik a biztonság kedvéért. Egy erősítőnél az nem jó, ha egy előző előerősítő fokozat kimeneti tranzisztoráról az ő tápfeszültségének egyenkomponense belejutna a végerősítőbe. Ez megzavarná a végerősítő működését.
Lexikon: Bővebben: Link
(#) Grabovszky2 hozzászólása Jan 7, 2011 /
 
Akkor rosszul tettem fel a kérdést honnan tudnék olyan könyveket letölteni, megszerezni, amik az audiotechnikai kapcsolásokkal foglalkoznak...
Spec ezeket tudtam, csak mint lejjeb is látjátok ott a pl...

Köszönöm!
(#) kadarist válasza Grabovszky2 hozzászólására (») Jan 7, 2011 /
 
A lenti példa egy egyszerű figyelmetlenség miatt volt. Az internet korában egy könyv megszerzése igazán nem nehéz. Itt a fórumon is segítenek, ha kérdésed van.
(#) Mayan hozzászólása Jan 7, 2011 /
 
Ismeri valaki az "MJ amp" néven futó végfokot ? Ez A-osztályú, én meg szeretnék egy ilyen full szimmetrikus, nagyon egyszerű, de AB osztályút. Mit változtassak meg ezen hogy a vége AB osztályban menjen ?

Bővebben: Link
(#) Doncso válasza Grabovszky2 hozzászólására (») Jan 7, 2011 /
 
Szia, ha könyve kell akkor merülj el ebbe a topicba, érdemes! Bővebben: Link
(#) nasgoon hozzászólása Jan 7, 2011 /
 
Sziaztok!

Egyeníránytó hídban, a dióda melyik fele a "nyilas"?
dióda: MUR420RLG.
Az ezüst végű fele?
(#) kadarist válasza nasgoon hozzászólására (») Jan 7, 2011 /
 
A gyűrű felől van a katód. Most meg ne kérdezd, hogy melyik a katód!
(#) nasgoon válasza kadarist hozzászólására (») Jan 7, 2011 /
 
Köszi! Azt még tudom:
Az anód szó a görög άνοδος = felemelkedés szóból származik, és egy készülék azon elektródáját nevezik így, amelyből elektronok lépnek be az áramkörbe, például egy elektrolit oldatból. Az eszköz ellentétes töltésű elektródája a katód.

Csak egyeníránítót nem szereltem még szét, meg össze!
(#) kadarist válasza nasgoon hozzászólására (») Jan 7, 2011 /
 
Amerre a nyíl mutat, az a katód. Segítség
Keresés
(#) nasgoon válasza kadarist hozzászólására (») Jan 7, 2011 /
 
(#) petemazi válasza nasgoon hozzászólására (») Jan 7, 2011 /
 
Mennyivel egyszerűbb lett volna venni egy diódahidat
(#) David 3g hozzászólása Jan 7, 2011 /
 
sziasztok. Az lenne a kérdésem hogy melyik IC vel érdemes foglalkozni ? Mármint melyikkel érdemes erősítőt csinálni? Most összeraktam egy TDA 2030-at és elkeztem gondolkozni a 2050-be szerintetek?
(#) lamalas válasza Mayan hozzászólására (») Jan 7, 2011 /
 
Na, alakul ez az "1 tranyos erosito dolog" vmi erdekesebb/jobb kapcsolassa ugy latom
Ha munkapontot szeretnel allitani ebben a kapcsolasban akkor R4, R5, R6, R7 ellenallasokkal tudod ezt megtenni. Hogy milyen mertekben kellene megvaltoztatni oket illetve, hogy mindegyik ellenallas modositani kell-e azt rad bizom, hisz az eddigi kiserleteid, tanulmanyaid tapasztalataid alapjan mar el kellene tudni indulni egy (lehetoleg jo) iranyba.
(#) Mayan válasza lamalas hozzászólására (») Jan 7, 2011 /
 
Na majd alkotok valamit
(#) Bassmester válasza David 3g hozzászólására (») Jan 7, 2011 /
 
2030-ról 2050-re váltani, nem volna túl értelmes dolog, amolyan cseberből-vederbe
Ha kevés a 2030, akkor csinálj pl 7294-et.
Következő: »»   692 / 2570
Bejelentkezés

Belépés

Hirdetés
XDT.hu
Az oldalon sütiket használunk a helyes működéshez. Bővebb információt az adatvédelmi szabályzatban olvashatsz. Megértettem