Fórum témák
» Több friss téma |
Fórum » TV hiba, mi a megoldás?
hello!érdeklődnék,hogy nem-e tud valaki grundig 72cm.-es tv-hez hangszórókat.az enyém ugyanis kiszakadt.vagy legalább is hol juthatnék hozzá?
Nem kaptam le még a hátulját, de mit értessz az alatt, hogy megvan-e? Folyik-e áram a "főtőszál" felé?
Üdv mindenkinek.
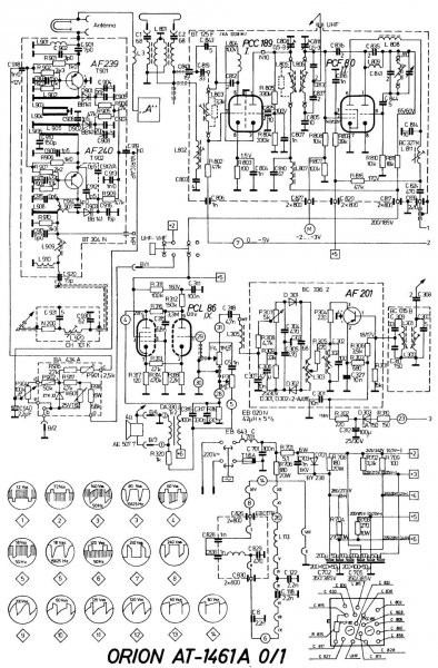
Még mindig Orion orilux: A mellékelt képeken levő jelenséget produkálja. Bekapcsolás után összevissza csíkozódva jön elő a "kép", hang van. VHF vétel kb fél percig van, majd szépen lassan eltűnik a kép és a hang, UHF-en megmarad a kép de nagyon "kifakul" és a hang is halkabb lesz. A kép felső széle furcsán csíkos. A kép geometriai beállításával is lehet valami, mert nem szabályosak az alakok, a kép alsó része oldalirányban, a kép felső része pedig függőleges irányban van megnyúlva. Segítséget előre is köszönöm.
Annyit nézzél meg,hogy a képcső nyaka világít e?
Szia!
A kifakulást a dob-csatornaváltó csöveinek legyengülése okozhatja. A függőleges linearitás hibáját a PCL85-ös cső hibája vagy a képméret-linearitás visszacsatoló lánc valamelyik tagjának szakadása okozhatja.
Tedd még hozzá, hogy a kioltási problémát is, a PCL 85 köre okozhatja, a szinkron hibát viszont valamelyik PCH cső csinálja ? Nem tuti de azt hiszem. Ezen még a Dínószauruszok nézték az esti mesét. Fery
Akkor én dínó vagyok, mert nálunk is ilyen volt gyerekkoromban.
Üdv. A csövet holnap megnézem, mellékelem a kapcsolási rajzot, meg tudnád nevezni, hogy hol keressek hibás alkatrészt? Az elmúlt napokban volt időm foglalkozni a tv-vel, a PCL84 cső R210 680k ellenállása szakadt volt, ezt cseréltem de érdemi változást nem vettem észre. Köszi
A PCL85 körül kutakodj (függőleges eltérítés). A trióda és a pentóda egy multivibrátort képez, ahol a trióda rácsában van szinkronizálva a képfrekvencia és a pentóda-rész a végerősítő fokozat.
Mikor kölök voltam,ilyenen néztük egy rokonomnál a szilveszteri műsort.De rég is volt....
Sziasztok!
Pár héttel ezelőtt a projektoros tv-ben elszállt a splitter. Nem voltam benne biztos, hogy csak ez a baja, de a tanácsotokra mostanra beszereztem egy újat, és kiderült, hogy az volt a probléma. Most újra a segítségetekre van szükségem, mert a konvergálás -enyhén szólva- meghaladja a képességeimet. Több óra "szórakozás" után a helyzet egyre rosszabb. Tippjeiteket, segítségeteket előre is köszönöm!
Szia, lehet , hogy épp velem beszéltél, nem tudom, de az egy RP46-os. Abban tudok segíteni. Küldök szervízábrákat, ki kell írni CD-re, és egy DVD lejátszóval kiküldeni a TV-re, hálóábra megy ilyenek, majd színenként beállítani az 52-db-os potitáblán. Jó móka szólok előre, egy levél sanax legyen nálad, jobb ha nem zavarnak közbe. Én úgy csináltam, hogy ugye vannak a potik, fentről lefelé haladva, azaz elsőnek a Zöld színt állítottam be a hálóábrával, ez lesz az "alap" tudom kicsit barkács módszer de ezt a TV-t nem lehet menüből állítgatni, meg ilyenek, csupán apróbb módosításokat lehet végezni. Szóval állítsd be a zöldet, az se baj ilyenkor, ha valahogy letakarod ideiglenesen a többi lencsét, a zöldnél nem árt kicsit méricskélni hogy egyformák legyenek a kockák, ha ez megvan, jöhet a piros szín, ezt már "csak" hozzá kell állítani a zöldhöz, majd a kék már gyerekjáték, mert ugye fekete alapon fehér a háló, és ahol fekete fehéret látsz ott jó, ahol sárgás a fehér háló ott még húzni kell a kéket. Kis gyakorlással azért bele lehet jönni. Keress meg privibe a szervízcuccért.
Üdv. Doncso
udv sikerult anyit csinalnom hogy mar a kepernyo kozepeben let egy csik ahol kiveheto a menuben valo irasok a tobbi reszen sotet de a csik az eleg vekony ,a zerdiodakat mertem de azok mind jonak tunek ja es csereltem ellenallasokat is mert nem volt meg az ertek vagy valamejk meg hibas lenne ? s.o.s :nemtudom:
Üdv.Nézd meg elösször is a biztosítékot.
Üdv.Forraszd át a képcső foglalatát.Ha akkor is,csinálja,akkor a sorkimenő lábáról kijövő 7volt,után van egy 1-2ohmos ellenállás,azt nézd meg.és jólessz,
Ott valameily
k íc hiba lessz.Látni kéne a panelját
Adott egy philips_21pv375 videos tv a probléma.
Egyáltalán nem csinál semmit. gondolom én tápnál lesz valami a 220 as résznél cseréltem kondit + volt egy szakadt ellenálás az t is igy már van a fet kondiba áram de még mindig nincs a másikfelén áram már nemtudom micsináljak vele Ha tudnátok segiteni megkőszőném. minnél hamarább mert itt ál szétszedve a tv várom válaszokat kőszi
Szia!És meg tudnád mondani hogy nagyábol hol találom mert a tv-hez nem nagyon értek sajna
.
Syasztok
philips_21pv375 tv vel kapcsolatban táon méregettem feszűlcséget. a táp trafoig van áram de már onnantol kifele nem megy egyből trafo utá mértem. mi lehet a baj? lehet trafo? vagy Valami kapcsolo űzemodu ez vagy mi . Kérlek segitsetek. Kőssz
TENSAI TCT362BK <- megtaláltam a pontos típust. Meg próbálok sematikus ábrát keresni.>
Szia!Meg van hogy a bíztosíték volt rossz ki cseréltem és be kapcsol de kattog és nincs kép! Valami ötletet tudsz adni hogy mi lehet a baja?
Doncso jól beszél.A lencséket takard le.A szervizleírásban benne van a beállítás menete,azt követve sikerülni fog.De türelem az kell hozzá jó adag.A konvergencia tápját mindenképpen ellenőrizd le előtte.Az is benn van a kottában.Kotta
Ebben le van írva. István
Megnéztem a PCL85-ös csövet, de nem csőhiba lesz, találtam otthon kettőt abból az egyik egész újnak néz ki, és azokkal is ugyanúgy viselkedik. Amit írtál, utánanézek. Köszi
Meg kellene nézni,miért nem indul t táp.Primer oldalon mérd meg a FET-et,nem zárlatos-e véletlen.Ha ott minden rendben,akkor kezdd el a hibakeresést a szekunderen.Sorvégtranzisztor,biztosíték-ellenállások,ha a videó rész is erről a tápról megy akkor húzd le a csatlakozóját.
A primeren légy óvatos,hálózati fesz alatt áll! István SZERVIZKÖNYV
Régen nekünk is ilyenünk volt, szép képe volt, és igen jó hangja (már amikor működött, sajnos hibás darabot sikerült kifogni, és majdnem minden hónapban szervízben volt, a programkapcsolóval volt gond, de soha nem tudták 100%-ra megjavítani. Közel 15 év gyötrelmes használat után a szülők kidobták. Néhány hónapja egy panellakásból valaki kettő darabot ki akart dobni a konténerbe, onnan sikerült megmentenem őket. Mindkettőnek szinte ugyanazok a hibái...
Sziasztok !
Van 1 Philips kis tv-m,kicsit öreg mar szegény ehhez kérnék 1 kis segitséget.Mosott a kép vagyis antenna nélkul amikor elinditom nem fehér és fekete pontok jelennek meg hanem olyan mintha szines csikok lennének jobbrol barra futva(a szinek csak halvanyán látszanak olyan mintha fokusszal játszottam volna), az osd sem mukodik, legalábbis nem láthato. Mi lehet a baj? |
Bejelentkezés
Hirdetés |








.
ehhez kérnék 1 kis segitséget.




