Fórum témák
» Több friss téma |
Sziasztok!
Egy kevés segítségre lenne szükségem a tervem megvalósításában. Illetve nem is olyan kevésre... A terv: RGB színkeveréses stroboszkóp, vagyis inkább partieffektnek nevezném. A nehézség, hogy hang vezéreltnek kéne lennie, és a színeket is hang vezérelten kéne kevernie. Vagy legalább nagyjából. És nem is mindig villognia kéne, hanem néha égve is maradhatna, de akkor változtatnia kéne fény kisugárzási szögét. Mint egy okos lámpa a koncerteken. (igaz, kicsit bonyolult) 5 chipes superflux ledek lennének a frontvonalban. Nem RGB ledek, de mindhárom színnel felszerelném a cuccost. Ha úgy egyszerűbb, akkor RGB power ledek lennének, csak az előzőekből már építkeztem korábban, így van pár darab maradék. http://ledshop.fw.hu/ Itt találtok olyan ledet, amire gondolok. Az első probléma máris felmerült. 12 voltról menne, ezért előtét ellenállásokat használok. A kék és zöld ledekkel minden rendben, de a piros ledek nem világítanak csak gyengén, pedig ugyan azt az ellenállást használtam előttük, és az ellenállások melegednek is. Jól van, gondoltam akkor adok neki 3,2 volt körülit, amit ír rá az adatlap. Ezzel rendesen világított, de csak rövid ideig, mert megsültek... De csak a pirosak, és kivétel nélkül. A többi az jól működött a 3 voltról is. Szerintetek mi lehet a probléma? És van valami jó ötletetek az előbb felvázolt effekt vezérlésére? Bocs, ha nem jó topcba írtam. Előre is köszönöm!
Szia!
Igaz, ez tényleg nem az RGB LED fórum, de hátha másokat is érdekel! Kicsit kusza amit írsz, de kibogozzuk. A szín váltást így gondoltad?Bővebben: Link Ha igen, akkor azt ezzel meg tudod oldani. A különbség annyi, hogy az 555 helyett hanggal akarod vezérelni, az sem gáz, de tesztnek (színkeverés) szerintem elöbb 555-el. Ha ez megvan, jöhet a hangvezérlés hozzá. Max nem egy panelra építed őket. ÖÖÖ az okos lámpát na azt nem értem! A moving head, scan típusu lámpákra gondoltál?
Olyan lámpára gondolok, ami számítókép vezérelten működik a koncerteken. igen, mozgó fejű és többféle effektet képes kisugározni. Igaz, ezt már kilőttem, mert már így is egy vagyonba kerül.
Jól értettem akkor. Ezek az úgynevezett DMX vezérlésü lámpák, van olyan interface ami usb-ről vezérli számítógéppel, de inkább programozható fénypultokról van üzemeltetve. (dolgozom jónehánnyal én is) Ezeket a lámpákat macerás valóban megépíteni, de ha beéred egy ilyennel ami hang vezérelt, az kb 1000-2000 Ft-ot dob az összköltégen! Hasonló vezérlést már építettem, elég egyszerű és látványos.Bővebben: Link
A mozgó fejrészt azt szerintem kihagyom, nincs ötletem, hogyan lehetne megcsinálni. Valami szervós dologra gondoltam, olyanokra, mint amik amik az RC helikopterekben vannak. Régen modelleztem de egy vagyonba kerül, ezért most kihagyom.
Szóval most csak hangvezérelten kéne kevernie a színeket, és lehetőleg pár ampert el kéne bírnia. Egy RGB power ledhez. Egyébként a fényt hogyan bontja olyan sávokra? Körkörös alakban az a sok kis sáv.
A ledesnél egyszerű, mert ott minden fénynyaláb egy LED, a LED-ek nyitásszögétöl függő szélességgel. A sima optikásnál pedig úgynevezett gobo-t fordít a fényforrás és az optika közé. Az elöbb amit belinkeltem ott simán egy tükörre van felvetítve az ábra, és egy motor forgatja a tükröt eliptikus pályán, és hangra változtatja a motor a fogásirányát. Maga az elktronikája egy 40x80 as panelon elfér.
Sziasztok!
van egy kaocsolás amin már rengeteg javítás történt. Most tulajdonképpen kinek melyik verziója működött melyiket építsem meg? :no:
Hello!
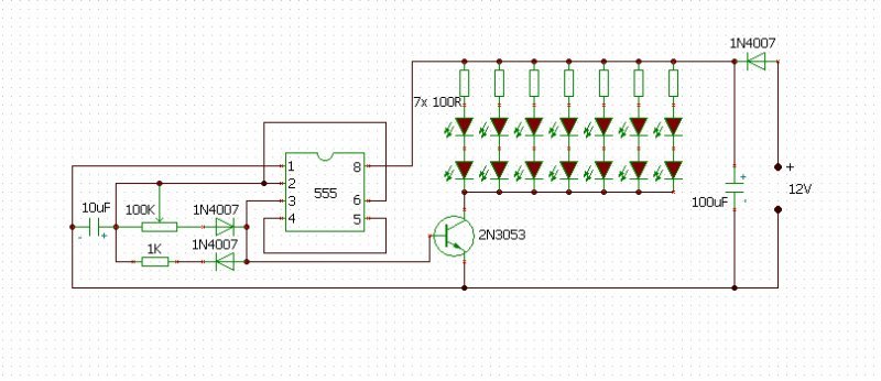
Ezek közül még a legmegfelelőbb a középső. (Miért kell 100km-es fájlnév?) De a 7x100ohm értéke kétséges, erősen az alkalmazott Led-ek típusától és üzemi áramától függ. Tehát ahhoz kell megválasztani. Pontosabban a Led-ek ismerete nélkül nem igazán lehet korrekt választ adni.. üdv! proli007
Köszi!
Van egy rakat 3mm -es fehérledem csakhát az áramfelvételüket nem tudtam kimérni (egy ledes energiatakarékos égőböl berheltem ki őket)
Hello!
Én még nem szedtem szét ilyen dolgot, de gondolom nem valami spéci Led van bennük. Tehát ezek a fehér Led-ek általában 20mA mellett, 3,2V nyitófeszültséggel bírnak. De ha van tápegységed, megmérheted. Egy soros 470ohm-al rákötöd a 12V-ra, és megméred a feszültséget. Ekkor az áram, kb. 20mA lesz. De ha ez így van, akkor a kapcsolásban célszerűbb nem kettő, hanem 3db. Led-et sorba kapcsolni, és akkor a 100ohm már megfelelő lesz. (12V-(3*3,2V))/100ohm=24mA üdv! proli007
Attól függ, hogy milyen égőt szedtél szét. Jobban belegondolva, egy ilyen energiatakarékos cuccnak fel kell venni a versenyt egy 40es izzóval minimum. Ha megvan, hogy hány wattos volt a ledes égő (én 3 wattosakat láttam) és hogy hány db led volt benne, abból lehet következtetni a ledek teljesítményére. Bár a 3 milis ledből elég sok belefér.
Éticsiga, a villanócsöves strobit sikerült megépíteni?
80db led volt az égőben és azthiszemem 8wattos volt.
Nem sajnos azért szeretnék ledeset (szerintem így egy 555össel a legegyszerübb aztán ha menne ez rendesen akkor talán megint megpóbálnám a villanócsöveset)
Nem biztos, hogy egyszerűbb, de biztosan olcsóbb. Igaz nincs benne magasfesz. Egyébként akkor kb. 0,1 wattra jön ki egy led, biztosan nem spéci. Én is ilyesmiket építgetek most, csak kicsit bonyolultabban
Egyébként, ha megépíted a kapcsolást, és működik, akkor egy egyszerű kapcsolással működtethetnéd vele mind a 80 ledet, és akkor már lenne rendes fényerőd is ![]() Panelterved esetleg van a ledeshez?
Még nincs de sprint layoutban 10perc alatt összedobom
Szia!
Hogy állsz a lámpáddal? Én a lézerremmel kínoztam magam, egyenlőre ennyit tud.Bővebben: Link
Szia!
Ma rendeltem újabb alkatrészeket, amik hiányozta. Panelt maratta, meg ilyenek. Mai nap ráment a fénypultom javítására. Neki is állok kifurkálni őket. Egyenlőre egy fényorgonára alapozik, és majd onnan jön a "level up" ![]() Jó kis lézer, grat. Mennyiből lehet ilyet kihozni? Mekkora panelre fér el? SMD-re csináltad?
Eddíg kb 20000 de a gyári ára az jóval több. Van még itt pár kép, így látod a méreteit. Bővebben: Link Sokkal nem lenne kisebb SMD-vel sem.
Sziasztok,
Lehet, hogy maximalista vagyok, de a LEDes stroboszkópnál nem célszerű 555-ből egy monostabil kapcsolást beiktatni a az astabil és a ledek vezérlése közé? Arra gondolok, hogy így az astabil kör folyamatos, sebesség fv-ében változó kitöltésű jelet ad, azonban a monostabil ezt mindig lerövidíti / meghosszabbítja, fix értékre. Tág határoknál szerintetek hasznos lehet? Anyagköltsége szerintem nem akkora nagy, a haszna a kérdés. Ha komoly mozgások vizsgálatára kell, akkor számíthat az a fránya kitöltési tényező, nem? Ha pedig diszkóba, akkor is számít, mert valamennyire az agy érzékeli, hogy ez nem csak egyszerű villanás. Luxeon power ledek kb. 20 ns alatt nyitnak, 20 alatt zárnak 0-ról 90%-ra, és fordítva, tehát egy ilyen 25-30 ns értékre gondoltam. Ez alatt a ledek elérik a majdnem teljes fényerejüket, mégis megmarad az _igazi_ stroboszkóphatás. Javítsatok ki, ha tévedek! Üdv, zimpee
Hello!
Csak kötözködöm, mert azért ez több helyen is sántít.. Nem gondoltad komolyan, hogy a 25..30ns-ot látod is? Még a 100Hz villogást is csak perifériás látás mellett (oldalt) veszed észre. Éleslátásnál (szemből) még nagyobb a szem integrációs ideje. 20ns gyorsan, meg kapcsolni is kellene tudni. De abban is kételkedem, hogy a Led képes lenne ilyen gyorsan működni is. De egyetlen 555-nél is megoldható, hogy a jel ideje állandó legyen és a periódus változzon csak (persze csak bizonyos tartományban.. üdv! proli007
Üdv,
próbapanelen összeraktam a kapcsolást, itteni kalkulátorral számolt pontos értékeket használva látható volt a led fénye. Itt a villogás frekvenciája nem nagyon lesz több 10-12 Hz-nél, az pedig jóval kevesebb, mint a DivX-ek ![]() Igen, a kapcsoló sebessége nekem is kérdés, 555 adatlapban van info erre, jónéhány tranzisztornál viszont (ami szóba jöhet) nincs. Kísérletezéssel menni fog. Most egy piros ledet mutogatok magamnak, és meg vagyok győzve, hogy működhet nagyban. Apropó, mennyi a villanócsöves strobik villanásának hossza? Bővebben: Link Üdv, zimpee
Hmmm,
egész véletlenül lehet, hogy ms helyett ns-t írtam... Most nézem, hogy a kalkulátor ms-ban számol. Nem tudom, hol zavarodtam össze. Entschuldigungen! tehát 24 ms-es jel az, ami látszik. De a szememre alapozok, nem is szeretnék kisebbet. zimpee
Hello!
Kicsit hihetőbb. A fényképező vakuk, kb. 1ms alatt szoktak elvillanni (ha jók még az emlékeim, mert megmértük valaha) A strobiba ennél gyorsabb lehet, lévén, hogy sokkal kisebb a kondi. AZ NE555 maximális működési frekvenciája 100kHz (10us) tehát a négyszögjel felfutása, ettől mondjuk 10szer jobb, akkor az 1us. Látom, hogy a Led-eknél, ns-okat írnak, csak értelme nem tudom mi. Ezeket világításra használják gondolom, nem adatátvitelre, ahol a sebesség számítana. De csak azt írják, hogy ennyi a jel fel és lefutása. (Gondolom alapvetően a dióda tárolt töltésének kiürülésétől függ.) De hogy erre világít is, azt már nem. üdv! proli007
Hmm,
Akkor lehet, hogy azt a 24 ms-t, amit beállítottam, variálhatóvá teszem lefelé. Viszont: 555-nek monostabil kapcsolásban kell valahova húzzam a resetét? Bővebben: Link <-- itt ugyanis ez nincs megtéve, és ez alapján összerakott kapcsolásom tökéletesen működik. Továbbá az 5-ös láb ( Control Voltage) sincs bekötve, ám enélkül is tökéletes. Szükségesek ezek? Köszi a válaszokat, zimpee
Hello!
Talán ha megnézted volna az 555 belső kapcsolását, el tudtad volna dönteni. De.. - A Reset lábon egy tranyó bázisa van. Ahol magas szint esetén (tápra kötve a lábat) a tranyó le van zárva, és nincs Reset. Billeg az Astabil. Alacsony szint esetén (bemenet a GND-n) a tranyó ki van nyitva, Reset él, kimenet alacsony szintű. Ha lóg a levegőben, a tranyó akkor is zárva van, csak éppen nem szép egy bemenete szabadon hagyni. (Ez nem kapcsolási rajz! Az ábra, elvi jellegű, amiből a működés megérthető. Többek között negatív tápfeszültsége sincs az 555-nek, még is működik? ) - Az 5. láb egy belső referencia osztó (kb. 3x5kohm) felső tagja. Ez az osztó állítja elő a komparátorok 1/3 táp és 2/3 tápfeszültség szintű "küszöbfeszültségeket". Kihozva azért van, mert ezen keresztül változtatható a komparátorok feszültsége, vagy ha úgy tetszik, modulálható (nem nagy tartományban). De általában ezt a pontot egy kondenzátorral hidegíteni szokták, hogy ne legyen zavarérzékeny a komparátorok működése. üdv! proli007
Sziasztok!
Megépítettem a hátrébb ajánlott kapcsolást 21 db 3mm-es LED-el, a kapcsolásban szereplő tranzisztor helyett bc141-16 ot használtam és tökéletesen működik! köszi, hogy segítettetek!
Hellosztok lenne egy kérdésem hogy ennél a kapcs rajznál bármely pnp tranyó jó Pl: Bc 547-es?
Először is: NPN tranyó kell, (mondjuk a BC547 ilyen), de az áramterhelhetősége kicsi. Az átfolyó áramot megkapod,ha az egy oszlopban levő ledek nyitófeszültségét levonod a 12V-ból, és az így kapott értéket elosztod a 100 ohm-al, majd megszorzod az oszlopszámmal. A ledek színétől függően durván az össz áramfelvétel 5-600mA lehet. Tehát ajánlatos ennél nagyobb áramú tranyót alkalmaznod, vagy egyszerűen csak az ellenállásértékeket kell nagyobbra venni. Egy sima lednek elég a 10mA is, itt pedig ~80mA is folyhat áganként, ami elég sok.
Üdv!
Megépítettem egy ledes stroboszkópot(melléklet) ami 10 ledre van tervezve. nekem viszont van egy 100 ledes panelom amit szeretnék erről működtetni. mit kellene kicserélni és mire ahoz hogy rendesen működjön? amit próbáltam mérni átlagba 0,7V megy ki a ledekre. meglehet oldani, vagy építsek egy másikat? előre is köszönöm.
0,7 V? Az egy kicsit kevés, hogy mérted?
Egyébként erősebb tápegység az, mi Neked kell, illetve a BD249 elég erős, elvileg nem kell cserélni. Milyen panel? Adatlap! Hogy vannak kötve rajta a ledek? sorban vagy párhuzamosan? Milyen led-ek? |
Bejelentkezés
Hirdetés |





:no: 











