Fórum témák
» Több friss téma |
Fórum » PLC kérdések
Témaindító: Thomas10100, idő: Nov 12, 2005
Sziasztok,
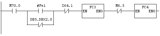
Kaptam egy célgépben működő PLC programot tanulás céljából. Viszont rögtön az első soroknál meglepődtem azon, hogy vannak olyan network-ök, amik feltételei ugyanazon bitre a normál és negált kapcsolattal párhuzamosan vannak. Tehát pl. a network mondjuk beállít egy bitet (vagy szubrutint hív meg), feltétele pedig az I0.0 bit normál és negált VAGY kapcsolatban van. Ergo bármi is az I0.0 értéke, a kimenet mindig igaz. Miért szoktak (??) ilyen sorokat betenni a programba? Üdv és köszi, Roland
Nálunk az M0.0 szokott lenni általában a mindig 0 bit, az M0.1 pedig a mindig 1.
Ezek azért jók, ha pl: hibakeresésnél valamit át akarsz hidalni, vagy valamit 0-ba akarsz tenni, ezekkel lehet egyszerűen. Ezeket a biteket a ciklus elején, OB1/NW1-ben szokták beállítani. (siemens) Szoktak még lenni olyan bitek, amiket csak írnak a programban, de sehol nem olvasnak. Ez arra jó, ha pl: egy programrész kimenetét nem akarod használni, akkor ezt a bitet írod be. Vannak még bitek és Word-ok is, amit több helyen írnak és olvasnak, a programozónak kell tudni, hogy ahol olvassa ott milyen érték van benne. Ezzel a megoldással a belső változókkal lehet spórolni.
Hali roleez!
Ahogy Panhard írta, ezek a mindig0 és mindig 1 bitek nagyon jók arra, hogy programban részeket áthidaljunk vagy kiiktassunk. Általában ideiglenesen, hiszen a végleges kiiktatás elegánsabb módja a törlés. Így viszont könnyen vissza lehet tenni amit kiiktatunk, a "fölösleges" feltétel eltávolításával. Az I0.0 vagy kapcsolatban not i.0.0-val megoldás is valószínűleg ilyen okból van a programban. Ő így oldotta meg annak a feltételnek a megvalósítását, ami mindig igaz. Az ilyesmi a fentieken kívül arra is jó, hogy létradiagramban pl. egy networkbe kényszerítsünk olyan feltétel sorokat, amiket csak több network-be lehetne beírni. Ezt általában az áttekinthetőség javítására használják, a program működésére nincs hatással. Lásd a mellékletben...
Köszönöm a válaszokat!
A belső változókra értem, de az hogy ez a bit egy külső bemenetre van ráakasztva? (I0.0 konkrétan) A logika a lényeg, hogy végigrágjam, aztán jöhetnek az ilyen finomságok. Ráadásul ez a program teljesen már logikát követ, mint pl. a si@mens tanfolyásokon tanulható sorrendi vezérlések. Köszönöm mégegyszer! R.
Hali roleez!
Idézet: „Ráadásul ez a program teljesen már logikát követ, mint pl. a si@mens tanfolyásokon tanulható sorrendi vezérlések.” Az SFC tényleg teljesen más mint a létra ![]() Lehet utánozni létrában is (van aki ezt a módszert követi) de nem mindig célravezető.
Üdv!
Honnan tudnék letölteni olyan oktató dokumentumot/videót, ami a kezdetektől mutatna egy primitíven egyszerű programot megírni. Életemben először nyitottam meg a Simatic step7 softwert, és hát az én véleményem szerint se az cx-programmerhez, se az fst progihoz sem hasonlít egy csöppet sem. Bíztam benne, hogy biztos egy kaptafa mindegyik, de tévedtem. Elég összetett így elsőre, és sajna elindulni sem tudok vele. Példaprogramot hiába nyitok meg vele, rengeteg dolog homályos a programon belül. Előre is kösz! Dávid
Helló aderka!
Idézet: „Honnan tudnék letölteni olyan oktató dokumentumot/videót, ami a kezdetektől mutatna egy primitíven egyszerű programot megírni.” Én javasolnám a "STEP 7 - Programming with STEP 7" c. dokumentumot, ami a gépeden van, ha telepítetted a Step7-et. (Start menü, SIMATIC / Dokumentation...) Ez szól a fejlesztői környezetről. Sajnos ebből magyart nem tudok ajánlani. javaslom továbbá: A STEP7 programozás alapjai Ez magyar nyelvű. Esetleg nézz szét az oldalamon, ahol van egy kimondottan kezdőknek szánt rész. Ez sem ad átfogó információt (hogyan nyissunk meg egy projectet, meg hogyan méretezzünk ablakot, keressünk a programban stb.). De van ott pár dolog, ami talán segít neked elindulni Pl. program lépésről lépésre történő felépítése is van, de nem a Simatic fejlesztői környezet kezelésének oldaláról közelíti meg a dolgot, hanem a feladat szempontjából. Videókat is találsz (van kb. 8-10) több témában is, bár az főleg WinCC Flexible. Idézet: „"először nyitottam meg a Simatic step7 softwert, és hát az én véleményem szerint se az cx-programmerhez, se az fst progihoz sem hasonlít egy csöppet sem. "” Nem is nagyon van ok, hogy hasonlítsanak egymásra. Persze nagyjából azonos a céljuk, de annyira hasonlítanak is
A programozás alapjaiba beleolvasva azt hiszem pont erre van szükségem!!
Köszönöm szépen!Dávid
Az más, de létrában csinálta
![]() Szal alakul a megértése. Köszönöm még1x. R.
sziasztok
Szerintetek miért van az, hogy hajszolják az egyre kisebb PLC ciklusidőt programfuttatáskor, ugyanakkor egy nagyobbacska (S7-300 318-2DP) CPU-ban is (csak) 386DX-40-es processzor dolgozik? Miért nem tesznek gyorsabbat bele?
Hali Mate78!
1. Szerintem senki nem hajszolja az egyre kisebb ciklus időket. Nem ez a megfelelő szó rá. Ez csak egy tendencia (következmény, és nem feltétlenül ok). 2. Honnan veszed, hogy az S7 PLC-ben X86 processzor van? Szerintem nem az van benne... CPU 315-2 PN/DP-ben Pl. Infineon Tricore van
Sziasztok!
Látom elég sokan vagytok itt akik értetek Siemens S7-300 PLC-hez. Segítséget szeretnék kérni. Kérdésem az lenne, hogy hogyan tudnék 244Byte-nál nagyobb csomagot küldeni egy S7-300-as és S7-1200 PLC közöt, Profibus DP-n keresztül. Ha nem lehetséges, akkor esetleg Ipari Etherneten keresztül. Váloszokat előre is köszönöm!
Hali haritomi!
Több részletben bármennyit küldhetsz...
Kedves Szirty!
Az a problémám hogy nekem egy csomagon/cikluson belül kellene nagyobb adatot küldenem. Egyébként olvasom az oldalad, nagyon jó. Pont ilyen segítségekre lenne szükségem.(S7-300 és 300 közötti profibus vagy ipari ethernet kapcsolat) Már meg is csináltam őket, csak nincs PLC-m amin tesztelhetném...
Szevasz haritomi!
Most nem tudom fejből hány byte adat küldhető maximum egy bizonyos konstellációban. De azt tudom hogy van egy maximum méret. Gondolom az a problémád, hogy ennél többet szeretnél küldeni. Idézet: „"Az a problémám hogy nekem egy csomagon/cikluson belül kellene nagyobb adatot küldenem."” Milyen ciklusra gondolsz? PLC ciklusra? Ha igen, annyi megjegyzésem van, hogy a kommunikáció teljesen aszinkron a PLC ciklusokhoz képest. Ez azt jelenti, hogy ha minden PLC ciklusban meghívsz egy adatküldés funkciót, korántsem biztos, hogy minden ciklusban el fog menni egy. Ezért van a küldő fogadó blokkoknak BUSY/DONE jelzése. A maximális küldési gyakoriság sokmindentől függ. Pl. hogy milyen kommunikációs buszon küldöd, annak mekkora a sebessége és mennyi más eszköz van felfűzve rá, illetve mekkora az adatforgalom, mennyi adatot küldesz, stb.
szia
Onnan, hogy szétszedtem egyet.AMD 386-DX40 van benne.Ha akarod lefotózom. Lehet hogy nem is az a főprocesszor?(mert van még mellette pár tok) Ez az Infineon Tricore valami 32 bites mikrokontroller. Nem tudom mi a feladata.
Hali Mate78! Nem egy VIPA-t szedtél szét?
![]() Idézet: „Ez az Infineon Tricore valami 32 bites mikrokontroller.” Pontosan. Idézet: „Nem tudom mi a feladata.” Futtatja az operációs rendszert és a felhasználói programot, ami vezérli azt a gépet, amiben a PLC van. Mi más feladata lenne? ![]() (legalábbis a 315-ben, mivel abban nem láttam x86-ot)
szia
Mi az a Vipa? De jövő héten belekukkantok mégegyszer, hogy pontosan mi is van még a 318-asban. Hasonló kérdés a 318-ashoz: Töltőtár mérete egy adott típusnál 65kB.(Baugruppenzustand/Speicher menüpontban néztem) Ez szerinted miért ilyen kicsi? Hogy meg kelljen venni mellé a memóriakártyát? Nem kötözködni akarok, csak a kíváncsiság hajt. üdv Máté
Hali Mate78!
A VIPA egy gyártó, ami független a Siemens-től és klónokat, S7-300 "kompatibilis" PLC-ket (is) gyárt. Idézet: „Töltőtár mérete egy adott típusnál 65kB.(Baugruppenzustand/Speicher menüpontban néztem) Ez szerinted miért ilyen kicsi? Hogy meg kelljen venni mellé a memóriakártyát? Nem kötözködni akarok, csak a kíváncsiság hajt.” Pedig a kérdéseid stílusa olyan... Ha 256MB memória lenne benne beépítve, akkor meg azt kérdeznéd, hogy mi a fenének beletenni akkorát, ha elég 20kB is? Hogy mindenképp meg kelljen venni vele együtt a nagy RAM-ot? Szóval. A Load memory, amiről te írsz az nem az a memória, ami a programot tárolja. Az csak egy belső munka memória, ami a működéshez kell és nem bővíthető kártyával. A Work memory tartalmazza a programot, az viszont nincs a PLC-ben benne, hanem egy MMC kártya tartalmazza, az viszont mindenképpen szükséges ahhoz,hogy egyáltalán működjön. Legalábbis az újabb modelleknél, amikben MMC van. Ez nem azért van így, hogy mindenképpen vetessenek veled egy MMC kártyát, hanem azért, hogy ha kicsi memória is elég, akkor lehetőséged legyen kicsit venni, ha nagy kell, akkor nagyot venni. Vagyis nem vetetnek veled memóriát, amire majd úgy sem lesz szükség. A 25kB kevés, De mihez képest? Úgy kérdezel, mint ha Microsoft és PC világból csöppentél volna ebbe a témába. Ebben nincs Windows, ami zabálja a memóriát. Kivéve a box, microbox, panel PC és multi paneles megoldásokat, amiken Windows XP embedded fut és WinAC szoftver PLC-vel működik. Azokban valóban x86 van. Amúgy, ha valódi (és nem virtuális) PLC-ről beszélünk, komplett gyártósorok elmennek 25k/2-4M memóriával. Más szóval: Azért nincs bennük GB méretű memória, mert arra nincs szükség. Ui.: Ha jól sejtem 2006. április 1. óta nem gyártanak CPU318-at...
Üdv!
Ha elkészülök egy Network-ön belül egy logikai kapcsolással aminek a vége mondjuk egy RS tároló vagy csak egy S, akkor arra a következő Network-ben hogy tuok hivatkozni? Tehát ha nekem az RS tároló logikai 1-es szintjére lenne szükségem a következő soron belül.. Egy fizikailag nem felhasznált eredményt milyen memoria címekre kell menteni? Mi ként nevezzem el? Gondolok itt arra, hogy például az FST-ben létre lehet hozni egy Merkert amit F0.0-nak neveztem el, és a programban bármikor hivatkozhattam ennek értékére. Remélem nem fogalmaztam túl hozzá nemértőn .Kösz Dávid!
Hali aderka!
Idézet: „Ha elkészülök egy Network-ön belül egy logikai kapcsolással aminek a vége mondjuk egy RS tároló vagy csak egy S, akkor arra a következő Network-ben hogy tuok hivatkozni?” A címével. Pl. ha az RS tárolónak az M6.2 merkert "adtad oda", akkor a programban bárhol hivatkozol Az M6.2-es merker bitre, az az RS tárolód állapotát fogja tartalmazni (feltéve természetesen, hogy ezt a bitet a programban máshol nem írod, csak olvasod). Idézet: „Egy fizikailag nem felhasznált eredményt milyen memoria címekre kell menteni?” Bármilyen címre teheted, amit még nem használtál fel. Legfeljebb nem fogod olvasni sehol a tartalmát. ha több ilyen is kell, akkor megadhatod ugyanazt a változót máshol is. Mivel nem akarod használni a tartalmát, nem számít, hogy össze-vissza írkálják. De ha nem akarsz erre értékes címeket felhasználni, akkor adj meg neki lokális változót.
Értem köszönöm!
Még egy kérdésem lenne. Hogy tudok már megírt programrészeket meghívni. Ez egyébként úgy működik, hogy mondjuk FC2 valamely sorába meghívom FC1-et akkor FC2 "megszakad" lefut FC1 és lefutás után, onnan folytatódik FC2 ahol a megszakítás történt? Melyik modullal/blokkal lehet ezt a megszakítást / hívást elvégezni? Kösz, Dávid!
Még egy dolog ami apróság ugyan, de az előbbi hozzászólásomban elfelejtettem megkérdezni.
Ha el szeretnék nevezni egy nyomógombot azt a következőképp kell tennem? pl: I0.0#Start
Bocs, ha félreérthetően fogalmaztam.
Köszi az eddigi válaszaidat, nem kérdezek többet. Úgyis előre tudod,mit akarnék kérdezni. üdv
Helló aderka!
Idézet: „Ez egyébként úgy működik, hogy mondjuk FC2 valamely sorába meghívom FC1-et akkor FC2 "megszakad" lefut FC1 és lefutás után, onnan folytatódik FC2 ahol a megszakítás történt? Melyik modullal/blokkal lehet ezt a megszakítást / hívást elvégezni?” Pontosan így működik. Ha létrában akarod hívni, akkor a vízszintes vonalon nyomsz egy Alt-F9-et, megynílik egy box, oda beírod, hogy FC3 és enter. vagy megjeleníted a "katalógust" (View/Overviews, Ctrl-K). Az Overviews ablakban megkeresed az "FC blocks" sort, megnyomod az előtte lévő + jelet, a kinyiló FC blokk listából a kívánt FC blokkot egérrel belehúzod a létradiagramba. A blokkoknak paramétereket is átadhatsz, illetve a blokkon belül beállíthatod a blokk "ENO" kimenetét is tetszés szerint. Az előző üzenetben linkelt oldal erről szól.
Hali aderka!
Idézet: „"Ha el szeretnék nevezni egy nyomógombot azt a következőképp kell tennem? pl: I0.0#Start"” ha neveket akarsz használni, akkor a címekhez tartozó neveket a szimbólum táblában adhatod meg. Programozás közben is megteheted egyenként, ha a címre állsz (kiválasztod) és Alt-Entert nyomsz. kapsz egy ablakot, amiben egy soros táblázat van. Ez ugyanaz, mint a szimbólum tábla egyes sorai. Address: az a cím, a mihez a nevet rendeled hozzá, ez ki van töltve azzal a címmel, amin Alt-Entert nyomtad. Symbol oszlopba írhatod be a nevét. Itt pár szabályt figyelembe kell venni. Pl. max 24 karakter lehet, nem lehet két egyforma, stb. Commentbe pedig el lehet magyarázni bőbeszédűen mi is az. Amikor leraksz egy elemet a programba, a címhez mindig beírhatod a szimbólum nevét is, nem csak a címét. De a megjelenítést át kell váltani ha azokat akarod látni a cím helyett: View menü, Display with / Symblic representation. vagy Ctrl-Q. Ha a megjegyzéseket is látni akarod a programban, akkor View menü, Display with / Symbol informationm vagy Ctrl-Alt-Q
Nagyon szépen köszönöm, sokat segítettél!
Dávid
Sziasztok
Tudnátok nekem segíteni? Én szeretném felrakni az 5.5-ös Simatic Managert Wndows7 alá de sajnos nem engedi, aki tud kérem segítsen. előre is köszönöm. |
Bejelentkezés
Hirdetés |








