Fórum témák

» Több friss téma
Fórum » Wireless LAN erősítő
 
Témaindító: saca200, idő: Jún 15, 2007
Témakörök:
Lapozás: OK   1 / 3
(#) saca200 hozzászólása Jún 15, 2007 /
 
ha valaki tud vagy épitett már wifi erösitőt kérem irjon nagyon fontos lenne
(#) Kera_Will válasza saca200 hozzászólására (») Jún 15, 2007 /
 
Az antenna a legjobb erősítő !

Hány km szeretnél áthidalni ?
(#) saca200 hozzászólása Jún 15, 2007 /
 
elösször is kösz hogy válaszoltál egyébként 18KM-tert de nem net lessz alatta hanem játék szerver ha van ilyen rajzod akkor segitsd nekem van pár de nem lehet hozzá alkatrészt kapni
(#) Moderátor hozzászólása saca200 hozzászólására (») Jún 15, 2007
 
A címet engedelmeddel kijavítottam a magyar helyesírás szabályai szerint.
(#) mokus válasza saca200 hozzászólására (») Jún 15, 2007 /
 
Optikai rálátás van? Ha igen csak megfelelő antenna kell.
18 km-nél már egy háznál (4-5m) magasabb torony kell a föld görbülete miatt.
Szerintem játékszerver célra nem lesz jó a wifis kapcsolat! Pl a ping és a csomagvesztés az egekbe fog szökni. Amúgy sem irdomos és jogszerű Wattokkal dobálózni 2.4 gigán.

Ha komolyan gondolod és van tiszta optikai rálátás akkor egy optikai (lézeres) kapcsolatban kellene gondolkodni, vagy elfelejteni az egészet.
(#) Braf válasza saca200 hozzászólására (») Jún 15, 2007 /
 
"18KM-tert"
ismerősömnél ugy van megoldva hogy a tetőre ki van rakva valami pici antenna és azzal hidalnak át 5km ert

18km er hez nem csak a te oldaladon kellene erősíteni a jelet hanem a másik oldalon is! bár szerintem meg lehetne oldani erősítés nélkül is de akkor irányított antenna kell (ezt sokszor zavarja az eső,hó, két antenna közé bekerülő tárgyak) de ekkora távolságnál az antenna 0.1mm er es elmozdulása is az irány több tíz méteres eltérését is okozhatja

a játékszervernek hálózati elérés kell (attól függ milyen hálózaton akarod futtatni mert ha azt akarod hogy egy olyan ember is lássa aki neten keresztül keresi akkor kell net ,ha csak azt akarod hogy az lássa aki ugyanarra a wifi hálózatra csatlakozik akkor oda nem kell netelérés)
(#) saca200 hozzászólása Jún 15, 2007 /
 
tökéletesen tisztába vagyok a szabályokkal ugyanis társtulajdonos vagyok eggy wireless internetet szolgáltato cégnél
nem azt kérdeztem hogy kell csinalni hanem van -e erössitö rajzod
(#) Dudus válasza saca200 hozzászólására (») Jún 15, 2007 /
 
2,4GHZ-re vagy 5GHZ-re?

Ha nincsen speciális műszerezettséged nem fogod tudni megépíteni! Ekkora teljesítménynél ha nincs irányított antennád telibeszórod a környéket ha van, akkor meg túlléped a határértékeket.

Másrész fölösleges ilyen fölényesen válaszolni egy teljesen jószándékú hozzászólásra. Ezekben a fórumtémákban benne van a véleménycsere lehetősége is. Ha erre nem vágysz miért nem írod be a google-be?
Üdv.
(#) kukac_24 válasza saca200 hozzászólására (») Jún 15, 2007 /
 
Helló!

Én egy nagyközségben lakom Vas megyében, ahol az adsl internetelérésnek korlátai vannak. Pl. az én utcámban már nincs szabad vezeték a t-com kábelében több hozzáférés létesitésére.
Arra gondoltam, hogy kéne csinálnom egy vállalkozást wireless hozzáférés szolgáltatására, de gondolom ez nem ilyen egyszerű.
Tudna valaki segiteni, hogy mi kell egy ilyen vállalkozás beinditásához?

Köszi az infót!
(#) Lucifer válasza mokus hozzászólására (») Jún 15, 2007 /
 
Ezek a dolgok sajnos nem úgy mennek, hogy kapcsolásirajz, nyákterv kivasamlom kimarom beültetem oszt működik. Vannak gyári boosterek, amik egyrészt itthon illegálisak, és drágák.

Amúgy mifelénk a Hajdúszoboszló Nádudvar kapcsolat (20 km légvonalban) "bolti" 5 Ghz-s cuccokkal van megoldva. Két parabola, két Senao routerboard + rálátás (víztorony -> panleház.) És egy pár embert ellátnak így internettel.

(#) saca200 hozzászólása Jún 15, 2007 /
 
bocs dudus nem akartalak megsérteni de itt más netnek miert lehet 400mW-al sugározni öket miert nem cseszegeti se4nki
(#) Dudus válasza saca200 hozzászólására (») Jún 15, 2007 /
 
Nem ez a lényeg...ezen az alapon a kopasz köcsög a forgalomban a példa?? Mert senki sem ....szegeti??

Nem sértettél meg.

Ha zavar vagy zavarja a rendszereidet jelentsd be. Kimérik és ha kell büntetnek.

Azt azért tisztázzuk, hogy az energiasűrűség a lényeg. 32mW-os adóval és egy nagy nyereségű irányított antennával is létre lehet hozni határértéket meghaladó energiasűrűséget egy adott térrészben. Ha érdekel körüljárhatjuk, csak a kérdésedből nem az tűnt ki, hogy érdekelnek a szakmai részletek. Valaki említette az antennát és meg kell mondjam egyetértek vele. Standard jelszintű eszközökkel és nagyon jó antennával a Mohave sivatagban 100Km-es nagyságrendet lőttek át a Trifa és Tanger közötti linkről nem is beszélve.

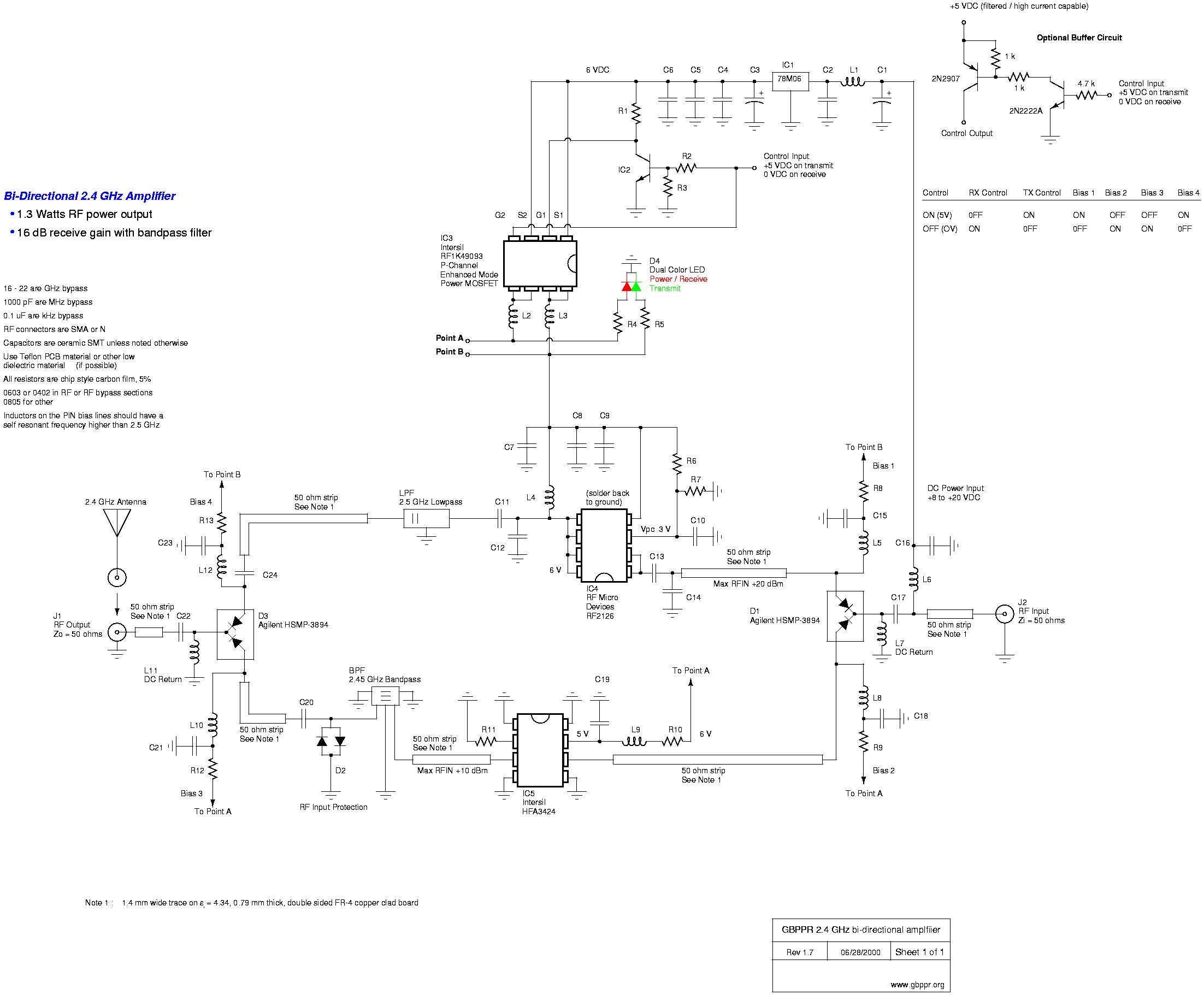
Az alábbi kapcsolást nézd meg. A következő problémákon gondolkodj el:

- Az adás és vételirányt is erősítened kell
- A gerjedést, hogyan akarod megvalósítani. ( Az adás és vétel hurkot alkot! )
- A mikrostrip tápvonalat, hogyan akarod méretezni, hogy a teljesítmény ki is jöjjön belőle. ( WSWR-t hogyan fogsz mérni )

- stb...

Még azok is bele szoktak bukni, akiknek minden műszerük megvan csak tapasztalatuk nincs. Ezeket ne vedd kioktatásnak csak megpróbáltam pár mondatban felvázolni egy ilyen projekt nehézségeit.

Üdv.

2.4amp.png
    
(#) saca200 hozzászólása Jún 15, 2007 /
 
köszi a rajzot de ehez hasonlo van nekem is csak kicsit egyszerübb nem is ezzel van baj hanem az ic-t nem birom beszerezni RF2126-os hogy lehetne beszerezni.ha tudsz olyan helyet akkor légysives ird meg
előre is köszi :SACA
(#) Dudus válasza saca200 hozzászólására (») Jún 16, 2007 / 4
 
Az E-Bay-től az egyéb forgalmazókig sok helyen lehet rendelni. Mivel van céged ki is fognak szolgálni. De írhatsz a gyártónak is megjelölve a projekt-et és vagy megmondja nálunk hol lehet kapni vagy küld mintát.
(#) saca200 hozzászólása Jún 16, 2007 /
 
dudus egy baj van hogy már rengeteg helyen érdeklőttem de nem is ismerik ezt az ic-t ha valahol be tudnám szerezni tudod egy probát megér mert nagyon szeretem a wireless rendszert ha szakmai tanácsot adsz azt örömmel fogadom nagyon érdekel a dolog
(#) Norberto hozzászólása Jún 16, 2007 /
 
Valamiért iszonyat sántít nekem ez az egész dolog

Ha én társtulajdonos lennék egy WIFI-s cégnél, biztosan találnék olyan kiskaput/havert/ismerőst (stb.), ahonnan nagyon-nagyon kedvezményes áron tudnék esetleg (akár céges számlára, stb.) venni/szerezni akármilyen professzionális eszközt...

...és nem otthon barkácsolnék, főleg nem 18 km-t átlőve!

Ez a dolog számomra most magas...
(#) Dudus válasza Norberto hozzászólására (») Jún 16, 2007 /
 
Lehet készen venni , akár 500mW-os !!! WLAN erősítőt számtech boltban. Nem olcsó (~25000HUF) de az építés sem. Én kipróbáltam egyet a standard 0dB -s antennával és a böszme teljesítmény ellenére is rosszabb lett az eredmény, mint egy irányított parabolával erősítő nélkül.
(#) saca200 hozzászólása Jún 16, 2007 /
 
figyelj norberto azért vagyok muszály saját magam csinálni mert olcsobban jön ki amugy a boltban igaza van dudusnak lehet kapni de iszonyat drága tehát érted miert akarom otthon megcsinálni!!!!!!!!!!!!!!
(#) Norberto válasza saca200 hozzászólására (») Jún 16, 2007 /
 
Ha lenne rá biztos garancia, hogy az otthon megépített valóban a boltinál jobban tud teljesíteni, akkor megértem ezt a "lázat"...de így...
(#) trtk hozzászólása Jún 16, 2007 /
 
én inkább nem erősitőt építenék hanem olyan routert vennék ami a belső szoftver váltásával 1mW és 10W közöt lehet a kimenő teljesítményt állítani pl. lásd linksys wrt54g V1, V2 vagy bármely olyan wireless router ami linux oprendszert használ

pl egy ilyen router kb megvan 15-20ezerből és ha meggontolod ennyiért veszel egy 1-2W-os erősítésü kütyüt de ha megveszed a routert még egy komplett routert is kapsz.

én is erre készülök hátha sikerül valami kicsalni belőle
(#) Norberto válasza trtk hozzászólására (») Jún 16, 2007 /
 
10W-ot is ki lehet csalni egy ilyenből??? :eek2:
(#) trtk hozzászólása Jún 16, 2007 /
 
a linksys wrt54g 1-es verziójából igen ott a rekord persze routolás nélkül 11W ami nem kis teljesítmény
(#) elektro válasza trtk hozzászólására (») Jún 16, 2007 /
 
10W????? azta Hallod egy jó parabolával megyéket átlősz vele. A műholdra mennyivel lövik fel??? Tudom hogy nem lehet vagy is lehet csak engedélyet kell venni ami drága.
(#) Dudus hozzászólása Jún 16, 2007 /
 
Lehet, hogy én vagyok "Hitetlen Tamás" de én kétlem ezt a 10W-ot, ha nem történt benne áramköri modifikáció! Tudnál linket küldeni, ahol utánna lehetne nézni?
(#) saca200 hozzászólása Jún 16, 2007 /
 
trk van képed rola
csak firmware frissités és kész??????????
(#) Dudus válasza saca200 hozzászólására (») Jún 16, 2007 /
 
http://cgi.ebay.com/RFMD-RF2126-0-4-2-7GHz-1-3W-SO-8-RF-AMPLIFIER-2...ewItem

Ebay

http://www.rfmd.com/orderSample.asp

A gyártó mintarendelési oldala. Ezzel ne élj vissza, hogy ha valaki másnak még szüksége lenne rá , kapjon is.
(#) saca200 hozzászólása Jún 16, 2007 /
 
dudus köszi le vagyok nyügözve ha valamilyen ilyen vagy ehhez hasonlo nyügöm van segitessz??????????
(#) saca200 hozzászólása Jún 16, 2007 /
 
valakinek nincs egy jó minöségü yagi antenna rajza nehogy félre értsétek szeretek barkácsolni nem a rendszerhez kell
(#) Dudus válasza saca200 hozzászólására (») Jún 16, 2007 /
 
(#) saca200 hozzászólása Jún 16, 2007 /
 
dudus én is eggyet értek veled ilyen szerintem nincs hogy egy firmware segitségével akár meg tizszerezi a kimenö teljesitményt szerintem ilyen nincs vagy csak nem tudunk rola
Következő: »»   1 / 3
Bejelentkezés

Belépés

Hirdetés
XDT.hu
Az oldalon sütiket használunk a helyes működéshez. Bővebb információt az adatvédelmi szabályzatban olvashatsz. Megértettem