Fórum témák
» Több friss téma |
Szia ez a játék a Battle City olyan verziója ahol az ellenséges tankok is fel tudják venni a kiegészítőket. PL: az ásó a játékosnak fém borítást jelent a házra, de ha az ellenséges tank veszi fel akkor eltűnik még a tégla borítás is. Namármost ezt a verziót nem találom... sehol sem.....
Ha tudsz segíteni akkor nagyon köszönöm
Tudom melyikről beszélsz.
Nem tudom, hogy itt a fórumon meg lehet-e osztani. Írj privátot, ha még fontos lenne neked és megoldjuk valahogy a dolgokat. Annyi, hogy ez a verziója a játéknak nekem más pályákkal van meg, de gondolom ez nem okoz problémát. Megvan még egyéb verziókban is. Gyorsabb játékmenet, egy csillaggal kezdesz stb.
Sziasztok!
Segítséget szeretnék kérni, kiskoromban karácsonyra kaptam egy (Mortal Kombat III nevezetű) nintendot, amit villámcsapás ért. A nintendo felkerült padlásra, és azóta valamilyen szinten szoktam szerelgetni erősítőket, stb (kisebb - nayobb, eredménnyel). A lényeg, megtaláltam a múlt héten ezt a nintendomat, és igazából ahogy szét szedtem nem láttam benne sok mindent ami elromolhatott, hátha tudna valaki segíteni nekem hogy tudnám megjavítani. A hiba a következő: egy új táppal becsatlakoztatom, rákötöm a tv-re és a bekapcsolás után a tv képernyőjén csíkozódások jelennek meg, (hangyás kép semmi nem vehető ki belőle) és kb fél perc után nagyon felmelegedik az egyik feszültségszabályzó (7805) de ezen kivűl semmi. Már kicseréltem egy másik 7805-ösre, volt egy kondenzátor is amit kicseréltem mert púpos volt, de egyik se segített továbbra is melegedett. Előre is köszönöm szépen a segítséget!
Szia!
Hangold a VHF 2-es csatornára. Remélhetőleg bejön valamilyen kép.
Ez gond! Valami biztosan elromlott benne
Tudna nekem valaki javítani egy Nintendo Game Boy Advance sp -t az irjon legyenszives rám!
Üdvözletem.
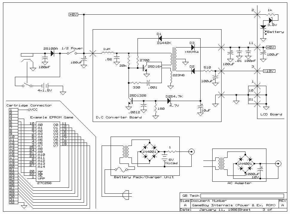
Nintendo 64 tápegység kapcsolási rajzát szeretném valahonnan megszerezni. A primer részen lévő biztosítékot kiveri. K2137 MOSFET csere után megvannak a megfelelő szekunder feszültségek,de csak pár másodpercig,mert újra kipurcan a MOSFET. A szekunder oldal leválasztása után a primer oldal jól működik. Rajz nélkül kicsit nehéz,mert már akkoriban ezek a japánok olyan dolgokat tettek ebbe a tápba,hogy nem semmi. Előre is köszönöm a segítséget. Üdv:Tom
Ezzel tudok szolgálni.
Köszi.
A használati útmutató is jól jön,de a táp javításához kapcsolási rajz kéne.... A hozzászólás módosítva: Szept 20, 2013
Csak úgy kérdem ilyesmi lenne ő?
Az alap Nintendo konzol így néz ki belül,de a tápegység az kicsit más...
Esetleg ?
![]() Na mennyit ér ez meg neked ?Persze , ha egyezik csak , akkor.
Utána nézek , hátha van még valami el ne aludj addig.
Jól van,várom..Ma 11-ig fönn vagyok.
Ezeket kellene tudnia ?
És ő lenne az ? A hozzászólás módosítva: Szept 20, 2013
A kimeneti feszültségek stimmelnek.A képen az amerikai verzió szerepel,ott a bemenő fesz 110 Volt ezért ilyen a dugó.Ehhez kéne rajz.Mármint a 220V-os verzióhoz.
Ok , akkor jó felé nézegetek , ilyenek is vannak még esetleg , hátha ez is jól jön valamikor.
Meg lesz az , csak türelem,. És azt hiszem több rammot , így lehet bele tenni. A hozzászólás módosítva: Szept 20, 2013
Melyik hasonlít a belsejére?Vagy egyáltalán nem ilyen?
Készítettem pár fotót...
Ok megint nem tiszta valami .Az egyik képen 001 van a másikon 002 nem mindegy , mert nem egyformák.
Egyébként olvastam az előbbi hozzászólást , amit írtál a működéséről . Azt írod a szekunder kört leválasztottad ezt , hogy kell érteni ?Egyébként , ha a szekunder oldalon lenne a hiba az még nem okozná a 230v ági biztosíték kiolvadását.Szerintem ott a primer körben van a zárlat még mindig. Nekem ő gyanús szerintem ez meg van égve . A hozzászólás módosítva: Szept 20, 2013
Már így kaptam a gépet,hogy nem volt jó..
Elképzelhető,hogy az eltérő számozás miatt ment ki a táp. Rögtön a tápfeszek mérésével kezdtem a dolgot,ami azt igazolta,hogy a táp nem jó. Hogy a gép jó-e,az majd kiderül,ha jó lesz a tápja. Mint a képen is látható,a PC1 és PC2 NEC 2561 L749 alkatrészek ki vannak szedve,ezáltal választottam le a szekunder oldalt.A trafó maradt. Érdekes módon a Graetz hídról 330Volt feszültség jön le... A hozzászólás módosítva: Szept 20, 2013
Az nem érdekes , hisz a puffer elkó ott van , és amiatt az rendben is van úgy.
Nos ha a trafó maradt , akkor a szekunder oldalon a trafó lábain tudni kell mérned váltóba feszültségeket , ha ez nem így van , akkor a táp nem megy.Egyébként a PC1 , Pc2 azok optó csatolók , és , ha ezek ki vannak véve nem hiszem , hogy a táp működne. A hozzászólás módosítva: Szept 20, 2013
A primer oldalon vannak feszültségek /egyen 315Volt/,de a szekunder oldalon semmi.Ez hogyan lehet?
Úgy lehet , hogy az a táp nem megy.Ugyan a puffer feszültség meg van a primer oldalon , de a trafó primer meghajtása nem működik. De ennek lehet az az oka is , hogy az alkatrészek ki lettek szedve belőle sőt biztos.
Ezért lenne jó egy kapcsolási rajz,mérési pontokkal.Napok óta böngészem a guglit,de semmi.
Régebben fenn voltam az Elektrotanyán,de fél éves inaktivitás után szó nélkül kivágtak.. Most meg nincs regisztráció.Ott sok rajz van,lehet hogy ez is meg lenne..De semmi remény... De nem adom fel,addig csinálom,míg jó nem lesz. Természetesen ugyanolyan MOSFET-et nem találtam,de ami benne van,a paraméterek szerint jó.. Van még benne egy kis panel PWB2 jelöléssel,azzal nem tudok mit kezdeni.. Elkók jók,diódák jók,Mosfet jó,Graetz jó,más meg nagyon nincs is a primer oldalon.... Ha a kivett két alkatrészt visszarakom,a MOSFET hirtelen felhevül.Kicsit erősebb biztit tettem be,pár másodpercig megvolt a 3,3 és 12 Volt,azután eldurrant a Graetz és a Mosfet.. A hozzászólás módosítva: Szept 20, 2013
|
Bejelentkezés
Hirdetés |
















