Fórum témák
» Több friss téma |
Fórum » Labortápegység készítése
Ezt te levágtad a képről,vagy tőled van a trafó,és ismered a szekunder feszültségeket?
Bocs belevu, most javítok egy BMW márkaszervizeknél használatos nagy áramú akku potó, töltő stb készüléket a kimenetet 6 db 10 A es 2 pár érintkezős relé kapcsolja és tökéletesen néz ki minden pogija. 60 A max a kimenő áram.
Termisztorral lehetne csokkenteni http://www.soselectronic.hu/?str=378&searchstring=TERMISZTOR&p=A601...enteni az aramlokest.Az EPCOS gyartmanyra gondolok.
Én meg ha nem kellene betekintési nyilatkozatot aláírni akkor lefényképezhetném neked hogy a metrónál milyen eszközökkel kapcsolják fel meg le a 825V-os, 'csupán' néhány ezer Amperos vontatófeszültséget a harmadik sínre.
Attól mert valahol léteznek olyan relék amik nagy áramot tudnak kapcsolni, attól még a nyákba ültethető párszáz Forintos kis játékok nem fognak. A jelen problémát tárgyaló beszélgetésünk legelső általam írt hozzászólásában megkérdeztem Alkotót hogy milyen reléket használ. Nem olyanokat amiket te említesz. Idézet: „Szerintem a relé kapcsolási ideje hasonló nagyságrendű, mint a szinuszhullám félperiódusának ideje” Így van. Nagyságrendileg 15ms egy kapcsolási idő, az 50Hz-es hálózat nullátmenetei pedig 10ms-onként vannak. Ettől még tökéletesen lehet időzíteni. Idézet: „feltételezhetően egyáltalán nem állandó” Szerintem pedig nem túl nagy szórása van. Ráadásul nem is kell halálpontosan időzíteni, mert nem pont a nullátmenetkor kell kapcsolni, elég csak akkor amikor a pillanatnyi szekunderfeszültség kisebb mint az elkón lévő. Ez pedig viszonylag tág tartománynak tekinthető. Idézet: „a nullátmenet-vezérlés sem tud hozzátenni a dologhoz, csak bonyolítja a rendszert” Ez a csodálatos dolog a mikrovezérlőkben. A bonyolultság ugyanis nem hardveresen jelenik meg (vagy ha igen akkor csak minimálisan). Ugyanis a bonyolultság a PIC-en belül van. Az meg az utánépítőt nem érdekli. A nullátmenetes és anélküli vezérlés a kapcsolási rajzon ugyan úgy néz ki. A PIC egyik lábán egy ellenállás, egy tranzisztor és a relé. A különbség a PIC-en belül van. Idézet: „A trafótekercsnek is van ellenállása, a greatznek is van, és a puffernek is van, sőt ott van még a 0,2R direktbe sorba téve. Ezért szinte biztos, hogy a relé simán elkapcsolja” Vezesd le számításokkal hogy így van! Az nem érv hogy "szinte biztos". Idézet: „vannak relék, amik egész életükben motorokat vagy trafókat kapcsolnak be-ki” Igen, de azok nem ilyen relék. Idézet: „Végeztem egy kísérletet.” Ez kísérletnek tényleg jó, de mérésnek semmiképp sem tekinthető. Ezzel senkit nem fogsz meggyőzni aki tudja hogy mi az a deprez műszer. A söntöt kösd rá egy tárolós szkópra és nézd meg a legnagyobb csúcsértéket! Na az aztán már 'perdöntő erejű' lenne.
Köszönöm a gyors választ! A trafó egy hifit hajtott és lemezelt magja van.
Még ma lemérem.
Ha már kísérlet....
A primer köri előszabályzás teljesen járhatatlan út?! (tudom...triakos fázishasításos szab-nál semmi köze a kimenetnek a szinuszhoz...ma mégis kísérletképpen bekötöttem egy szabályozható fordulatú 230V-os 1200W-os porszívómotor szabályzóját-ami ugye egy induktív terhelés,igaz ugyan hogy kefés a motor- egy 12V/6A-es akkutöltő primerjére,majd mértem, üresjáratban és aksival terhelve is...hát...ha nem is túl korrekten,de azért 0-6A tartományban lehetett szabályozni, és ezzel egyenes arányban változott a kimeneti fesz is....nekünk nem épp ez kell?!)
A kialakuló áram teljesen jól meghatározható, csak néhány mérést kell végezni + kell hozzá egy szimulátor program (pl. TINA).
A hálózati trafó szórási induktivitását meg kell mérni, és a tekercseinek az ohmos ellenállását. Az elkó ESR-je is mérhető, vagy meghatározható azadatlapja alapján. A graetzen eső feszültség az áramtól függ, de nagyon nagy áramok esetén sem több néhány Volt-nál. Ebből már számolható is a kialakuló áram. De aki nem szeret sokat számolni az berajzolja a TINA-ba a mért értékek alapján (induktivitások, belső ellenállások) és indíthat egy szimulációt.... Annyit kell még tudni, hogy a relé érintkezői prellegnek is, tehát több ki/be kapcsolás van egymás után. Ez a kialakuló áram szempontjából mellékes, de az élettartamot csökkentheti. Egyébként a mostanában kapható relék adatlapján nincsenek kapcsolási idők megadva? Még egy tipp: a relék kapcsolási sebessége jelentősen gyorsítható úgy, hogy a bekapcsolás pillanatában 2x...3x-os feszültséggel indítjuk, majd ez visszacsökken egy üzemi értékre (a kapcsolás megtörténte, azaz néhány ms után). A kikapcsolás szintén gyprsítható úgy, hogy nem diódával védjuk a kapcsolótranzisztort, hanem egy zenerrel, ami jóval nagyobb feszültségű mint a táp, de kisebb mint a tranyó által elviselhető maximum.
Még annyit, hogy a nullaátmenetes kapcsolásnál a kialakuló áram a szinusz pillanatnyi meredekségétől is függ, és ezért a kialakuló áram nem csak az érintkezők zárása után növekszik meg, hanem eleve kisebb érték alakul ki, mint a meredek átkapcsoláskor.
Tehát szerintem mindenképpen érdemes időzíteni, még akkor is, ha nem minden kapcsoláskor sikerül teljesen eltalálni a nullaátmenetet. Az élettartamot mindenképpen meghosszabbítja, még akkor is ha mondjuk átlag minden 43. kapcsolás "mellé megy". De szerintem nem megy mellé... annyira nem rosszak ezek a relék.
Ha valaki leméri az említett adatokat, akkor szivesen összedobok egy szimulációt!
A tekercsek ellenállásást áramgenerátoros táppal és mV mérővel mérjük - hogy pontos legyen. A szórási induktivitást a primeren , rövidrezárt szekunderek mellett, mérjük induktivitásmérővel! Idézet: „Egyébként a mostanában kapható relék adatlapján nincsenek kapcsolási idők megadva?” Dehogynem! Én nem is ezt tartom kérdésesnek hanem az egyes kapcsolások idejének szórását. Tehát hogy mondjuk 100-szor bekapcsolom a relét és mérem mind a száz kapcsolás idejét. A legkisebb és legnagyobb időérték közti különbség (szórás) az amire én kíváncsi vagyok és ez nincs deklarálva az adatlapokban. Legalábbis én ilyet eddig még nem láttam. De ezt már többször leírtam... Idézet: „A kialakuló áram teljesen jól meghatározható, csak néhány mérést kell végezni + kell hozzá egy szimulátor program (pl. TINA).” Persze, szimulálni is lehet. Idézet: „Még egy tipp: a relék kapcsolási sebessége jelentősen gyorsítható úgy, hogy a bekapcsolás pillanatában 2x...3x-os feszültséggel indítjuk, majd ez visszacsökken egy üzemi értékre (a kapcsolás megtörténte, azaz néhány ms után).” Ez már tényleg bonyolítaná az áramkört, mert hardveres követelményei (plusz alkatrészek) lennének. Másrészt nem is kell gyorsítani a reléket, csak a kapcsolási idejüket kell lemérni és eszerint időzíteni a nullátmenethez a pogácsák érintkezését. Amúgy csak az én heppem ennyire a relék nullátmenethez időzítése. Triakokkal is meg lehetne oldani, csak én ezt az utat még nem gondoltam át.
Semmi fölös sallang nélkül lassan két éve kapcsolgatja már a tápomat a relérengeteg, mindjárt kettő is oldalanként, egyik hővédelem aktiválódásakor a másik a két szekunder tekercset kapcsolja. Azt hiszem ez meggyőzhet mást hogy nem ég be a relé. Én 3 pogácsát párhuzamosítottam eddig. Együtt elvileg 15 A kapcsolnak, külön külön 5 A.
Idézet: „...Ezzel senkit nem fogsz meggyőzni aki tudja hogy mi az a deprez műszer...” Fel se merült bennem, hogy ezt a valóban sete-suta mérést bárkire is rá akarnám tukmálni, illetve az eredményeket döntőnek gondolnám a közvélemény számára. Éppen a saját kétkedésem oltárán áldoztam azzal az idővel, amit erre fordítottam. Én akartam tudni, mégha csak egy ilyen primitív megközelítéssel is a várható hatást. Talán nem hangsúlyoztam eléggé, de a lényeget számomra az jelenti, hogy az áramkorlátozó ellenállás egyértelműen, közel felére csökkentette az áramlökést. Ez nekem elég a prototípus elkészítéséhez, amit majd igyekszek jó alaposan tesztelni. Óvatosan mondom újra, de saját és néhány hallott/olvasott tapasztalat alapján még mindig bízom ebben az egyszerű kis kapcsolgatós megoldásban -mégha ez elméletileg valóban támadható is-. Aztán ha nem válik be, akkor még mindig jöhetnek a PIC-es megoldások. Sőt akár párhuzamosan is mehet a két féle megközelítés
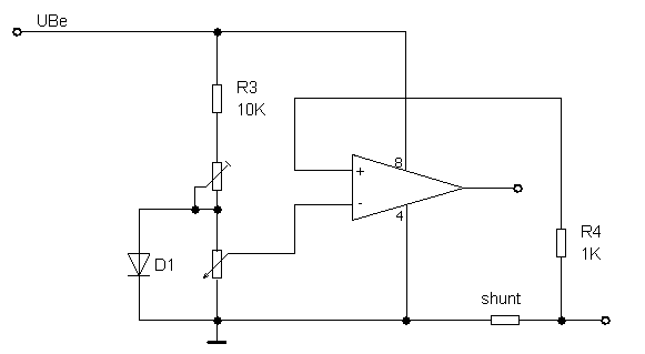
Van valakinek rajza, szabályozható áramkorlátról lehetőleg lm358...stb. Táp nem érdekes esetemben, csak
a szabályzásra lennék kíváncsi.
Hello!
Bármely labortáp áramkörében találsz rajzot. Az alapelv, hogy egy leosztott referencia feszültséggel összehasonlítjuk a Shunt ellenálláson eső feszültséget. És ha az ellenálláson eső feszültség nagyobb, akkor leszabályozzuk az áteresztő tranzisztort. Így csökken az áram, és beáll egy egyensúlyi helyzet. Vagy is az áram állandósul. (A rajz egyszerűsített, csak a megértést szolgálja) üdv! proli007
Köszi !
Nem voltam pontos az első hozzászólásomban Azzal van gondom, a táp kimenete is változik, és ezzel együtt a ref.fesznek is kell változni, még mondjuk ezzel sincs gond, inkább azzal, hogy ha beállítok pl: 12V 1A lekapcsolást, akkor hiába veszem vissza a feszt a kimeneten, az LM358 +/- bemenetén egyforma arányba változik a fesz. tehát a kimenet folyamatosan magasban marad. 0.2 Ohm a shunt.
Ez nem így van. Ha megnézed proli007 egyszerűsített rajzát, láthatod, hogy a referenciafeszültség állandó, mivel külön egység állítja elő, ami nem függ a táp feszültségének változásától.
A gyakorlatban ezt mégiscsak a tápra kötik, de egy aktív referenciaelem közbeiktatásával. Nagyon elterjedt például a TL431 szabályozható referencia. Alapesetben 2.495V-ot szolgáltat, és ezt a feszültséget tovább osztva, akár kettő ellenállással, vagy egy potival, beállítható a megfelelő referenciafeszültség. A Te shunt ellenállásodnál maradva 1A beállított korláthoz 200mA feszültséget kell beállítani, amit minden további nélkül meg lehet tenni a potival.
Hello!
"Táp nem érdekes esetemben, csak a szabályzásra lennék kíváncsi." Elvi dologra kérdeztél rá. De ha konkrét problémád van, miért nem annak rajzával mellékelted? De félek, nem érted a labortáp működését. Mert alapvetően vagy a feszültséget, vagy az áramot szabályozzuk. OHM törvénye nem engedi mind kettőt, ha a terhelő ellenállás állandó. Egy táp, vagy feszültség generátoros üzemmódban (tehát a feszültséget próbálja állandó értéken tartani), vagy áramgenerátoros üzemmódban (ahol a kimenőáramot próbálja állandó értéken tartani) működik. Egyetlen kivétel van, az átmeneti könyökponton, amikor feszültség generátorról áramgenerátora megy át. (vagy fordítva) Tehát, ha beállítasz egy áramkorlát értéket, akkor - állandó terhelő ellenállás mellett, a feszültséget változtatva, a kimeneti feszültség addig növelhető, míg a terhelésen a beállított áram értéket el nem éred. Ez után a feszültséget hiába szeretnéd tovább növelni, már az ára lesz állandó. - állandó kimeneti feszültség mellett, a terhelő ellenállást csökkentve (növelve így a terhelést), a kimeneti feszültség addig állandó, míg a terhelésen a beállított áramkorlát értékét el nem éred. Ekkor a terhelő ellenállást tovább csökkentve, az áram lesz állandó, és a feszültség esni kezd. - Ha a kimeneti feszültséget (terheletlenül) beállítod egy értékre, majd állandó értékű a terhelő ellenállást teszel a kimenetre, és az áramszabályzó potmétert nulláról növeled, akkor a feszültség az áramkorlát beállított értéke szerint arányosan folyamatosan nő, míg a terhelésen a feszültség el nem éri a beállított kimeneti feszültséget. (Ez után már a feszültség szabályzó korlátoz) Az áramkorlát potit tovább növelve, már nem nő a feszültség, (sem az áram) mert a terhelésen állandó kimeneti feszültségen az áram is állandó értékű marad.. Remélem el tudsz menni ez alapján a működésen. üdv! proli007
Szia !
Nagy vonalakban ez a megoldásra váró dolog (kép) Tehát van egy táp IC aminek van egy on-off bemenete amivel a kimenő fesz lekapcsolható. Táp 1.2V - 24V -ig szabályozható. Azzal nincs gond, hogy egy x feszültség mellett beállítok egy áramkorlátot. Azzal van gond, ha beállítok pl 12V 1A -re egy áramkorlátot amikor az elkezd működni hiába szabályzom vissza a feszt a müv.er bemenetein a feszültség párhuzamosan csökken. Lehet rosszul tudom, de a shunt-ön 12V 1A mellett nagyobb fesz esik mint ugyanazon fix terhelés mellett 6V-on amikor 500mA áram folyik. Ebből nekem az jön le, hogy a müv.er bemenetein a feszültség szinteknek közelednie kellene egymáshoz és nem egy pl: 15mV különbséggel csökkenni. Szóval itt nincs tranzisztoros vég, ebből más egy kicsit a dolog, itt vagy van feszültség a kimeneten vagy nincs. Ennyiből nem klasszikus labortáp !
Hello!
Vadász kutya legyek, ha értem miről beszélsz. De az ábrából sem látok semmit, mert mind össze a műveleti erősítő összekötését látom egy szabályzóval. De hogy a műveleti erősítő bemenetei hova van kötve, és mit is vezérel, azt sem látom. Most találgassak? - Alapból két lehetőség lehet az ábrán, mintha egy LM317 lenne. De annak ADJ szabályzó lába van, nem kikapcsoló ShutDown bemenete. Kapcsolóüzemű szabályzók alkalmaznak ilyen bemenetet. - De ha Te nem túláram korlátozást szeretnél, hanem túláramra lekapcsolni a tápot, akkor egy komparátorra van szükség, de a komparátor kimeneti információját, valahogy tárolni kell. Pld. a komparátor visszacsatolásával, hogy amikor az áram túllépett egy értéket, akkor az bebillenjen és csak "kézzel" lehessen vissza billenteni. Különben az egész csak ki-be fog kapcsolgatni.. - A tranyó, meg biztos nem jó így, mert a lekapcsoló bemenetek általában illeszkednek egy logikai szinthez. Itt pedig az OPA kimenetén egy emitter követő van, ami közel 33V-ot fog az On/Off bemenetre kapcsolni. - A műveleti erősítő bemenetein nem szabályozunk feszt. Ott ha az erősítő negatív visszacsatolással rendelkezik (és nincs túlvezérlés), akkor a két bemenet potenciálja azonos. Ha pozitív visszacsatolás van, akkor a két bemenet azonos feszültségénél, a kimenet átvált táptól-tápig, és ez után a hiszterézis miatt, az egyik bemenet feszültségét a visszacsatolás elmozdítja. (Hogy más értéken billenjen vissza) - A Shunt ellenállást azért használjuk, hogy ezen érzékeljük a terhelés árama által létrehozott feszültséget. Magyarul az áramot feszültséggé konvertáljuk. (mert áramot közvetlen nehezen mérünk) De a Shunt feszültsége, csak az árfolyó áramtól függ. U=I*R függvényében. - Az egy egész más kérdés, hogy egy fix ellenállású terhelés esetén ha arra 12V-ot adunk, majd ugyanerre 6V-ot, akkor fele lesz az áram. Így a Shunt ellenálláson mérhető feszültség is. (még mindig az OHM törvénynél vagyunk) - De ha egy stabilizátor kimenetére teszel egy Shunt ellenállást, akkor az azon eső feszültség rongálni fogja a stabilitási tényezőt. (hiszen levonódik a kimeneti feszültségből) Kivétel, ha biztosítható, hogy a szabályzó visszacsatolása, a Shunt után köthető be. - Az is gond, mint tapasztalhattad, hogy ha a kimenő feszültség változik, a Shunt is vele együtt mozog. És mivel a Shunt ellenálláson eső feszültséget kell mérni, az csak úgy kapható meg, hogy a két feszültséget ki kell egymásból vonni. Viszont a kivonásnak hibái vannak. A bemeneti feszültség nem mozoghat csak az OPA CMRR tartományában. 1,2..24V között ez nehezen biztosítható, precíz OPA és ellenállások kellenek. Gondolj bele van kb. 1,2V..24V zavaró feszültség változás, és 0,2V hasznos. (0,2ohm és 1A mellett) - Ezért a Shunt ellenállást, ilyenkor nem a tép plusz kimenetére, hanem negatívra teszik. Ott a GND ponthoz képest szinte csak a 0,2V hasznos változás van. Az LM358 bemenete viszont kerülhet a GND pontra. Tehát sokkal egyszerűbb a dolog. Plusz, nem kell a referencia feszültséget sem a változó táp kimenethez képest kialakítani. Remélem valamilyen irányba mér fordul a dolog, ami közelít a cél felé, mert így csak kóválygunk, mint a hosszú lábú madár végterméke a levegőben.. üdv! proli007
Szia !
Ez volt a kulcs, a shunt-t a negatív ágba tettem. Most működik és szabályozható is. Köszi !
Az edison féle labortápom van megépítve de 1A-es terhelésnél az egyik 2n3055.ös melegszik rendesen a másik pedig nem.
Rámértem és jónak találtam mindent Collektor emitter zárva BE 0,55V mindkét tranzisztoron. A kimeneti feszültséget rendesen tudom állítani és áramkorlát is működik csak az tranyó nagyon melegszik... (a tranzisztorok hűtőbordán vannak) Miért csak az egyik teljesítménytranzisztor melegszik?
A kiegyenlítő ellenállások be vannak építve az emitterekbe?
Igen.
Az R24-es R25-ös ellenállás az ha jól tudom.
Nem maradt ki a melegedő alól a hővezető zsír?
Még egyik alá sem raktam hővezető pasztát mert most nincs.
De csak az egyik tranzisztor melegszik...
A nélkül, hogy tudnám melyik tápról van szó, egy gyors mérést elvégezhetnél. Egy adott terhelés mellett (mondjuk ahol tapasztaltad a féloldalas melegedést), mérd meg mekkora feszültség esik a tranyók soros ellenállásain.
Rendben megmérem!
Ez az a táp
Sziaaztok! A csatolt tápot megépítettem már valaki? Esetleg valami tapasztalat?
|
Bejelentkezés
Hirdetés |




Még ma lemérem. 








