Fórum témák
» Több friss téma |
Fórum » Labortápegység készítése
szia
Ezt a tápot már többen is megépítették, köztük Alkotó fórumtársunk is! Nekem is kész van , csak egy trafót kéne bele vennem... Egyébként csak jó tapasztalatok vannak ezzel a táppal. Ha megnézed Alkotó képeit vagy az enyémeket akkor láthatod milyen megoldások születtek a kivitelezésre.
Sziasztok!
Tervezgetem az igazi labortápom és az elején megakadtam. Az elvárásom az lenne, hogy két szimmetrikus kimenet legyen 0-30V 0-5A. Alapvetően nem ezzel van a gondom hanem a transzformátor kiválasztásával. Ilyen feltételek mellett ez megoldható egy transzformátorral vagy több kell vagy gondolkodjam kapcsolóüzemű tápforrásban? Egyáltalán labortápoknál milyen fő feszültség forrás az elfogadott?
Üdv.
Alkotó van ehhez a táphoz nyák terved? Megnéztem a feltöltéseid,de nem találtam hozzá.
Van, és Én egyből megtaláltam. itt van a rajz mellett
:worship:
Köszönöm akkor én nem voltam alapos.Mert csak a fájlmellékletekre kerestem rá.
Hiába nézem a tervet nem jövök rá, hogy mire való a Vs- és a Vs+. Miért van külön kivezetve?
Szia!
Az +Us es -Us ![]() Ha jol tudom, akkor az arra valo, hogy a szabalyzo kor a legkozelebb legyen a taplalt fogyasztohoz, e ket csatlakozon keresztul csatlakoztatva a nagyobbaramot igenylo fogyasztokhoz, Kikuszobolhetjuk hogy ne a beallitott feszultseg jelentkezzen a vegpontokon.
Hello!
"Kikuszobolhetjuk hogy ne a beallitott feszultseg jelentkezzen a vegpontokon." Nem kiküszöböljük, hanem éppenséggel pont azért alkalmazzuk, hogy a fogyasztón legyen meg a beállított feszültség, ne a táp kimenetén. Magyarul a bekötő vezetékek ellenállásán eső feszültség csökkenést küszöböljük ki.. (Gondolom így gondoltad..) üdv! proli007
Igen, igy gondoltam! rosszul fogalmaztam meg.
elnezest.... koszonom a kiigazitast "...ne a beallitott...." ezt ertelmezheto ugy is, hogy ha beallitok egy erteket, akkor azt igyekszik tartani es nem engedi, hogy az kevesebb / tobb legyen
Értem. Mindenre gondoltam csak erre nem
Köszönöm a válaszokat.
Üdv!
A következő labortápot tervezem utánépíteni: http://www.hobbielektronika.hu/kapcsolasok/stabilizalt_labortapegys...l?pg=1 A következők lennének a kérdéseim: - Használhatok-e 220/24v 63va-es trafót bármelyik alkatrész módosítása nélkül? -Az R7,R23 1,2 Ohm / 5w helyett mehet-e 1,5 Ohm /5w? -Építte-e valaki, és mi a tapasztalat róla? Előre is köszönöm a válaszokat.
Szia!
Ahhoz a kapcsoláshoz éppen olyan trafó kell.
Szia!
A fogyasztóra akkor mind a kettő kivezetést csatolni kell???Vagy eleve össze van kötve a kivezetésnél ?Köszi. Idézet: „...mind a kettő kivezetést csatolni kell???” Itt a KELL szó a dolog nyitja. Nem kell, csak lehet. Alapesetben már magán a nyákon összekötheted ezt a két-két kivezetést (a plusszokat egymáshoz, és a minuszokat egymáshoz). A kapcsoláson egyébként ez elég jól látható. Viszont ha úgy akarod, akkor mind a négy vezetéket kihasználhatod, és az összekötést közvetlenül a fogyasztóhoz "kihejezheted". Ez sokkal macerásabb, viszont ha jól csinálod, akkor a vezetékeken eső feszültség hatását kiküszöbölheted. Én úgy oldottam meg a saját tápegységemen, hogy kivezettem mind a négy csatlakozást, és a labortáp csatlakozóinál kötöttem össze őket. Így a "referenciapont" nálam a kimeneti csatlakozónál van.
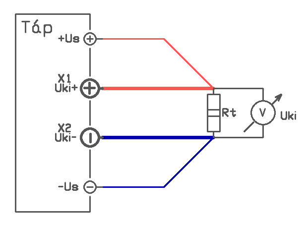
Hello!
Látom nem akar összeállni a kép. ezért lerajzoltam. - Az "Rt" szimbolizálja a táp terhelését, amin a tényleges kimenő feszültséget kellene beállítani. - A vastag vezetékeken folyik a terhelő áram, a vékonyak csak a visszamérésre szolgálnak, azon jelentős áram nem folyik. Így ezen a vezetéken nincs feszültség esés, mint a főáramköri vezetőn. - Ha nincs szükség négy vezetékes mérésre, akkor a két pont a táp kimeneti csatlakozójánál közösíthető. - Mint a linken is látható, a módszer pontos ellenállás mérésre is használható (használják). Az elv azonos. üdv! proli007
Köszönet,végre tiszta,engem ez tartott vissza ettől a táptól! Tehát amatőrként bőven elég ha a nyákon közösítem a mérőpontokat,oszt van egy pontos,bika tápom...Köszönet
Idő közben is alakult még egy kicsit az alapgondolat, melynek eredményeként részben logikusabb lett a nyákterv, illetve a kettős hőfigyelés is felkerült a panelre, méghozzá annyiban külön táppal, hogy az előszabályzó tápját ne terhelje, de mégis közös a tekercse azzal.
Proli007 labortápjának Alkotós kiviteli elképzelése most a v1.5 verziónál tart. Ebből fog a prototípus elkészülni. Jelenlegi állapota a mellékleteken látható.
Na, ma én is pont prototípust építettem!
Hy! Nagyon szép panelek! Vasalással készíted a beültetési pozíciórajzokat rá?
Laminálással. De ugyan az a panel van mindkét képen.
Tudom ugyanaz elírtam. Köszi az infót!
Olyannyira így van, hogy én is megépítettem, és abszolute hibátlanul működött az első pillanattól kezdve, a bekapcsolás után élesztésre sem volt szükség. Mind a feszültség-szabályozás, mind azáramkorlát tökéletesen működött. Bár a precíz építést nem lehet elhanyagolni! A hűtésre oda kell figyelni, de ha a fő szabályokat az ember betartja, akkor kiválóan működik.
Gondolom mindenki felületszerelt alkatrészeket használt, de én lehet megpróbálom SMD-vel
Persze csak a nagy részét.
Szóval nem lovon, hanem paripán fogsz lovagolni? Persze csak részben..
[OFF]Ha már offolunk: a felület szerelt az az SMD. Te a furat szereltre gondoltál.
Idézet: „Gondolom mindenki felületszerelt alkatrészeket használt”
Surface Mount Devices
Kapj elő egy szótárat
Sziasztok!
Tervezek építeni egy nagyobb labortápot, és a Pioneer féle Alkotós átrajzolatú 2.71-est néztem ki. Összeszedtem a hszeket, hogy ezekből kiindulva elkezdhetem-e, vagy van még módosítás valamiben. A 2.71-es kapcsolási rajz és a hozzá tartozó panelterv, amiben már 4db 2N3055 van.
Pontosítani kellene mit értesz "nagyobb labortáp" alatt. Pioneer tápja nagyon praktikus, és jól működik, az amatőr igények nagyon széles körét képes lefedni.
De ha már ekkora fába vágod a fejszédet, esetleg mérlegeld, nem nyernél-e akkor, ha pl. az RT-s tápot választanád, amiben szintén 4 áteresztőtranyó van. Ez utóbbinak kifinomultabban van megoldva a referenciafeszültség-forrása, ami a stabilitás egyik alappillére. |
Bejelentkezés
Hirdetés |





Köszönöm a válaszokat. 




Persze csak a nagy részét. 




