Fórum témák
» Több friss téma |
Összeraktam a kapcsolások közt lévő feszültségmérőt 7107-el. A mért értékeknek egyáltalán nincsen semmi köze a valósághoz, ha beállítom valamire, akkor is ugrál a mért érték. A -5V-t 7660 IC-vel adom neki, az 5V 7805. Ha beállítom 5V-hoz, akkor az utána ráadott 10V-nál kijelez vagy 60-at. Mit tudok módosítani, hogy működjön?
Hali!
Lenne egy kérdésem. Valakinek nincs véletlen olyan kapcsolási rajza ami 12 ledes? Egy voltmérőt kéne csinálni de nem grafikusat csak max hogy lássam kb mennyi volt van az akkuban. Szóval ojat akarok ha 6volt van még az akkuban akkor 6 led világítson. Ha válaszol valaki akkor üziben jelezze mert nem mindig lesem a gépet.
Idézet: „mert nem mindig lesem a gépet.” Az a Te bajod... Egyébként UAA180-al lehet ilyet építeni.
Valami kapcsolási rajzod nincs véletlen?
A datasheet en rákeresel az uaa 180 ra ott biztosan fent van a gyári alapkapcsolás
Datasheet for UAA 180 NOT FOUND !
Köszike! megtaláltam
A 6V-os feszültségű akku ha az névlegesen 12V -os, akkor az már teljesen használhatatlan. Egy feszültség-főértékmérő szerű megoldással sokkal többet érsz, ami 10V-15V között mér.
1: 10 alatt 2: 10-10,5 3: 10,5-11 4: 11-11,5 5: 11,5-12 6: 12-12,5 7: 12,5-13 8: 13-13.5 9: 13.5-14 10: 14-14,5 11: 14,5-15 12: 15 fölött Ez lefedi az akku teljes üzemi feszültségtartományát. 12 LED-del 0,5V os lépések könnyen megvalósíthatóak. Az UAA 180 beszrzése már nagyon nehéz, komparátorlétrával is építhetsz nagyon jó, futópontos kijelzést.
Hello!
Próbáld meg úgy, hogy a stab ic kimeneti lábait vezetékkel kötöd be a 7107 lábaihoz, és a stab ic bemenetére tegyél legalább 9-10 V-ot, mert nagyon nem szereti a 7107, ha ingadozik a feszültség. Üdv, mate_x
ok ezt értem de egy akkuban nincs 15 volt.
Idézet: „komparátorlétrával” Valami bővebbet írnál róla hogy azt hogy kell?
A teljesen feltöltött savas ólomakkumulátor cellafeszültsége 2,7V, vagyis a kapocsfeszültség 16,2 volt. A magas gázfejlődés miatt gépjárművekben csak 14,4V-ig töltjük, de nem értem, miért probléma ha a cucc 15 V mérésére is képes?
Idézet: „ólomakkumulátor” Bocsika én nem ítram oda hogy nem ólomsavas. Zselés akku.
Komparátorként alkalmazott műveleti erősítő lánccal: egy feszültségosztó lánc pontjait összehasonlítva a mérendő feszültséggel, az IC kimenetek közé kötött ledekkel kijelezve. Kép lenn, az elv kipróbálva.
Az elektrolit "halmazállapota" mellékes, az savas ólomakku.
Üdv Mindenkinek!
Van egy olyan problémám, hogy megépítettem a Topi féle voltmérőt, de azon kívül, hogy jól néz ki, meg világít, mást se csinál. Már összekötöttem a földeket, raktam 100nF-os kondikat ... DE SEMMI!!! Nem is reagál a bemenő feszültségre(mérendő), mindegy hova tekergetem. Ha összeérintem a mérőzsinórt, akkor se nullát mutat, hanem ugyanúgy azt az értéket amit egyfolytában. A referenciafeszültséget se tudom beállítani 100mV-ra. Most kb. 4Volton van durván a Ref. , de ahogy a 20k-s potit tekergetem, az 1/3-ánál kb, 1-et mutat a kijelzője, utána de ha letekerem teljesen, akkor is 2.2V a Ref. Mit kéne csinálni vele, hogy működjön??? Már nagyon elegem van belőle. 2IC/2NYÁK-on már tul vagyok, nincs kedvem még 3.-at is csinálni! Segítsetek légyszi!
Rendkívül alaposan mosd le a forrasztási oldalt, hogy a gyantának egy szikra nyoma se maradjon. Ellenkező esetben nem indul be az oszcilláció, vagy hamis értékű lesz. Nálam is ez okozta a problémát.
Sziasztok!
Az lenne a kérdésem h megépítette valaki már ezt a kapcsolást? Bővebben: Digitális voltmérő, LED kijelzővel A problémám h a kapcsolási rajzon nincs rajta a C6, C7 de a beültetési rajzon ott van. Továbbá C6 és C7 nem léte a kapcsolási rajzon az átkötések is homályosak(fényképen viszont vmi kivehető de nem egyértelmű) További problémám h az alkatrészlistába a 6db ellenállás van, a képeken viszont 7 mert a 7szegmens felöli oldalon is van egy + ellenállás(kapcsolási rajzon is 6 van) Azon már nem is akadok ki h a nyákterv nincs tükrözve. Segítsetek! Aki megépítette már vagy aki tud adni egy normális kapcsolási rajzot az tegye meg. Köszönettel!
Szia!
Először is köszönöm a válaszod! Lehet, hOGY nem írtam egyértelműen. Szóval a kapcsolási rajzon, az alkatrész listában és a beültetési rajzon is 6_db ellenállás van. A kondis dolog pedig azért számomra nem volt egyértelmű, azért kérdeztem rá. Igazad van, hOGY: "A panel a beültetéshez képest tükrözve van", de nem a NYÁK-rajz van tükrözve, hanem a beültetési rajz. Így jónak tűnik, de ha kinyomtatod a NYÁK-rajzot, akkor fordítva van az egész. Ergo mind a két rajzot tükrözni kéne, akkor lenne igazi. Csatolom az összeollózott képet! Válaszodat előre is köszönöm! Üdv!
re
Bátorkodtam megnézni a képeket, és azon, ha megnézed, az IC felŐli oldalon 6_db van, de a 7 szegmens LED felől viszont ott egy 7. ellenállás. Belinkelem hOGY mire gondolok: 7. ellenállás
Szia!
Köszönöm válaszod! Sikerült megépíteni. Üdv!
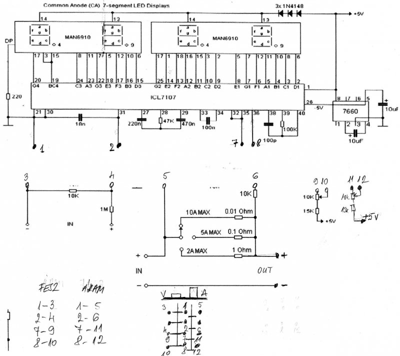
Hát eljutottam odáig, hogy csináljak egy normálisabb tápot, amit a BSS oldalán meg is találtam. Közben találtam a digitális feszmérőt, majd később a digitális árammérőt. Mivel a két kapcsolás /ICL7107/ szinte egyforma volt, arra gondoltam talán egy kapcsoló beiktatásával, egy kijelzővel, hol áramot, hol feszt lehet mérni vele. Megpróbáltam egy rajzra összehozni, remélem érthető. A nagyon értőktől kérdezem, működhet-e ez a megoldás?
Én is ezt a rajzot akarom megépíteni: http://www.hobbielektronika.hu/forum/files/e0/e04aa8780ee0e99beaa6a...66.gif
az 1 és a 2 es számmal jelöltre megy a mért feszültség a 3 és 5 re megy a táp. A 4es kivezetésre mi megy? ott egy földelés jele van, de nem tudom mi akar az lenni... A másik kérdésem az, hogy van a kapcsolásba 3 szaggatott kis hurok, meg egy nem szaggatott. Az mit akar jelölni? Sima átkötés csak? Előre is köszönöm.
A földelés jel, az a test, mivel ennek +-5V kell. A szaggatott vonal az átkötést jelez, de csak oda kell átkötés, ahol a tizedespontot látni szeretnéd.
Értem.
Az átkötésnél akkor én választom ki, hogy hány tizedesig mérjen? Előre is köszönöm!
Nem. Csak a tizedespontot kapcsolod be a kijelzőn. Az, hogy milyen méréshatárban fog mérni, az attól függ, hogy mire kalibrálod.
Ok, akkor talán minden tiszta, köszönöm a gyors válaszokat!
sziasztok!
A topi féle feszültségmérőt szeretném ismét megépíteni de most 2db man 6640-el. A kérdésem az lenne ,hogy miként tudnám ezt megvalósítani mert a man6960-as katódos a 6640-es pedig anódos. Üdv!
Sziasztok!
Valaki esetleg nem tudna segiteni? Ha MAXIM-tol a 7107-t megrendelem kulfoldre is eljuttatjak??
Átfutva a topikot nem találtam az érdeklődésemnek megfelelő rajzot ezért kérdeznék.
2 digites közös anódos LED kijelzőből kellene nagyon egyszerű és olcsó feszmérőt csinálnom, elég lenne a 0-99V, 1V-os lépésekben. Tudom hogy ma már PIC meg ICL, de a PIC-hez nem értek (és az sem olcsó), és az ICL is drága és nincs is jó tapasztalatom vele. Ezen kívül nem kell 4 digit csak 2, abból viszont több is. Ötletek? |
Bejelentkezés
Hirdetés |






Már nagyon elegem van belőle. 2IC/2NYÁK-on már tul vagyok, nincs kedvem még 3.-at is csinálni!
Segítsetek légyszi!







