Fórum témák

» Több friss téma
Fórum » Adatlapot keresek
 
Témaindító: Thom, idő: Feb 23, 2006
Lapozás: OK   14 / 33
(#) mineral válasza Amarton hozzászólására (») Nov 20, 2010 /
 
Szia!

Amit én találtam: Bővebben: Link de ezek a linkek is mind ide mutatnak itt nem tesz különbséget A és B között.
(#) Amarton válasza mineral hozzászólására (») Nov 20, 2010 /
 
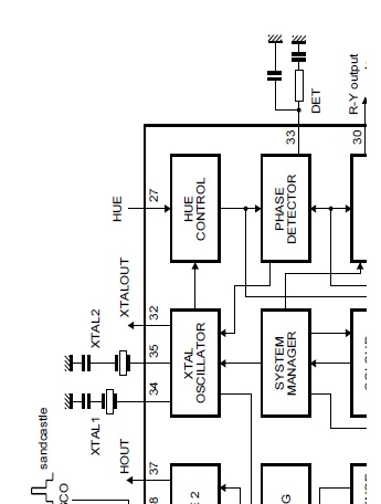
Az alldatasheeten én is megtaláltam a simának az adatlapját.
Van különbség, a lábkiosztásban is. Az 'A' nélküli az sima PAL IC. A TDA8362A pedig NTSC - PAL IC.
A gondom az, hogy PAL és NTSC jel felváltva jelenik meg az 5colos kijelzőmön. Arra gondoltam, hogy a PAL NTSC funkcióváltó lábaknál valami bemenet lebeg, így váltogatja a képet. Ezért kellett volna az adatlap, hátha van valami infó benne.
Azért köszi a fáradozást.
(#) vilmosd válasza Amarton hozzászólására (») Nov 20, 2010 /
 
Hali
Esetleg valami TV-model, ha lenne, es annak a kapcsrajzat keresni.
Udv Vili
(#) kadarist válasza Amarton hozzászólására (») Nov 20, 2010 /
 
Szia!
Ha a "HUE" láb fixen a tápfeszültségre van kötve egy 5-10kohm-os ellenálláson keresztül, akkor az IC nem próbálkozik az NTSC- üzrmmóddal. Egyébként a TDA8362-es IC "A" végződés nélkül is alkalmas PAL-NTSC-üzemre, sőt egy kiegészítő transzkóder IC-vel SECAM-hoz is illeszthető.
(#) golem hozzászólása Nov 21, 2010 /
 
Sziasztok!
Valaki le tudná nekem ezt az adatlapot kéne nekem.

aiwa_nsx s22

Bővebben: Link
(#) kadarist válasza golem hozzászólására (») Nov 21, 2010 /
 
Kattints a Get Manual-ra vagy a downloadra és akkor megkapod a manuált.
(#) szSzilard hozzászólása Dec 3, 2010 /
 
Sziasztok!

MicroSD kártya lábkiosztás illetve adatlap hol található?

Köszönöm.
(#) golem hozzászólása Dec 6, 2010 /
 
Sziasztok!
Itt egy adatlap valaki le tudná tölteni nekem mert nekem mindig hibát ir ki.
pdf fálj kelene nekem előre is köszönömBővebben: Link
(#) kadarist válasza golem hozzászólására (») Dec 6, 2010 /
 
Szia!
Ha nincs e-mail címed megadva az adatlapodon, akkor nem tudjuk elküldeni a pdf-et. Egyébként naponta 2 letöltést engedélyez a Tanya regisztráció nélkül.
(#) golem válasza kadarist hozzászólására (») Dec 6, 2010 /
 
email elküldve
(#) golem hozzászólása Dec 6, 2010 /
 
Vagy valaki elektro tanyára meghivót nem tud?
Köszönöm előre is
(#) bankimajki hozzászólása Dec 9, 2010 /
 
Sziasztok egy 4 lábú valószínűleg RF Power Amplifier-nek keresem az adatlapját. De google-lel nem sikerült megtalálni. Legyen szíves aki tud segítsen. Köszönöm.
Ez az írás szerepel az alkatrészen: 15j04 (9628, ez szerintem nem hasznos infó.) Illetve valószínűleg Motorola. És KOREA-i gyártmány.
(#) vizor válasza golem hozzászólására (») Dec 9, 2010 /
 
Lehetőség van regisztrálni egy helyesen kitöltött teszt után. A Navigáció/Az oldalról nevű menüpontjában található alul a linkje.
(#) rockersrac hozzászólása Dec 13, 2010 /
 
TMC77-hez valakinek van adatlapja? Mert akitől kaptam bár leírta a működését, de adatlapot látva talán többre jutnék! :hide:
(#) Tom025 hozzászólása Dec 14, 2010 /
 
Sziasztok!

Van itt valaki, aki tagja a http://elektrotanya.com/ oldalnak? Kellene két régebbi EMG szkóp dokumentációja, és a gugli kidobta, hogy itt fent vannak, de hiába írja az oldal, hogy 2 fájlt mindenki letölthet ingyenesen naponta, nem találom, hol lehet.

Szóval ha valaki fent van, és lenne olyan jó hogy segítene nekem nem feltétlenül meghívással, elég lenne csak a doksikat leszedni és átküldeni, annak nagyon hálás lennék...

Amúgy konkrétan az
EMG1553 TR-4657 és az
EMG1568/2A TR-4655/2A érdekelne, használati oldalról, hogy mi köztük a különbség.. A típusjelölési rendszerükön meg nem tudok kiigazodni, bocsi ha túl sok infót adtam meg..

Üdv, Tom-
(#) vilmosd válasza Tom025 hozzászólására (») Dec 14, 2010 /
 
Hali
EMG1553 es EMG1568
Parancsolj
(#) moltam válasza Tom025 hozzászólására (») Dec 14, 2010 /
 
(#) Tom025 válasza moltam hozzászólására (») Dec 14, 2010 /
 
Szuper!

Az egyiket sikerült reg nélkül is leszedni, de regisztráció után a másik is meglett.

Köszi mindenkinek!
(#) vikipapa hozzászólása Dec 15, 2010 /
 
Helló mindenkinek. Valakinek van valamilyen infója erről a két tranzisztorról? A823, 3223 Előre is köszönöm.
(#) jdani hozzászólása Jan 1, 2011 /
 
Hali. Nem jártas itt valaki motorkerékpár ügyben? Szervizkönyvet keresnél, de nem találok. Honda NS125F motorhoz kellene nekem szervizkönyv, és eddig nem találtam sehol. (NSR125-F hoz találtam, de ,,teljesen,, más motor)

szerk:

Ez mi akar lenni? Egy rövid leírás van róla hogy miről szól, viszon...látom)
(#) lacek29 hozzászólása Jan 9, 2011 /
 
Sziasztok. Tud valaki valami adatokat erről a diódáról? SDA 400 van rá írva.
(#) Remci hozzászólása Jan 25, 2011 /
 
Sziasztok!

Adatlapot vagy leírást keresek erről az alkatrészről,de nem igazán találok.De lehet hogy csak én nem tudok keresni.Esetleg valaki?

PDA 002.jpg
    
(#) brato hozzászólása Feb 3, 2011 /
 
Üdv!

SN102 94V - 0 típusú grafikus kijelzőhöz keresek adatlapot. A kijelzőn 20 PIN-es csatlakotó található.
HD66205F,LC7940,LC7981 chipek vannak rajta.
(#) brato válasza brato hozzászólására (») Feb 5, 2011 /
 
Csináltam fényképet a kijelzőről, hátha felismeri valaki és van adatlapja hozzá.

Snap2.jpg
    
(#) kobold hozzászólása Márc 31, 2011 /
 
PCF7991AT immobiliser IC-hez keresek adatlapot, nincs valakinek véletlenül? A neten csak egyetlen oldal lelhető fel róla, Product profile címmel, és sajnos egyáltalán nem részletes még az sem.
(#) pucuka válasza kobold hozzászólására (») Márc 31, 2011 /
 
Ez talán megfelel?

PCF7991AT.pdf
    
(#) pucuka válasza pucuka hozzászólására (») Márc 31, 2011 /
 
Tényleg mindenhol csak ez az egyszem oldal van, szupertitkos, még a lábkiosztás is
(#) kobold válasza pucuka hozzászólására (») Márc 31, 2011 /
 
Pont erről az egyetlen oldalról beszéltem Előttem van a panel, rajta az IC, de többrétegű a nyák, és a sávok jó része totál láthatatlan. Ezt-azt ki lehet silabizálni, de hogy hol akad el a transponder jele, azt így nem nagyon...
Pedig ez az egy lap '98-ban készült, azóta igazán felrakhattak volna valami mást is.
(#) laszlo987 hozzászólása Ápr 19, 2011 /
 
Sziasztok!
Segítséget szeretnék kérni egy adatlap keresésben, érdemben nem jutottam semmire. Az IC: S105078003 annyira jutottam, hogy 2 helyen is írták a helyettesítője: sc428995cdw.
Egyiknek sem találom az adatlapját. Ez egy távirányitóba lévő vezérlő. 16 lábú smd.
Köszönöm előre is!
(#) laszlo987 hozzászólása Ápr 19, 2011 /
 
Kép róla.

ic.JPG
    
Következő: »»   14 / 33
Bejelentkezés

Belépés

Hirdetés
XDT.hu
Az oldalon sütiket használunk a helyes működéshez. Bővebb információt az adatvédelmi szabályzatban olvashatsz. Megértettem