Fórum témák
» Több friss téma |
Sziasztok!
Ajtózárba való nyitásérzékelő mikrokapcsolót nem tudjátok hol lehet venni? Vhonnan biztosan lehet, mert tudok olyan emberről, aki javítja ezeket a kapcsolóhibás zárakat! Köszi
Én az 5. ajtó zárjába sima mikrokapcsolót raktam be ide esetleg nem lehet ilyesmit ?
Hát a fene tudja, de majd megnézem milyenek vannak itthon, hátha találok vmi olyat, ami belepasszol!
NÁLAM ****** Az oldalon nem reklámozunk !
Köszi, közben már én is megtaláltam, jelentkezek, ha kiderül milyen van benne!
AZ ADMINNAK ÜZENEM HOGY RENDBEN,NEM IS FIGYELTEM,MEGSZOKÁSBÓL IRTAM,ELNÉZÉST!
sziasztok!
lenne 1 kerdesem nekem olyan problemam van h nem mukogik a vilagitas az ablaklehuzon 1ik ajton se+ a visszapillantot se tudom allitani es szinten ott se megyen a vilagitas se,ha rakotom a szamitogepre azt irja h a kozponti vezerles/Riadiace jednotky/ van a problema,de viszont hallottam h azt nehez kiutni esetleg ha mas autorol startoljuk /bebikazzuk/ ha a mi akumulatorunk lemerulne.az autot hasznaltan vettem mar akkor evel a problemaval ha esetleg valaki tudna segiteni megkoszonnem! akkar erre az emailre is irhat, lom123@azet.sk, problemak amire megtanaltam a megoldast: -ha blikal az ESP,a kormanyon kellett forgatni 180 fokot mert a geometriat eltoltak/viszont ovatosan aramtalanitani kell a verdat mert az airbag kilohet ha elszakad a szallag a kormanyban/ vagy a fekpedal alatti kapcsolot kicserelni ha a ESP + A SPIRAL is blikal+a feklampak se egnek -ha nem erzekeli az auto h kivan nyitva a kapcsolot a zaron ki kell cserelni ,probaltam kontakt speeket de nem segitett ezekrol bovebben : lom123@azet.sk
ja es van szerviz konyvem, de nem olyan amivel a kocsit adjak ez joval komolyabb olyan amit szervizbe is hasznalnak , komplett minden talan az elektronika kicsit hianyos, viszont ha finoman szeretned szetbontani a verdat akkor nagyon tuti rajzok vannak benne jelolve/ 1,2,3lepes/lepesrol lepesre csak annyi h csehul van irva
Szia! Nem vagyok szaki csak egy érdeklődő de nem lehet-e hogy egy kábel van elszakadva , testre zár vagy bizti hiba ? Valamiért nem jut oda a + táp erre gondolnék.
Szia! A motorkódot add meg és hátha találunk hozzá valami konkrét segítséget. Ha volt hibakód, annak a számát is. (ha lehet...)
szevasztok!
a motorkod az merre? a hibakoddal meg az a problema h szervizbe kell vinnem mert nincsen hozza kabelom, de a kozeljovobe megkeritem, es koszi a gyors reagalasotokat
Az a forgalmiban megtalálható, általában három betű pl.: AHW, BFQ, AFP stb. .... De a blokk oldalában is benne van itt.
Inkább mondj egy évjáratot és elnevezést, hengerűrtartalommal. Az SRN az Sharan lenne?
kis segitseg ha netan valakinek meg kellene
hatso ajto bontasa :
kormany alatti resz,ajto bontas:
vw golf4 AG,SRN 1.9 pompa dizel 74 kw,5 ajtos HATCHBACK
gyartasi ev: 7.9.2001 motorszam: AXR / az elobb elneztem ,bocs/
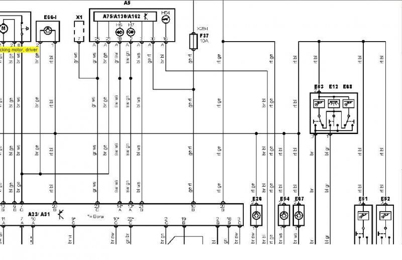
Nagynehezen így már megtaláltam kocsid rajzát. Ezen része tartalmazza a központi zárat és belső világítást. A hibát valószínű, hogy a vezető oldali ajtóban lévő mikrokapcsoló hibája okozza.
nagyon kosz!
meg annyit kerdeznek : jelenleg nalam 2 mikrokapcsolo rossz amirol tudok az 1ik az elso jobb oldali a masodik a hatso kufferos,amit ugy vettem eszre h nem vilagitott a lampa elol a jobb oldali ajtoba es a kufferba hatul + nem erzekelte ha mar a taviranyitoval blokkoltam az ajtot es kinyitottam/hiaba kinyitottam automatikusan lezart,de csak ezeknel az ajtoknal/a kuffernal az ablakspriccolo alatti tengely elrepett es igy folyt nekem be a viz a ha nyomtam hatra a vizet, egy darabig jelzett a kontrolka h nyitva a kuffer 1* sikerult javittatnom a kapcsolot de vegul megadta magat +van nekem a kocsiba gyari+meg 1 beszerelt riaszto ami allandoan riasztott most csak a gyarit tudom hasznalni. amit kiakartam ebbol az egeszbol hozni : ha a mikrokapcsolo a rossz nekem akkor nem kellene h NE vilagitson nekem az ajtoba a lampa a sofor oldalan+ ha nyitom akkor azt a reszt erzekeli h mar kinyitottam es ha jol tudom akkor ez a mikrokapcsolo dolga? szoval kb mas lesz a bibi ,de meg 1* nagyon szepen koszonom a rajzokat
Hát nem nagyon jó, hogy két rendszer vigyáz(t)a a kocsidat. Nem gondolnám, hogy a zéner diódának volna köze a hibához, mert akkor nem jelezne vissza a műszerfalon, így marad a mikrokapcsoló.
akkor cserelnem kell ezekszerint 3 kapcsolot,es miert nem jo h 2 rendszer vigyazza a kocsit+ meg meg 1 imobilizer a gyarin kivul, engem amugy annyira a vilagitas nem is zavarna csak az h nem tudom allitani a visszapillanto tukrot es mar volt ra alkalom h majdnem felsertettem a gumit a diszkel 1ut valamek utpatkan tolatas kozben
ezeket a mikro kapcsolokat hogyan tudnam lemerni megnezni h jok e+ van valami cimed ahonnan lehet rendelni, ha jol tudom mar csak zarral kaphatoak regebben lehetet keriteni kulon kapcsolot es csak rakellet nyitelni,ha nem gond akar skypeon is felvennem veled a kapcsolatot ezen az emailon elkuldhete a neved amin megtalalhatnalak : lom123@azet.sk
Sziasztok. A segitségeteket szeretném kérni,van egy 2001 , golf4 ,1.6 16v villog az ABS és a FÉK visszajelzö lámpa egyszerre ,gépen volt, hibaüzenet vagy hibakod nincs. Tárcsák ,betétek ujjak,ABS nem müködik.( Bizti 25A)ok. Fékfolyadék szint rendben. (olyan mintha kikapcsolták volna az ABS-t) .
Forgásszenzorok rendben vannak? (ABS jeladó)
Köszönöm. Hol találom és hogy lehet laikussan ellenörizni hogy jo-e.
Mind a négy keréknél láthatod. Van egy fogazott gyűrű az agyon vagy a féltengelycsuklón azt "nézi". Ellenállás mérővel tudod ellenőrizni. Valahol a gólyalábon, vagy az alvázon van egy csatlakozója. Azt széthúzva a jeladó felé néhány száz ohm ellenállást kell mérned. Majd valaki mindjárt megírja a pontos értéket én nem tudom. A lényeg az, hogy nem mérhetsz szakadást. Ez tulajdonképpen egy tekercs. A mérés közben a tövénél mozgasd a vezetéket, mert néha csak kontakthibás és jónak méred de mégsem az. Egyenként ellenőrizd mind a négyet. Ha jónak találod őket, akkor az elektronika felé menő vezetékeket is ellenőrizni kell, de ahhoz nem ártana egy rajz, hogy tudjad hol a vezeték másik vége.
|
Bejelentkezés
Hirdetés |




NÁLAM
















