Fórum témák
» Több friss téma |
Értem, és milyen módon lehet összehozni azonos hullámhosszú lézereket, hogy egy sugárba világítsanak?
Létezik erre egy kocka, ami 2 prizmából van össze rakva. Ilyen van a DVD iró fejben ism ami a piros és az IR lézer sugarat egyesíti.
Igen létezik, de kb. minden 3 ik fajtából tudsz kiszedni olyat ami erre jó, mert többféle is van benne.
De inkább menjünk át az erre alkalmas topikba : Bővebben: Link és ott folyatassuk.
Sziasztok!
Elkezdtem egy galvo scanner építését, viszont kissé akadályokba ütköztem. Átolvastam a fórumot, elég sok ismeretre sikerült szert tennem, a DAC már készen is van, viszont PD és meghajtó hiányban szenvedek. Ebben szeretném a segítségeteket kérni, hogy valakinek van e esetleg egy működő kapcsolási rajza. A DAC kimeneteim + gnd -. Amiket találtam itt a fórumon azoknak a bemenetei mind csak + és gnd. Segítségeteket előre is köszönöm!
Szia!
Sajnos én is a + gnd félét használom, építettem. működik így is szépen. Néztem már sokfele én is a + - gnd rajzot, de nem találtam még. Pedig régóta keresem. Max egy gyárit kellene visszarajzolni, lekoppintani, ezen gondolkodom.
Szia!
Értem. Ez elsőre annyira nem jó hír mert akkor lényegében fölösleges volt megépíteni a dacot. Vagy veszek egy gyárit. De az úgy nem kihívás.Szerintem próbálkozom még aztán majd kiderül mire jutok.
Vagy épitesz egy másik, átalakítod a DAC-ot. A galvoid kész vannak hozzá?
Vagy épitesz egy másikat, átalakítod a DAC-ot, vagy nemtudom. Én feladtam a keresést, inkább a másik DAC mellet döntöttem. A galvoid kész vannak hozzá?
Idézet: „A DAC kimeneteim + gnd -.” Ezt tegyük tisztába! Mert nem túlságosan érthető. Esetleg ha tennél be egy kapcsolásit róla akkor átjönne az infó.
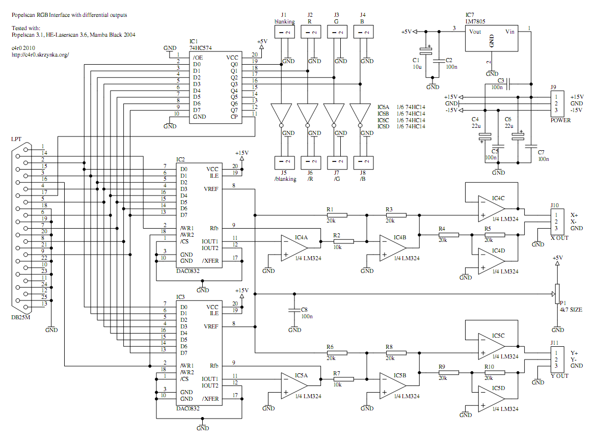
Erről a kapcsolásról lenne szó.
ha az R4 és az R9 elől veszed le a jelet, (és a GND), onnantól kezdve teljesen jó mondjuk ehhez a szabályozóhoz.Bővebben: Link
Amivel Nektek dolgotok van az az asszimm/szimmetrikus meghajtás.(unbalanced/balanced)
Ld.:professzionális audiótechnikai jelkábelezés A szimmetrikus be/kimenet(+ gnd -) zavaroltó funkciót képvisel,egyesitve a hosszú kábelek(>10-50m) minőségveszteség nélküli meghajtásával. Ha a szervó bemenete csak kettő vezetéket fogad(+ és a gnd).akkor a DAC + és a gnd kimenetét kell csak bekötni,a -(minusz) az lógjon a levegőbe.
Azthiszem megvan a gond, bár ez elég érdekes mert olyannal még nem találkoztam hogy a 7805-ös feszstab gyárihibás lenne. Bemenetére megkapja a 15 voltot, a kimenetén viszont csak 0,3 van. Tényleg hibás lenne vagy ez valami más miatt van?
Szia
A kimenő oldalra tegyél 10u-s elkót (nagyobb nem ajánlott), és 100n-s kondit. Elképzelhető, hogy begerjed. Ha ez sem segít, akkor vedd ki a panelból, és úgy terheld le például egy 12V-os 10W-os izzóval, ha így sem jó, akkor lehet hibás, bár még én sem találkoztam hibással, de előfordulhat.
Rajtavan a 10 mikros is meg a 100 nanos is ezért nem nagyon vágom h mi a baja.Valószínűleg emiatt nem kap a 2 darab lm324 tápot és valószínűleg ezért nem megy.
Esetleg külön forrásból (ha van szabályozható tápegységed) próbálj adni külön 5V-ot, de előtte vedd ki a 7805-öt, mert nem szereti a visszafelé kapott tápot. Vizsgáld át a panelt nincs-e valahol zárlat.
Nem szabályozható tápom van hanem egy háromkimenetes ipari stab 5 voltal meg +/- 15-el szóval lehet az lesz a dologból de még nézegetem a nyákot hogy lehet a gond.
Bizony! Viszont megoldódott a probléma! A 7805 nem kapott földet. Mostmár elvileg minden oké, a két lm324 is megkapja a tápot, holnap lehet bemegyek a laborba és ráakasztom megint a szkópra. Remélem több gixer nem lesz már.
Feladom! NLS látja a dac-ot, ha elindítok bármilyen animációt a lézer kimenetek működnek, az lm324 megkapja az 5 V-ot, az R4 és R9 elől veszem le a jelet, a gép és a dac közötti lpt kábelt is átnéztem viszont a kimeneten semmi továbbra is. Ezek az IC-k mennyire érzékenyek a hőre? Lehet hogy hiba volt beforrasztani? Már totál tanácstalan vagyok mi lehet a baj...
Mért az R4 és R9 elől veszed a jeleket?
Epyn írta, hogy a + és a gnd jelet kell használni. A kábeled milyen gyári vagy te csináltad? Ha nem gyári akkor hogy van bekötve?
Mondjuk én nem spóroltam volna a helyedben a 60 forintos IC foglalaton. Könnyebb cserélni ha valami nem okés.
A kábel így lett bekötve. Az ic foglalat meg azért esett ki a dologból mert nem kaptam precíziósat a másikat meg felülről szinte lehetetlen forrasztani! Ezért inkább ez lett.
Hú de korán van ezekhez a számokhoz.
![]() Milyen szisztéma alapján lett bekötve? Ez a gép-dac közé megy vagy a dac-lézer közé? Mert az elsőhöz egyenesre bekötött kábel kell a másodikhoz meg célszerű az ilda szabványt használni.
Jut eszembe, ezzel át kellene mennünk a lézershow-s topicba mert itt nincs nagyon jó helyen.
Gép-Dac közé és a szebence által használt dacot használom én is. A fő gondom szimplán az, hogy elméletben minden jó, gyakorlatilag a kimeneten csak zaj van, és fogalmam sincs, hogy mi miatt.
Idézet: „Feladom!” Aki feladta sohasem lett győztes. Aki győztes lett sohasem adta fel. |
Bejelentkezés
Hirdetés |




De az úgy nem kihívás.





