Fórum témák

» Több friss téma
Fórum » Csöves erősítő készítése
 
Témaindító: seedz, idő: Márc 31, 2006
Témakörök:
Ne feledd betartani a fórum viselkedési szabályait, és a topik megmaradásának feltételeit. [link]
A téma átmenetileg fagyasztva lett, hozzászólni nem tudsz!
Lapozás: OK   1197 / 2208
(#) vikipapa válasza antman hozzászólására (») Ápr 27, 2011
Szia. Köszönöm szépen. Van pár elfekvő PL504-em, úgyhogy lehet összerakom valamikor. Még egyszer köszönöm!
(#) djhans válasza saraha hozzászólására (») Ápr 27, 2011
Szerintem jó lesz.
(#) saraha válasza djhans hozzászólására (») Ápr 27, 2011
Köszi, megpróbálom akkor odahuzalozom,de azért veszek majd ECC83-at is csak már kiváncsi vagyok a hangjára mert még nem volt dolgom egyetlenegy csővel sem.
(#) frekivalto hozzászólása Ápr 28, 2011
Hali.

Már kérdeztem, hogy relés kapcsoláson kivűl van-e más mód arra, hogy az anódfeszültséget késlelteeve kapcsoljam be.

Ezzel kapcsolatosan tudnátok ajánlani jó minőségi éritkezővel ellátott relét? Mert ugye tápfeszbe rakva "a hangja is beleszólhat"
(#) DaviS válasza frekivalto hozzászólására (») Ápr 28, 2011
Szerintem nagyáramút tegyél bele, mert annak kisebb az ellenállása, és általában teljesen vörösréz érintkezői vannak. Szerintem a legjobb egy OMRON márkájú lenne, min. 10A-es. Bár nem hiszem hogy egy relének különösebb zaja is lenne, hacsak nem behúzáskor.
(#) Bassmester válasza frekivalto hozzászólására (») Ápr 28, 2011
Kapcsold inkább fettel. Az sosem fog beégni
(#) totya694 válasza DaviS hozzászólására (») Ápr 28, 2011
A polarizált relék esetében a behúzótekerccsel azért kötnek párhuzamosan egy diódát,hogy az önindukciós feszültséget levezesse.Különben csúnya zajt tud okozni.
(#) DaviS válasza totya694 hozzászólására (») Ápr 28, 2011
Igen tudom ,hogy behúzáskor, elengedéskor "visszarúg", de most a vezető felületről volt szó.
(#) pucuka válasza frekivalto hozzászólására (») Ápr 28, 2011
Attól függ, hogy mekkora anódáramot kell kezelni, és mekkora feszültségesés engedhető meg. Ha nem túl nagy az anódáram, akkor megfelelhet egy egyszerű RC tagos szűrőáramkör, a kondenzátor megfelelő nagyságúra választásával. Ráadásként még a brumm elnyomást is megnövelted. nagyobb áram (100 mA) esetén kapcsoló kell, vagy relé.

DaviS: Nem feltétlen fontos nagyáramú relé, a normál méretűek gond nélkül kapcsolnak néhány A -es áramot, inkább a feszültség tűrésükre > 250 V kell gondot fordítani. (ívképződés) A kapcsoló érintkezőket nem szokás vörösrézből készíteni, (ne tévesszen meg ha néha vöröses színűt látsz) mert túl lágy, és oxidálásra hajlamos. Többnyire ötvözet, de legalább is fellületkezelt. Mindenképpen ajánlott minőségi relé alkalmazása, és akkor a hangja (csattanás) sem lesz nagy.
(#) totya694 válasza DaviS hozzászólására (») Ápr 28, 2011
Bocsi.Nem voltam elég figyelmes olvasáskor
(#) heinrik endre válasza antman hozzászólására (») Ápr 28, 2011
IGÉNYESEN MEGCSINÁLTAD .............TOP
(#) ticseboy hozzászólása Ápr 28, 2011
Sziasztok. Lassan de biztosan épülget a 6c33c pp, de most fennakadtam egy apróságon a kábelezésnél. A kimenő, 4-8ohmra lett tekerve, és arra lennék kiváncsi, hogy mindkét hangszórókivezetésre tegyek néhány 100ohmot védelem szempontjából, vagy elég az egyikre, mert ugye a 4 ohm az csak egy leágazás, és igy felmerül a következő kérdés a visszacsatolásról?
Azt is mindkettőre vagy egyikre??
(#) klemo86 válasza ticseboy hozzászólására (») Ápr 28, 2011
Én ilyenkor (is) a közvetlen kimenetre szoktam tenni (a csatlakozóra), és ilyesmin nem kell agyalni
(#) ticseboy válasza klemo86 hozzászólására (») Ápr 28, 2011
Oda szánom én is, de a kérdésre nem kaptam választ, hogy mindegyikre vagy csak az egyikre? Mert ugye most oldalanként 3 kimenetem van 4-0-8 ohm.
(#) Bassmester válasza 6C4C hozzászólására (») Ápr 28, 2011
Oké, köszi. Akkor én is kipróbálom ezt a megoldást.
LM 317/337 stabokkal csinálok tápot az ícéknek és úgy állítom majd be a feszültségét, hogy 6,3V legyen a 6N2P-n felfűtött állapotban. Hogy lehetne kiszámítani az ide szükséges soros ellenállásokat?
(#) CIROKL válasza ticseboy hozzászólására (») Ápr 28, 2011
Nem kell csak a 8 ohmra , egy 100 ohm a visszacsatolás is onnan mehet.
(#) 6C4C válasza Bassmester hozzászólására (») Ápr 28, 2011
A 6N2P 340 mA fűtőáramot igényel, tehát ha van +/-15V-od, 23,7V-ot kell ejtened 0,34A áram mellett, ami 70 Ohm lenne... Ha ugyanúgy, két ellenállással szeretnéd ezt az előtétellenállást realizálni, egy 33 és egy 39 Ohmos, legalább 7W-os ellenállással lenne érdemes...

A 12AX7/ECC83 ebből a szempontból jobb választás volt/lenne, mivel sorosan, 12,6V-ról is fűthető, az előtétellenállásokon sokkal kevesebb teljesítmény menne veszendőbe...
(#) ticseboy válasza CIROKL hozzászólására (») Ápr 28, 2011
Köszönöm. És 100ohm-nál mennyivel mehetek feljebb?
(#) frekivalto válasza pucuka hozzászólására (») Ápr 29, 2011
Köszi.

Gondoltam erre is, mert ez is egymegoldás, és nem annyira drága...
Viszont szóba jött időközben az L-C megoldás is, áramkorlátozásra, valamint brumm elnyomásra is.
Körbenéztem a neten, de nem nagyon találtam fojtót
Kb. 1-2H értékre gondoltam. Tudna valaki ajánlani boltot, ahol lehet venni? Ja, és milyen vasmaggal ajánljátok?

Mondjuk ez nem lesz occsó, mert 6db szekunder tekercsem van, amibe kellene (persze a fűtést, és a segédrács fesz. tekercseket nem számoltam bele)

Köszi a segítséget, üdv.
(#) bta válasza frekivalto hozzászólására (») Ápr 29, 2011
Mekkora anódáramra (névleges, maximum) kellene fojtó? Ha dinamikát is szeretnél, akkor a ne nagyon korlátozzon áramot. A kimenőtrafód milyen, rendesen meg lett tervezve? Ha nem üti meg a szintet, akkor felesleges a fojtó hangminőségén aggódni. Nem szabadna szem elől téveszteni, hogy egy szokványos csövesnek mégiscsak a kimenőtrafó a lelke. És ezt nem csak neked mondom
(#) bta hozzászólása Ápr 29, 2011
... és hagyd a francba az anódfesz. késleltetést. IDHT végcsövekre nincs sok értelme.
(#) bta válasza pucuka hozzászólására (») Ápr 29, 2011
"Ha nem túl nagy az anódáram, akkor megfelelhet egy egyszerű RC tagos szűrőáramkör, a kondenzátor megfelelő nagyságúra választásával. "

Pucuka, anódtápot talán nem a vele elérhető feszültségkésleltetésnek alárendelve kellene méretezni
(#) frekivalto válasza bta hozzászólására (») Ápr 29, 2011
Köszi.

"IDHT végcsővekre nincs sok értelme"

Kifejtenéd bővebben? Mit jelent az "IDHT" Eddig se volt benne, nekem nem hiányzik, csak javasolt az anódfesz. késleltetés. Nem tudom milyen kimenők vannak benne. Kompletten vettem, engem a hangja fogott meg, nagyon jól szólt.
Nemrég volt szerencsém meghallgatni egy MF M3i erősítőt is, a csővi jobban teljesített!
(#) pucuka válasza bta hozzászólására (») Ápr 29, 2011
A helyzet az, hogy én biztos nem foglalkoznék ezzel a kérdéssel. De a kérdező valamiért fontosnak tartotta, és az anódtáp ilyen szempontból történő méretezésével is meg lehet oldani a kérdést. Normál kisteljesítményű, pár száz voltos anódfeszültségig nincs nagy jelentősége, de kW os, több kV anódfeszültségnél már igen. (bár ez nemigen fordul elő hétköznapi használatban)
(#) Ricsi89 válasza frekivalto hozzászólására (») Ápr 29, 2011
Idézet:
„Mit jelent az "IDHT"”

InDirect Heated Tube, magyarul közvetett fűtésű cső.
(#) frekivalto válasza Ricsi89 hozzászólására (») Ápr 29, 2011
Köszönöm
(#) frekivalto hozzászólása Ápr 29, 2011
Ezuton ismételten köszönöm CHZ Zolinak az önzetlen segítségét.
Sokat segített abban, hogy jól építsem "vissza" az első csőves erősítőmet!

Mostanra az is kiderült, hogy PPP Ciklotron felépítésű. Ezt egy kicsit sejtettem, de nem voltam benne biztos. Ebben a fórumban már olvastam róla....

Elkezdtem előlről elolvasni a hozzászólásokat, amikből sokat tanulok. Már a 125. oldalnál járok

Ráérek, van időm.
(#) besi99 válasza ticseboy hozzászólására (») Máj 1, 2011
Végülis, a kimenőtrafó impedancia transzformációt is végez .
Mivel ohmos terhelés, az csak "próbajárat",a valós értékeket, csak valódi impedanciaértékeknél, beállításoknál kapjuk. Igaziból csak profi hangnyomásmérésel kapunk pontos értékeket (pl frekimenet, lin- és,harmonikus torzítás, futási idő...
Mindenképpen javaslom - első közelítésben - az önálló paraszti ohmos terhelést
(#) oibacsi hozzászólása Máj 1, 2011
Üdv ismét!
Láttam ilyet is, olyat is, ezért inkább kérdezek:
Okozhat valamiféle problémát ha a fém burkolattal fémesen érintkezik a kimenő az őt összefogó szögvason keresztül?
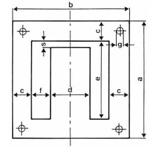
(#) DaviS hozzászólása Máj 1, 2011
Sziasztok!
Mágneses erővonal közepes hosszúságát (lm), hogyan tudjuk kiszámolni? Például egy M85-ös vasmagnál?

M85.JPG
    
Következő: »»   1197 / 2208
Bejelentkezés

Belépés

Hirdetés
XDT.hu
Az oldalon sütiket használunk a helyes működéshez. Bővebb információt az adatvédelmi szabályzatban olvashatsz. Megértettem