Fórum témák

» Több friss téma
Fórum » TBA - MBA810..-es erősítő
 
Témaindító: punkkazy, idő: Ápr 2, 2007
Témakörök:
Lapozás: OK   1 / 2
(#) punkkazy hozzászólása Ápr 2, 2007 /
 
Helló!

A nemrég szétszedett "minihifimből" kiszedtem a 4-ből egy panelt. Megjegyzés ként: a hifi csöppet szétrohadt, az esőn állt 2 évig a tulajnál, 18W-os hagszórók szétrohadva, ellenállások, kondenzátorok nagy része oxidálódott..........

A dolog akkor lett érdekes, amikor észrevettem, hogy a végfok IC-k épek. Abaj az, hogy egy ősrégi típus. At IC-re a TESLA felirat alá "MBA810(nem tudom eldöntei, vagy 0 vagy D)AS V20" van írva. Valaki tud ehhez kapcsolási rajzot, vagy egyáltalán valami ötletet??
(#) Joci77 válasza punkkazy hozzászólására (») Ápr 2, 2007 / 4
 
1.
(#) MaSTeRFoXX válasza punkkazy hozzászólására (») Ápr 2, 2007 /
 
TBA810AS néven lehet találni róla adatlapot
De szerintem felejtős. Nagyon elavult konstrukció... Nehézkes a hűtése, nem túl nagy a kimenőteljesítménye... 5-6W-ot kapsz kb 16V-ról 4ohmos hangszóróval. Én inkább TDA2030-ra vagy inkább TDA7375-re szavaznék. Az utóbbiba alig kell alkatrész, stabil megbízható, pár éve megvan, mindennap használom.
(#) punkkazy válasza MaSTeRFoXX hozzászólására (») Ápr 2, 2007 /
 
Köcce mindenkinek. Gondoltam én, hogy elavult lehet, de ha már megvan, nem dobomki. Lehet hogy még összerakom. Mégegyszer köszönöm!
(#) Kovidivi hozzászólása Júl 15, 2007 /
 
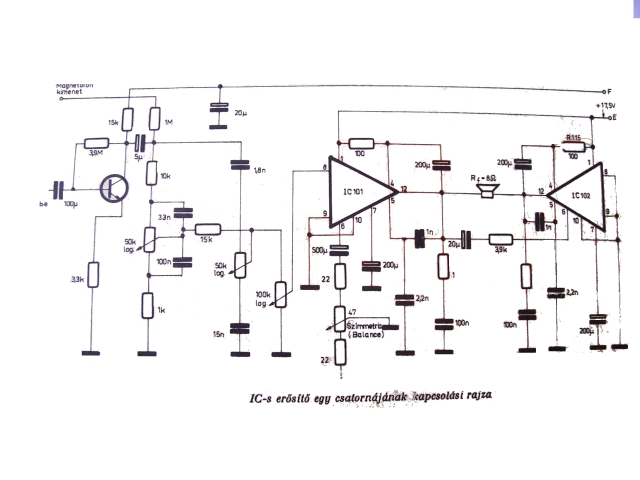
Hello!most vettem a piacon ezt(lásd a képen) , és meg szeretném kérdezni, hogy ez hangszínszabályzó, erősítő, vagy előerősítő, vagy mi? 4db sztereo poti van benne, a két oldalon található(mert sztereo) ick-re ez van írva: tesla mba810das. kerestem hozzá adatlapot,de nem találtam. esetleg meglenne valakinek? megköszönném!
ja, és 250k-s potik vannak benne 4db, meg 2M5-ös 4db (asszem)
(#) Müszi válasza MaSTeRFoXX hozzászólására (») Júl 15, 2007 /
 
Elavult de jól szól.
Építettem belőle végfokot és igencsak megvolt az eredményye.
(A TDA-m-nál szebben szól, az egyszer biztos)
(#) pixels válasza Kovidivi hozzászólására (») Júl 15, 2007 /
 
Hali!
Engem ez nagyon emlékeztet egy Tesla NZC 041-es lemezjátszó belsejére Ha gondolod megnézem, mert nekünk van egy ilyen itthon. Elvileg a potik balról jobbra: hangerő, balance, mély, magas.
(#) Kovidivi válasza Müszi hozzászólására (») Júl 15, 2007 /
 
oké-oké. de végülis a tied hány voltot kap?és váltót,mert úgy látom,arra van szüksége.az enyémre 35voltos kondik vannak téve. az egyik poti gondolom hangerőszabályzó, a másik mire szolgál? akkor ez egyértelműen végfok? Te hogyan kötötted be? lécci a csatolt képen jelöld be! tda mennyinél szól jobban?nagyon szépen köszönöm,és örök hálám
szerk: megtaláltam az adatlapját, majd meglátjuk... köszi mindenkinek!
Tök jó ez a fórum, itt szinte mindenre van válasz,csak olvasni kell! Köszi Topi!

Kép(2).jpg
    
(#) Kovidivi válasza pixels hozzászólására (») Júl 15, 2007 /
 
tényleg úgy van,ahogy mondtad.szerintetek 300ft-ért megérte? tényleg nagyon szép a hangja. és egész hangos ez a 6watt... :yes: Köszi a tippeket!
(#) szabi83 válasza Kovidivi hozzászólására (») Júl 15, 2007 /
 
hát egy mono potit kapsz 250ft ért...
szted
(#) pixels válasza Kovidivi hozzászólására (») Júl 15, 2007 /
 
Hali!

Megnéztem, de nem pont ugyanolyan. A panel rövidebbik oldalán van a bemenet, a hosszabbik oldalán középen van a tápegység csatlakozója, ettől balra van az egyik oldal kimenete, jobbra meg a másiké. A panelt, hogy ha az alkatrész felőli oldalról nézed, akkor ott valószínűleg látod majd a jelöléseket:
R - betű a jobb, L betű a bal csatornát, ~ jel jelöli a váltó bemenetet, a földelésjel pedog a testet jelöli

A panelnek 2*12V-os trafó kell, tehát a trafó középleágazását a földelésjelhez, a két szélső leágazást pedig a ~ jelre kötöd.

A képen látod majd hogy van bekötve a panel, és odaírtam minden csatlakozóhoz, hogy micsoda.
(#) Kovidivi válasza pixels hozzászólására (») Júl 15, 2007 /
 
köszönöm fáradozásodat!
(#) pixels válasza pixels hozzászólására (») Júl 15, 2007 /
 
Ja még valami:

A készülékben nincs más panel, tehát valószínű, hogy a RIAA korrektor is rajta van a panelon, és szerintem kicsi a bemeneti jel, mert közvetlenül a tűről kapja a jelet.
(#) Kovidivi válasza pixels hozzászólására (») Júl 15, 2007 /
 
Ilyen adatokat találtam:

Part Number = MBA810DAS
Manufacturer Name = Tesla
Average Price = 0.36487
Description = Single-Channel Audio Power-Output Amplifier
@R(load) (Ohms) = 4.0
Upper 3dB Frequency (Hz) = 40k
Input Resistance Min. (Ohms) = 90k
THD Max. (%) = 0.7
Quies. Pwr (W) = 5.0
Nom. Supp (V) = 40
Package = QUIP-tab
Pins = 12

biztos van benne valami erőerősítő fokozat,mert mp4lejátszóról ordibál ám rendesen.

Más: a táppellátás úgy van megoldva,hogy a szimmetrikus trafó két szélét egy-egy diódával egyenirányítják.nekem most csak szimplával jár(egyenirányítottal).mi a különbség a kettő között? nagyobb feszültséget kap esetleg szimmetrikusról, mint szimpláról? köszi

szim1 = szimmetrikus táp 1
szim2 = szimmetrikus táp 2
föld = szimmetrikus táp föld

trafo.JPG
    
(#) pixels válasza Kovidivi hozzászólására (») Júl 15, 2007 /
 
Nem kap nagyobb feszültséget, csak úgy kevésbé terheli a tekercseket. Lehet féltápról járatni, de akkor félszinusz lesz majd kihasználva a váltóáramból, és így jobban terheli a trafód.

Jobban megnéztem a panelt, és van rajta 2 tranzisztor is. Valószínüleg az az előerősítő rész.

amugy szép hangja van, most tettem fel rá egy bakelitot
Annyi baja van az enyémnek csak, hogy a hangerőszabályzó potit ha csavarom nagyon recseg a hangszóró, pedig (ugy látom) hogy mintha már nem is az eredeti poti lenne benne
(#) Gábor488 hozzászólása Júl 15, 2007 /
 
Van egy kis problémám. Kaptam egy erősítőt javításra és mda 2010 volt benne két darab tudom stereo isde ez valami 4 kimenetes erősítő. Eddig nincs is gond de nem lehet sehol kapni MDA 2010-et én tda-val is próbáltam de nem sehol. Az lenne a kérdésem mivel lehetne ezeket az ic-ket pótolni?
(#) Parázs Gábor válasza Gábor488 hozzászólására (») Júl 16, 2007 /
 
Brobálj meg beszerezni valakitől bontottan vagy építsd át TDA2030-ra a végfokot, a javításra váro erőlkődőben.
(#) Gábor488 válasza Parázs Gábor hozzászólására (») Júl 16, 2007 /
 
Lehet az lesz..... Vagy visszaadom...... Megmondom neki Miskolcon tanul úgyhogy menjen el valahova és szerezzen ha nem tud akko nincs erősítő :no: :no:
(#) Dióda válasza Gábor488 hozzászólására (») Júl 16, 2007 /
 
Ha jól emkékezem akkor helyettesíthető a tda2020-al.
A kettő között csak teljesítménykülömbség van ezért mindenhol már csak azt teszik bele ezért nem lehet már beszerezni.


Istenem de régi játékosok már ezek, sima ic és a teteje fém amire megy a hűtő .Hogy mien utálatos volt azzal építeni brrrrrrr.
(#) Mate78 válasza Dióda hozzászólására (») Júl 16, 2007 /
 
És a minősége.....hát enyhén szólva kívánnivalót hagy maga után.De abban az időben milyen jók voltak!

Ha jól emlékszem még van is itthon két ilyen IC-m,mármint a 2020-as,de nam valószínű hogy erősítőt építenék belőle a közeljövőben.

üdv.
(#) Gábor488 válasza Dióda hozzászólására (») Júl 16, 2007 /
 
Mindenkit megnyugtatok nem az enyém az erősítő. Volt egy ic-m amit beletettem ment is csak az a hülye hűtőbordázása leégette mert má valaki belenyult elöttem. Miért kell mindenkinek belenyúlnia aki nem ért hozzá egy kicsit se. Szétbarmolják a planelt azt oda b...ák a z orrod alá hogy ne csináld meg. Úgy betudok ezen pöccenni.
(#) Petikee16 hozzászólása Feb 20, 2009 /
 
Hellosztok lenne 1 kis problémám:
van 1 MBA810DAS kapcsolásom (ősrégi rádióból)
csak nemtom hozzá a bekötését ha valaki tudna segítteni lécci írjon
előre is kösz Peti
(#) Petikee16 válasza (Felhasználó 13571) hozzászólására (») Márc 1, 2009 /
 
Nagyon szépen köszönöm
(#) batajohn hozzászólása Máj 28, 2011 /
 
Üdvözlet!
Találtam itthon egy Videoton Csopak RA2311-es magnóban egy TBA810AS nevű IC-t.Meg szeretném kérdezni, hogy ezt használhatom e egy készülő erősítőmnek?Vagy ez teljesen mást szolgál?Jah, és ha jó lenne az erősítőmbe akkor hány watt lenne?
Üdv:batajohn
(#) sirály12 válasza batajohn hozzászólására (») Máj 28, 2011 /
 
Ez egy végfok, de elég silány hangminőséggel. Elég masszív viszont. Jókat szórakoztam vele kissebb koromban.
Olyan 8-10W körül van a max ha jól emlékszem.
Jó építést.
(#) qvasz2 válasza batajohn hozzászólására (») Máj 28, 2011 /
 
Ha az írásodban rákattintasz az IC nevére, bejön a HEStore oldalán az IC. Ott pedig a PDF-re, az az adatlapja. Onnam mindent megtudsz az IC-ről.
Tehát: igen használhatod, és az "AS" verzióra 5W-ot ír.
(#) Ricsi89 válasza batajohn hozzászólására (») Máj 28, 2011 /
 
Régen ezt általánosan használták autórádiókban, de a minősége is olyan. Rádióhallgatáshoz elég hangerőt produkált, de máshoz nem igazán használható.
És hogy a kérdésre is válaszoljak, igen ez egy végerősítő, nem valami jó minőséggel. De ezt neked kell eldönteni, hogy akarsz-e egy ilyen "vacakkal" szórakozni, vagy hagyod az egészet.
(#) batajohn válasza batajohn hozzászólására (») Máj 28, 2011 /
 
Küldenétek nekem erről egy kapcsolási rajzot, ha van esetleg?Mert én még nem találtam...
(#) qvasz2 válasza batajohn hozzászólására (») Máj 28, 2011 /
 
Az adatlapon az is van!
(#) kadarist válasza batajohn hozzászólására (») Máj 28, 2011 /
 
Szia!
Nálad nem jön be a google? Bővebben: Link
Következő: »»   1 / 2
Bejelentkezés

Belépés

Hirdetés
XDT.hu
Az oldalon sütiket használunk a helyes működéshez. Bővebb információt az adatvédelmi szabályzatban olvashatsz. Megértettem